Содержимое: Каталог Запчастей John Deere :9550 and 9550SH Self-Propelled Combines - PC2801 135 SIDEHILL LEVELING
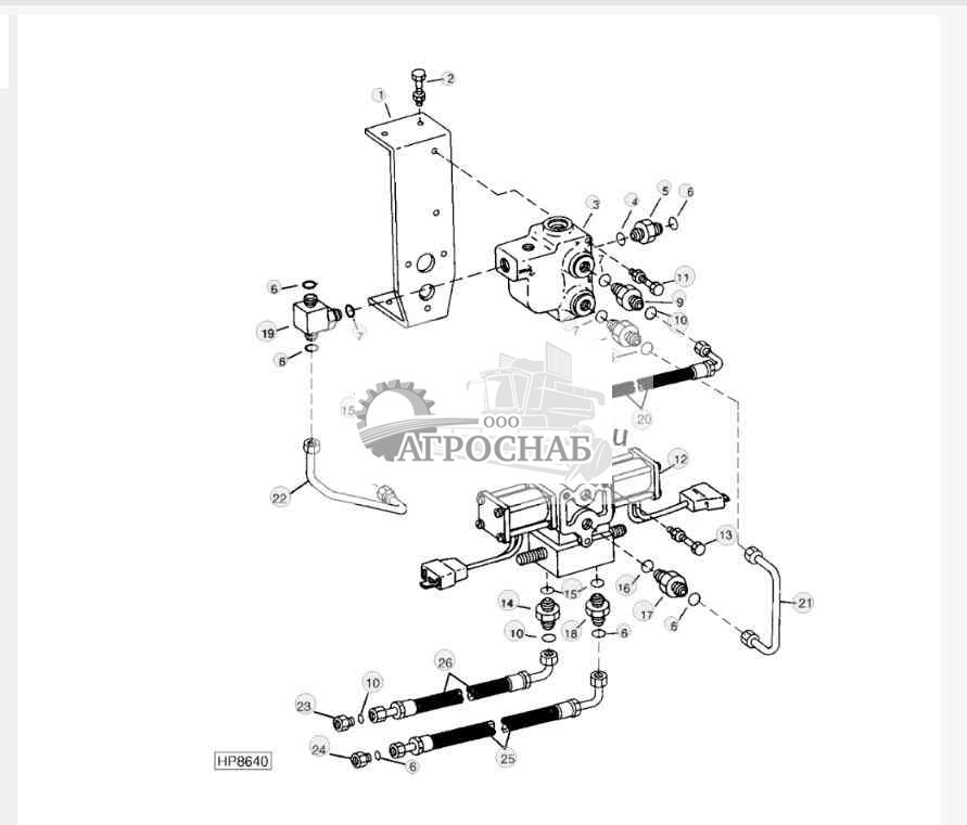
Leveling Solenoid Valve And Flow Divider (Sidehill) 9550SH ( - 695700) - ST472422 ( Выравнивание Электромагнитного Клапана И Делителя Потока (При Работе) ( - ) - )
Leveling Solenoid Valve And Flow Divider (Sidehill) 9550SH (695701 - ) - ST472423 ( Выравнивание Электромагнитного Клапана И Делителя Потока (При Работе) ( - ) - )
Leveling Cylinder Oil Lines (Sidehill) 9550SH ( - 695700) - ST472424 ( Прокачка Цилиндра Маслопроводы (При Работе) ( - ) - )
Leveling Cylinder Hoses (Sidehill) 9550SH (695701 - ) - ST472425 ( Прокачка Цилиндра Шланги (При Работе) ( - ) - )
LEVELING CYLINDER HOSES AND OIL LINES (SIDEHILL) - ST472426 ( ПРОКАЧКА ЦИЛИНДРА ШЛАНГИ И МАСЛОПРОВОДЫ (ПРИ РАБОТЕ) - )
Leveling Cylinder Mounting Brackets And Pins (Sidehill) (Left Side Illustrated) - ST472427 ( Прокачка Цилиндра Кронштейны И Штыри (При Работе) (Левая Сторона Рисунка) - )
Header Lift Support (Sidehill) - ST724714 ( Заголовок Поддержку Подъема (При Работе) - )
Leveling Cables, Sheaves And Brackets (Lower Front) (Sidehill) (Lower Front) - ST472429 ( Выравнивать Тросы, Шкивы И Кронштейны (Передний) (При Работе) (Передняя) - )
Header Lift Hydraulic Lines And Hoses (Sidehill) 9550SH ( - 695700) - ST472430 ( Подъема Жатки Гидравлические Линии И Шланги (При Работе) ( - ) - )
Header Lift Hydraulic Lines And Hoses (Sidehill) 9550SH (695701 - ) - ST472431 ( Подъема Жатки Гидравлические Линии И Шланги (При Работе) ( - ) - )
LEVELING CYLINDER (SIDEHILL) - ST472432 ( ПРОКАЧКА ЦИЛИНДРА (ПРИ РАБОТЕ) - )
Leveling Cylinder (Sidehill) - ST724716 ( Прокачка Цилиндра (При Работе) - )
Leveling Cylinder, Sidehill - ST876068 ( Прокачка Цилиндра, При Работе - )
Flow Divider Valve and Mounting (Sidehill) - ST724717 ( Делитель потока клапан и крепления (при работе) - )
Leveling Valve (Sidehill) - ST724721 ( Выравнивать Клапан (При Работе) - )
SIDEHILL LEVELING HARNESS - ST472436 ( ПРИ РАБОТЕ НИВЕЛИРА ПРОВОДОВ - )
Leveling Control Assembly - ST724722 ( Выравнивание Блока Управления - )
Leveling Solenoid Valve And Flow Divider (Sidehill) 9550SH ( - 695700) - ST472422 ( Выравнивание Электромагнитного Клапана И Делителя Потока (При Работе) ( - ) - )
![Джон Дир 9550 Leveling Solenoid Valve And Flow Divider (Sidehill) 9550SH ( Leveling Solenoid Valve And Flow Divider (Sidehill) 9550SH (]()
1 - Кронштейн H143696 Поддерживаемые модели9550SH
2 - Винт 19M7866 Количество:2 Поддерживаемые модели9550SH Примечание:M8 X 20
2 - Фланцевая гайка 14M7298 Количество:2 Поддерживаемые модели9550SH Примечание:M8
3 - Расходный гидр. клапан AH135807 Поддерживаемые модели9550SH
4 - Уплотнительное кольцо U12547 Поддерживаемые модели9550SH
5 - Фитинг переходника 38H1329 Поддерживаемые модели9550SH Примечание:Прямой
6 - Уплотнительное кольцо T77932 Количество:7 Поддерживаемые модели9550SH
7 - Уплотнительное кольцо R26906 Количество:3 Поддерживаемые модели9550SH
8 - Фитинг переходника 38H1162 Поддерживаемые модели9550SH Примечание:Прямой
9 - Фитинг переходника 38H1174 Поддерживаемые модели9550SH Примечание:Прямой
10 - Уплотнительное кольцо T77857 Количество:4 Поддерживаемые модели9550SH
11 - Винт 19M7803 Количество:2 Поддерживаемые модели9550SH Примечание:M8 X 70
11 - Фланцевая гайка 14M7298 Количество:2 Поддерживаемые модели9550SH Примечание:M8
12 - Расходный гидр. клапан AH135448 Поддерживаемые модели9550SH
13 - Винт 19M8039 Количество:3 Поддерживаемые модели9550SH Примечание:M8 X 80
13 - Фланцевая гайка 14M7298 Количество:3 Поддерживаемые модели9550SH Примечание:M8
14 - Фитинг переходника 38H1161 Количество:2 Поддерживаемые модели9550SH Примечание:Прямой
15 - Уплотнительное кольцо R26375 Количество:3 Поддерживаемые модели9550SH
16 - Уплотнительное кольцо R26448 Поддерживаемые модели9550SH
17 - Фитинг 38H1512 Поддерживаемые модели9550SH Примечание:Прямой
18 - Фитинг 38H1317 Поддерживаемые модели9550SH Примечание:Прямой
19 - Тройник 38H1018 Поддерживаемые модели9550SH Примечание:Тройник
20 - Гидрошланг AH136111 Поддерживаемые модели9550SH Примечание:PRESSURE (FLOW DIVIDER TO HP LINE)
21 - Маслопровод AH136263 Поддерживаемые модели9550SH Примечание:PRESSURE (FROM "B" PORT OF FLOW DIVIDER TO SOLENOID VALVE PR PORT)
22 - Маслопровод AH136264 Поддерживаемые модели9550SH Примечание:RETURN (FROM EX PORT OF SOLENOID VALVE TO BOTTOM OF TEE IN DR PORT OF FLOW DIVIDER)
23 - Заглушка фитинга 38H1147 Поддерживаемые модели9550SH
24 - Заглушка фитинга 38H1148 Поддерживаемые модели9550SH
25 - Гидрошланг AH138549 Поддерживаемые модели9550SH Примечание:TO RH LEVELING CYLINDER LINE
26 - Гидрошланг AH138548 Поддерживаемые модели9550SH Примечание:TO LH LEVELING CYLINDER LINE
Наверх
Leveling Solenoid Valve And Flow Divider (Sidehill) 9550SH (695701 - ) - ST472423 ( Выравнивание Электромагнитного Клапана И Делителя Потока (При Работе) ( - ) - )
![Джон Дир 9550 Leveling Solenoid Valve And Flow Divider (Sidehill) 9550SH (695701 Leveling Solenoid Valve And Flow Divider (Sidehill) 9550SH (695701]()
1 - Кронштейн H143696 Поддерживаемые модели9550SH
2 - Винт 19M7866 Количество:3 Поддерживаемые модели9550SH Примечание:M8 X 20
2 - Фланцевая гайка 14M7298 Количество:3 Поддерживаемые модели9550SH Примечание:M8
3 - Расходный гидр. клапан AH135807 Поддерживаемые модели9550SH
4 - Уплотнительное кольцо U12547 Поддерживаемые модели9550SH
5 - Фитинг переходника 38H1329 Поддерживаемые модели9550SH Примечание:Прямой
6 - Уплотнительное кольцо T77932 Количество:8 Поддерживаемые модели9550SH
7 - Уплотнительное кольцо R26906 Количество:3 Поддерживаемые модели9550SH
8 - Фитинг переходника 38H1162 Поддерживаемые модели9550SH Примечание:Прямой
9 - Фитинг переходника 38H1174 Поддерживаемые модели9550SH Примечание:Прямой
10 - Уплотнительное кольцо T77857 Количество:4 Поддерживаемые модели9550SH
11 - Винт 19M7803 Количество:2 Поддерживаемые модели9550SH Примечание:M8 X 70
11 - Фланцевая гайка 14M7298 Количество:2 Поддерживаемые модели9550SH Примечание:M8
12 - Расходный гидр. клапан AH135448 Поддерживаемые модели9550SH
13 - Винт 19M8039 Количество:3 Поддерживаемые модели9550SH Примечание:M8 X 80
13 - Фланцевая гайка 14M7298 Количество:3 Поддерживаемые модели9550SH Примечание:M8
14 - Фитинг переходника 38H1161 Количество:2 Поддерживаемые модели9550SH Примечание:Прямой
15 - Уплотнительное кольцо R26375 Количество:4 Поддерживаемые модели9550SH
16 - Уплотнительное кольцо R26448 Поддерживаемые модели9550SH
17 - Фитинг 38H1512 Поддерживаемые модели9550SH Примечание:Прямой
18 - Фитинг 38H1317 Количество:2 Поддерживаемые модели9550SH Примечание:Прямой
19 - Тройник 38H1018 Поддерживаемые модели9550SH Примечание:Тройник
20 - Скоба H168854 Поддерживаемые модели9550SH
21 - Маслопровод AH136263 Поддерживаемые модели9550SH Примечание:PRESSURE (FROM "B" PORT OF FLOW DIVIDER TO SOLENOID VALVE PR PORT)
22 - Маслопровод AH136264 Поддерживаемые модели9550SH Примечание:RETURN (FROM EX PORT OF SOLENOID VALVE TO BOTTOM OF TEE IN DR PORT OF FLOW DIVIDER)
23 - Гидрошланг AH201605 Поддерживаемые модели9550SH
Наверх
Leveling Cylinder Oil Lines (Sidehill) 9550SH ( - 695700) - ST472424 ( Прокачка Цилиндра Маслопроводы (При Работе) ( - ) - )
![Джон Дир 9550 Leveling Cylinder Oil Lines (Sidehill) 9550SH ( Leveling Cylinder Oil Lines (Sidehill) 9550SH (]()
1 - Маслопровод AH137567 Поддерживаемые модели9550SH Примечание:LOWER, RH CYLINDER ROD SIDE
2 - Маслопровод AH145899 Поддерживаемые модели9550SH
3 - Винт 19M7803 Поддерживаемые модели9550SH Примечание:M8 X 70
3 - Фланцевая гайка 14M7298 Поддерживаемые модели9550SH Примечание:M8
4 - Пластина H121168 Количество:2 Поддерживаемые модели9550SH
5 - Скоба H135156 Количество:4 Поддерживаемые модели9550SH
6 - Винт 19M7979 Поддерживаемые модели9550SH Примечание:M8 X 55
6 - Фланцевая гайка 14M7298 Поддерживаемые модели9550SH Примечание:M8
7 - Пластина H112567 Поддерживаемые модели9550SH
8 - Скоба H141510 Количество:2 Поддерживаемые модели9550SH
9 - Уплотнительное кольцо T77857 Количество:2 Поддерживаемые модели9550SH
10 - Скоба H141706 Поддерживаемые модели9550SH
11 - Маслопровод AH137561 Поддерживаемые модели9550SH
12 - Маслопровод AH137560 Поддерживаемые модели9550SH
13 - Пластина H141705 Поддерживаемые модели9550SH
14 - Винт 19M8319 Поддерживаемые модели9550SH Примечание:M8 X 50
14 - Фланцевая гайка 14M7298 Поддерживаемые модели9550SH Примечание:M8
15 - Уплотнительное кольцо T77932 Поддерживаемые модели9550SH
Наверх
Leveling Cylinder Hoses (Sidehill) 9550SH (695701 - ) - ST472425 ( Прокачка Цилиндра Шланги (При Работе) ( - ) - )
![Джон Дир 9550 Leveling Cylinder Hoses (Sidehill) 9550SH (695701 Leveling Cylinder Hoses (Sidehill) 9550SH (695701]()
1 - Скоба R50454 Поддерживаемые модели9550SH
2 - Винт 19M7866 Количество:2 Поддерживаемые модели9550SH Примечание:M8 X 20
3 - Фланцевая гайка 14M7298 Количество:3 Поддерживаемые модели9550SH Примечание:M8
4 - Зажимная скоба AH77884 Поддерживаемые модели9550SH
5 - Гидрошланг AH201618 Поддерживаемые модели9550SH
6 - Гидрошланг AH201617 Поддерживаемые модели9550SH
7 - Винт 19M7803 Поддерживаемые модели9550SH Примечание:M8 X 70
8 - Скоба H135156 Количество:2 Поддерживаемые модели9550SH
9 - Пластина H121168 Поддерживаемые модели9550SH
10 - Штуцерное соединение 38H1279 Поддерживаемые модели9550SH
11 - Уплотнительное кольцо T77857 Поддерживаемые модели9550SH
Наверх
LEVELING CYLINDER HOSES AND OIL LINES (SIDEHILL) - ST472426 ( ПРОКАЧКА ЦИЛИНДРА ШЛАНГИ И МАСЛОПРОВОДЫ (ПРИ РАБОТЕ) - )
![Джон Дир 9550 LEVELING CYLINDER HOSES AND OIL LINES (SIDEHILL) LEVELING CYLINDER HOSES AND OIL LINES (SIDEHILL)]()
1 - Гидрошланг AH138547 Поддерживаемые модели9550SH Примечание:RH ROD PORT TO L.H. ROD PORT
2 - Коленчатый патрубок 38H1005 Поддерживаемые модели9550SH Примечание:90°
3 - Уплотнительное кольцо R26375 Количество:4 Поддерживаемые модели9550SH
4 - Уплотнительное кольцо R28782 Количество:2 Поддерживаемые модели9550SH
5 - Фитинг переходника 38H1159 Количество:2 Поддерживаемые модели9550SH Примечание:Прямой
6 - Уплотнительное кольцо T77814 Количество:2 Поддерживаемые модели9550SH
7 - Гидрошланг AH137572 Количество:2 Поддерживаемые модели9550SH Примечание:CYLINDER TO TANK RESERVOIR
8 - Уплотнительное кольцо T77613 Количество:4 Поддерживаемые модели9550SH
9 - Коленчатый патрубок 38H1405 Количество:2 Поддерживаемые модели9550SH Примечание:90°
10 - Уплотнительное кольцо T77857 Количество:5 Поддерживаемые модели9550SH
11 - Гидрошланг AH137616 Поддерживаемые модели9550SH Примечание:RH PISTON PORT TO LH PISTON PORT
12 - Винт 19M7802 Количество:2 Поддерживаемые модели9550SH Примечание:M8 X 65
12 - Фланцевая гайка 14M7298 Количество:2 Поддерживаемые модели9550SH Примечание:M8
13 - Скоба H122772 Количество:4 Поддерживаемые модели9550SH
14 - Пластина H112567 Количество:2 Поддерживаемые модели9550SH
15 - Скоба H75541 Количество:2 Поддерживаемые модели9550SH
16 - Скоба H127589 Количество:8 Поддерживаемые модели9550SH
17 - Винт 19M8317 Количество:2 Поддерживаемые модели9550SH Примечание:M8 X 40
17 - Фланцевая гайка 14M7298 Количество:2 Поддерживаемые модели9550SH Примечание:M8
18 - Болт 03M7189 Количество:4 Поддерживаемые модели9550SH Примечание:M8 X 45
18 - Фланцевая гайка 14M7298 Количество:4 Поддерживаемые модели9550SH Примечание:M8
19 - Уплотнительное кольцо T77932 Количество:4 Поддерживаемые модели9550SH
20 - Маслопровод AH137570 Поддерживаемые модели9550SH Примечание:Нижняя часть
21 - Пластина H121168 Количество:2 Поддерживаемые модели9550SH
22 - Скоба H135156 Количество:4 Поддерживаемые модели9550SH
23 - Маслопровод AH137569 Поддерживаемые модели9550SH Примечание:Центральное положение
24 - Гидрошланг AH137614 Поддерживаемые модели9550SH
25 - Гидрошланг AH138546 Поддерживаемые модели9550SH
26 - Тройник 38H1024 Поддерживаемые модели9550SH
27 - Диагностическая муфта RE43774 Поддерживаемые модели9550SH Примечание:Диагностика
28 - Гидрошланг AH138553 Поддерживаемые модели9550SH
29 - Тройник 38H1205 Поддерживаемые модели9550SH
30 - Маслопровод AH137576 Поддерживаемые модели9550SH Примечание:Верх
31 - Скоба H141510 Количество:2 Поддерживаемые модели9550SH
32 - Винт 19M7979 Поддерживаемые модели9550SH Примечание:M8 X 55
32 - Фланцевая гайка 14M7298 Поддерживаемые модели9550SH Примечание:M8
33 - Крышка R77175 Поддерживаемые модели9550SH
Наверх
Leveling Cylinder Mounting Brackets And Pins (Sidehill) (Left Side Illustrated) - ST472427 ( Прокачка Цилиндра Кронштейны И Штыри (При Работе) (Левая Сторона Рисунка) - )
![Джон Дир 9550 Leveling Cylinder Mounting Brackets And Pins (Sidehill) (Left Side Illustrated) Leveling Cylinder Mounting Brackets And Pins (Sidehill) (Left Side Illustrated)]()
1 - Винт 19M7802 Количество:2 Поддерживаемые модели9550SH Примечание:M8 X 65
1 - Фланцевая гайка 14M7298 Количество:2 Поддерживаемые модели9550SH Примечание:M8
2 - Скоба H75541 Количество:2 Поддерживаемые модели9550SH
3 - Пластина H112567 Количество:2 Поддерживаемые модели9550SH
4 - Скоба H122772 Количество:4 Поддерживаемые модели9550SH
5 - Кронштейн H143690 Поддерживаемые модели9550SH
6 - Болт 19M7791 Количество:2 Поддерживаемые модели9550SH Примечание:M12 X 40
7 - Шайба 24M7180 Количество:2 Поддерживаемые модели9550SH Примечание:13 X 37 X 3 mm
8 - Втулка R36728 Количество:2 Поддерживаемые модели9550SH Примечание:0.515" X 0.720" X 0.720"
9 - Крепление со штифтом AH96446 Количество:2 Поддерживаемые модели9550SH
10 - Опора H141482 Поддерживаемые модели9550SH Примечание:Задний
11 - Винт 19M7820 Количество:4 Поддерживаемые модели9550SH Примечание:M12 X 100
12 - Втулка R65828 Количество:2 Поддерживаемые модели9550SH
13 - Цапфа AH135963 Поддерживаемые модели9550SH Примечание:Цилиндр
14 - Опора H141481 Поддерживаемые модели9550SH Примечание:Передн.
15 - Винт 19M7853 Количество:4 Поддерживаемые модели9550SH Примечание:M20 X 150
16 - Смазочная арматура JD7759 Количество:2 Поддерживаемые модели9550SH
17 - Шайба H101223 Количество:2 Поддерживаемые модели9550SH Примечание:2" X 2.440" X 0.240", ON CYLINDER TRUNNION
18 - Втулка H101195 Количество:2 Поддерживаемые модели9550SH
19 - Подшипник с корпусом AH140558 Количество:2 Поддерживаемые модели9550SH
20 - Винт 19M8306 Поддерживаемые модели9550SH Примечание:M12 X 50
20 - Стопорная гайка 14M7401 Поддерживаемые модели9550SH Примечание:M12
21 - Корпус H146553 Поддерживаемые модели9550SH
22 - Винт 19M7895 Количество:6 Поддерживаемые модели9550SH Примечание:M20 X 50
23 - Крепление со штифтом AH140394 Поддерживаемые модели9550SH
Наверх
Header Lift Support (Sidehill) - ST724714 ( Заголовок Поддержку Подъема (При Работе) - )
![Джон Дир 9550 Header Lift Support (Sidehill) Header Lift Support (Sidehill)]()
1 - Желоб H144111 Количество:2 Поддерживаемые модели9550SH
2 - Шайба 24M7242 Количество:2 Поддерживаемые модели9550SH Примечание:21.400 X 42 X 5 mm
3 - Винт 19M7895 Количество:2 Поддерживаемые модели9550SH Примечание:M20 X 50
4 - Винт 19M7895 Количество:2 Поддерживаемые модели9550SH Примечание:M20 X 50
4 - Фланцевая гайка 14M7300 Количество:2 Поддерживаемые модели9550SH Примечание:M20
5 - Винт 19M7853 Количество:4 Поддерживаемые модели9550SH Примечание:M20 X 150
6 - Опора AH137893 Поддерживаемые модели9550SH
Наверх
Leveling Cables, Sheaves And Brackets (Lower Front) (Sidehill) (Lower Front) - ST472429 ( Выравнивать Тросы, Шкивы И Кронштейны (Передний) (При Работе) (Передняя) - )
![Джон Дир 9550 Leveling Cables, Sheaves And Brackets (Lower Front) (Sidehill) (Lower Front) Leveling Cables, Sheaves And Brackets (Lower Front) (Sidehill) (Lower Front)]()
1 - Кабель AH138813 Поддерживаемые модели9550SH Примечание:2 625 MM (103-11/32"), UPPER
2 - Винт 19M7813 Поддерживаемые модели9550SH Примечание:M12 X 45
2 - Стопорная гайка 14M7401 Поддерживаемые модели9550SH Примечание:M12
3 - Винт 19M8112 Поддерживаемые модели9550SH Примечание:M12 X 55
3 - Стопорная гайка 14M7401 Поддерживаемые модели9550SH Примечание:M12
4 - Кабель AH138814 Поддерживаемые модели9550SH Примечание:3 505 MM (138"), LOWER
5 - Винт 19M7789 Количество:2 Поддерживаемые модели9550SH Примечание:M12 X 30
5 - Фланцевая гайка 14M7299 Количество:2 Поддерживаемые модели9550SH Примечание:M12
6 - Пластина H147235 Поддерживаемые модели9550SH Примечание:Нижн.
7 - Винт 19M8112 Поддерживаемые модели9550SH Примечание:M12 X 55
8 - Распорная втулка H88096 Количество:2 Поддерживаемые модели9550SH Примечание:17/32" X 0.874" X 1.380"
9 - Втулка H87502 Количество:2 Поддерживаемые модели9550SH
10 - Шкив AH88920 Количество:2 Поддерживаемые модели9550SH
11 - Опора AH139316 Поддерживаемые модели9550SH Примечание:Верхний
12 - Винт 19M7789 Количество:3 Поддерживаемые модели9550SH Примечание:M12 X 30
13 - Винт 19M7815 Поддерживаемые модели9550SH Примечание:M12 X 60
13 - Фланцевая гайка 14M7299 Поддерживаемые модели9550SH Примечание:M12
Наверх
Header Lift Hydraulic Lines And Hoses (Sidehill) 9550SH ( - 695700) - ST472430 ( Подъема Жатки Гидравлические Линии И Шланги (При Работе) ( - ) - )
![Джон Дир 9550 Header Lift Hydraulic Lines And Hoses (Sidehill) 9550SH ( Header Lift Hydraulic Lines And Hoses (Sidehill) 9550SH (]()
1 - Уплотнительное кольцо R26375 Количество:3 Поддерживаемые модели9550SH
2 - Фитинг переходника 38H1161 Количество:2 Поддерживаемые модели9550SH
3 - Уплотнительное кольцо T77857 Количество: 10 Поддерживаемые модели9550SH
4 - Гидрошланг AH137618 Количество:2 Поддерживаемые модели9550SH
5 - Гайка T78716 Количество:3 Поддерживаемые модели9550SH
6 - Маслопровод AH138725 Поддерживаемые модели9550SH
7 - Тройник 38H1206 Поддерживаемые модели9550SH
8 - Гидрошланг AH136277 Поддерживаемые модели9550SH
9 - Кронштейн H141839 Поддерживаемые модели9550SH
10 - Винт 19M7865 Поддерживаемые модели9550SH Примечание:M8 X 16
11 - Винт 19M7866 Поддерживаемые модели9550SH Примечание:M8 X 20
12 - Маслопровод AH137691 Поддерживаемые модели9550SH
13 - Пластина H121168 Количество:4 Поддерживаемые модели9550SH
14 - Скоба H108291 Количество:4 Поддерживаемые модели9550SH
15 - Болт 03M7262 Количество:2 Поддерживаемые модели9550SH Примечание:M6 X 50
15 - Фланцевая гайка 14M7303 Количество:2 Поддерживаемые модели9550SH Примечание:M6
16 - Коленчатый патрубок 38H1378 Поддерживаемые модели9550SH
17 - Винт 19M8317 Поддерживаемые модели9550SH Примечание:M8 X 40
17 - Фланцевая гайка 14M7298 Поддерживаемые модели9550SH Примечание:M8
18 - Кронштейн H135974 Поддерживаемые модели9550SH
19 - Скоба H108291 Поддерживаемые модели9550SH
20 - Маслопровод AH131576 Поддерживаемые модели9550SH
21 - Кронштейн H131115 Поддерживаемые модели9550SH
22 - Болт 03M7184 Поддерживаемые модели9550SH Примечание:M8 X 20
22 - Стопорная гайка 14M7396 Поддерживаемые модели9550SH Примечание:M8
23 - Тройник 38H1017 Поддерживаемые модели9550SH
24 - Маслопровод AH128753 Поддерживаемые модели9550SH
25 - Фитинг переходника 38H1173 Поддерживаемые модели9550SH
26 - Уплотнительное кольцо R26448 Поддерживаемые модели9550SH
27 - Винт 19M8318 Поддерживаемые модели9550SH Примечание:M8 X 45
27 - Фланцевая гайка 14M7298 Поддерживаемые модели9550SH Примечание:M8
28 - Маслопровод AH138724 Поддерживаемые модели9550SH
29 - Скоба H117937 Количество:2 Поддерживаемые модели9550SH
30 - Болт 03M7189 Поддерживаемые модели9550SH Примечание:M8 X 45
30 - Фланцевая гайка 14M7298 Поддерживаемые модели9550SH Примечание:M8
Наверх
Header Lift Hydraulic Lines And Hoses (Sidehill) 9550SH (695701 - ) - ST472431 ( Подъема Жатки Гидравлические Линии И Шланги (При Работе) ( - ) - )
![Джон Дир 9550 Header Lift Hydraulic Lines And Hoses (Sidehill) 9550SH (695701 Header Lift Hydraulic Lines And Hoses (Sidehill) 9550SH (695701]()
1 - Уплотнительное кольцо R26375 Количество:3 Поддерживаемые модели9550SH
2 - Фитинг переходника 38H1161 Количество:2 Поддерживаемые модели9550SH
3 - Уплотнительное кольцо T77857 Количество: 10 Поддерживаемые модели9550SH
4 - Гидрошланг AH137618 Количество:2 Поддерживаемые модели9550SH
5 - Гайка T78716 Количество:3 Поддерживаемые модели9550SH
6 - Маслопровод AH138725 Поддерживаемые модели9550SH
7 - Тройник 38H1206 Поддерживаемые модели9550SH
8 - Гидрошланг AH136277 Поддерживаемые модели9550SH
9 - Кронштейн H141839 Поддерживаемые модели9550SH
10 - Винт 19M7865 Поддерживаемые модели9550SH Примечание:M8 X 16
11 - Винт 19M7866 Поддерживаемые модели9550SH Примечание:M8 X 20
12 - Маслопровод AH137691 Поддерживаемые модели9550SH
13 - Пластина H121168 Количество:4 Поддерживаемые модели9550SH
14 - Скоба H108291 Количество:4 Поддерживаемые модели9550SH
15 - Болт 03M7262 Количество:2 Поддерживаемые модели9550SH Примечание:M6 X 50
15 - Фланцевая гайка 14M7303 Количество:2 Поддерживаемые модели9550SH Примечание:M6
16 - Коленчатый патрубок 38H1378 Поддерживаемые модели9550SH
17 - Тройник 38H1031 Поддерживаемые модели9550SH
18 - Гидрошланг AH201608 Поддерживаемые модели9550SH
19 - Скоба R50454 Поддерживаемые модели9550SH
20 - Фланцевая гайка 14M7298 Поддерживаемые модели9550SH Примечание:M8
21 - Фитинг переходника 38H1173 Поддерживаемые модели9550SH
22 - Уплотнительное кольцо R26448 Поддерживаемые модели9550SH
23 - Маслопровод AH138724 Поддерживаемые модели9550SH
24 - Скоба H117937 Количество:2 Поддерживаемые модели9550SH
25 - Болт 03M7189 Поддерживаемые модели9550SH Примечание:M8 X 45
25 - Фланцевая гайка 14M7298 Поддерживаемые модели9550SH Примечание:M8
Наверх
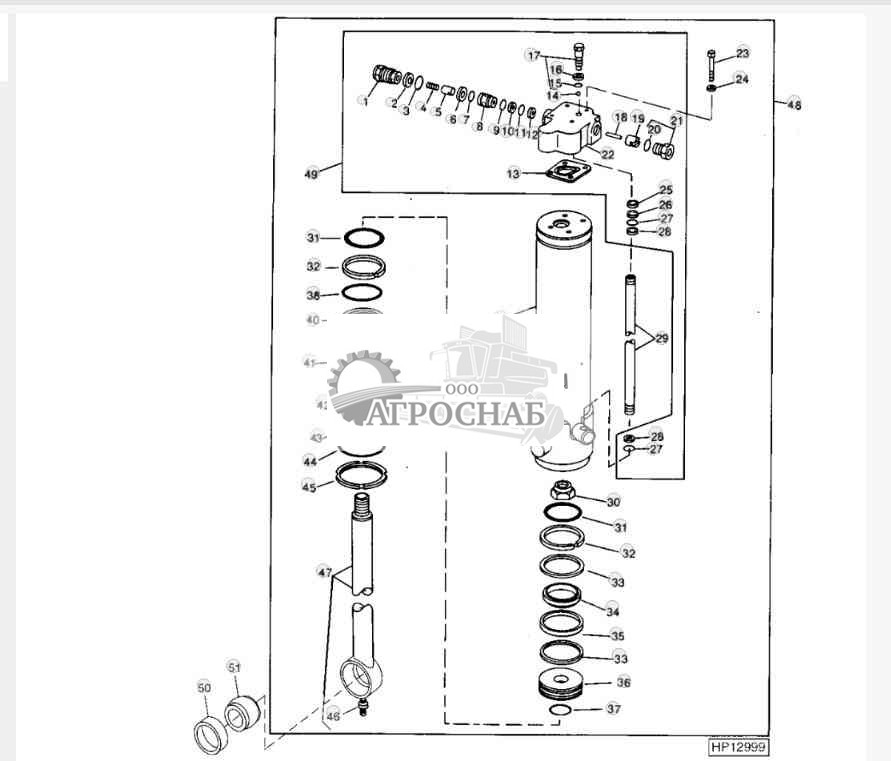
LEVELING CYLINDER (SIDEHILL) - ST472432 ( ПРОКАЧКА ЦИЛИНДРА (ПРИ РАБОТЕ) - )
![Джон Дир 9550 LEVELING CYLINDER (SIDEHILL) LEVELING CYLINDER (SIDEHILL)]()
1 - Фитинг H97289 Поддерживаемые модели9550SH
2 - Защитное кольцо T42802 Поддерживаемые модели9550SH Примечание:(B)
3 - Уплотнительное кольцо U15974 Поддерживаемые модели9550SH Примечание:(B)
4 - Пружина H86881 Поддерживаемые модели9550SH
5 - Кожух H86880 Поддерживаемые модели9550SH
6 - Защитное кольцо U40728 Поддерживаемые модели9550SH Примечание:(B)
7 - Уплотнительное кольцо R27928 Поддерживаемые модели9550SH Примечание:(B)
8 - Сиденье H97291 Поддерживаемые модели9550SH
9 - Уплотнительное кольцо P42061 Поддерживаемые модели9550SH Примечание:(B)
10 - Шайба ....... Поддерживаемые модели9550SH Примечание:(B)
11 - Уплотнительное кольцо A3917R Поддерживаемые модели9550SH Примечание:(B)
12 - Кольцо U15414 Поддерживаемые модели9550SH Примечание:(B)
13 - Прокладка H97288 Поддерживаемые модели9550SH Примечание:(B)
14 - Шар H60816 Поддерживаемые модели9550SH
15 - Уплотнительное кольцо R34802 Поддерживаемые модели9550SH Примечание:(B)
16 - Кольцо U41516 Поддерживаемые модели9550SH Примечание:(B)
17 - Заглушка AH96088 Поддерживаемые модели9550SH
18 - Крепление со штифтом H97292 Поддерживаемые модели9550SH
19 - Сердечник H97293 Поддерживаемые модели9550SH
20 - Уплотнительное кольцо T74425 Поддерживаемые модели9550SH Примечание:(B) (SUB FOR T42798)
21 - Заглушка AH90499 Поддерживаемые модели9550SH
22 - Корпус ....... Поддерживаемые модели9550SH
23 - Винт с головкой 19H1733 Количество:4 Поддерживаемые модели9550SH Примечание:3/8" X 2-1/2"
24 - Стопорная шайба 12H304 Количество:4 Поддерживаемые модели9550SH Примечание:3/8 дюйма
25 - Прокладка U40749 Поддерживаемые модели9550SH Примечание:3/4" X 0.030"
26 - Прокладка U40748 Поддерживаемые модели9550SH Примечание:3/4" X 0.015"
27 - Уплотнительное кольцо R459R Количество:2 Поддерживаемые модели9550SH Примечание:(A)
28 - Защитное кольцо W23690 Количество:2 Поддерживаемые модели9550SH Примечание:(A)
29 - Труба ....... Поддерживаемые модели9550SH
30 - Гайка T24715 Поддерживаемые модели9550SH
31 - Уплотнительное кольцо ....... Количество:2 Поддерживаемые модели9550SH Примечание:(A)
32 - Компенсационное кольцо ....... Количество:2 Поддерживаемые модели9550SH Примечание:(A)
33 - Защитное кольцо ....... Количество:2 Поддерживаемые модели9550SH Примечание:(A)
34 - Сальник ....... Поддерживаемые модели9550SH Примечание:(A)
35 - Кольцо поршня ....... Поддерживаемые модели9550SH Примечание:(A)
36 - Поршень ....... Поддерживаемые модели9550SH
37 - Уплотнительное кольцо ....... Поддерживаемые модели9550SH Примечание:(A)
38 - Уплотнительное кольцо L2301CU Поддерживаемые модели9550SH Примечание:(A)
39 - Гильза гидравл. цилиндра ....... Поддерживаемые модели9550SH
40 - Защитное кольцо ....... Поддерживаемые модели9550SH Примечание:(A)
41 - Направл. штока гидроцил. H157597 Поддерживаемые модели9550SH
42 - Сальник ....... Поддерживаемые модели9550SH Примечание:(A)
43 - Сальник ....... Поддерживаемые модели9550SH Примечание:(A)
44 - Пружинное кольцо ....... Поддерживаемые модели9550SH Примечание:(A)
45 - Гайка N133564 Поддерживаемые модели9550SH
46 - Смазочная арматура JD7842 Поддерживаемые модели9550SH Примечание:Выравнивание
47 - Наконечник AH149921 Поддерживаемые модели9550SH
48 - Гидравлический цилиндр AH141269 Поддерживаемые модели9550SH Примечание:LEVELING, (SUB AH171327, AH204334, (2) 38H1005, (2) R26375 AND (2) T77857)
49 - Комплект AH113671 Количество:2 Поддерживаемые модели9550SH Примечание:(USE WITH AR31674) (SUB AH171327)
50 - Втулка H206747 Поддерживаемые модели9550SH
51 - Втулка H206749 Поддерживаемые модели9550SH
.. - Комплект гидроцилиндров AH141270 Поддерживаемые модели9550SH Примечание:CYLINDER BARREL SEAL REPAIR (INCLUDES PARTS MARKED (A))
.. - Комплект уплотнений AH96090 Поддерживаемые модели9550SH Примечание:VALVE BLOCK SEAL REPAIR (INCLUDES PARTS MARKED (B))
Наверх
Leveling Cylinder (Sidehill) - ST724716 ( Прокачка Цилиндра (При Работе) - )
![Джон Дир 9550 Leveling Cylinder (Sidehill) Leveling Cylinder (Sidehill)]()
1 - Золотниковый клапан AH146623 Поддерживаемые модели9550SH
2 - Гайка H170539 Поддерживаемые модели9550SH
3 - Кольцо R81796 Поддерживаемые модели9550SH
4 - Сальник ....... Поддерживаемые модели9550SH
5 - Сальник ....... Поддерживаемые модели9550SH
6 - Сальник RE20343 Поддерживаемые модели9550SH Примечание:(B)
7 - Защитное кольцо ....... Количество:2 Поддерживаемые модели9550SH
8 - Компенсационное кольцо R81775 Поддерживаемые модели9550SH Примечание:(B)
9 - Поршень ....... Поддерживаемые модели9550SH
10 - Смазочная арматура JD7798 Поддерживаемые модели9550SH
11 - Пружинное кольцо ....... Количество:2 Поддерживаемые модели9550SH
12 - Саморазм. втулка AH174843 Поддерживаемые модели9550SH
13 - Стержень AH171339 Поддерживаемые модели9550SH
14 - Гайка R81793 Поддерживаемые модели9550SH
15 - Сальник AH146557 Поддерживаемые модели9550SH Примечание:(A)
16 - Компенсационное кольцо H152794 Поддерживаемые модели9550SH Примечание:(A)
17 - Сальник H152203 Поддерживаемые модели9550SH Примечание:(A)
18 - Направл. штока гидроцил. H155086 Поддерживаемые модели9550SH
19 - Кольцо R81787 Поддерживаемые модели9550SH
20 - Защитное кольцо R81862 Поддерживаемые модели9550SH Примечание:(B)
21 - Уплотнительное кольцо R83577 Поддерживаемые модели9550SH Примечание:(B)
22 - Шар H60816 Поддерживаемые модели9550SH
23 - Заглушка AH96088 Поддерживаемые модели9550SH
24 - Гидравлический цилиндр ....... Поддерживаемые модели9550SH
25 - Гидравлический цилиндр AH171327 Поддерживаемые модели9550SH Примечание:LEVELING, ORDER AHC12212
25 - Гидравлический цилиндр AHC12212 Поддерживаемые модели9550SH
26 - Коленчатый патрубок 38H1005 Количество:2 Поддерживаемые модели9550SH
27 - Гидрошланг AH204334 Поддерживаемые модели9550SH
28 - Уплотнительное кольцо R26375 Количество:2 Поддерживаемые модели9550SH
29 - Уплотнительное кольцо T77857 Количество:2 Поддерживаемые модели9550SH
.. - Комплект гидроцилиндров AH148164 Поддерживаемые модели9550SH Примечание:ROD SEAL (INCLUDES PARTS MARKED (A))
.. - Комплект уплотнений AH149844 Поддерживаемые модели9550SH Примечание:BORE (INCLUDES PARTS MARKED (B))
Наверх
Leveling Cylinder, Sidehill - ST876068 ( Прокачка Цилиндра, При Работе - )
![Джон Дир 9550 Leveling Cylinder, Sidehill Leveling Cylinder, Sidehill]()
1 - Саморазм. втулка AH174843
2 - Золотниковый клапан AH146623
3 - Сальник RE20343
4 - Компенсационное кольцо R81775
5 - Кольцо R81796
6 - Заглушка AH96088
7 - Смазочная арматура JD7798
8 - Гайка H170539
9 - Направл. штока гидроцил. H208995
10 - Сальник AH146557
11 - Сальник AH146561
12 - Уплотнительное кольцо F950R
13 - Сальник H152203
14 - Пружинное кольцо H180080
15 - Пружинное кольцо H180094
16 - Компенсационное кольцо H208987
17 - Уплотнительное кольцо H210686
18 - Защитное кольцо R81862
19 - Шар H60816
20 - Гидравлический цилиндр AHC12212
Наверх
Flow Divider Valve and Mounting (Sidehill) - ST724717 ( Делитель потока клапан и крепления (при работе) - )
![Джон Дир 9550 Flow Divider Valve and Mounting (Sidehill) Flow Divider Valve and Mounting (Sidehill)]()
1 - Уплотнительное кольцо U12547 Количество:2 Поддерживаемые модели9550SH
2 - Заглушка фитинга AW14891 Количество:2 Поддерживаемые модели9550SH
3 - Уплотнительное кольцо R375R Поддерживаемые модели9550SH
4 - Защитное кольцо H63357 Поддерживаемые модели9550SH Примечание:(Резина)
5 - Уплотнительное кольцо T13119 Поддерживаемые модели9550SH
6 - Золотник клапана AH140071 Поддерживаемые модели9550SH
7 - Расходный гидр. клапан AH135807 Поддерживаемые модели9550SH Примечание:Делитель потока
Наверх
Leveling Valve (Sidehill) - ST724721 ( Выравнивать Клапан (При Работе) - )
![Джон Дир 9550 Leveling Valve (Sidehill) Leveling Valve (Sidehill)]()
1 - Винт с головкой 19H1901 Количество:2 Поддерживаемые модели9550SH Примечание:5/16" X 2"
2 - Втулка ....... Поддерживаемые модели9550SH
3 - Тарельчатый клапан ....... Количество:2 Поддерживаемые модели9550SH Примечание:(KIT AH90688)
4 - Шаровой затвор ....... Количество:2 Поддерживаемые модели9550SH Примечание:(KIT AH90688)
5 - Пружина ....... Количество:2 Поддерживаемые модели9550SH Примечание:(KIT AH90688)
6 - Пружина ....... Количество:2 Поддерживаемые модели9550SH Примечание:(KIT AH90688)
7 - Уплотнительное кольцо R26375 Количество:2 Поддерживаемые модели9550SH Примечание:(KIT AH90688)
8 - Тарельчатый клапан ....... Количество:2 Поддерживаемые модели9550SH
9 - Пружина ....... Количество:2 Поддерживаемые модели9550SH
10 - Установочный винт ....... Количество:2 Поддерживаемые модели9550SH
11 - Комплект клапанов AH136242 Количество:2 Поддерживаемые модели9550SH
12 - Блок клапана AH137205 Поддерживаемые модели9550SH
13 - Уплотнительное кольцо H81608 Количество:2 Поддерживаемые модели9550SH Примечание:(KIT AH90687 AND AH90688)
14 - Винт 19M8039 Количество:3 Поддерживаемые модели9550SH Примечание:M8 X 80
15 - Расходный гидр. клапан AH135448 Поддерживаемые модели9550SH
16 - Фланцевая гайка 14M7298 Количество:3 Поддерживаемые модели9550SH Примечание:M8
.. - Комплект уплотнений AH90687 Поддерживаемые модели9550SH Примечание:SEAL REPAIR
.. - Комплект для наладки AH90688 Поддерживаемые модели9550SH Примечание:KIT, SERVICE REPAIR
Наверх
SIDEHILL LEVELING HARNESS - ST472436 ( ПРИ РАБОТЕ НИВЕЛИРА ПРОВОДОВ - )
![Джон Дир 9550 SIDEHILL LEVELING HARNESS SIDEHILL LEVELING HARNESS]()
1 - Корпус электр. разъема 57M7279 Поддерживаемые модели9550SH Примечание:Контроллер
1 - Клемма электр. разъема R104701 Поддерживаемые модели9550SH
2 - Клемма электр. разъема 57M7118 Количество:2 Поддерживаемые модели9550SH Примечание:VALVE STACK GROUND
3 - Узел электрич. разъема RE12366 Поддерживаемые модели9550SH Примечание:LH MAIN
3 - Клемма электр. разъема R78060 Поддерживаемые модели9550SH
4 - Муфта ....... Поддерживаемые модели9550SH Примечание:TILT RIGHT COIL
5 - Муфта ....... Поддерживаемые модели9550SH Примечание:TILT LEFT COIL
6 - Жгут проводов AH166470 Поддерживаемые модели9550SH Serial No.______-695700
6 - Жгут проводов AH211725 Поддерживаемые модели9550SH Serial No.695701-______ Примечание:(SUB FOR AH201475)
Наверх
Leveling Control Assembly - ST724722 ( Выравнивание Блока Управления - )
![Джон Дир 9550 Leveling Control Assembly Leveling Control Assembly]()
1 - Модуль AH158896 Поддерживаемые модели9550SH Примечание:Выравнивание
2 - Стопорная гайка M63707 Количество:4 Поддерживаемые модели9550SH
3 - Винт с головкой 19H2151 Количество:4 Поддерживаемые модели9550SH Примечание:1/4" X 3"
Наверх