Содержимое: Каталог Запчастей John Deere :9550 and 9550SH Self-Propelled Combines - PC2801 100 Корпус питателя
FRONT VARIABLE DRIVE SHEAVE AND MOUNTINGS - ST472301 ( ПЕРЕМЕННАЯ ПЕРЕДНИЙ ШКИВ ПРИВОДА И ПОДВЕСОК - )
FRONT VARIABLE DRIVE SHEAVE AND MOUNTINGS - ST472302 ( ПЕРЕМЕННАЯ ПЕРЕДНИЙ ШКИВ ПРИВОДА И ПОДВЕСОК - )
FEEDER HOUSE GEARCASE OIL COOLER AND HOSES - ST472303 ( ПИТАТЕЛЕ КОРПУСА МАСЛЯНОГО РАДИАТОРА И ШЛАНГОВ - )
Reverser Gear Box (Hi Capacity) 9550 ( - 700200) - ST472304 ( Коробка Передач Реверса (Высокая Мощность) ( - ) - )
Reverser Gear Box (Hi Capacity) 9550 (700201 - ) - ST472305 ( Коробка Передач Реверса (Высокая Мощность) ( - ) - )
REVERSER GEAR BOX (HI CAPACITY) - CONTINUED - ST472306 ( КОРОБКА ПЕРЕДАЧ РЕВЕРСА (ВЫСОКАЯ ЕМКОСТЬ) - ПРОДОЛЖЕНИЕ - )
Reverser Gear Box, Standard ( - 700200) - ST472308 ( Коробку Передач Реверса, Стандартный ( - ) - )
Reverser Gear Box (Standard) 9550 (700201 - ) - ST472309 ( Коробка Передач Реверса (Стандартный) ( - ) - )
FIXED SPEED FEEDER HOUSE DRIVE TIGHTENER - ST472310 ( ФИКСИРОВАННАЯ СКОРОСТЬ ПИТАТЕЛЯ ПРИВОД УДАРНЫЙ ГАЙКОВЕРТ - )
VARIABLE SPEED DRIVE TIGHTENER - ST472311 ( ПРИВОД ПЕРЕМЕННОЙ СКОРОСТИ ПЕРЕДАЧИ - )
FEEDER HOUSE DRIVE TIGHTENER - ST472312 ( ПИТАТЕЛЯ ПРИВОД УДАРНЫЙ ГАЙКОВЕРТ - )
FEEDER HOUSE DRIVE SHIELDS AND SAFETY STOP (SIDEHILL) - ST472313 ( ПИТАТЕЛЕ ЕЗДЫ ЩИТЫ И ОСТАНОВКИ БЕЗОПАСНОСТИ (ПРИ РАБОТЕ) - )
L.H. DRIVE SHIELD - WITHOUT AIRFLOW - ST472314 ( Л. Х. привода щит - без воздуха - )
L.H. DRIVE SHIELD - WITH AIRFLOW - ST472315 ( )
R.H. DRIVE SHIELD - ST472316 ( Р. Х. привода щит - )
FEEDER HOUSE FRAME - ST472317 ( ПИТАТЕЛЕ КАДР )
FEEDER HOUSE FRAME (SIDEHILL) - ST472318 ( ПИТАТЕЛЕ РАМЫ (ПРИ РАБОТЕ) - )
Feeder House Shell, Wear Plates and Seals, Contour-Master™ - ST472319 ( Питателе корпус, износостойкие пластины и уплотнения, контура-мастер? - )
FEEDER HOUSE OUTER CLOSURE FRAME (SIDEHILL) - ST472320 ( ПИТАТЕЛЕ НАРУЖНАЯ РАМКА ЗАКРЫТИЯ (ПРИ РАБОТЕ) - )
FEEDER HOUSE UPPER SHAFT AND SLIP CLUTCH - ST472321 ( ПИТАТЕЛЕ ВЕРХНЕГО ВАЛА И ФРИКЦИОННОЙ МУФТЫ - )
FRONT SHAFT SLIP CLUTCH (SIDEHILL) (R.H. SIDE) - ST472322 ( Передний вал фрикционной муфты (при работе) (правая сторона) - )
FEEDER HOUSE FLOOR AND LATCH HANDLE - ST472323 ( ПИТАТЕЛЕ ЭТАЖ И ЗАЩЕЛКИ РУЧКИ - )
FEEDER CONVEYOR IDLER SHAFT, DRUM AND CHAIN - ST472324 ( ПИТАТЕЛЬ ТРАНСПОРТЕРА НАТЯЖНОЙ ВАЛ, БАРАБАН И ЦЕПЬ - )
R.H. SIDE FEEDER HOUSE DUST FAN - ST472325 ( Р. Х. стороны питателе пыли вентилятор - )
FEEDER CONVEYOR DRIVE CHAIN, TIGHTENER AND GUIDES (SIDEHILL) - ST472326 ( ПИТАТЕЛЬ ЦЕПНОЙ ПРИВОД ТРАНСПОРТЕРА, РЕМНЕЙ И НАПРАВЛЯЮЩИХ (ПРИ РАБОТЕ) - )
FEEDER CONVEYOR DRIVE CHAIN AND IDLER BRACKET - ST472327 ( ПИТАТЕЛЬ ЦЕПНОЙ ТРАНСПОРТЕР ПРИВОДНОЙ И НАТЯЖНОЙ КРОНШТЕЙН )
DRIVE CHAIN IDLERS AND SHIELD BRACKETS (SIDEHILL) - ST472328 ( ПРИВОДНАЯ ЦЕПЬ БЕЗДЕЛЬНИКОВ И ЩИТ СКОБКАХ (ПРИ РАБОТЕ) - )
FEEDER HOUSE LOWER SHAFT, PADDLES AND SPROCKET (SIDEHILL) - ST472329 ( ПИТАТЕЛЕ НИЖНИЙ ВАЛ, ЛОПАСТИ И КОЛЕСА (ПРИ РАБОТЕ) - )
FEEDER HOUSE VARIABLE DRIVE HYDRAULIC HOSE - ST472330 ( ПИТАТЕЛЬ ПЕРЕМЕННОЙ ДОМ ПРИВОД ГИДРАВЛИЧЕСКИЙ ШЛАНГ - )
FEEDER HOUSE DRUM STOP KIT - ST472331 ( ПИТАТЕЛЕ БАРАБАНА ОСТАНОВИТЬ КОМПЛЕКТ - )
VARIABLE DRIVE UPPER COUNTERSHAFT, SHEAVES AND SUPPORTS - ST472332 ( ПЕРЕМЕННАЯ ВЕРХНЕГО ПРИВОДА ПРОМЕЖУТОЧНОГО ВАЛА, ШКИВОВ И ПОДДЕРЖИВАЕТ - )
FEEDER HOUSE RETURN FLOOR - ST472333 ( ПИТАТЕЛЕ ВОЗВРАЩЕНИЕ ПОЛА )
FEEDER HOUSE POSITION SENSOR - ST472334 ( ПИТАТЕЛЕ ДАТЧИКА ПОЛОЖЕНИЯ - )
Lateral Tilt Position Sensor - ST723365 ( Боковой Наклон Датчика Положения - )
L.H. SIDE FEEDER HOUSE DUST FAN - ST472336 ( Л. Н. боковой питателе пыли вентилятор - )
LEVELING CABLES, SHEAVES AND BRACKETS (UPPER REAR) - ST472337 ( ВЫРАВНИВАТЬ ТРОСЫ, ШКИВЫ И КРОНШТЕЙНЫ (ВЕРХНИЙ ЗАДНИЙ) - )
UPPER DRIVE SHAFT, SHEAVE AND MOUNTINGS (FIXED SPEED WITH REVERSER) - ST472338 ( ВЕРХНИЙ ВАЛ ПРИВОДА, ШКИВ И КРЕПЛЕНИЯ (ПОСТОЯННОЙ СКОРОСТИ С РЕВЕРСОМ) - )
FRONT DRIVE SHAFT, SHEAVE AND MOUNTINGS (FIXED SPEED WITH REVERSER) - ST472339 ( ВАЛ ПЕРЕДНЕГО ПРИВОДА, ШКИВ И КРЕПЛЕНИЯ (ПОСТОЯННОЙ СКОРОСТИ С РЕВЕРСОМ) - )
Feeder House Drum Deflector Hook Assemblies, Attachment - ST743939 ( Питателе Барабана Дефлектор Сборки, Крючок, Крепления - )
Attachment, Feeder House Frame Conversion - ST795145 ( Привязанность, Фидер Преобразования Каркасного Дома - )
FEEDER HOUSE DRUM SHIELDS AND HOOK ASSEMBLIES (RETROFIT BUNDLES) - ST472340 ( ПИТАТЕЛЕ БАРАБАНА ЩИТОВ И СБОРОК КРЮК (МОДИФИЦИРОВАННОЙ СВЯЗКИ) - )
Feeder House Tilt Frame Shields, Attachment - ST743730 ( Фидер Наклона Дома Каркасные Щиты, Привязанность - )
Attachment, Conversion, Feeder House, Tilt Frame, Filler Plate - ST751097 ( Вложений, Преобразование, Питателе, Наклона Рамы, Пластина - )
Feeder House Drum Shields And Tilt Frame (Contour Master) (Retrofit Bundles) - ST472341 ( Питателе Барабана Щиты И Наклон Рамы (Мастер-Контур) (Модифицированной Связки) - )
FRONT VARIABLE DRIVE SHEAVE AND MOUNTINGS - ST472301 ( ПЕРЕМЕННАЯ ПЕРЕДНИЙ ШКИВ ПРИВОДА И ПОДВЕСОК - )
![Джон Дир 9550 FRONT VARIABLE DRIVE SHEAVE AND MOUNTINGS FRONT VARIABLE DRIVE SHEAVE AND MOUNTINGS]()
1 - Эксцентрик ....... Поддерживаемые модели9550 Serial No.______-695200 Примечание:45 DEGREE, (C)(OUTER)
1 - Эксцентрик ....... Поддерживаемые модели9550SH Serial No.______-695700 Примечание:45 DEGREE, (C) (OUTER)
1 - Эксцентрик ....... Поддерживаемые модели9550 Serial No.695201-______ Примечание:42 DEGREE, (D) (OUTER)
1 - Эксцентрик ....... Поддерживаемые модели9550SH Serial No.695701-______ Примечание:42 DEGREE, (D) (OUTER)
2 - Заглушка 32243 Поддерживаемые модели9550, 9550SH
3 - Шайба H170645 Поддерживаемые модели9550, 9550SH
4 - Винт с головкой 19M7938 Количество:6 Поддерживаемые модели9550, 9550SH Примечание:M10 X 20, (C) (D)
4 - Стопорная шайба 12M7135 Количество:6 Поддерживаемые модели9550, 9550SH Примечание:10 mm, (C) (D)
5 - Стопор H155459 Поддерживаемые модели9550, 9550SH
6 - Винт 19M9042 Количество:3 Поддерживаемые модели9550, 9550SH Примечание:(C) (D)
6 - Стопорная шайба 12M7135 Количество:3 Поддерживаемые модели9550, 9550SH Примечание:10 mm, (C) (D)
7 - Шкив H158575 Поддерживаемые модели9550 Примечание:(ПОВЫШЕННАЯ ПРОИЗВОДИТЕЛЬНОСТЬ)
7 - Шкив H168126 Поддерживаемые модели9550 Serial No.______-690800 Примечание:(Стандартная производительность)
7 - Полушкив H201579 Поддерживаемые модели9550 Serial No.690801-______ Примечание:(Стандартная производительность)
7 - Шкив H168126 Поддерживаемые модели9550SH Примечание:(Стандартная производительность)
8 - Пружинное кольцо B3118R Поддерживаемые модели9550, 9550SH
9 - Установочный винт 22H775 Количество:2 Поддерживаемые модели9550, 9550SH Примечание:5/16" X 1/4"
10 - Шар H110922 Поддерживаемые модели9550, 9550SH
11 - Пружинный шплинт 34M7255 Поддерживаемые модели9550, 9550SH Примечание:6 X 50 mm
12 - Клиновой ремень H218728 Поддерживаемые модели9550 Примечание:(High Capacity) (SUB FOR H156863)
12 - Клиновой ремень H161648 Поддерживаемые модели9550 Serial No.______-700200 Примечание:(Стандартная производительность)
12 - Клиновой ремень H161648 Поддерживаемые модели9550SH Serial No.______-700700 Примечание:(Стандартная производительность)
12 - Клиновой ремень H205167 Поддерживаемые модели9550 Serial No.700201-______ Примечание:(Стандартная производительность)
12 - Клиновой ремень H205167 Поддерживаемые модели9550SH Serial No.700701-______ Примечание:(Стандартная производительность)
13 - Смазочная арматура JD7798 Количество:2 Поддерживаемые модели9550, 9550SH
14 - Шкив AH160615 Поддерживаемые модели9550 Примечание:(High Capacity) (SUB AH201415)
14 - Шкив AH157933 Поддерживаемые модели9550, 9550SH Примечание:(STANDARD CAPACITY) (SUB AH201417)
14 - Шкив AH201415 Поддерживаемые модели9550 Примечание:(ПОВЫШЕННАЯ ПРОИЗВОДИТЕЛЬНОСТЬ)
14 - Шкив AH201417 Поддерживаемые модели9550, 9550SH Примечание:(Стандартная производительность)
15 - Круглый стопор H110728 Поддерживаемые модели9550, 9550SH Примечание:(C) (D)
16 - Пружинное кольцо H97308 Поддерживаемые модели9550, 9550SH Примечание:(C) (D)
17 - Сальник AH108161 Поддерживаемые модели9550, 9550SH Примечание:(C) (D)
18 - Шпонка вала 26H104 Количество:2 Поддерживаемые модели9550 Примечание:(High Capacity) 5/16" X 2-1/8", (C) (D)
18 - Шпонка вала 26H104 Поддерживаемые модели9550, 9550SH Примечание:(STANDARD CAPACITY) 5/16" X 2-1/8", (C) (D)
19 - Эксцентрик ....... Поддерживаемые модели9550 Serial No.______-695200 Примечание:45 DEGREE, (C) (INNER)
19 - Эксцентрик ....... Поддерживаемые модели9550SH Serial No.______-695700 Примечание:45 DEGREE, (C) (INNER)
19 - Эксцентрик ....... Поддерживаемые модели9550 Serial No.695201-______ Примечание:42 DEGREE, (D) (INNER)
19 - Эксцентрик ....... Поддерживаемые модели9550SH Serial No.695701-______ Примечание:42 DEGREE, (D) (INNER)
20 - Пружина сжатия H172267 Поддерживаемые модели9550, 9550SH
21 - Сальник AH96345 Поддерживаемые модели9550, 9550SH Примечание:(C) (D)
22 - Винт 19M7826 Количество:2 Поддерживаемые модели9550 Примечание:(High Capacity) M16 X 70
22 - Винт 19M7826 Поддерживаемые модели9550, 9550SH Примечание:(STANDARD CAPACITY) M16 X 70
23 - Шайба H163726 Количество:5 Поддерживаемые модели9550 Примечание:(ПОВЫШЕННАЯ ПРОИЗВОДИТЕЛЬНОСТЬ)
23 - Шайба H163726 Количество:3 Поддерживаемые модели9550, 9550SH Примечание:(Стандартная производительность)
24 - Втулка H148132 Количество:4 Поддерживаемые модели9550 Примечание:(ПОВЫШЕННАЯ ПРОИЗВОДИТЕЛЬНОСТЬ)
24 - Втулка H148132 Количество:2 Поддерживаемые модели9550, 9550SH Примечание:(Стандартная производительность)
25 - Стопор H148133 Количество:4 Поддерживаемые модели9550 Примечание:(ПОВЫШЕННАЯ ПРОИЗВОДИТЕЛЬНОСТЬ)
25 - Стопор H148133 Количество:2 Поддерживаемые модели9550, 9550SH Примечание:(Стандартная производительность)
26 - Опора T55761 Поддерживаемые модели9550, 9550SH
.. - Комплект эксцентриков AH232574 Поддерживаемые модели9550 Serial No.______-695200 Примечание:45 DEGREE CAMS, (INCLUDES PARTS MARKED (C)) (SUB FOR AH154890 OR AH213113)
.. - Комплект эксцентриков AH232574 Поддерживаемые модели9550SH Serial No.______-695700 Примечание:45 DEGREE CAMS, (INCLUDES PARTS MARKED (C)) (SUB FOR AH154890 OR AH213113)
.. - Комплект эксцентриков AH232575 Поддерживаемые модели9550 Serial No.695201-______ Примечание:42 DEGREE CAMS, (INCLUDES PARTS MARKED (D)) (SUB FOR AH201888 OR AH213114)
.. - Комплект эксцентриков AH232575 Поддерживаемые модели9550SH Serial No.695701-______ Примечание:42 DEGREE CAMS, (INCLUDES PARTS MARKED (D)) (SUB FOR AH201888 OR AH213114)
Наверх
FRONT VARIABLE DRIVE SHEAVE AND MOUNTINGS - ST472302 ( ПЕРЕМЕННАЯ ПЕРЕДНИЙ ШКИВ ПРИВОДА И ПОДВЕСОК - )
![Джон Дир 9550 FRONT VARIABLE DRIVE SHEAVE AND MOUNTINGS FRONT VARIABLE DRIVE SHEAVE AND MOUNTINGS]()
27 - Болт 03M7198 Количество:2 Поддерживаемые модели9550 Примечание:(HI CAPACITY) M12 X 30
28 - Винт 19M7845 Поддерживаемые модели9550 Примечание:M16 X 90
29 - Распорная втулка Z64078 Поддерживаемые модели9550, 9550SH
30 - Болт 03M7191 Количество:4 Поддерживаемые модели9550, 9550SH Примечание:M10 X 25
30 - Фланцевая гайка 14M7296 Количество:5 Поддерживаемые модели9550, 9550SH Примечание:M10
30 - Болт 03M7192 Поддерживаемые модели9550, 9550SH Примечание:M10 X 30
31 - Опора AH150451 Поддерживаемые модели9550
31 - Опора AH135124 Поддерживаемые модели9550SH
32 - Распорная втулка H95417 Поддерживаемые модели9550, 9550SH
33 - Шайба H97410 Поддерживаемые модели9550, 9550SH
34 - Опора R62502 Поддерживаемые модели9550, 9550SH
35 - Шайба 24M7241 Количество:4 Поддерживаемые модели9550 Примечание:(HI CAPACITY) 17 X 34 X 4 mm
35 - Шайба 24M7241 Количество:2 Поддерживаемые модели9550, 9550SH Примечание:(STANDARD CAPACITY) 17 X 34 X 4 mm
36 - Шпонка вала Z61818 Количество:2 Поддерживаемые модели9550 Примечание:(HI CAPACITY)
36 - Шпонка вала 26H104 Количество:2 Поддерживаемые модели9550SH Примечание:(STANDARD CAPACITY) 5/16" X 2-1/8"
36 - Шпонка вала 26H104 Количество:2 Поддерживаемые модели9550 Serial No.______-690800 Примечание:(STANDARD CAPACITY) 5/16" X 2-1/8"
36 - Шпонка вала Z61818 Количество:2 Поддерживаемые модели9550 Serial No.690801-______ Примечание:(Стандартная производительность)
37 - Кронштейн H159818 Поддерживаемые модели9550 Примечание:(HI CAPACITY)
38 - Фланцевая гайка 14M7299 Количество:2 Поддерживаемые модели9550 Примечание:(HI CAPACITY) M12
39 - Шайба 24H1626 Поддерживаемые модели9550 Serial No.700201-______ Примечание:21/32" X 2" X 0.060"
.. - Комплект эксцентриков AH232574 Поддерживаемые модели9550 Serial No.______-695200 Примечание:45 DEGREE CAMS, (INCLUDES PARTS MARKED (C)) (SUB FOR AH154890 OR AH213113)
.. - Комплект эксцентриков AH232574 Поддерживаемые модели9550SH Serial No.______-695700 Примечание:45 DEGREE CAMS, (SUB FOR AH154890 OR AH213113)
.. - Комплект эксцентриков AH232575 Поддерживаемые модели9550 Serial No.695201-______ Примечание:42 DEGREE CAMS, (SUB FOR AH201888 OR AH213114)
.. - Комплект эксцентриков AH232575 Поддерживаемые модели9550SH Serial No.695701-______ Примечание:42 DEGREE CAMS, (SUB FOR AH201888 OR AH213114)
Наверх
FEEDER HOUSE GEARCASE OIL COOLER AND HOSES - ST472303 ( ПИТАТЕЛЕ КОРПУСА МАСЛЯНОГО РАДИАТОРА И ШЛАНГОВ - )
![Джон Дир 9550 FEEDER HOUSE GEARCASE OIL COOLER AND HOSES FEEDER HOUSE GEARCASE OIL COOLER AND HOSES]()
1 - Коленчатый патрубок 38H1005 Поддерживаемые модели9550
2 - Коленчатый патрубок 38H1046 Количество:2 Поддерживаемые модели9550
3 - Уплотнительное кольцо R26375 Количество:4 Поддерживаемые модели9550
4 - Уплотнительное кольцо T77613 Поддерживаемые модели9550
5 - Зажимная скоба R111156 Количество:2 Поддерживаемые модели9550
6 - Маслоохладитель AH150687 Поддерживаемые модели9550
7 - Уголок H209581 Поддерживаемые модели9550 Примечание:(SUB FOR H163182)
8 - Фланцевая гайка 14M7298 Поддерживаемые модели9550 Примечание:M8
9 - Винт 19M7800 Количество:2 Поддерживаемые модели9550 Примечание:M8 X 50
10 - Зажимная скоба AH89486 Количество:2 Поддерживаемые модели9550 Примечание:(SUB FOR AH89486)
11 - Гидрошланг AH156476 Поддерживаемые модели9550 Serial No.______-700200
11 - Гидрошланг AH202607 Поддерживаемые модели9550 Serial No.700201-______
12 - Гидрошланг AH156475 Поддерживаемые модели9550 Serial No.______-700200
12 - Гидрошланг AH168924 Поддерживаемые модели9550 Serial No.700201-______
13 - Уплотнительное кольцо T77857 Количество:3 Поддерживаемые модели9550
14 - Фитинг переходника 38H1171 Поддерживаемые модели9550
15 - Зажимная скоба AH97280 Количество:2 Поддерживаемые модели9550
Наверх
Reverser Gear Box (Hi Capacity) 9550 ( - 700200) - ST472304 ( Коробка Передач Реверса (Высокая Мощность) ( - ) - )
![Джон Дир 9550 Reverser Gear Box (Hi Capacity) 9550 ( Reverser Gear Box (Hi Capacity) 9550 (]()
1 - Упорная шайба R66197 Количество:6 Поддерживаемые модели9550
2 - Зубчатый венец Z12714 Количество:3 Поддерживаемые модели9550
3 - Штифт Z61813 Количество:3 Поддерживаемые модели9550
4 - Шар H871R Количество:3 Поддерживаемые модели9550
5 - Шайба R33088 Количество:3 Поддерживаемые модели9550
6 - Распорная втулка H89617 Количество:3 Поддерживаемые модели9550
7 - Винт с головкой 19M7166 Количество:6 Поддерживаемые модели9550 Примечание:M10 X 20
8 - Штифт Z61817 74 Поддерживаемые модели9550 Примечание:(6 НАБОРОВ ИЗ 29)
9 - Игольчатый подшипник AH150686 Количество:2 Поддерживаемые модели9550
10 - Сальник E53699 Поддерживаемые модели9550
11 - Передача H160953 Поддерживаемые модели9550 Примечание:Вход
12 - Шпонка вала 26H104 Поддерживаемые модели9550 Примечание:5/16" X 2-1/8"
13 - Ось AH168046 Поддерживаемые модели9550 Примечание:(SUB FOR AH163895)
14 - Крышка H156091 Поддерживаемые модели9550
15 - Шариковый подшипник AZ49013 Поддерживаемые модели9550
16 - Пружинное кольцо R39081 Количество:2 Поддерживаемые модели9550
17 - Сальник AZ49370 Количество:2 Поддерживаемые модели9550
18 - Крышка Z12851 Поддерживаемые модели9550
19 - Корпус H156095 Поддерживаемые модели9550
20 - Уплотнительное кольцо R26375 Поддерживаемые модели9550
21 - Шариковый подшипник AZ49371 Поддерживаемые модели9550
22 - Пружинное кольцо Z62549 Поддерживаемые модели9550
23 - Установочный штифт H75358 Поддерживаемые модели9550
24 - Рычаг переключ. передач Z62147 Поддерживаемые модели9550
25 - Передача H170781 Поддерживаемые модели9550 Примечание:Выход
26 - Гайка 14H832 Количество:2 Поддерживаемые модели9550 Примечание:9/16"
27 - Втулка 28H2499 Поддерживаемые модели9550 Примечание:0.742" X 1.050" X 5/8"
28 - Шайба 24H1794 Поддерживаемые модели9550 Примечание:21/32" X 1-1/2" X 0.120"
29 - Сальник AN113330 Поддерживаемые модели9550
30 - Винт 19M7810 Количество:6 Поддерживаемые модели9550 Примечание:M10 X 80
31 - Щуп AH167602 Поддерживаемые модели9550
32 - Распорная втулка H140195 Поддерживаемые модели9550
33 - Уплотнительное кольцо R26906 Поддерживаемые модели9550
34 - Корпус H156090 Поддерживаемые модели9550
35 - Рычаг переключ. передач AZ51438 Поддерживаемые модели9550
36 - Шариковый подшипник M800578 Поддерживаемые модели9550
37 - Прямозубая шестерня H165464 Поддерживаемые модели9550
38 - Шариковый подшипник JD7678 Поддерживаемые модели9550
39 - Подшипник H165463 Поддерживаемые модели9550
40 - Пружинное кольцо M1007T Поддерживаемые модели9550
41 - Уплотнительное кольцо U10776 Поддерживаемые модели9550
42 - Втулка H82233 Поддерживаемые модели9550
43 - Шайба H82232 Поддерживаемые модели9550
44 - Пластина H82234 Поддерживаемые модели9550
45 - Ротор AH128528 Поддерживаемые модели9550
46 - Заклепка 16M2556 Количество:3 Поддерживаемые модели9550 Примечание:8 X 45 mm
47 - Зубчатый венец AH148894 Поддерживаемые модели9550
48 - Фитинг R39112 Количество:2 Поддерживаемые модели9550
.. - Редуктор AH159170 Поддерживаемые модели9550 Примечание:3 OZ. SIZE
Наверх
Reverser Gear Box (Hi Capacity) 9550 (700201 - ) - ST472305 ( Коробка Передач Реверса (Высокая Мощность) ( - ) - )
![Джон Дир 9550 Reverser Gear Box (Hi Capacity) 9550 (700201 Reverser Gear Box (Hi Capacity) 9550 (700201]()
1 - Упорная шайба R66197 Количество:6 Поддерживаемые модели9550
2 - Зубчатый венец Z12714 Количество:3 Поддерживаемые модели9550
3 - Штифт Z61813 Количество:3 Поддерживаемые модели9550
4 - Шар H871R Количество:3 Поддерживаемые модели9550
5 - Шайба R33088 Количество:3 Поддерживаемые модели9550
6 - Распорная втулка H89617 Количество:3 Поддерживаемые модели9550
7 - Винт с головкой 19M7166 Количество:6 Поддерживаемые модели9550 Примечание:M10 X 20
8 - Штифт Z61817 74 Поддерживаемые модели9550 Примечание:(6 НАБОРОВ ИЗ 29)
9 - Игольчатый подшипник AH150686 Количество:2 Поддерживаемые модели9550
10 - Ось H234410 Поддерживаемые модели9550 Примечание:(SUB FOR H202940)
11 - Передача H160953 Поддерживаемые модели9550
12 - Сальник E53699 Поддерживаемые модели9550
13 - Ось H177985 Поддерживаемые модели9550
14 - Крышка H156091 Поддерживаемые модели9550
15 - Шариковый подшипник AZ49013 Поддерживаемые модели9550
16 - Пружинное кольцо R39081 Количество:2 Поддерживаемые модели9550
17 - Сальник AZ49370 Количество:2 Поддерживаемые модели9550
18 - Крышка Z12851 Поддерживаемые модели9550
19 - Корпус H156095 Поддерживаемые модели9550
20 - Уплотнительное кольцо R26375 Поддерживаемые модели9550
21 - Шариковый подшипник AZ49371 Поддерживаемые модели9550
22 - Пружинное кольцо Z62549 Поддерживаемые модели9550
23 - Установочный штифт H75358 Поддерживаемые модели9550
24 - Рычаг переключ. передач Z62147 Поддерживаемые модели9550
25 - Передача H170781 Поддерживаемые модели9550
26 - Гайка 14H832 Количество:2 Поддерживаемые модели9550 Примечание:9/16"
27 - Втулка 28H2499 Поддерживаемые модели9550 Примечание:0.742" X 1.050" X 5/8"
28 - Шайба 24H1794 Поддерживаемые модели9550 Примечание:21/32" X 1-1/2" X 0.120"
29 - Сальник AN113330 Поддерживаемые модели9550
30 - Винт 19M7810 Количество:6 Поддерживаемые модели9550 Примечание:M10 X 80
31 - Щуп AH167179 Поддерживаемые модели9550
32 - Распорная втулка H173057 Поддерживаемые модели9550
33 - Уплотнительное кольцо R26906 Поддерживаемые модели9550
34 - Корпус H156090 Поддерживаемые модели9550
35 - Рычаг переключ. передач AZ51438 Поддерживаемые модели9550
36 - Шариковый подшипник M800578 Поддерживаемые модели9550
37 - Прямозубая шестерня H165464 Поддерживаемые модели9550
38 - Шариковый подшипник JD7678 Поддерживаемые модели9550
39 - Подшипник H165463 Поддерживаемые модели9550
40 - Пружинное кольцо M1007T Поддерживаемые модели9550
41 - Уплотнительное кольцо U10776 Поддерживаемые модели9550
42 - Втулка H82233 Поддерживаемые модели9550
43 - Шайба H82232 Поддерживаемые модели9550
44 - Пластина H82234 Поддерживаемые модели9550
45 - Ротор AH128528 Поддерживаемые модели9550
46 - Заклепка 16M2556 Количество:3 Поддерживаемые модели9550 Примечание:8 X 45 mm
47 - Зубчатый венец AH148894 Поддерживаемые модели9550
48 - Кольцо H223849 Поддерживаемые модели9550 Примечание:(SUB FOR T61327)
49 - Винт 19M7786 Количество:4 Поддерживаемые модели9550 Примечание:M10 X 30
50 - Фитинг R39112 Количество:2 Поддерживаемые модели9550
.. - Редуктор AH204839 Поддерживаемые модели9550
Наверх
REVERSER GEAR BOX (HI CAPACITY) - CONTINUED - ST472306 ( КОРОБКА ПЕРЕДАЧ РЕВЕРСА (ВЫСОКАЯ ЕМКОСТЬ) - ПРОДОЛЖЕНИЕ - )
![Джон Дир 9550 REVERSER GEAR BOX (HI CAPACITY) REVERSER GEAR BOX (HI CAPACITY)]()
1 - Фитинг AH125228 Поддерживаемые модели9550
2 - Уплотнительное кольцо R495R Количество:2 Поддерживаемые модели9550
3 - Уплотнительное кольцо R394R Количество:4 Поддерживаемые модели9550
4 - Труба H156096 Поддерживаемые модели9550
5 - Винт 19M7786 Количество:5 Поддерживаемые модели9550 Примечание:M10 X 30
6 - Уплотнительное кольцо R26375 Количество:2 Поддерживаемые модели9550
7 - Корпус H156095 Поддерживаемые модели9550
8 - Фитинг R39112 Количество:2 Поддерживаемые модели9550
.. - Редуктор AH159170 Поддерживаемые модели9550 Serial No.______-700200
.. - Редуктор AH204839 Поддерживаемые модели9550 Serial No.700201-______
Наверх
Reverser Gear Box, Standard ( - 700200) - ST472308 ( Коробку Передач Реверса, Стандартный ( - ) - )
![Джон Дир 9550 Reverser Gear Box, Standard ( Reverser Gear Box, Standard (]()
1 - Упорная шайба R66197 Количество:6 Поддерживаемые модели9550, 9550SH
2 - Ведущая шестерня H168994 Количество:3 Поддерживаемые модели9550, 9550SH
3 - Штифт R33079 Количество:3 Поддерживаемые модели9550, 9550SH
4 - Шар H871R Количество:3 Поддерживаемые модели9550, 9550SH
5 - Шайба R33088 Количество:3 Поддерживаемые модели9550, 9550SH
6 - Распорная втулка H89617 Количество:3 Поддерживаемые модели9550, 9550SH
7 - Винт с головкой 19M7938 Количество:6 Поддерживаемые модели9550, 9550SH Примечание:M10 X 20
8 - Игольчатый ролик R33058 86 Поддерживаемые модели9550, 9550SH Примечание:6 Sets of 31
9 - Игольчатый подшипник JD8819 Поддерживаемые модели9550, 9550SH
10 - Сальник E53699 Поддерживаемые модели9550, 9550SH
11 - Передача H166216 Поддерживаемые модели9550SH Примечание:Вход
11 - Передача H201578 Поддерживаемые модели9550 Примечание:Вход
12 - Шпонка вала 26H104 Поддерживаемые модели9550, 9550SH Примечание:5/16" X 2-1/8"
13 - Ось AH152937 Поддерживаемые модели9550
13 - Ось AH135606 Поддерживаемые модели9550SH
14 - Крышка H168125 Поддерживаемые модели9550, 9550SH
15 - Шариковый подшипник JD10010 Поддерживаемые модели9550, 9550SH
16 - Пружинное кольцо R39081 Поддерживаемые модели9550, 9550SH
17 - Сальник AH144715 Поддерживаемые модели9550, 9550SH
18 - Корп. подшипн. без подш. H150662 Поддерживаемые модели9550, 9550SH
19 - Сальник AH140185 Поддерживаемые модели9550, 9550SH
20 - Пружинное кольцо N71922 Поддерживаемые модели9550, 9550SH
21 - Шариковый подшипник JD10011 Поддерживаемые модели9550, 9550SH
22 - Пружинное кольцо BP13620 Поддерживаемые модели9550, 9550SH
23 - Игольчатый подшипник AH150686 Поддерживаемые модели9550, 9550SH
24 - Муфта переключателя H132328 Поддерживаемые модели9550, 9550SH
25 - Передача H106073 Поддерживаемые модели9550, 9550SH Примечание:Выход
26 - Гайка 14H832 Количество:2 Поддерживаемые модели9550, 9550SH Примечание:9/16"
27 - Втулка 28H2499 Поддерживаемые модели9550, 9550SH Примечание:0.742" X 1.050" X 5/8"
28 - Шайба 24H1794 Поддерживаемые модели9550, 9550SH Примечание:21/32" X 1-1/2" X 0.120"
29 - Сальник AN113330 Поддерживаемые модели9550, 9550SH
30 - Уплотнительное кольцо R26906 Количество:2 Поддерживаемые модели9550, 9550SH
31 - Щуп AH167602 Поддерживаемые модели9550, 9550SH Примечание:SUB FOR AH140615
32 - Распорная втулка H140195 Поддерживаемые модели9550, 9550SH
33 - Уплотнительное кольцо R26375 Поддерживаемые модели9550, 9550SH
34 - Корпус AH159233 Поддерживаемые модели9550, 9550SH
35 - Рычаг переключ. передач AH93110 Поддерживаемые модели9550, 9550SH
36 - Винт с головкой 19M7402 Количество:6 Поддерживаемые модели9550, 9550SH Примечание:M10 X 25
37 - Заглушка фитинга R27218 Количество:2 Поддерживаемые модели9550 Serial No.______-685425
37 - Заглушка фитинга R27218 Количество:2 Поддерживаемые модели9550SH Serial No.______-685703
37 - Фитинг R39112 Количество:2 Поддерживаемые модели9550 Serial No.685426-______
37 - Фитинг R39112 Количество:2 Поддерживаемые модели9550SH Serial No.685704-______
38 - Стопорная шайба 12M7135 Количество:6 Поддерживаемые модели9550, 9550SH Примечание:10 mm
39 - Уплотнительное кольцо R26448 Поддерживаемые модели9550 Serial No.______-685425
39 - Уплотнительное кольцо R26448 Поддерживаемые модели9550SH Serial No.______-685703
39 - Уплотнительное кольцо R26375 Поддерживаемые модели9550 Serial No.685426-______
39 - Уплотнительное кольцо R26375 Поддерживаемые модели9550SH Serial No.685704-______
40 - Передача AH105040 Поддерживаемые модели9550, 9550SH
41 - Заклепка 16M2556 Количество:3 Поддерживаемые модели9550, 9550SH Примечание:8 X 45 mm
.. - Редуктор AH153341 Поддерживаемые модели9550
.. - Редуктор AH156054 Поддерживаемые модели9550SH
Наверх
Reverser Gear Box (Standard) 9550 (700201 - ) - ST472309 ( Коробка Передач Реверса (Стандартный) ( - ) - )
![Джон Дир 9550 Reverser Gear Box (Standard) 9550 (700201 Reverser Gear Box (Standard) 9550 (700201]()
1 - Упорная шайба R66197 Количество:6 Поддерживаемые модели9550, 9550SH
2 - Зубчатый венец Z12714 Количество:3 Поддерживаемые модели9550, 9550SH
3 - Штифт Z61813 Количество:3 Поддерживаемые модели9550, 9550SH
4 - Шар H871R Количество:3 Поддерживаемые модели9550, 9550SH
5 - Шайба R33088 Количество:3 Поддерживаемые модели9550, 9550SH
6 - Распорная втулка H89617 Количество:3 Поддерживаемые модели9550, 9550SH
7 - Винт с головкой 19M7166 Количество:6 Поддерживаемые модели9550, 9550SH Примечание:M10 X 20
8 - Штифт Z61817 74 Поддерживаемые модели9550, 9550SH Примечание:(6 НАБОРОВ ИЗ 29)
9 - Игольчатый подшипник AH150686 Количество:2 Поддерживаемые модели9550, 9550SH
10 - Ось H234410 Поддерживаемые модели9550, 9550SH Примечание:(SUB FOR H202940)
11 - Передача H160953 Поддерживаемые модели9550, 9550SH
12 - Сальник E53699 Поддерживаемые модели9550, 9550SH
13 - Ось H177985 Поддерживаемые модели9550, 9550SH
14 - Крышка H156091 Поддерживаемые модели9550, 9550SH
15 - Шариковый подшипник AZ49013 Поддерживаемые модели9550, 9550SH
16 - Пружинное кольцо R39081 Количество:2 Поддерживаемые модели9550, 9550SH
17 - Сальник AZ49370 Количество:2 Поддерживаемые модели9550, 9550SH
18 - Крышка Z12851 Поддерживаемые модели9550, 9550SH
19 - Крышка H174445 Поддерживаемые модели9550, 9550SH
20 - Уплотнительное кольцо R26375 Поддерживаемые модели9550, 9550SH
21 - Шариковый подшипник AZ49371 Поддерживаемые модели9550, 9550SH
22 - Пружинное кольцо Z62549 Поддерживаемые модели9550, 9550SH
23 - Фитинг R39112 Количество:2 Поддерживаемые модели9550, 9550SH
24 - Рычаг переключ. передач Z62147 Поддерживаемые модели9550, 9550SH
25 - Передача H170781 Поддерживаемые модели9550, 9550SH
26 - Гайка 14H832 Количество:2 Поддерживаемые модели9550, 9550SH Примечание:9/16"
27 - Сальник AN113330 Поддерживаемые модели9550, 9550SH
28 - Шайба 24H1794 Поддерживаемые модели9550, 9550SH Примечание:21/32" X 1-1/2" X 0.120"
29 - Втулка 28H2499 Поддерживаемые модели9550, 9550SH Примечание:0.742" X 1.050" X 5/8"
30 - Винт 19M7810 Количество:6 Поддерживаемые модели9550, 9550SH Примечание:M10 X 80
31 - Щуп AH167179 Поддерживаемые модели9550, 9550SH
32 - Распорная втулка H173057 Поддерживаемые модели9550, 9550SH
33 - Уплотнительное кольцо R26906 Поддерживаемые модели9550, 9550SH
34 - Корпус H156090 Поддерживаемые модели9550, 9550SH
35 - Рычаг переключ. передач AZ51438 Поддерживаемые модели9550, 9550SH
36 - Уплотнительное кольцо U10776 Поддерживаемые модели9550, 9550SH
37 - Заклепка 16M2556 Количество:3 Поддерживаемые модели9550, 9550SH Примечание:8 X 45 mm
38 - Зубчатый венец AZ49362 Поддерживаемые модели9550, 9550SH
39 - Заглушка H174446 Поддерживаемые модели9550, 9550SH
40 - Винт 19M7786 Поддерживаемые модели9550, 9550SH Примечание:M10 X 30
41 - Уплотнительное кольцо R495R Поддерживаемые модели9550, 9550SH
42 - Кольцо H223849 Поддерживаемые модели9550, 9550SH Примечание:(SUB FOR T61327)
.. - Редуктор AH204840 Поддерживаемые модели9550, 9550SH
Наверх
FIXED SPEED FEEDER HOUSE DRIVE TIGHTENER - ST472310 ( ФИКСИРОВАННАЯ СКОРОСТЬ ПИТАТЕЛЯ ПРИВОД УДАРНЫЙ ГАЙКОВЕРТ - )
![Джон Дир 9550 FIXED SPEED FEEDER HOUSE DRIVE TIGHTENER FIXED SPEED FEEDER HOUSE DRIVE TIGHTENER]()
1 - Болт 03M7211 Количество:2 Поддерживаемые модели9550 Примечание:M16 X 70
2 - Рукоять AH227049 Поддерживаемые модели9550 Примечание:ORDER AXE34354
2 - Рукоять AXE34354
3 - Втулка L1730N Количество:2 Поддерживаемые модели9550 Примечание:21/32" X 1" X 1/2"
4 - Болт 03M7248 Поддерживаемые модели9550 Примечание:M12 X 90
5 - Шайба 24H1413 Количество:2 Поддерживаемые модели9550 Примечание:57/64" X 1-3/8" X 0.048"
6 - Втулка H89297 Поддерживаемые модели9550 Примечание:17/32" X 0.874" X 2.100"
7 - Ось поворота H132825 Поддерживаемые модели9550
8 - Шайба 24H1789 Поддерживаемые модели9550 Примечание:17/32" X 1-1/4" X 0.105"
9 - Стопорная гайка A31867 Поддерживаемые модели9550 Примечание:No. 0.472"
10 - Натяжной шкив AH94450 Количество:2 Поддерживаемые модели9550
10 - Натяжной шкив AH204389 Количество:2 Поддерживаемые модели9550
11 - Клиновой ремень H126345 Поддерживаемые модели9550 Serial No.______-700200
11 - Клиновой ремень H156796 Поддерживаемые модели9550 Serial No.700201-______
12 - Фланцевая гайка 14M7291 Количество:2 Поддерживаемые модели9550 Примечание:M16
13 - Гайка 14M7275 Количество:2 Поддерживаемые модели9550 Примечание:M12
14 - Шайба 24H1789 Количество:2 Поддерживаемые модели9550 Примечание:17/32" X 1-1/4" X 0.105"
15 - Пружина A25695 Поддерживаемые модели9550
16 - Указатель H95499 Поддерживаемые модели9550
17 - Стопорная шайба H140469 Поддерживаемые модели9550
18 - Шайба 24M7240 Количество:2 Поддерживаемые модели9550 Примечание:13 X 25 X 3 mm
19 - Болт H126346 Поддерживаемые модели9550
20 - Фланцевая гайка 14M7299 Поддерживаемые модели9550 Примечание:M12
21 - Кронштейн AH205618 Поддерживаемые модели9550 Примечание:(SUB FOR AH147476)
22 - Винт 19M7789 Поддерживаемые модели9550 Примечание:M12 X 30
23 - Втулка H98655 Количество:2 Поддерживаемые модели9550
24 - Подпорка H126371 Поддерживаемые модели9550 Примечание:Передн.
25 - Элемент жесткости H126370 Поддерживаемые модели9550
26 - Болт 03M7198 Поддерживаемые модели9550 Примечание:M12 X 30
Наверх
VARIABLE SPEED DRIVE TIGHTENER - ST472311 ( ПРИВОД ПЕРЕМЕННОЙ СКОРОСТИ ПЕРЕДАЧИ - )
![Джон Дир 9550 VARIABLE SPEED DRIVE TIGHTENER VARIABLE SPEED DRIVE TIGHTENER]()
1 - Фланцевая гайка 14M7299 Количество:6 Поддерживаемые модели9550, 9550SH Примечание:M12
2 - Подпорка H126371 Поддерживаемые модели9550, 9550SH
3 - Винт 19M7789 Количество:3 Поддерживаемые модели9550, 9550SH Примечание:M12 X 30
4 - Винт 19M7789 Количество:2 Поддерживаемые модели9550, 9550SH Примечание:M12 X 30
5 - Фланцевая гайка 14M7299 Количество:3 Поддерживаемые модели9550, 9550SH Примечание:M12
6 - Кронштейн AH205618 Поддерживаемые модели9550, 9550SH Примечание:(SUB FOR AH147476)
7 - Винт 19M7828 Поддерживаемые модели9550, 9550SH Примечание:M16 X 100
8 - Шайба 24H1698 Поддерживаемые модели9550, 9550SH Примечание:21/32" X 1-5/8" X 1/4"
9 - Распорная втулка H156850 Поддерживаемые модели9550
9 - Муфта переключателя H113892 Поддерживаемые модели9550SH
10 - Клиновой ремень H161648 Поддерживаемые модели9550, 9550SH Serial No.______-700200 Примечание:Стандартный
10 - Клиновой ремень H205167 Поддерживаемые модели9550 Serial No.700201-______ Примечание:Стандартный
10 - Клиновой ремень H218728 Поддерживаемые модели9550 Примечание:(SUB FOR H156863) HIGH CAPACITY
11 - Шкив AH166439 Поддерживаемые модели9550
11 - Натяжной шкив AH94450 Поддерживаемые модели9550SH
12 - Фланцевая гайка 14M7291 Поддерживаемые модели9550, 9550SH Примечание:M16
13 - Болт 03M7192 Количество:3 Поддерживаемые модели9550, 9550SH Примечание:M10 X 30
14A - Хомут AH162787 Поддерживаемые модели9550, 9550SH Примечание:(SUB AH167579)
14B - Хомут AH167579 Поддерживаемые модели9550, 9550SH
15 - Болт 03M7198 Поддерживаемые модели9550, 9550SH Примечание:M12 X 30
16 - Болт 03M7183 Поддерживаемые модели9550, 9550SH Примечание:M8 X 16
16 - Фланцевая гайка 14M7298 Поддерживаемые модели9550, 9550SH Примечание:M8
17 - Шланговый зажим H136336 Поддерживаемые модели9550, 9550SH
18 - Фланцевая гайка 14M7296 Количество:3 Поддерживаемые модели9550, 9550SH Примечание:M10
19 - Винт 19M7790 Количество:3 Поддерживаемые модели9550, 9550SH Примечание:M12 X 35
20 - Подпорка AH142407 Поддерживаемые модели9550, 9550SH
21 - Хомут AH208564 Поддерживаемые модели9550, 9550SH
22 - Гайка 14M7277 Количество:2 Поддерживаемые модели9550, 9550SH Примечание:M20
Наверх
FEEDER HOUSE DRIVE TIGHTENER - ST472312 ( ПИТАТЕЛЯ ПРИВОД УДАРНЫЙ ГАЙКОВЕРТ - )
![Джон Дир 9550 FEEDER HOUSE DRIVE TIGHTENER FEEDER HOUSE DRIVE TIGHTENER]()
1 - Пружинное кольцо P46402 Поддерживаемые модели9550, 9550SH
2 - Шайба 24M7091 Поддерживаемые модели9550, 9550SH Примечание:26 X 44 X 4 mm
3 - Сальник AA5607R Количество:2 Поддерживаемые модели9550, 9550SH
4 - Втулка H171061 Количество:2 Поддерживаемые модели9550, 9550SH Примечание:(SUB FOR H99147)
5 - Рукоять AH168397 Поддерживаемые модели9550, 9550SH Примечание:(SUB FOR AH156843 AND H163557) FRONT END DRIVE
6 - Винт 19M7784 Количество:3 Поддерживаемые модели9550, 9550SH Примечание:M10 X 20
7 - Штифт AH212002 Поддерживаемые модели9550, 9550SH Примечание:(SUB FOR AH156051)
8 - Болт H126169 Поддерживаемые модели9550, 9550SH
9 - Шплинт 11M7028 Поддерживаемые модели9550, 9550SH Примечание:5 X 32 mm
10 - Натяжной шкив AH166439 Поддерживаемые модели9550, 9550SH
11 - Винт 19M7824 Поддерживаемые модели9550, 9550SH Примечание:M16 X 60
12 - Клиновой ремень H151952 Поддерживаемые модели9550, 9550SH Примечание:Стандартный
12 - Клиновой ремень H155998 Поддерживаемые модели9550 Примечание:Высокая производительность
13 - Пружина сжатия N61654 Поддерживаемые модели9550, 9550SH
14 - Шайба 24H1373 Поддерживаемые модели9550, 9550SH Примечание:21/32" X 1-9/16" X 0.180"
15 - Гайка 14M7276 Количество:2 Поддерживаемые модели9550, 9550SH Примечание:M16
16 - Указатель H116862 Поддерживаемые модели9550, 9550SH
17 - Ось поворота H129208 Поддерживаемые модели9550, 9550SH
18 - Фланцевая гайка 14M7291 Поддерживаемые модели9550, 9550SH Примечание:M16
19 - Шайба 24M7053 Поддерживаемые модели9550, 9550SH Примечание:17 X 30 X 3 mm
Наверх
FEEDER HOUSE DRIVE SHIELDS AND SAFETY STOP (SIDEHILL) - ST472313 ( ПИТАТЕЛЕ ЕЗДЫ ЩИТЫ И ОСТАНОВКИ БЕЗОПАСНОСТИ (ПРИ РАБОТЕ) - )
![Джон Дир 9550 FEEDER HOUSE DRIVE SHIELDS AND SAFETY STOP (SIDEHILL) FEEDER HOUSE DRIVE SHIELDS AND SAFETY STOP (SIDEHILL)]()
1 - Щиток вала привода AH139173 Поддерживаемые модели9550SH Примечание:R
2 - Щиток вала привода AH139352 Поддерживаемые модели9550SH Примечание:5", WIDE, RH
3 - Метка H126397 Поддерживаемые модели9550SH Примечание:"VARIABLE SPEED DRIVE" ON SIDE OF SHIELD
4 - Щиток AH156066 Поддерживаемые модели9550SH Примечание:9", WIDE, LH
5 - Болт 03M7183 Количество:7 Поддерживаемые модели9550SH Примечание:M8 X 16
6 - Болт 03M7185 Количество:2 Поддерживаемые модели9550SH Примечание:M8 X 25
6 - Фланцевая гайка 14M7298 Количество:2 Поддерживаемые модели9550SH Примечание:M8
7 - Фланцевая гайка 14M7298 4 Поддерживаемые модели9550SH Примечание:M8
8 - Зажимная скоба AH96317 Поддерживаемые модели9550SH
9 - Метка H141881 Поддерживаемые модели9550SH
10 - Метка H147324 Поддерживаемые модели9550SH
11 - Болт 03M7186 Поддерживаемые модели9550SH Примечание:M8 X 30
12 - Распорная втулка M93425 Количество:4 Поддерживаемые модели9550SH
13 - Кабель AH134121 Количество:2 Поддерживаемые модели9550SH Примечание:(INCLUDES R73290)
14 - Винт 21M7125 Количество:6 Поддерживаемые модели9550SH Примечание:M8 X 25
15 - Винт 19M7784 Поддерживаемые модели9550SH Примечание:M10 X 20
16 - Кронштейн H134085 Поддерживаемые модели9550SH
17 - Фланцевая гайка 14M7296 Поддерживаемые модели9550SH Примечание:M10
18 - Быстрозамыкающийся штифт AH135290 Количество:5 Поддерживаемые модели9550SH
19 - Метка H137939 Поддерживаемые модели9550SH Примечание:(ON OUTSIDE OF SHIELD)
20 - Щиток AH141257 Поддерживаемые модели9550SH Примечание:Левый
21 - Метка HXE123792 Количество:2 Поддерживаемые модели9550SH Примечание:"HEADER DANGER" ON SIDE OF SHIELD
22 - Зажимная скоба H140122 Количество:2 Поддерживаемые модели9550SH
Наверх
L.H. DRIVE SHIELD - WITHOUT AIRFLOW - ST472314 ( Л. Х. привода щит - без воздуха - )
![Джон Дир 9550 L.H. DRIVE SHIELD L.H. DRIVE SHIELD]()
1 - Опора H167451 Поддерживаемые модели9550
2 - Уголок H141549 Поддерживаемые модели9550
3 - Фиксатор A44990 Поддерживаемые модели9550
4 - Фланцевая гайка 14M7303 Количество:2 Поддерживаемые модели9550 Примечание:M6
5 - Кабель AH134121 Поддерживаемые модели9550
6 - Щиток AH161063 Поддерживаемые модели9550 Примечание:LEVEL LAND
7 - Опора AH160798 Поддерживаемые модели9550
8 - Винт 19M7788 Количество:3 Поддерживаемые модели9550 Примечание:M12 X 25
9 - Быстрозамыкающийся штифт M72598 Поддерживаемые модели9550
10 - Хомут H167815 Поддерживаемые модели9550
11 - Винт 21M7246 Поддерживаемые модели9550 Примечание:M6 X 16
12 - Фланцевая гайка 14M7298 Количество:4 Поддерживаемые модели9550 Примечание:M8
13 - Распорная втулка M93425 Количество:2 Поддерживаемые модели9550
14 - Болт 03M7185 Поддерживаемые модели9550 Примечание:M8 X 25
15 - Болт 03M7184 Количество:3 Поддерживаемые модели9550 Примечание:M8 X 20
16 - Щиток AH162340 Поддерживаемые модели9550
17 - Скоба R46414 Поддерживаемые модели9550
18 - Щиток H167655 Поддерживаемые модели9550
19 - Опора AH160799 Поддерживаемые модели9550
20 - Болт 03M7190 Количество:2 Поддерживаемые модели9550 Примечание:M10 X 20
21 - Фланцевая гайка 14M7299 Количество:4 Поддерживаемые модели9550 Примечание:M12
22 - Фланцевая гайка 14M7296 Количество:3 Поддерживаемые модели9550 Примечание:M10
23 - Кронштейн H162401 Поддерживаемые модели9550
24 - Винт 19M7785 Поддерживаемые модели9550 Примечание:M10 X 25
25 - Винт 19M7789 Поддерживаемые модели9550 Примечание:M12 X 30
26 - Болт 03M7251 Поддерживаемые модели9550 Примечание:M6 X 12
27 - Винт 21M7125 Количество:2 Поддерживаемые модели9550 Примечание:M8 X 25
28 - Винт 37M7089 Поддерживаемые модели9550 Примечание:M6 X 12
29 - Клемма электр. разъема 57M7766 Поддерживаемые модели9550
30 - Стопорная шайба 57M7765 Поддерживаемые модели9550
31 - Гайка E73240 Поддерживаемые модели9550
32 - Трак H119187 Поддерживаемые модели9550
Наверх
L.H. DRIVE SHIELD - WITH AIRFLOW - ST472315 ( )
![Джон Дир 9550 L.H. DRIVE SHIELD L.H. DRIVE SHIELD]()
1 - Опора H167451 Поддерживаемые модели9550
2 - Уголок H141549 Поддерживаемые модели9550
3 - Фиксатор A44990 Поддерживаемые модели9550
4 - Фланцевая гайка 14M7303 Количество:2 Поддерживаемые модели9550 Примечание:M6
5 - Кабель AH134121 Поддерживаемые модели9550
6 - Щиток AH161063 Поддерживаемые модели9550 Примечание:LEVEL LAND
7 - Опора AH160798 Поддерживаемые модели9550
8 - Винт 19M7788 Количество:3 Поддерживаемые модели9550 Примечание:M12 X 25
9 - Быстрозамыкающийся штифт M72598 Поддерживаемые модели9550
10 - Хомут H167815 Поддерживаемые модели9550
11 - Винт 21M7246 Поддерживаемые модели9550 Примечание:M6 X 16
12 - Фланцевая гайка 14M7298 Количество:4 Поддерживаемые модели9550 Примечание:M8
13 - Распорная втулка M93425 Количество:2 Поддерживаемые модели9550
14 - Винт 19M7789 Поддерживаемые модели9550 Примечание:M12 X 30
15 - Болт 03M7184 Количество:3 Поддерживаемые модели9550 Примечание:M8 X 20
16 - Щиток AH162340 Поддерживаемые модели9550
17 - Болт 03M7251 Поддерживаемые модели9550 Примечание:M6 X 12
18 - Щиток H167655 Поддерживаемые модели9550
19 - Винт 21M7125 Количество:2 Поддерживаемые модели9550 Примечание:M8 X 25
20 - Винт 37M7089 Поддерживаемые модели9550 Примечание:M6 X 12
21 - Фланцевая гайка 14M7299 Количество:4 Поддерживаемые модели9550 Примечание:M12
22 - Фланцевая гайка 14M7296 Количество:3 Поддерживаемые модели9550 Примечание:M10
23 - Кронштейн H162401 Поддерживаемые модели9550
24 - Винт 19M7785 Количество:2 Поддерживаемые модели9550 Примечание:M10 X 25
Наверх
R.H. DRIVE SHIELD - ST472316 ( Р. Х. привода щит - )
![Джон Дир 9550 R.H. DRIVE SHIELD R.H. DRIVE SHIELD]()
1 - Винт 19M7785 Количество:4 Поддерживаемые модели9550 Примечание:M10 X 25
2 - Втулка H143489 Количество:2 Поддерживаемые модели9550
3 - Винт 21M7246 Поддерживаемые модели9550 Примечание:M6 X 16
4 - Хомут H167815 Поддерживаемые модели9550
5 - Быстрозамыкающийся штифт M72598 Поддерживаемые модели9550
6 - Фланцевая гайка 14M7303 Количество:2 Поддерживаемые модели9550 Примечание:M6
7 - Винт 19M7788 Количество:2 Поддерживаемые модели9550 Примечание:M12 X 25
8 - Опора AH160798 Поддерживаемые модели9550
9 - Фланцевая гайка 14M7299 Количество:2 Поддерживаемые модели9550 Примечание:M12
10 - Фланцевая гайка 14M7298 Количество:2 Поддерживаемые модели9550 Примечание:M8
11 - Распорная втулка M93425 Количество:2 Поддерживаемые модели9550
12 - Винт 21M7125 Количество:2 Поддерживаемые модели9550 Примечание:M8 X 25
13 - Щиток AH161062 Поддерживаемые модели9550
14 - Фиксатор A44990 Поддерживаемые модели9550
15 - Уголок H141549 Поддерживаемые модели9550
16 - Болт 03M7251 Поддерживаемые модели9550 Примечание:M6 X 12
17 - Кабель AH134121 Поддерживаемые модели9550
18 - Щиток H167654 Поддерживаемые модели9550
19 - Шайба 24H1311 Количество:2 Поддерживаемые модели9550 Примечание:13/32" X 1-1/4" X 0.220"
20 - Щиток вала привода H146766 Поддерживаемые модели9550
21 - Винт 37M7089 Поддерживаемые модели9550 Примечание:M6 X 12
22 - Кронштейн AH206134 Поддерживаемые модели9550 Примечание:(SUB FOR AH160796)
23 - Фланцевая гайка 14M7296 Количество:2 Поддерживаемые модели9550 Примечание:M10
24 - Болт 03M7190 Количество:2 Поддерживаемые модели9550 Примечание:M10 X 20
Наверх
FEEDER HOUSE FRAME - ST472317 ( ПИТАТЕЛЕ КАДР )
![Джон Дир 9550 FEEDER HOUSE FRAME FEEDER HOUSE FRAME]()
1 - Винт 19M7814 Количество:4 Поддерживаемые модели9550 Serial No.______-685936 Примечание:M12 X 50
1 - Винт 19M7824 Количество:4 Поддерживаемые модели9550 Serial No.685937-______ Примечание:M16 X 60
2 - Блокирующий зажим H159975 Количество:2 Поддерживаемые модели9550 Serial No.______-685936
2 - Опора H175547 Количество:2 Поддерживаемые модели9550 Serial No.685937-______
3 - Коврик H136013 Поддерживаемые модели9550
4 - Регулировочный хомут H175703 Количество:4 Поддерживаемые модели9550 Примечание:(SUB FOR H133843)
5 - Элемент жесткости H141835 Поддерживаемые модели9550 Примечание:R
6 - Коврик H136015 Количество:2 Поддерживаемые модели9550
6 - Коврик H136014 Поддерживаемые модели9550
7 - Рама AH169505 Поддерживаемые модели9550 Примечание:(SUB FOR AH152358) LEVEL LAND WITH AIRFLOW, HIGH RISE
7 - Рама AH169503 Поддерживаемые модели9550 Примечание:(SUB FOR AH152356) LEVEL LAND WITH AIRFLOW
7 - Рама AH169506 Поддерживаемые модели9550 Примечание:(SUB FOR AH160392) LEVEL LAND WITHOUT AIRFLOW (ILLUSTRATED)
7 - Рама AH169508 Поддерживаемые модели9550 Примечание:(SUB FOR AH160394) HIGH RISE W/O AIRFLOW (NARROW)
8 - Болт 03M7192 Количество:4 Поддерживаемые модели9550 Примечание:M10 X 30
9 - Уголок H144063 Количество:2 Поддерживаемые модели9550
10 - Болт 03M7190 Поддерживаемые модели9550 Примечание:M10 X 20
11 - Отражательная пластина H159533 Поддерживаемые модели9550
12 - Износостойкая накладка H144052 Поддерживаемые модели9550
12 - Износостойкая накладка H143456 Поддерживаемые модели9550 Примечание:RICE
13 - Винт 19M7784 Количество:6 Поддерживаемые модели9550 Примечание:M10 X 20
14 - Фланцевая гайка 14M7296 Количество:6 Поддерживаемые модели9550 Примечание:M10
15 - Пружина сжатия 124424 Количество:2 Поддерживаемые модели9550
16 - Болт H134140 Количество:2 Поддерживаемые модели9550
17 - Крепление со штифтом H130826 Количество:2 Поддерживаемые модели9550
18 - Фланцевая гайка 14M7296 Количество:4 Поддерживаемые модели9550 Примечание:M10
19 - Отражательная пластина H159534 Поддерживаемые модели9550
20 - Износостойкая накладка H143407 Количество:2 Поддерживаемые модели9550
Примечание:DOMESTIC AND EXPORT - FRANCE
21 - Шайба 24M7047 Поддерживаемые модели9550 Примечание:13 X 24 X 2.500 mm
22 - Винт 19M7784 Количество:7 Поддерживаемые модели9550 Примечание:M10 X 20
23 - Щиток H123633 Поддерживаемые модели9550
24 - Болт 03M7184 Количество:4 Поддерживаемые модели9550 Примечание:M8 X 20
25 - Подборщик H158951 Количество:2 Поддерживаемые модели9550
26 - Метка H149063 Количество:2 Поддерживаемые модели9550
27 - Дверца H152062 Поддерживаемые модели9550
28 - Штифт ....... Поддерживаемые модели9550 Примечание:6.88", (MAKE FROM H76083)
29 - Шарнир H133989 Поддерживаемые модели9550
30 - Фланцевая гайка 14M7298 Поддерживаемые модели9550 Примечание:M8
31 - Болт 03M7183 Поддерживаемые модели9550 Примечание:M8 X 16
32 - Дверца AH126417 Поддерживаемые модели9550
33 - Стопорная гайка 14M7401 Поддерживаемые модели9550 Примечание:M12
34 - Колпачок H173451 Поддерживаемые модели9550
35 - Винт 21M7442 Количество:2 Поддерживаемые модели9550 Примечание:M10 X 20
Наверх
FEEDER HOUSE FRAME (SIDEHILL) - ST472318 ( ПИТАТЕЛЕ РАМЫ (ПРИ РАБОТЕ) - )
![Джон Дир 9550 FEEDER HOUSE FRAME (SIDEHILL) FEEDER HOUSE FRAME (SIDEHILL)]()
1 - Болт 03M7183 Количество:4 Поддерживаемые модели9550SH Примечание:M8 X 16
2 - Фланцевая гайка 14M7298 Количество:4 Поддерживаемые модели9550SH Примечание:M8
3 - Шарнир H133989 Количество:2 Поддерживаемые модели9550SH
4 - Дверца H152062 Количество:2 Поддерживаемые модели9550SH
5 - Штифт H137322 Количество:2 Поддерживаемые модели9550SH
6 - Дверца AH126417 Поддерживаемые модели9550SH Примечание:Задний
7 - Стопорная гайка 14M7401 Количество:2 Поддерживаемые модели9550SH Примечание:M12
8 - Шайба 24M7180 Количество:2 Поддерживаемые модели9550SH Примечание:13 X 37 X 3 mm
9 - Рама AH135110 Поддерживаемые модели9550SH
10 - Коврик H136015 Поддерживаемые модели9550SH
11 - Коврик H136013 Количество:6 Поддерживаемые модели9550SH
12 - Пружина сжатия 124424 Количество:2 Поддерживаемые модели9550SH
13 - Болт H136808 Количество:2 Поддерживаемые модели9550SH Примечание:No. 0.472" X 1.575"
14 - Быстрозамыкающийся штифт H145894 Поддерживаемые модели9550SH
15 - Отражательная пластина H140552 Поддерживаемые модели9550SH Примечание:LH CLOSURE
16 - Болт 03M7185 3 Поддерживаемые модели9550SH Примечание:M8 X 25
16 - Фланцевая гайка 14M7298 3 Поддерживаемые модели9550SH Примечание:M8
17 - Болт 03M7185 Количество:2 Поддерживаемые модели9550SH Примечание:M8 X 25
17 - Стопорная гайка 14M7396 Количество:2 Поддерживаемые модели9550SH Примечание:M8
18 - Щиток H140550 Поддерживаемые модели9550SH
19 - Отражательная пластина H140551 Поддерживаемые модели9550SH Примечание:RH CLOSURE
20 - Кронштейн H161403 Поддерживаемые модели9550SH
21 - Элемент жесткости H208809 Поддерживаемые модели9550SH
22 - Метка HXE123792 Количество:2 Поддерживаемые модели9550, 9550SH
Наверх
Feeder House Shell, Wear Plates and Seals, Contour-Master™ - ST472319 ( Питателе корпус, износостойкие пластины и уплотнения, контура-мастер? - )
![Джон Дир 9550 Feeder House Shell, Wear Plates and Seals, Contour-Master™ Feeder House Shell, Wear Plates and Seals, Contour-Master™]()
1 - Рама AH152360 Поддерживаемые модели9550 Примечание:AIR FLOW
1 - Рама AH160395 Поддерживаемые модели9550 Примечание:WITHOUT AIR FLOW (ILLUSTRATED)
2 - Износостойкая накладка H149461 Количество:2 Поддерживаемые модели9550
3 - Уплотнительное кольцо R495R Количество:2 Поддерживаемые модели9550 Примечание:(USE WITH H149461)
4 - Трубка H144825 Поддерживаемые модели9550
5 - Сальник H148998 Поддерживаемые модели9550
6 - Быстрозамыкающийся штифт M72598 Количество:2 Поддерживаемые модели9550
7 - Износостойкая накладка H149459 Поддерживаемые модели9550 Примечание:Левый
8 - Износостойкая накладка H149460 Поддерживаемые модели9550 Примечание:R
9 - Пластина H142861 Поддерживаемые модели9550
10 - Болт 03M7184 Количество:6 Поддерживаемые модели9550 Примечание:M8 X 20
11 - Фланцевая гайка 14M7298 Количество:7 Поддерживаемые модели9550 Примечание:M8
12 - Винт 19M7790 Количество:4 Поддерживаемые модели9550 Примечание:M12 X 35
12 - Фланцевая гайка 14M7299 Количество:4 Поддерживаемые модели9550 Примечание:M12
13 - Блокирующий зажим H159975 Количество:2 Поддерживаемые модели9550 Serial No.______-685936
13 - Опора H175547 Количество:2 Поддерживаемые модели9550 Serial No.685937-______
14 - Винт 19M7790 Количество:4 Поддерживаемые модели9550 Serial No.______-685936 Примечание:M12 X 35
14 - Винт 19M7844 Количество:4 Поддерживаемые модели9550 Serial No.685937-______ Примечание:M16 X 45
15 - Знак H151607 Количество:4 Поддерживаемые модели9550 Примечание:"CAUTION" HEADER TILT
16A - Рама AH162724 Поддерживаемые модели9550 Примечание:(SUB AH220095) (INCLUDES PARTS MARKED (A))
16B - Рама AH231550 Поддерживаемые модели9550 Примечание:(SUB FOR AH220095)
17 - Пружина сжатия 124424 Количество:2 Поддерживаемые модели9550
18 - Крепление со штифтом H130040 Количество:2 Поддерживаемые модели9550
19 - Болт H149523 Количество:2 Поддерживаемые модели9550
20 - Винт 19M7844 Количество:4 Поддерживаемые модели9550 Примечание:M16 X 45, (A) (USE LOCTITE)
21 - Винт 19M7792 Количество:4 Поддерживаемые модели9550 Примечание:M16 X 30, (A) (USE LOCTITE)
22 - Рама AH145281 Поддерживаемые модели9550 Serial No.______-685936
22 - Рама AH169869 Поддерживаемые модели9550 Serial No.685937-______
23 - Фланцевая гайка 14M7300 Поддерживаемые модели9550 Примечание:M20
24 - Втулка H142870 Поддерживаемые модели9550
25 - Винт с головкой 19M7921 Поддерживаемые модели9550 Примечание:M20 X 150
26 - Хомут H149518 Поддерживаемые модели9550
27 - Втулка H149517 Поддерживаемые модели9550
28 - Винт 19M7818 Поддерживаемые модели9550 Примечание:M12 X 80, (A)
29 - Шайба E81185 Поддерживаемые модели9550 Примечание:(A)
30 - Втулка 28H2618 Количество:3 Поддерживаемые модели9550 Примечание:0.546" X 0.840" X 2-1/8", (A)
31 - Шайба 24M7240 Поддерживаемые модели9550 Примечание:13 X 25 X 3 mm, (A)
32 - Кронштейн AH162585 Поддерживаемые модели9550
33 - Корпус для нар. устан. H142869 Поддерживаемые модели9550
34 - Стопорная гайка H135891 Количество:7 Поддерживаемые модели9550
35 - Винт 19M7784 Количество:7 Поддерживаемые модели9550 Примечание:M10 X 20
36 - Полоса H162410 Количество:2 Поддерживаемые модели9550
37 - Заклепка M64720 4 Поддерживаемые модели9550
38 - Щиток AH143362 Поддерживаемые модели9550
39 - Щиток AH143361 Поддерживаемые модели9550
40 - Кабель AH162586 Поддерживаемые модели9550 Примечание:WITHOUT AIR FLOW
40 - Кабель AH162587 Поддерживаемые модели9550 Примечание:WITH AIR FLOW
41 - Подборщик H158951 Количество:2 Поддерживаемые модели9550
42 - Болт 03M7184 Количество:4 Поддерживаемые модели9550 Примечание:M8 X 20
43 - Фланцевая гайка 14M7296 Количество:4 Поддерживаемые модели9550 Примечание:M10
44 - Колпачок H173451 Поддерживаемые модели9550
45 - Втулка 28H3395 Количество:2 Поддерживаемые модели9550 Примечание:0.546" X 0.840" X 1-1/4"
46 - Винт 19M7820 Количество:2 Поддерживаемые модели9550 Примечание:M12 X 100, (USE WITH AH162724)
46 - Винт 19M7815 Количество:2 Поддерживаемые модели9550 Примечание:M12 X 60, (USE WITH AH220095 OR AH231550)
47 - Фланцевая гайка 14M7299 Количество:2 Поддерживаемые модели9550 Примечание:M12, (USE WITH AH162724)
48 - Пластина HXE104720 Поддерживаемые модели9550
Наверх
FEEDER HOUSE OUTER CLOSURE FRAME (SIDEHILL) - ST472320 ( ПИТАТЕЛЕ НАРУЖНАЯ РАМКА ЗАКРЫТИЯ (ПРИ РАБОТЕ) - )
![Джон Дир 9550 FEEDER HOUSE OUTER CLOSURE FRAME (SIDEHILL) FEEDER HOUSE OUTER CLOSURE FRAME (SIDEHILL)]()
1 - Винт 19M7790 Количество:4 Поддерживаемые модели9550SH Serial No.______-685725 Примечание:M12 X 35
1 - Винт 19M7844 Количество:4 Поддерживаемые модели9550SH Serial No.685726-______ Примечание:M16 X 45
2 - Блокирующий зажим H159975 Количество:2 Поддерживаемые модели9550SH Serial No.______-685725
2 - Опора H175547 Количество:2 Поддерживаемые модели9550SH Serial No.685726-______
3 - Рама AH138278 Поддерживаемые модели9550SH Serial No.______-685725 Примечание:(INCLUDES H84869)
3 - Рама AH169510 Поддерживаемые модели9550SH Serial No.685726-______ Примечание:(INCLUDES H84869)
4 - Винт 19M7793 Количество:4 Поддерживаемые модели9550SH Примечание:M16 X 40
5 - Каток AH119669 Количество:2 Поддерживаемые модели9550SH
6 - Гайка 14H863 Количество:2 Поддерживаемые модели9550SH Примечание:3/4"
7 - Стопорная шайба 12H236 Количество:2 Поддерживаемые модели9550SH Примечание:3/4"
8 - Опора H145888 Количество:2 Поддерживаемые модели9550SH
9 - Фитинг JD7826 Количество:2 Поддерживаемые модели9550SH
10 - Шайба 24H1255 Поддерживаемые модели9550SH Примечание:11/16" X 1-1/4" X 0.060", USE TO ADJUST SPACE BETWEEN ROLLER BEARING AND FRAME
11 - Смазочная арматура JD7806 Количество:2 Поддерживаемые модели9550SH
12 - Смазочная арматура JD7759 Поддерживаемые модели9550SH
13 - Стопорная гайка T27821 Поддерживаемые модели9550SH Примечание:1-1/4"
14 - Гайка 14H975 Поддерживаемые модели9550SH Примечание:1-1/4"
15 - Шайба H65322 Поддерживаемые модели9550SH Примечание:1-9/32" X 3-1/4" X 0.315"
16 - Втулка R66651 Количество:2 Поддерживаемые модели9550SH
Наверх
FEEDER HOUSE UPPER SHAFT AND SLIP CLUTCH - ST472321 ( ПИТАТЕЛЕ ВЕРХНЕГО ВАЛА И ФРИКЦИОННОЙ МУФТЫ - )
![Джон Дир 9550 FEEDER HOUSE UPPER SHAFT AND SLIP CLUTCH FEEDER HOUSE UPPER SHAFT AND SLIP CLUTCH]()
1 - Фланцевая гайка 14M7299 Количество:4 Поддерживаемые модели9550, 9550SH Примечание:M12
2 - Корпус H119710 Поддерживаемые модели9550, 9550SH
3 - Стопорная гайка A31871 Поддерживаемые модели9550, 9550SH
4 - Гайка 14M7278 Поддерживаемые модели9550, 9550SH Примечание:M24
5 - Шайба R90521 Поддерживаемые модели9550
6 - Распорная втулка H129659 Поддерживаемые модели9550, 9550SH
7 - Пружина сжатия H109855 Поддерживаемые модели9550
8 - Кулачок H101677 Поддерживаемые модели9550, 9550SH
9 - Ступица H105590 Поддерживаемые модели9550
10 - Шайба H99303 Поддерживаемые модели9550
11 - Цепная звездочка AH116232 Поддерживаемые модели9550
11 - Ведущая звездочка AH135614 Поддерживаемые модели9550SH
12 - Болт 03M7200 Количество:4 Поддерживаемые модели9550, 9550SH Примечание:M12 X 40
13 - Шайба 24H1341 Количество:4 Поддерживаемые модели9550, 9550SH Примечание:17/32" X 15/16" X 0.060"
14 - Распорная втулка H143354 Поддерживаемые модели9550, 9550SH
15 - Корпус H147593 Количество:2 Поддерживаемые модели9550, 9550SH
16 - Установочный винт H156580 Количество:8 Поддерживаемые модели9550, 9550SH Примечание:No. 0.472" X 0.630"
17 - Шариковый подшипник JD10020 Поддерживаемые модели9550, 9550SH
18 - Цепная звездочка H159613 Количество:2 Поддерживаемые модели9550, 9550SH
19 - Кронштейн H147482 Количество:2 Поддерживаемые модели9550, 9550SH
20 - Шариковый подшипник JD9373 Поддерживаемые модели9550, 9550SH
21 - Винт 19M7789 Количество:6 Поддерживаемые модели9550 Примечание:M12 X 30
22 - Шпонка вала 26H103 Поддерживаемые модели9550 Примечание:1/4" X 2-1/8"
23 - Ось H156576 Поддерживаемые модели9550, 9550SH
24 - Ось поворота AH167126 Поддерживаемые модели9550 Примечание:(SUB FOR AH141399)
25 - Шпонка вала H156579 Поддерживаемые модели9550
26 - Болт 03M7191 Количество:4 Поддерживаемые модели9550 Примечание:M10 X 25
26 - Фланцевая гайка 14M7296 Количество:4 Поддерживаемые модели9550 Примечание:M10
27 - Цепная звездочка H159614 Поддерживаемые модели9550, 9550SH
28 - Шпонка вала H156578 Количество:2 Поддерживаемые модели9550, 9550SH
29 - Втулка H105584 Поддерживаемые модели9550
30 - Кронштейн H172667 Поддерживаемые модели9550, 9550SH
31 - Винт с головкой 19M8002 2 Поддерживаемые модели9550, 9550SH Примечание:M20 X 55
32 - Шайба 24M7242 2 Поддерживаемые модели9550, 9550SH Примечание:21.400 X 42 X 5 mm
33 - Фланцевая гайка 14M7300 2 Поддерживаемые модели9550, 9550SH Примечание:M20
34 - Винт с головкой 19M7361 Количество:2 Поддерживаемые модели9550, 9550SH Примечание:M12 X 50
Наверх
FRONT SHAFT SLIP CLUTCH (SIDEHILL) (R.H. SIDE) - ST472322 ( Передний вал фрикционной муфты (при работе) (правая сторона) - )
![Джон Дир 9550 FRONT SHAFT SLIP CLUTCH (SIDEHILL) (R.H. SIDE) FRONT SHAFT SLIP CLUTCH (SIDEHILL) (R.H. SIDE)]()
1 - Фланцевая гайка 14M7299 Количество:4 Поддерживаемые модели9550SH Примечание:M12
2 - Водило сателлитов H119710 Поддерживаемые модели9550SH
3 - Шайба 24H1341 Количество:8 Поддерживаемые модели9550SH Примечание:17/32" X 15/16" X 0.060"
4 - Пружина сжатия H102497 Поддерживаемые модели9550SH
5 - Кулачок H101677 Поддерживаемые модели9550SH
6 - Пружинное кольцо 40M7046 Поддерживаемые модели9550SH
7 - Гол. мол. бар. со ступ. H144313 Поддерживаемые модели9550SH
8 - Шайба N102042 Поддерживаемые модели9550SH Примечание:2.030" X 3.560" X 0.134"
9 - Втулка R66651 Поддерживаемые модели9550SH
10 - Ведущая звездочка AH153261 Поддерживаемые модели9550SH Примечание:19-TEETH
11 - Тональное колесо H135772 Поддерживаемые модели9550SH Примечание:18-TEETH
12 - Установочный винт ....... Поддерживаемые модели9550SH
13 - Эксцентр. контров. кольцо JD9201 Поддерживаемые модели9550SH
14 - Корпус H93927 Поддерживаемые модели9550SH
15 - Шариковый подшипник JD9202 Поддерживаемые модели9550SH
16 - Болт 03M7193 Количество:3 Поддерживаемые модели9550SH Примечание:M10 X 35
17 - Фланцевая гайка 14M7296 Количество:3 Поддерживаемые модели9550SH Примечание:M10
18 - Болт 03M7200 Количество:4 Поддерживаемые модели9550SH Примечание:M12 X 40
Наверх
FEEDER HOUSE FLOOR AND LATCH HANDLE - ST472323 ( ПИТАТЕЛЕ ЭТАЖ И ЗАЩЕЛКИ РУЧКИ - )
![Джон Дир 9550 FEEDER HOUSE FLOOR AND LATCH HANDLE FEEDER HOUSE FLOOR AND LATCH HANDLE]()
1 - Пол AH159703 Поддерживаемые модели9550, 9550SH
2 - Болт 03M7190 Количество: 10 Поддерживаемые модели9550, 9550SH Примечание:M10 X 20
3 - Сальник H173904 Поддерживаемые модели9550, 9550SH Примечание:(SUB FOR H170737)
4 - Фланцевая гайка 14M7296 Количество: 10 Поддерживаемые модели9550, 9550SH Примечание:M10
5 - Винт с головкой 19M8002 Количество:6 Поддерживаемые модели9550, 9550SH Примечание:M20 X 55
6 - Фланцевая гайка 14M7300 Количество:6 Поддерживаемые модели9550, 9550SH Примечание:M20
7 - Винт 19M7789 8 Поддерживаемые модели9550, 9550SH Примечание:M12 X 30
8 - Фланцевая гайка 14M7299 8 Поддерживаемые модели9550, 9550SH Примечание:M12
9 - Опора AH161016 Поддерживаемые модели9550, 9550SH
10 - Рукоять AH141782 Поддерживаемые модели9550, 9550SH Примечание:Левый
11 - Рукоять AH141781 Поддерживаемые модели9550, 9550SH Примечание:R
12 - Эксцентрик H97322 Поддерживаемые модели9550, 9550SH
13 - Фланцевая гайка 14M7299 Количество:4 Поддерживаемые модели9550, 9550SH Примечание:M12
14 - Винт 19M7790 Количество:4 Поддерживаемые модели9550, 9550SH Примечание:M12 X 35
15 - Шайба 24M7242 Количество:6 Поддерживаемые модели9550, 9550SH Примечание:21.400 X 42 X 5 mm
16 - Винт 19M8318 Количество:2 Поддерживаемые модели9550, 9550SH Примечание:M8 X 45
17 - Шайба 24M7207 Количество:4 Поддерживаемые модели9550, 9550SH Примечание:8.400 X 24 X 2 mm
18 - Винт 19M7784 Поддерживаемые модели9550, 9550SH Примечание:M10 X 20
19 - Зажимная скоба AH77279 Поддерживаемые модели9550, 9550SH
20 - Фланцевая гайка 14M7296 Количество:2 Поддерживаемые модели9550, 9550SH Примечание:M10
21 - Шплинт 11M7028 Количество:2 Поддерживаемые модели9550, 9550SH Примечание:5 X 32 mm
22 - Шайба 24M7053 Количество:2 Поддерживаемые модели9550, 9550SH Примечание:17 X 30 X 3 mm
23 - Винт 19M8291 Поддерживаемые модели9550, 9550SH Примечание:M8 X 35
24 - Гильза H133060 Поддерживаемые модели9550, 9550SH
25 - Втулка H132988 Поддерживаемые модели9550, 9550SH
26 - Стопорная гайка 14M7396 Количество:3 Поддерживаемые модели9550, 9550SH Примечание:M8
27A - Регулировочный хомут H136144 Количество:2 Поддерживаемые модели9550, 9550SH Примечание:(SUB H202257)
27B - Хомут H202257 Количество:2 Поддерживаемые модели9550, 9550SH
28 - Рукоятка H132986 Поддерживаемые модели9550, 9550SH
29 - Поддон AH131303 Поддерживаемые модели9550SH
30 - Быстрозамыкающийся штифт AA21292 Поддерживаемые модели9550, 9550SH
Наверх
FEEDER CONVEYOR IDLER SHAFT, DRUM AND CHAIN - ST472324 ( ПИТАТЕЛЬ ТРАНСПОРТЕРА НАТЯЖНОЙ ВАЛ, БАРАБАН И ЦЕПЬ - )
![Джон Дир 9550 FEEDER CONVEYOR IDLER SHAFT, DRUM AND CHAIN FEEDER CONVEYOR IDLER SHAFT, DRUM AND CHAIN]()
1 - Транспортер AH137604 Поддерживаемые модели9550SH Примечание:(28 SLAT)
1 - Транспортер AH207777 Поддерживаемые модели9550 Примечание:(SUB FOR AH138187)
2 - Заклепка 16H1083 Поддерживаемые модели9550, 9550SH Примечание:5/16" X 5/8"
2A - Винт с головкой 19M7139 Поддерживаемые модели9550, 9550SH Примечание:M8 X 20
2A - Стопорная гайка 14M7166 Поддерживаемые модели9550, 9550SH Примечание:M8
3 - Настил H206436 Поддерживаемые модели9550, 9550SH Примечание:(SUB FOR H134002)
4 - Крючок H84026 Поддерживаемые модели9550, 9550SH
5 - Звено цепи AH137630 Поддерживаемые модели9550, 9550SH Примечание:Муфта
6 - Стопорная гайка 14M7589 Количество:2 Поддерживаемые модели9550, 9550SH Примечание:M16, (SUB FOR W39621)
7 - Винт с головкой 19M7399 Количество:2 Поддерживаемые модели9550, 9550SH Примечание:M16 X 85
8 - Барабан AH142394 Поддерживаемые модели9550, 9550SH
9 - Ось H123734 Поддерживаемые модели9550, 9550SH
10 - Шариковый подшипник JD8552 Количество:2 Поддерживаемые модели9550, 9550SH
11 - Рукоять AH126091 Количество:2 Поддерживаемые модели9550, 9550SH
12 - Фланцевая гайка 14M7291 Количество:2 Поддерживаемые модели9550 Примечание:M16
12 - Гайка 14H760 Количество:2 Поддерживаемые модели9550SH Примечание:5/8"
13 - Втулка H131087 Количество:2 Поддерживаемые модели9550, 9550SH
14 - Шайба 24H1368 Количество:2 Поддерживаемые модели9550, 9550SH Примечание:21/32" X 1-5/16" X 0.090"
15 - Рым-болт H131088 Количество:2 Поддерживаемые модели9550
15 - Рым-болт N5044DN Количество:2 Поддерживаемые модели9550SH
16 - Корпус H138753 Количество:2 Поддерживаемые модели9550, 9550SH
17 - Эксцентрик H97322 Количество:2 Поддерживаемые модели9550, 9550SH
18 - Пластина H84942 Количество:2 Поддерживаемые модели9550, 9550SH
19 - Болт H139098 Количество:2 Поддерживаемые модели9550, 9550SH
20 - Фланцевая гайка 14M7299 Количество:6 Поддерживаемые модели9550, 9550SH Примечание:M12
21 - Регулировочный хомут H144201 Количество:2 Поддерживаемые модели9550, 9550SH
22 - Болт H154331 Количество:2 Поддерживаемые модели9550, 9550SH
23 - Крепление со штифтом 45M7040 Количество:2 Поддерживаемые модели9550, 9550SH Примечание:10 X 60 mm
24 - Шплинт 11M7059 Количество:2 Поддерживаемые модели9550, 9550SH Примечание:3.200 X 20 mm
25 - Винт 19M7790 Количество:6 Поддерживаемые модели9550, 9550SH Примечание:M12 X 35
26 - Эксцентр. контров. кольцо JD8551 Количество:2 Поддерживаемые модели9550, 9550SH
27 - Кулиса ....... Поддерживаемые модели9550, 9550SH Примечание:(ORDER AH137631)
28 - Штифт ....... Поддерживаемые модели9550, 9550SH Примечание:(ORDER AH137631)
29 - Штифт ....... Поддерживаемые модели9550, 9550SH Примечание:(ORDER AH137631)
30 - Звено цепи AH137631 Поддерживаемые модели9550, 9550SH Примечание:Смещение
31 - Кулиса AH158328 Поддерживаемые модели9550, 9550SH Примечание:Навесное оборудование
32 - Звено цепи AH158635 Поддерживаемые модели9550, 9550SH Примечание:Ролик
33 - Фланцевая гайка 14M7291 Количество:4 Поддерживаемые модели9550, 9550SH Примечание:M16
34 - Комплект колец AH231058 Поддерживаемые модели9550, 9550SH Примечание:WELDING REQUIRED
Наверх
R.H. SIDE FEEDER HOUSE DUST FAN - ST472325 ( Р. Х. стороны питателе пыли вентилятор - )
![Джон Дир 9550 R.H. SIDE FEEDER HOUSE DUST FAN R.H. SIDE FEEDER HOUSE DUST FAN]()
1 - Крышка H171318 Поддерживаемые модели9550
2 - Крышка AH155936 Поддерживаемые модели9550 Примечание:R
3 - Метка H149063 Поддерживаемые модели9550
4 - Знак H204855 Поддерживаемые модели9550 Примечание:(SUB FOR H164537)
5 - Ось AH166651 Поддерживаемые модели9550 Примечание:(SUB FOR H171636)
6 - Винт 19M7789 Поддерживаемые модели9550 Примечание:M12 X 30
7 - Винт 19M7806 Поддерживаемые модели9550 Примечание:M10 X 50
8 - Фланцевая гайка 14M7296 Количество:7 Поддерживаемые модели9550 Примечание:M10
9 - Шпонка вала 26M6787 Количество:3 Поддерживаемые модели9550 Примечание:10 X 32 mm
10 - Болт 03M7193 Количество:2 Поддерживаемые модели9550 Примечание:M10 X 35
11 - Болт 03M7198 Количество:6 Поддерживаемые модели9550 Примечание:M12 X 30
12 - Фланцевая гайка 14M7299 Количество:7 Поддерживаемые модели9550 Примечание:M12
13 - Пластина AH155659 Поддерживаемые модели9550 Примечание:R
14 - Палец H172177 Поддерживаемые модели9550
15 - Болт 03M7191 Количество:4 Поддерживаемые модели9550 Примечание:M10 X 25
16 - Шайба 24M7178 Количество:4 Поддерживаемые модели9550 Примечание:10.500 X 30 X 2.500 mm
17 - Уголок H164009 Поддерживаемые модели9550
18 - Стопорная гайка 14M7400 Количество:4 Поддерживаемые модели9550 Примечание:M10
19 - Ограничительная шторка H164018 Поддерживаемые модели9550
20 - Подшипник с корпусом AH157168 Поддерживаемые модели9550
21 - Вентилятор AH157415 Поддерживаемые модели9550
22 - Стопорная гайка H135891 Поддерживаемые модели9550
23 - Эксцентр. контров. кольцо AH133191 Поддерживаемые модели9550
24 - Зажимная скоба AH77869 Поддерживаемые модели9550
25 - Винт 19M7835 Поддерживаемые модели9550 Примечание:M10 X 35
Наверх
FEEDER CONVEYOR DRIVE CHAIN, TIGHTENER AND GUIDES (SIDEHILL) - ST472326 ( ПИТАТЕЛЬ ЦЕПНОЙ ПРИВОД ТРАНСПОРТЕРА, РЕМНЕЙ И НАПРАВЛЯЮЩИХ (ПРИ РАБОТЕ) - )
![Джон Дир 9550 FEEDER CONVEYOR DRIVE CHAIN, TIGHTENER AND GUIDES (SIDEHILL) FEEDER CONVEYOR DRIVE CHAIN, TIGHTENER AND GUIDES (SIDEHILL)]()
1 - Распорная втулка H130529 Количество:2 Поддерживаемые модели9550SH Примечание:31/64" X 0.591" X 0.630"
2 - Звездочка натяжн. устр. AFH205780 Поддерживаемые модели9550SH Примечание:Z = 15, SUB FOR AE27909
3 - Болт 03M7226 Поддерживаемые модели9550SH Примечание:M12 X 70
4 - Кронштейн H141500 Поддерживаемые модели9550SH
5 - Болт 03M7198 Поддерживаемые модели9550SH Примечание:M12 X 30
5 - Фланцевая гайка 14M7299 Поддерживаемые модели9550SH Примечание:M12
6 - Винт 19M7789 Поддерживаемые модели9550SH Примечание:M12 X 30
6 - Фланцевая гайка 14M7299 Поддерживаемые модели9550SH Примечание:M12
7 - Втулка 28H1497 Поддерживаемые модели9550SH Примечание:0.493" X 0.675" X 1-1/2"
8 - Винт 19M7944 Поддерживаемые модели9550SH Примечание:M10 X 120
9 - Винт 19M7809 Количество:2 Поддерживаемые модели9550SH Примечание:M10 X 70
10 - Зажимная скоба AH89557 Поддерживаемые модели9550SH
11 - Стопорная гайка 14M7400 Количество:4 Поддерживаемые модели9550SH Примечание:M10
12 - Кронштейн H145145 Количество:2 Поддерживаемые модели9550SH
13 - Опора H172470 Количество:2 Поддерживаемые модели9550SH Примечание:935MM
14 - Шайба H128084 Количество:4 Поддерживаемые модели9550SH Примечание:0.433" X 3" X 0.197"
15 - Цепь катка AH135693 Поддерживаемые модели9550SH Примечание:ROLLER, TYPE 60, 19 MM (3/4") 229 LINKS (ASSEMBLE FROM (4) AB1288H AND AB1289H.
16 - Шайба 24H1226 Поддерживаемые модели9550SH Примечание:1/2" X 1-1/4" X 0.083"
17 - Фланцевая гайка 14M7299 Поддерживаемые модели9550SH Примечание:M12
18 - Втулка H143489 Поддерживаемые модели9550SH
19 - Винт 19M7785 Количество:2 Поддерживаемые модели9550SH Примечание:M10 X 25
20 - Винт 19M7810 Поддерживаемые модели9550SH Примечание:M10 X 80
21 - Направляющая H172473 Количество:2 Поддерживаемые модели9550SH Примечание:935MM
Наверх
FEEDER CONVEYOR DRIVE CHAIN AND IDLER BRACKET - ST472327 ( ПИТАТЕЛЬ ЦЕПНОЙ ТРАНСПОРТЕР ПРИВОДНОЙ И НАТЯЖНОЙ КРОНШТЕЙН )
![Джон Дир 9550 FEEDER CONVEYOR DRIVE CHAIN AND IDLER BRACKET FEEDER CONVEYOR DRIVE CHAIN AND IDLER BRACKET]()
1 - Стопорная гайка 14M7400 Количество:4 Поддерживаемые модели9550 Примечание:M10
2 - Опора H234586 Поддерживаемые модели9550 Примечание:656MM, (SUB FOR H172471)
3 - Пластина H162320 Поддерживаемые модели9550
4 - Кронштейн AH206134 Поддерживаемые модели9550 Примечание:(SUB FOR AH160796)
5 - Болт 03M7233 Количество:4 Поддерживаемые модели9550 Примечание:M10 X 70
6 - Цепь катка AH205015 Поддерживаемые модели9550 Примечание:(SUB FOR AH118228) ROLLER, TYPE 60, 19 MM (3/4") 223 LINKS
7 - Кронштейн AH155666 Поддерживаемые модели9550
8 - Фланцевая гайка 14M7299 Количество:4 Поддерживаемые модели9550 Примечание:M12
9 - Болт 03M7211 Поддерживаемые модели9550 Примечание:M16 X 70
10 - Втулка H84374 Количество:2 Поддерживаемые модели9550 Примечание:21/32" X 1-3/8" X 1/2"
11 - Звездочка натяжн. устр. AFH205780 Количество:2 Поддерживаемые модели9550 Примечание:SUB FOR AE27909
12 - Винт 19M7826 Поддерживаемые модели9550 Примечание:M16 X 70
13 - Болт 03M7197 Количество:4 Поддерживаемые модели9550 Примечание:M12 X 25
14 - Шайба 24M7103 Количество:2 Поддерживаемые модели9550 Примечание:17.500 X 56 X 5 mm
15 - Фланцевая гайка 14M7291 Количество:2 Поддерживаемые модели9550 Примечание:M16
16 - Направляющая H234587 Поддерживаемые модели9550 Примечание:656MM, (SUB FOR H172474)
17 - Ведущая звездочка AXE10874 Поддерживаемые модели9550 Примечание:(SUB FOR AH149349)
18 - Шайба H129716 Количество:2 Поддерживаемые модели9550
19 - Направляющая H172473 Поддерживаемые модели9550 Примечание:935MM
20 - Опора H172470 Поддерживаемые модели9550 Примечание:935MM
21 - Болт 03M7192 Количество:3 Поддерживаемые модели9550 Примечание:M10 X 30
22 - Фланцевая гайка 14M7296 Количество:3 Поддерживаемые модели9550 Примечание:M10
23 - Шариковый подшипник JD9202 Поддерживаемые модели9550
24 - Корпус H93927 Поддерживаемые модели9550
25 - Эксцентр. контров. кольцо JD9201 Поддерживаемые модели9550
Наверх
DRIVE CHAIN IDLERS AND SHIELD BRACKETS (SIDEHILL) - ST472328 ( ПРИВОДНАЯ ЦЕПЬ БЕЗДЕЛЬНИКОВ И ЩИТ СКОБКАХ (ПРИ РАБОТЕ) - )
![Джон Дир 9550 DRIVE CHAIN IDLERS AND SHIELD BRACKETS (SIDEHILL) DRIVE CHAIN IDLERS AND SHIELD BRACKETS (SIDEHILL)]()
1 - Болт 03M7192 Поддерживаемые модели9550SH Примечание:M10 X 30
1 - Фланцевая гайка 14M7296 Поддерживаемые модели9550SH Примечание:M10
2 - Кронштейн AH139174 Поддерживаемые модели9550SH Примечание:Кожух
3 - Ось AH139868 Поддерживаемые модели9550SH
4 - Винт 19M7789 Количество:2 Поддерживаемые модели9550SH Примечание:M12 X 30
5 - Цепь катка AH135694 Поддерживаемые модели9550SH Примечание:(ORDER AH135611) 54 LINKS
6 - Конич. роликов. подшипник AH109788 Поддерживаемые модели9550SH
7 - Пружинное кольцо 40M7090 Поддерживаемые модели9550SH
8 - Шайба 24H1236 Количество:2 Поддерживаемые модели9550SH Примечание:13/16" X 2" X 0.149"
9 - Стопорная гайка A31870 Поддерживаемые модели9550SH Примечание:No. 0.787"
10 - Ведущая звездочка AH135611 Поддерживаемые модели9550SH Примечание:19 TEETH/29 TEETH, INCLUDES KEY 5
11 - Винт 19M7824 Поддерживаемые модели9550SH Примечание:M16 X 60
12 - Шайба 24H1364 Количество:4 Поддерживаемые модели9550SH Примечание:21/32" X 15/16" X 0.036"
13 - Звездочка натяжн. устр. AFH205780 Поддерживаемые модели9550SH Примечание:Z=15, SUB FOR AE27909
14 - Шайба N72306 Количество:2 Поддерживаемые модели9550SH
15 - Фланцевая гайка 14M7291 Поддерживаемые модели9550SH Примечание:M16
16 - Опора H145349 Поддерживаемые модели9550SH
17 - Стопор AH139175 Поддерживаемые модели9550SH
18 - Болт 03M7190 Количество:2 Поддерживаемые модели9550SH Примечание:M10 X 20
18 - Фланцевая гайка 14M7296 Количество:2 Поддерживаемые модели9550SH Примечание:M10
19 - Болт 03M7184 Количество:3 Поддерживаемые модели9550SH Примечание:M8 X 20
19 - Фланцевая гайка 14M7298 Количество:3 Поддерживаемые модели9550SH Примечание:M8
20 - Цепь катка AH135693 Поддерживаемые модели9550SH Примечание:229 LINKS
Наверх
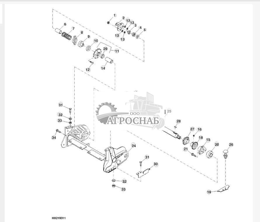
FEEDER HOUSE LOWER SHAFT, PADDLES AND SPROCKET (SIDEHILL) - ST472329 ( ПИТАТЕЛЕ НИЖНИЙ ВАЛ, ЛОПАСТИ И КОЛЕСА (ПРИ РАБОТЕ) - )
![Джон Дир 9550 FEEDER HOUSE LOWER SHAFT, PADDLES AND SPROCKET (SIDEHILL) FEEDER HOUSE LOWER SHAFT, PADDLES AND SPROCKET (SIDEHILL)]()
1 - Формован. фланцевый корпус E76584 Количество:2 Поддерживаемые модели9550SH
2 - Шариковый подшипник JD9407 Поддерживаемые модели9550SH
3 - Кронштейн H145061 Поддерживаемые модели9550SH Примечание:R
3 - Кронштейн H145062 Поддерживаемые модели9550SH Примечание:Левый
4 - Рым-болт H116065 Количество:2 Поддерживаемые модели9550SH
4 - Фланцевая гайка 14M7299 Количество:2 Поддерживаемые модели9550SH Примечание:M12
5 - Шайба 24M7047 Количество:2 Поддерживаемые модели9550SH Примечание:13 X 24 X 2.500 mm
6 - Болт 03M7200 Количество:2 Поддерживаемые модели9550SH Примечание:M12 X 40
6 - Фланцевая гайка 14M7299 Количество:2 Поддерживаемые модели9550SH Примечание:M12
7 - Щиток AXE10599 Количество:2 Поддерживаемые модели9550SH Примечание:(SUB FOR H88069)
8 - Болт 03M7193 Количество:6 Поддерживаемые модели9550SH Примечание:M10 X 35
9 - Отражательная пластина AH89427 Количество:2 Поддерживаемые модели9550SH
10 - Шариковый подшипник JD10007 Поддерживаемые модели9550SH
11 - Звено цепи ....... Поддерживаемые модели9550SH Примечание:ROLLER, TYPE 60, 19 MM (3/4") PITCH, 54 LINKS, (ASSEMBLE FROM (2) AP6093H, (2) P30350, (2) P20351 AND P20352
12 - Ведущая звездочка AH135613 Поддерживаемые модели9550SH Примечание:29 TEETH
13 - Шайба 24M7242 Поддерживаемые модели9550SH Примечание:21.400 X 42 X 5 mm
14 - Стопорная гайка A31870 Поддерживаемые модели9550SH Примечание:No. 0.787"
15 - Болт 03M7183 Количество:8 Поддерживаемые модели9550SH Примечание:M8 X 16
15 - Фланцевая гайка 14M7298 Количество:8 Поддерживаемые модели9550SH Примечание:M8
16 - Ось H141236 Поддерживаемые модели9550SH
17 - Шпонка вала 26H31 Поддерживаемые модели9550SH Примечание:5/16" X 1-1/4"
18 - Лопатка H146237 Количество:2 Поддерживаемые модели9550SH Примечание:THICK RUBBER SIDE TO FACE INCOMING CROP
19 - Болт 03M7194 8 Поддерживаемые модели9550SH Примечание:M10 X 40
19 - Стопорная гайка 14M7400 8 Поддерживаемые модели9550SH Примечание:M10
20 - Болт 03M7194 8 Поддерживаемые модели9550SH Примечание:M10 X 40
20 - Стопорная гайка 14M7400 8 Поддерживаемые модели9550SH Примечание:M10
21 - Шайба 24H1311 8 Поддерживаемые модели9550SH Примечание:13/32" X 1-1/4" X 0.220"
22 - Лопатка AH140105 Количество:2 Поддерживаемые модели9550SH
22 - Гайка 14H263 Количество:9 Поддерживаемые модели9550SH Примечание:5/8"
23 - Болт 03M7194 Количество:4 Поддерживаемые модели9550SH Примечание:M10 X 40
23 - Стопорная гайка 14M7400 Количество:4 Поддерживаемые модели9550SH Примечание:M10
24 - Фланцевая гайка 14M7296 2 Поддерживаемые модели9550SH Примечание:M10, (3 TO GO BETWEEN EACH DEFLECTOR AND HOLDER)
25 - Смазочная арматура JD7788 Количество:2 Поддерживаемые модели9550SH Примечание:45 градусов
26 - Формован. фланцевый корпус AE46699 Количество:2 Поддерживаемые модели9550SH
Наверх
FEEDER HOUSE VARIABLE DRIVE HYDRAULIC HOSE - ST472330 ( ПИТАТЕЛЬ ПЕРЕМЕННОЙ ДОМ ПРИВОД ГИДРАВЛИЧЕСКИЙ ШЛАНГ - )
![Джон Дир 9550 FEEDER HOUSE VARIABLE DRIVE HYDRAULIC HOSE FEEDER HOUSE VARIABLE DRIVE HYDRAULIC HOSE]()
1 - Уплотнительное кольцо R26375 Поддерживаемые модели9550
2 - Гн. быстрос. гидр. муфты AH75167 Поддерживаемые модели9550 Примечание:(INCLUDES INTERNAL O-RING)
3 - Скоба T27523 Количество:2 Поддерживаемые модели9550
4 - Гайка T81029 Поддерживаемые модели9550
5 - Заглушка H125403 Поддерживаемые модели9550
6 - Жиклер AH121643 Поддерживаемые модели9550
7 - Уплотнительное кольцо T77613 Поддерживаемые модели9550
8 - Гидрошланг AH165964 Поддерживаемые модели9550 Примечание:(AIRFLOW)
8 - Гидрошланг AH131332 Поддерживаемые модели9550 Примечание:(WITHOUT AIRFLOW)
9 - Уплотнительное кольцо R28782 Поддерживаемые модели9550
10 - Фланцевая гайка 14M7299 Количество:2 Поддерживаемые модели9550 Примечание:M12
11 - Винт 19M7790 Количество:2 Поддерживаемые модели9550 Примечание:M12 X 35
12 - Скоба T27523 Поддерживаемые модели9550 Примечание:(WITH AIRFLOW)
13 - Болт 03M7192 Поддерживаемые модели9550 Примечание:M10 X 30, (WITH AIRFLOW)
13 - Фланцевая гайка 14M7296 Поддерживаемые модели9550 Примечание:M10
Наверх
FEEDER HOUSE DRUM STOP KIT - ST472331 ( ПИТАТЕЛЕ БАРАБАНА ОСТАНОВИТЬ КОМПЛЕКТ - )
![Джон Дир 9550 FEEDER HOUSE DRUM STOP KIT FEEDER HOUSE DRUM STOP KIT]()
1 - Винт 19M7790 Количество:4 Поддерживаемые модели9550 Примечание:M12 X 35
2 - Стопор H217779 Количество:2 Поддерживаемые модели9550 Примечание:(SUB FOR H171858)
3 - Винт 19M7788 Количество:2 Поддерживаемые модели9550 Примечание:M12 X 25
4 - Пластина H210393 Количество:2 Поддерживаемые модели9550 Примечание:Изнутри
5 - Пластина H227930 Количество:2 Поддерживаемые модели9550 Примечание:(SUB FOR H210394) OUTSIDE
6 - Фланцевая гайка 14M7299 Количество:8 Поддерживаемые модели9550 Примечание:M12
7 - Эксцентрик H97322 Количество:2 Поддерживаемые модели9550
8 - Штифт H174817 Количество:2 Поддерживаемые модели9550
9 - Пружина сжатия R28783 Количество:2 Поддерживаемые модели9550
10 - Метка H210986 Количество:2 Поддерживаемые модели9550
11 - Захват W25634 Количество:2 Поддерживаемые модели9550
12 - Рукоятка H226362 Количество:2 Поддерживаемые модели9550 Примечание:(SUB FOR AH168658 AND AH217527)
13 - Кольцо H174818 Количество:2 Поддерживаемые модели9550
14 - Комплект барабана AH210753 Поддерживаемые модели9550 Примечание:FEEDER HOUSE DRUM STOP
Наверх
VARIABLE DRIVE UPPER COUNTERSHAFT, SHEAVES AND SUPPORTS - ST472332 ( ПЕРЕМЕННАЯ ВЕРХНЕГО ПРИВОДА ПРОМЕЖУТОЧНОГО ВАЛА, ШКИВОВ И ПОДДЕРЖИВАЕТ - )
![Джон Дир 9550 VARIABLE DRIVE UPPER COUNTERSHAFT, SHEAVES AND SUPPORTS VARIABLE DRIVE UPPER COUNTERSHAFT, SHEAVES AND SUPPORTS]()
1A - Хомут AH162787 Поддерживаемые модели9550, 9550SH Примечание:(SUB AH167579)
1B - Хомут AH167579 Поддерживаемые модели9550, 9550SH
2 - Уплотнительное кольцо R31378 Поддерживаемые модели9550, 9550SH
3 - Винт 19M7867 Количество:6 Поддерживаемые модели9550, 9550SH Примечание:M8 X 25
4 - Шариковый подшипник JD10018 Поддерживаемые модели9550 Serial No.______-695200
4 - Шариковый подшипник JD10018 Поддерживаемые модели9550SH Serial No.______-695700
4 - Шариковый подшипник AH165609 Поддерживаемые модели9550 Serial No.695201-______
4 - Шариковый подшипник AH165609 Поддерживаемые модели9550SH Serial No.695701-______
5 - Ступица H97378 Поддерживаемые модели9550SH Примечание:W/O AIR FLOW
5 - Ступица H171206 Поддерживаемые модели9550 Примечание:WITH AIR FLOW
6 - Шкив AH165220 Поддерживаемые модели9550 Serial No.______-700200 Примечание:(Стандартная производительность)
6 - Шкив AH201231 Поддерживаемые модели9550 Serial No.700201-______ Примечание:(Стандартная производительность)
6 - Шкив AH165220 Поддерживаемые модели9550SH Примечание:(Стандартная производительность)
6 - Шкив AH165221 Поддерживаемые модели9550 Примечание:(ПОВЫШЕННАЯ ПРОИЗВОДИТЕЛЬНОСТЬ)
7 - Клиновой ремень H151952 Поддерживаемые модели9550, 9550SH Примечание:(Стандартная производительность)
7 - Клиновой ремень H155998 Поддерживаемые модели9550 Примечание:(HI CAPACITY)
8 - Сальник AH136497 Поддерживаемые модели9550, 9550SH
9 - Полушкив H160869 Поддерживаемые модели9550 Serial No.______-695200 Примечание:(Стандартная производительность)
9 - Шкив H171454 Поддерживаемые модели9550 Serial No.695201-700200 Примечание:(Стандартная производительность)
9 - Полушкив H160869 Поддерживаемые модели9550SH Примечание:(Стандартная производительность)
9 - Шкив H158578 Поддерживаемые модели9550 Serial No.______-695200 Примечание:(ПОВЫШЕННАЯ ПРОИЗВОДИТЕЛЬНОСТЬ)
9 - Шкив H171453 Поддерживаемые модели9550 Serial No.695201-______ Примечание:(ПОВЫШЕННАЯ ПРОИЗВОДИТЕЛЬНОСТЬ)
10 - Смазочная арматура JD7759 Количество:2 Поддерживаемые модели9550, 9550SH
11 - Шайба 24H1740 Поддерживаемые модели9550, 9550SH Примечание:21/32" X 1-3/8" X 0.032"
12 - Шайба H101448 Поддерживаемые модели9550 Serial No.______-695200
12 - Шайба H101448 Поддерживаемые модели9550SH Serial No.______-695700
12 - Шайба H171448 Поддерживаемые модели9550 Serial No.695201-______
12 - Шайба H171448 Поддерживаемые модели9550SH Serial No.695701-______
13 - Кожух H203610 Поддерживаемые модели9550, 9550SH Примечание:(SUB FOR H93084 OR H201042)
14 - Обвязной хомут H77698 Поддерживаемые модели9550, 9550SH Посмотреть аналогичные детали
15 - Шайба H161388 Поддерживаемые модели9550, 9550SH
16 - Хомут H166971 Поддерживаемые модели9550, 9550SH
17 - Винт 19M7793 Поддерживаемые модели9550, 9550SH Примечание:M16 X 40
18 - Болт 03M7192 Количество:3 Поддерживаемые модели9550, 9550SH Примечание:M10 X 30
19 - Сальник H100247 Поддерживаемые модели9550, 9550SH Примечание:(SUB AH171185)
20 - Поршень H161544 Поддерживаемые модели9550, 9550SH Примечание:(USE WITH AH154960)
21 - Сальник H100246 Поддерживаемые модели9550, 9550SH Примечание:(SUB AH171185)
22 - Гильза гидравл. цилиндра H100245 Поддерживаемые модели9550, 9550SH Примечание:(USE WITH AH154960)
23A - Гидравлический цилиндр AH154960 Поддерживаемые модели9550, 9550SH Примечание:(SUB AH169302)
23B - Гидравлический цилиндр AH211577 Поддерживаемые модели9550 Serial No.______-695200 Примечание:(SUB FOR AH169302)
23B - Гидравлический цилиндр AH211577 Поддерживаемые модели9550SH Serial No.______-695700 Примечание:(SUB FOR AH169302)
23B - Гидравлический цилиндр AH165610 Поддерживаемые модели9550 Serial No.695201-______ Примечание:(SUB AH213758 AND 24H1452)
23B - Гидравлический цилиндр AH165610 Поддерживаемые модели9550SH Serial No.695701-______ Примечание:(SUB AH213758 AND 24H1452)
23C - Гидравлический цилиндр AH213758 Поддерживаемые модели9550, 9550SH Примечание:(ALSO ORDER 24H1452)
24 - Фланцевая гайка 14M7296 Количество:3 Поддерживаемые модели9550, 9550SH Примечание:M10
25 - Шариковый подшипник JD10018 Поддерживаемые модели9550, 9550SH
26 - Фланцевая гайка 14M7299 Количество:3 Поддерживаемые модели9550, 9550SH Примечание:M12
27 - Фитинг R51031 Поддерживаемые модели9550, 9550SH
28 - Винт 19M7789 Количество:3 Поддерживаемые модели9550, 9550SH Примечание:M12 X 30
29 - Шкив H171312 Поддерживаемые модели9550 Примечание:WITH AIR FLOW
30 - Комплект гидроцилиндров AH171185 Поддерживаемые модели9550, 9550SH
31 - Уплотнительное кольцо R28782 Поддерживаемые модели9550, 9550SH
32 - Сальник AH209762 Поддерживаемые модели9550, 9550SH
33 - Сальник AH209763 Поддерживаемые модели9550, 9550SH
34 - Шайба 24H1452 Поддерживаемые модели9550, 9550SH Примечание:1-1/32" X 1-3/4" X 0.105", (USE WITH AH213758)
Наверх
FEEDER HOUSE RETURN FLOOR - ST472333 ( ПИТАТЕЛЕ ВОЗВРАЩЕНИЕ ПОЛА )
![Джон Дир 9550 FEEDER HOUSE RETURN FLOOR FEEDER HOUSE RETURN FLOOR]()
1 - Пол AH155650 Поддерживаемые модели9550, 9550SH
2 - Болт 03M7190 Количество: 10 Поддерживаемые модели9550, 9550SH Примечание:M10 X 20
2 - Фланцевая гайка 14M7296 Количество: 10 Поддерживаемые модели9550, 9550SH Примечание:M10
3 - Направляющая AH139243 Количество:2 Поддерживаемые модели9550 Примечание:OUTSIDE RUNNER (WITHOUT AIRFLOW)
3 - Направляющая AH139286 Количество:2 Поддерживаемые модели9550SH Примечание:OUTSIDE RUNNER (WITHOUT AIRFLOW)
3 - Направляющая AH157942 Количество:2 Поддерживаемые модели9550, 9550SH Примечание:OUTSIDE RUNNER (WITH AIRFLOW)
4A - Полоса H148187 Количество:3 Поддерживаемые модели9550 Serial No.______-685741
4A - Полоса H148187 Количество:3 Поддерживаемые модели9550SH Serial No.______-685703
4B - Полоса H171960 Количество:3 Поддерживаемые модели9550 Serial No.685742-______
4B - Полоса H171960 Количество:3 Поддерживаемые модели9550SH Serial No.685704-______
5 - Опора AH141861 Поддерживаемые модели9550, 9550SH
6 - Направляющая AH157942 Поддерживаемые модели9550 Примечание:INSIDE RUNNER
6 - Направляющая AH139285 Поддерживаемые модели9550SH Примечание:INSIDE RUNNER
7 - Винт 19M7784 Количество:8 Поддерживаемые модели9550, 9550SH Примечание:M10 X 20
8 - Болт 03M7191 Количество:2 Поддерживаемые модели9550, 9550SH Примечание:M10 X 25
8 - Фланцевая гайка 14M7296 Количество:2 Поддерживаемые модели9550, 9550SH Примечание:M10
9 - Желоб H143358 Поддерживаемые модели9550, 9550SH
10 - Гайка H146457 Количество:2 Поддерживаемые модели9550, 9550SH
11 - Болт 03M7194 Количество:6 Поддерживаемые модели9550 Serial No.______-685741 Примечание:M10 X 40
11 - Болт 03M7194 Количество:6 Поддерживаемые модели9550SH Serial No.______-685703 Примечание:M10 X 40
11 - Болт 03M7190 Количество:6 Поддерживаемые модели9550 Serial No.685742-______ Примечание:M10 X 20
11 - Болт 03M7190 Количество:6 Поддерживаемые модели9550SH Serial No.685704-______ Примечание:M10 X 20
12 - Фланцевая гайка 14M7296 Количество:8 Поддерживаемые модели9550, 9550SH Примечание:M10
13 - Хомут H150458 Количество:3 Поддерживаемые модели9550 Serial No.______-685741
13 - Хомут H150458 Количество:3 Поддерживаемые модели9550SH Serial No.______-685703
14 - Стопорная гайка 14M7400 Количество:6 Поддерживаемые модели9550 Serial No.______-685741 Примечание:M10
14 - Стопорная гайка 14M7400 Количество:6 Поддерживаемые модели9550SH Serial No.______-685703 Примечание:M10
15 - Подборщик H145464 Количество:3 Поддерживаемые модели9550, 9550SH Примечание:Верхний вал
16 - Винт 19M7785 Количество:6 Поддерживаемые модели9550, 9550SH Примечание:M10 X 25
17 - Болт 03M7191 Количество:6 Поддерживаемые модели9550, 9550SH Примечание:M10 X 25
17 - Фланцевая гайка 14M7296 Количество:6 Поддерживаемые модели9550, 9550SH Примечание:M10
18 - Шайба 24M7028 Количество:6 Поддерживаемые модели9550 Serial No.______-685741 Примечание:10.500 X 20 X 2 mm
18 - Шайба 24M7028 Количество:6 Поддерживаемые модели9550SH Serial No.______-685703 Примечание:10.500 X 20 X 2 mm
19 - Совок H168278 Количество:2 Поддерживаемые модели9550
20 - Винт H165317 Количество:4 Поддерживаемые модели9550
21 - Болт 03M7198 Количество:2 Поддерживаемые модели9550 Примечание:M12 X 30
22 - Болт 03M7197 Количество:4 Поддерживаемые модели9550 Примечание:M12 X 25
23 - Шайба 24M7101 Количество:3 Поддерживаемые модели9550 Serial No.685742-______ Примечание:11 X 34 X 3 mm
23 - Шайба 24M7101 Количество:3 Поддерживаемые модели9550SH Serial No.685704-______ Примечание:11 X 34 X 3 mm
24 - Винт H172222 Количество:3 Поддерживаемые модели9550 Serial No.685742-______
24 - Винт H172222 Количество:3 Поддерживаемые модели9550SH Serial No.685704-______
Наверх
FEEDER HOUSE POSITION SENSOR - ST472334 ( ПИТАТЕЛЕ ДАТЧИКА ПОЛОЖЕНИЯ - )
![Джон Дир 9550 FEEDER HOUSE POSITION SENSOR FEEDER HOUSE POSITION SENSOR]()
1 - Кронштейн H156936 Поддерживаемые модели9550, 9550SH
2 - Уплотнение R41076 Поддерживаемые модели9550, 9550SH
3 - Ось R111692 Поддерживаемые модели9550, 9550SH
4 - Пружинное кольцо R26871 Поддерживаемые модели9550, 9550SH
5 - Сальник R112679 Поддерживаемые модели9550, 9550SH
6 - Рычаг H166313 Поддерживаемые модели9550, 9550SH
7 - Уплотнительное кольцо P48347 Количество:2 Поддерживаемые модели9550, 9550SH
8 - Опора R86457 Поддерживаемые модели9550, 9550SH
9 - Датчик AT333680 Поддерживаемые модели9550, 9550SH Примечание:(SUB FOR RE56165) (SUB FOR RE261354, THIS APPLICATION)
10 - Винт 21M7261 Количество:2 Поддерживаемые модели9550, 9550SH Примечание:M5 X 45
11 - Гайка 14M7297 Количество:2 Поддерживаемые модели9550, 9550SH Примечание:M5
12 - Узел попер. рулевой тяги AH166038 Поддерживаемые модели9550, 9550SH
13 - Шаровой палец H168732 Поддерживаемые модели9550, 9550SH
14 - Кронштейн H172460 Поддерживаемые модели9550, 9550SH
15 - Пружинный шплинт 34H96 Поддерживаемые модели9550, 9550SH Примечание:7/32" X 2"
Наверх
Lateral Tilt Position Sensor - ST723365 ( Боковой Наклон Датчика Положения - )
![Джон Дир 9550 Lateral Tilt Position Sensor Lateral Tilt Position Sensor]()
1 - Кронштейн H156936 Поддерживаемые модели9550
2 - Уплотнение R41076 Поддерживаемые модели9550
3 - Ось R111692 Поддерживаемые модели9550
4 - Пружинное кольцо R26871 Поддерживаемые модели9550
5 - Сальник R112679 Поддерживаемые модели9550
6 - Рычаг H166313 Поддерживаемые модели9550 Примечание:(SUB FOR R40915, THIS APPLICATION)
7 - Уплотнительное кольцо P48347 Количество:2 Поддерживаемые модели9550
8 - Опора R86457 Поддерживаемые модели9550
9 - Датчик AT333680 Поддерживаемые модели9550 Примечание:(SUB FOR RE56165 ) (SUB FOR RE261354, THIS APPLICATION)
10 - Винт 37M7084 Количество:2 Поддерживаемые модели9550 Примечание:M8 X 25
11 - Винт 21M7261 Количество:2 Поддерживаемые модели9550 Примечание:M5 X 45
12 - Гайка 14M7297 Количество:2 Поддерживаемые модели9550 Примечание:M5
13 - Кабель AH162587 Поддерживаемые модели9550
14 - Стопорная гайка 14M7397 Поддерживаемые модели9550 Примечание:M6
15 - Шайба 12M7060 Количество:2 Поддерживаемые модели9550 Примечание:5.300 mm
16 - Пружинный шплинт 34H305 Поддерживаемые модели9550 Примечание:7/32" X 2"
17 - Шаровой палец H168732 Количество:2 Поддерживаемые модели9550
Наверх
L.H. SIDE FEEDER HOUSE DUST FAN - ST472336 ( Л. Н. боковой питателе пыли вентилятор - )
![Джон Дир 9550 L.H. SIDE FEEDER HOUSE DUST FAN L.H. SIDE FEEDER HOUSE DUST FAN]()
1 - Ось AH166651 Поддерживаемые модели9550, 9550SH Примечание:(SUB FOR H171636)
2 - Болт 03M7192 Количество:3 Поддерживаемые модели9550, 9550SH Примечание:M10 X 30
3 - Фланцевая гайка 14M7299 Поддерживаемые модели9550, 9550SH Примечание:M12
4 - Винт 19M7806 Поддерживаемые модели9550, 9550SH Примечание:M10 X 50
5 - Кронштейн AH165762 Поддерживаемые модели9550, 9550SH
6 - Фланцевая гайка 14M7296 Количество:5 Поддерживаемые модели9550, 9550SH Примечание:M10
7 - Пластина AH155657 Поддерживаемые модели9550, 9550SH
8 - Вентилятор AH157415 Поддерживаемые модели9550, 9550SH
9 - Гайка 14M7275 Количество:2 Поддерживаемые модели9550, 9550SH Примечание:M12
10 - Шайба 24M7180 Поддерживаемые модели9550, 9550SH Примечание:13 X 37 X 3 mm
11 - Пружина H173508 Поддерживаемые модели9550, 9550SH
12 - Указатель H173899 Поддерживаемые модели9550, 9550SH Примечание:(SUB FOR H155062)
13 - Ось поворота H129207 Поддерживаемые модели9550, 9550SH
14 - Шплинт 11M7021 Поддерживаемые модели9550, 9550SH Примечание:4 X 25 mm
15 - Шайба 24M7047 Поддерживаемые модели9550, 9550SH Примечание:13 X 24 X 2.500 mm
16 - Рукоять AH165787 Поддерживаемые модели9550, 9550SH
17 - Натяжной шкив AH165788 Поддерживаемые модели9550, 9550SH
18 - Винт 19M7813 Количество:3 Поддерживаемые модели9550, 9550SH Примечание:M12 X 45
19 - Болт H171533 Поддерживаемые модели9550, 9550SH
20 - Пружинное кольцо P46402 Поддерживаемые модели9550, 9550SH
21 - Натяжной шкив AH14097 Поддерживаемые модели9550, 9550SH
22 - Натяжной шкив AH165788 Поддерживаемые модели9550, 9550SH
23 - Распорная втулка H156850 Поддерживаемые модели9550, 9550SH
24 - Натяжной шкив AH166439 Поддерживаемые модели9550, 9550SH
25 - Фланцевая гайка 14M7291 Поддерживаемые модели9550, 9550SH Примечание:M16
26 - Шкив AH155706 Поддерживаемые модели9550, 9550SH
27 - Палец H172177 Поддерживаемые модели9550, 9550SH
28 - Крышка AH165496 Поддерживаемые модели9550, 9550SH
29 - Подпорка H126371 Поддерживаемые модели9550, 9550SH
30 - Шайба 24H1698 Поддерживаемые модели9550, 9550SH Примечание:21/32" X 1-5/8" X 1/4"
31 - Винт 19M7828 Поддерживаемые модели9550, 9550SH Примечание:M16 X 100
32 - Винт 19M7789 Количество:2 Поддерживаемые модели9550, 9550SH Примечание:M12 X 30
33 - Стопорная гайка H135891 Поддерживаемые модели9550, 9550SH
34 - Подшипник с корпусом AH157168 Поддерживаемые модели9550, 9550SH
35 - Винт 19M7835 Поддерживаемые модели9550, 9550SH Примечание:M10 X 35
36 - Болт 03M7191 Количество:4 Поддерживаемые модели9550, 9550SH Примечание:M10 X 25
37 - Шайба 24M7178 Количество:4 Поддерживаемые модели9550, 9550SH Примечание:10.500 X 30 X 2.500 mm
38 - Уголок H164009 Поддерживаемые модели9550, 9550SH
39 - Ограничительная шторка H164018 Поддерживаемые модели9550, 9550SH
40 - Стопорная гайка 14M7400 Количество:4 Поддерживаемые модели9550, 9550SH Примечание:M10
41 - Клиновой ремень H171386 Поддерживаемые модели9550 Примечание:AIR FLOW FAN DRIVE
42 - Втулка H98654 Поддерживаемые модели9550
43 - Сальник AA5607R Количество:2 Поддерживаемые модели9550
44 - Шайба 24M7180 Поддерживаемые модели9550 Примечание:13 X 37 X 3 mm
45 - Уголок H171513 Поддерживаемые модели9550
46 - Болт 03M7193 Количество:2 Поддерживаемые модели9550, 9550SH Примечание:M10 X 35
47 - Эксцентр. контров. кольцо AH133191 Поддерживаемые модели9550
48 - Зажимная скоба AH90990 Поддерживаемые модели9550, 9550SH
Наверх
LEVELING CABLES, SHEAVES AND BRACKETS (UPPER REAR) - ST472337 ( ВЫРАВНИВАТЬ ТРОСЫ, ШКИВЫ И КРОНШТЕЙНЫ (ВЕРХНИЙ ЗАДНИЙ) - )
![Джон Дир 9550 LEVELING CABLES, SHEAVES AND BRACKETS (UPPER REAR) LEVELING CABLES, SHEAVES AND BRACKETS (UPPER REAR)]()
1 - Втулка H87502 Количество:2 Поддерживаемые модели9550SH
2 - Шкив AH88920 Количество:2 Поддерживаемые модели9550SH
3 - Распорная втулка H88096 Количество:2 Поддерживаемые модели9550SH Примечание:17/32" X 0.874" X 1.380"
4 - Винт 19M8306 Количество:2 Поддерживаемые модели9550SH Примечание:M12 X 50
5 - Кронштейн AH139315 Поддерживаемые модели9550SH
6 - Винт 19M7788 Количество:5 Поддерживаемые модели9550SH Примечание:M12 X 25
6 - Фланцевая гайка 14M7299 Количество:5 Поддерживаемые модели9550SH Примечание:M12
7 - Кабель AH138813 Поддерживаемые модели9550SH Примечание:2 625 MM (103-11/32"), UPPER
8 - Пружина A37553 Количество:2 Поддерживаемые модели9550SH
9 - Втулка H144885 Количество:2 Поддерживаемые модели9550SH Примечание:0.749" X 1-3/8" X 7.795"
10 - Шайба 24H1374 Количество:2 Поддерживаемые модели9550SH Примечание:21/32" X 3" X 3/8"
11 - Гайка 14H821 Количество:4 Поддерживаемые модели9550SH Примечание:5/8"
12 - Скоба AH142156 Количество:2 Поддерживаемые модели9550SH
13 - Винт 19M7817 Количество:2 Поддерживаемые модели9550SH Примечание:M12 X 70
13 - Стопорная гайка 14M7401 Количество:2 Поддерживаемые модели9550SH Примечание:M12
14 - Винт 19M7790 Количество:2 Поддерживаемые модели9550SH Примечание:M12 X 35
15 - Пластина H145350 Поддерживаемые модели9550SH Примечание:Верхний
16 - Пластина H145351 Поддерживаемые модели9550SH Примечание:Нижн.
17 - Кабель AH138814 Поддерживаемые модели9550SH Примечание:3 505 MM (138"), LOWER
18 - Винт 19M7817 Количество:2 Поддерживаемые модели9550SH Примечание:M12 X 70
19 - Фланцевая гайка 14M7299 Количество:2 Поддерживаемые модели9550SH Примечание:M12
Наверх
UPPER DRIVE SHAFT, SHEAVE AND MOUNTINGS (FIXED SPEED WITH REVERSER) - ST472338 ( ВЕРХНИЙ ВАЛ ПРИВОДА, ШКИВ И КРЕПЛЕНИЯ (ПОСТОЯННОЙ СКОРОСТИ С РЕВЕРСОМ) - )
![Джон Дир 9550 UPPER DRIVE SHAFT, SHEAVE AND MOUNTINGS (FIXED SPEED WITH REVERSER) UPPER DRIVE SHAFT, SHEAVE AND MOUNTINGS (FIXED SPEED WITH REVERSER)]()
1 - Винт 19M7790 Поддерживаемые модели9550 Примечание:M12 X 35
1 - Фланцевая гайка 14M7299 Поддерживаемые модели9550 Примечание:M12
2 - Винт 19M7789 Поддерживаемые модели9550 Примечание:M12 X 30
2 - Фланцевая гайка 14M7299 Поддерживаемые модели9550 Примечание:M12
3 - Ось HXE31772 Поддерживаемые модели9550 Примечание:SUB FOR AH125454
4 - Шариковый подшипник JD9301 Поддерживаемые модели9550
5 - Пружинное кольцо P46874 Количество:2 Поддерживаемые модели9550
6 - Шкив H126261 Поддерживаемые модели9550 Serial No.______-700200
6 - Шкив H204874 Поддерживаемые модели9550 Serial No.700201-______
7 - Шариковый подшипник JD9356 Поддерживаемые модели9550
8 - Эксцентр. контров. кольцо JD8576 Поддерживаемые модели9550
9 - Винт 19M7790 Поддерживаемые модели9550 Примечание:M12 X 35
10 - Хомут H172142 Поддерживаемые модели9550
11 - Чистик H126302 Поддерживаемые модели9550 Serial No.______-700200
12 - Клиновой ремень H126345 Поддерживаемые модели9550 Serial No.______-700200
12 - Клиновой ремень H156796 Поддерживаемые модели9550 Serial No.700201-______
Наверх
FRONT DRIVE SHAFT, SHEAVE AND MOUNTINGS (FIXED SPEED WITH REVERSER) - ST472339 ( ВАЛ ПЕРЕДНЕГО ПРИВОДА, ШКИВ И КРЕПЛЕНИЯ (ПОСТОЯННОЙ СКОРОСТИ С РЕВЕРСОМ) - )
![Джон Дир 9550 FRONT DRIVE SHAFT, SHEAVE AND MOUNTINGS (FIXED SPEED WITH REVERSER) FRONT DRIVE SHAFT, SHEAVE AND MOUNTINGS (FIXED SPEED WITH REVERSER)]()
1 - Установочный винт 22H775 Количество:2 Поддерживаемые модели9550 Примечание:5/16" X 1/4"
2 - Шар H110922 Поддерживаемые модели9550
3 - Клиновой ремень H126345 Поддерживаемые модели9550 Serial No.______-700200
3 - Клиновой ремень H156796 Поддерживаемые модели9550 Serial No.700201-______
4 - Шкив H108889 Поддерживаемые модели9550
5 - Пружинный шплинт 34M7255 Поддерживаемые модели9550 Примечание:6 X 50 mm
6 - Винт 19M7826 Поддерживаемые модели9550 Примечание:M16 X 70
7 - Болт 03M7191 Количество:4 Поддерживаемые модели9550 Примечание:M10 X 25
7 - Фланцевая гайка 14M7296 Количество:5 Поддерживаемые модели9550 Примечание:M10
7 - Болт 03M7192 Поддерживаемые модели9550 Примечание:M10 X 30
8 - Подушка H148132 Количество:2 Поддерживаемые модели9550
9 - Стопор H148133 Количество:2 Поддерживаемые модели9550
10 - Опора T55761 Поддерживаемые модели9550
11 - Шайба H163726 Количество:3 Поддерживаемые модели9550
12 - Винт 19M7845 Поддерживаемые модели9550 Примечание:M16 X 90
13 - Распорная втулка Z64078 Поддерживаемые модели9550
14 - Опора R62502 Поддерживаемые модели9550
15 - Шайба H97410 Поддерживаемые модели9550
16 - Распорная втулка H95417 Поддерживаемые модели9550
17 - Опора AH150451 Поддерживаемые модели9550
18 - Шайба 24M7241 Количество:3 Поддерживаемые модели9550 Примечание:17 X 34 X 4 mm
19 - Труба H127604 Поддерживаемые модели9550 Примечание:(GRAIN)
20 - Щиток вала привода AH122495 Поддерживаемые модели9550 Примечание:(GRAIN)
21 - Шайба 24H1626 Поддерживаемые модели9550 Примечание:21/32" X 2" X 0.060"
22 - Шпонка вала 26H104 Количество:2 Поддерживаемые модели9550 Serial No.______-690799 Примечание:5/16" X 2-1/8"
22 - Шпонка вала Z61818 Количество:2 Поддерживаемые модели9550 Serial No.690800-______
Наверх
Feeder House Drum Deflector Hook Assemblies, Attachment - ST743939 ( Питателе Барабана Дефлектор Сборки, Крючок, Крепления - )
![Джон Дир 9550 Feeder House Drum Deflector Hook Assemblies, Attachment Feeder House Drum Deflector Hook Assemblies, Attachment]()
1 - Комплект крючков BH84214 Поддерживаемые модели9550
Наверх
Attachment, Feeder House Frame Conversion - ST795145 ( Привязанность, Фидер Преобразования Каркасного Дома - )
![Джон Дир 9550 Attachment, Feeder House Frame Conversion Attachment, Feeder House Frame Conversion]()
1 - Комплект крючков BH84215
Наверх
FEEDER HOUSE DRUM SHIELDS AND HOOK ASSEMBLIES (RETROFIT BUNDLES) - ST472340 ( ПИТАТЕЛЕ БАРАБАНА ЩИТОВ И СБОРОК КРЮК (МОДИФИЦИРОВАННОЙ СВЯЗКИ) - )
![Джон Дир 9550 FEEDER HOUSE DRUM SHIELDS AND HOOK ASSEMBLIES (RETROFIT BUNDLES) FEEDER HOUSE DRUM SHIELDS AND HOOK ASSEMBLIES (RETROFIT BUNDLES)]()
1 - Отражательная пластина AH203948 Поддерживаемые модели9550
2 - Отражательная пластина AH203949 Поддерживаемые модели9550
3 - Крючок AH215244 Количество:2 Поддерживаемые модели9550, 9550SH Примечание:(For Level Land Only) (SUB FOR AH204628)
3 - Крючок AH211567 Количество:2 Поддерживаемые модели9550SH
4 - Пластина H173157 Поддерживаемые модели9550, 9550SH Примечание:(For Level Land Only)
5 - Щиток H204516 Поддерживаемые модели9550
6 - Винт 19M8549 Количество:4 Поддерживаемые модели9550, 9550SH Примечание:M16 X 40
7 - Винт 19M7784 Поддерживаемые модели9550 Примечание:M10 X 20
8 - Фланцевая гайка 14M7296 Поддерживаемые модели9550 Примечание:M10
9 - Болт 03M7190 Поддерживаемые модели9550 Примечание:M10 X 20
Наверх
Feeder House Tilt Frame Shields, Attachment - ST743730 ( Фидер Наклона Дома Каркасные Щиты, Привязанность - )
![Джон Дир 9550 Feeder House Tilt Frame Shields, Attachment Feeder House Tilt Frame Shields, Attachment]()
1 - Комплект переходников BH84212 Поддерживаемые модели9550
Наверх
Attachment, Conversion, Feeder House, Tilt Frame, Filler Plate - ST751097 ( Вложений, Преобразование, Питателе, Наклона Рамы, Пластина - )
![Джон Дир 9550 Attachment, Conversion, Feeder House, Tilt Frame, Filler Plate Attachment, Conversion, Feeder House, Tilt Frame, Filler Plate]()
1 - Комплект щитков BH84213
Наверх
Feeder House Drum Shields And Tilt Frame (Contour Master) (Retrofit Bundles) - ST472341 ( Питателе Барабана Щиты И Наклон Рамы (Мастер-Контур) (Модифицированной Связки) - )
![Джон Дир 9550 Feeder House Drum Shields And Tilt Frame (Contour Master) (Retrofit Bundles) Feeder House Drum Shields And Tilt Frame (Contour Master) (Retrofit Bundles)]()
1 - Рама AH214678 Поддерживаемые модели9550 Примечание:(SUB FOR AH168659)
2 - Винт 19M7784 Поддерживаемые модели9550 Примечание:M10 X 20
3 - Стопорная гайка H135891 Количество:7 Поддерживаемые модели9550
4 - Панель H178139 Поддерживаемые модели9550
5 - Щиток AH204008 Поддерживаемые модели9550
6 - Опора AH204022 Поддерживаемые модели9550
7 - Щиток AH204009 Поддерживаемые модели9550
8 - Опора AH204023 Поддерживаемые модели9550
Наверх