Содержимое: Каталог Запчастей John Deere :753J753JH Tracked Feller BuncherHarvester (S.N. -220452) - PC10034 37 Арка или стрела или краны 3715 Control Linkage
Measuring System Joystick Components (Left) - ST711622 ( Измерительные Компоненты Джойстик Системы (Слева) - )
Measuring System Joystick Components (Right) - ST711624 ( Измерительные Компоненты Системы Джойстика (Справа) - )
Joystick Valve Components - ST797278 ( Компоненты Клапана Джойстика - )
Main Boom - Feller Buncher - ST76560 ( Основной Бум - Валочно-Пакетирующая Машина - )
Secondary Boom - Feller Buncher - ST76561 ( Вторичный Бум - Валочно-Пакетирующая Машина - )
Main Boom - Harvester ( - 188246) - ST76562 ( Основная Стрела - Комбайн ( - ) - )
Main Boom - Harvester (188247 - ) - ST299211 ( Основная Стрела - Комбайн ( - ) - )
Secondary Boom - Harvester ( - 188246) - ST76563 ( Вторичный Бум - Комбайн ( - ) - )
Secondary Boom - Harvester (188247 - ) - ST299212 ( Вторичный Бум - Комбайн ( - ) - )
Link Pin (H622) - ST76564 ( Контактный Ссылке () - )
Link Pin (H616) - ST76565 ( Контактный Ссылке () - )
Клапан навесного оборудования - ST76566
Впускн. секц. клапана (клап. навесн. оборуд.) - ST76567
Клапан — однозолотн. секция (клап. навес. обор.) - ST76568
Клапан — двухзолотн. секция (клап. навес. обор.) - ST76569
Клапан — секция выпуска (клап. навес. обор.) - ST76570
Hydraulic System - Boom - Feller Buncher ( - 169003) - ST76571 ( Гидравлическая Система - Бум - Валочно-Пакетирующая Машина ( - ) - )
Hydraulic System - Boom - Feller Buncher (169004 - 200542) - ST76572 ( Гидравлическая Система - Бум - Валочно-Пакетирующая Машина ( - ) - )
Hydraulic System - Boom (Feller Buncher) (200543 - ) - ST528291 ( Гидравлическая Система - Бум (Валочно-Пакетирующая Машина) ( - ) - )
Boom Debris Guard (Feller Buncher) ( - 169003) - ST76573 ( Бум Гвардии Мусора (Валочно-Пакетирующая Машина) ( - ) - )
Boom Debris Guard (Feller Buncher) (169004 - 200542) - ST76574 ( Бум Гвардии Мусора (Валочно-Пакетирующая Машина) ( - ) - )
Boom Debris Guard (Feller Buncher) (200543 - ) - ST528363 ( Бум Гвардии Мусора (Валочно-Пакетирующая Машина) ( - ) - )
Hydraulic System - Boom, Hose Guards (Feller Buncher) ( - 169003) - ST76575 ( Гидравлическая Система - Бум, Шланг Охранников (Валочно-Пакетирующая Машина) ( - ) - )
Hydraulic System - Boom, Hose Guards (Feller Buncher) (169004 - 200542) - ST76576 ( Гидравлическая Система - Бум, Шланг Охранников (Валочно-Пакетирующая Машина) ( - ) - )
Hydraulic System - Boom, Hose Guards (Feller Buncher) (200543 - ) - ST528373 ( Гидравлическая Система - Бум, Шланг Охранников (Валочно-Пакетирующая Машина) ( - ) - )
Hydraulic System - Boom (Harvester) ( - 169003) - ST76577 ( Гидравлическая Система - Бум (Жатка) ( - ) - )
Hydraulic System - Boom (Harvester) (169004 - 188246) - ST76578 ( Гидравлическая Система - Бум (Жатка) ( - ) - )
Hydraulic System - Boom (Harvester) (188247 - 200542) - ST300087 ( Гидравлическая Система - Бум (Жатка) ( - ) - )
Hydraulic System - Boom (Harvester) (200543 - ) - ST528275 ( Гидравлическая Система - Бум (Жатка) ( - ) - )
Hydraulic System - Boom (Harvester) ( - 169003) - ST76579 ( Гидравлическая Система - Бум (Жатка) ( - ) - )
Hydraulic System - Boom (Harvester) (169004 - 188246) - ST76580 ( Гидравлическая Система - Бум (Жатка) ( - ) - )
Hydraulic System - Boom (Harvester) (188247 - 200542) - ST300016 ( Гидравлическая Система - Бум (Жатка) ( - ) - )
Hydraulic System - Boom (Harvester) (200543 - ) - ST528274 ( Гидравлическая Система - Бум (Жатка) ( - ) - )
Hydraulic System - Boom (Harvester) ( - 18246) - ST76581 ( Гидравлическая Система - Бум (Жатка) ( - ) - )
Hydraulic System - Boom (Harvester) (188247 - ) - ST299183 ( Гидравлическая Система - Бум (Жатка) ( - ) - )
Hydraulic System - Boom, Hose Guards (Harvester) ( - 169003) - ST76582 ( Гидравлическая Система - Бум, Шланг Охранников (Жатка) ( - ) - )
Hydraulic System - Boom, Hose Guards (Harvester) (169004 - 188246) - ST76583 ( Гидравлическая Система - Бум, Шланг Охранников (Жатка) ( - ) - )
Hydraulic System - Boom, Hose Guards (Harvester) (188247 - 200542) - ST299672 ( Гидравлическая Система - Бум, Шланг Охранников (Жатка) ( - ) - )
Hydraulic System - Boom, Hose Guards (Harvester) (200543 - ) - ST528265 ( Гидравлическая Система - Бум, Шланг Охранников (Жатка) ( - ) - )
Слив масла из картера FR21B - ST522907
Слив масла из картера FS20 - ST522937
Hydraulic Cylinders - Boom w Crank and Link (Feller Buncher) - ST76584 ( Гидравлические цилиндры - бум W адреналин и ссылке (валочно-пакетирующая машина) - )
Цилиндр наклона (пакетир. машина) - ST76585
Hoist Cylinder (Feller Buncher) ( - 170325) - ST76586 ( Цилиндр Подъема (Валочно-Пакетирующая Машина) ( - ) - )
Hoist Cylinder (Feller Buncher) (170326 - 177204) - ST76587 ( Цилиндр Подъема (Валочно-Пакетирующая Машина) ( - ) - )
Hoist Cylinder (Feller Buncher) (177205 - ) - ST709262 ( Цилиндр Подъема (Валочно-Пакетирующая Машина) ( - ) - )
Цилиндр рукояти (пакетир. машина) - ST76588
Hydraulic Cylinders - Boom w Crank - ST76589 ( Гидравлические цилиндры - стрела с кривошипно - )
Hoist Cylinder (Harvester) ( - 170325) - ST76590 ( Цилиндр Подъема (Жатка) ( - ) - )
Hoist Cylinder (Harvester) (170326 - ) - ST76591 ( Цилиндр Подъема (Жатка) ( - ) - )
Цилиндр рукояти (комбайн) - ST76592
Measuring System Joystick Components (Left) - ST711622 ( Измерительные Компоненты Джойстик Системы (Слева) - )
![Джон Дир 753J Measuring System Joystick Components (Left) Measuring System Joystick Components (Left)]()
1 - Кожух F658448
2 - Кожух F658449
3 - Нажимной переключатель AT365136 Примечание:МодульВключает половину корпуса и жгут проводов
4 - Переключатель F057215 Количество: 10
5 - Пружина .. Количество:2
6 - Винт F057647 Количество:4
7 - Рычаг F658450
8 - Панель F435820
9 - Панель F435821 Примечание:Покрытие кнопки
10 - Винт F057648 Количество:6
11 - Стопорная шайба .. Примечание:10–32
12 - Уплотнение F057637
13 - Жгут проводов ...
14 - Захват F437292
15 - Нажимной переключатель AT350864 Количество: 10
17 - Узел пружины AT372714
18 - Комплект кожуха F658451 Примечание:Не показано, NLA; ORDER F658448, F658449 AND F658450
19 - Гайка 14M7415 Примечание:M12
20 - Фитинг переходника F295311
21 - Гайка 14M7157 Примечание:M14
22 - Клапан гидравл./сервоупр. AT348334 Примечание:Компоненты указаны на отдельной странице
23 - Пластина F298566
24 - Захват AT186991
25 - Пластина F298565
26 - Переключатель F120944
30 - Рычаг переключения AT348569
Наверх
Measuring System Joystick Components (Right) - ST711624 ( Измерительные Компоненты Системы Джойстика (Справа) - )
![Джон Дир 753J Measuring System Joystick Components (Right) Measuring System Joystick Components (Right)]()
1 - Кожух F658448
2 - Кожух F658449
3 - Нажимной переключатель AT415142 Примечание:МодульВключает половину корпуса и жгут проводов
4 - Переключатель F057215 Количество: 10
5 - Пружина .. Количество:2
6 - Винт F057647 Количество:4
7 - Рычаг F658450
8 - Панель F435820
9 - Панель F435821 Примечание:Покрытие кнопки
10 - Винт F057648 Количество:6
11 - Стопорная шайба .. Примечание:10–32
12 - Уплотнение F057637
13 - Жгут проводов AT480562 Примечание:Жгут проводов троса, ALSO ORDER 57M9575, 57M10347, 57M10265 AND (25) 57M7683
13 - Узел электрич. разъема 57M7633
13 - Блок. устр. эл. разъема 57M7682
14 - Захват F437292
15 - Нажимной переключатель AT350864 Количество: 10
17 - Узел пружины AT372714
18 - Комплект кожуха F658451 Примечание:Не показано, NLA; ORDER F658448, F658449 AND F658450
19 - Гайка 14M7415 Примечание:M12
20 - Фитинг переходника F295311
21 - Гайка 14M7157 Примечание:M14
22 - Клапан гидравл./сервоупр. AT348338 Примечание:Компоненты перечислены на отдельной странице
25 - Пластина F298565
26 - Переключатель F120944
30 - Рычаг переключения AT348570
31 - Корпус электр. разъема 57M9575 Примечание:Не показано
32 - Корпус электр. разъема 57M10347 Примечание:Не показано
33 - Блок. устр. эл. разъема 57M10265 Примечание:Не показано
34 - Клемма электр. разъема 57M7683 Количество:25 Примечание:Не показано
Наверх
Joystick Valve Components - ST797278 ( Компоненты Клапана Джойстика - )
![Джон Дир 753J Joystick Valve Components Joystick Valve Components]()
1 - Клапан гидравл./сервоупр. AT348334 Примечание:Левый
1 - Клапан гидравл./сервоупр. AT348338 Примечание:Правый
10 - Кожух F433669
11 - Гайка ..
12 - Пластина F433670
13 - Пластина ...
14 - Болт 841698300 Количество:4
15 - Гайка ...
16 - Дисковое орудие ..
17 - Пластина ..
18 - Пластина ..
19 - Винт F433671 Количество:2
20 - Комплект оборудования 842884800 Количество:4
20 - Комплект уплотнений AT115146 Количество:4
21 - Узел пружины AT345928 Количество:4
22 - Пружина T114617 Количество:4
23 - Заглушка F003382
24 - Кольцо F033808 Примечание:SUB FOR F034216
25 - Корпус ..
26 - Узел пружины AT468233 Примечание:Не показаноСм. DTAC-решение № 104842
Наверх
Main Boom - Feller Buncher - ST76560 ( Основной Бум - Валочно-Пакетирующая Машина - )
![Джон Дир 753J Main Boom Main Boom]()
1 - Винт с головкой 19H2716 Примечание:3/4" X 1-1/2"
2 - Винт с головкой 19M7946 Примечание:M20 X 40
3 - Распорная втулка 700041400 Количество:3
4 - Штифт AT364742 Примечание:(SUB FOR 700739900)
5 - Шайба N231749 Количество:4 Примечание:20.620 X 38.100 X 6.350 mm (13/16" X 1-1/2" X 1/4"), (SUB FOR F123564 or 24M7242)
6 - Стопор F382516
7 - Штифт AT390038 Примечание:(SUB FOR F394224 AND AT365292)
8 - Штифт AT378471 Примечание:(SUB FOR F394227 ) (SUB FOR AT365293, THIS APPLICATION)
9 - Штифт AT378474 Примечание:(SUB FOR F394229 ) (SUB FOR AT365296, THIS APPLICATION)
10 - Шайба F394239 Количество:3 Примечание:80.500 X 97 X 1.495 mm (3.169" X 3.819" X 0.059")
11 - Главная стрела AT375535 Примечание:(SUB FOR F399368 AND AT374888)
12 - Коленчатый патрубок 810273400 Количество:2
13 - Втулка F394140 Количество:2
15 - Сальник T102137 Количество:2
16 - Винт с головкой 19M8224 Количество:2 Примечание:M20 X 60
Наверх
Secondary Boom - Feller Buncher - ST76561 ( Вторичный Бум - Валочно-Пакетирующая Машина - )
![Джон Дир 753J Secondary Boom Secondary Boom]()
1 - Винт с головкой 19M7946 Количество:4 Примечание:M20 X 40
2 - Винт с головкой 19M8288 Количество:2 Примечание:M24 X 90
3 - Винт 19M9324 Примечание:M20 X 40
4 - Шайба 24M7243 Количество:2 Примечание:25.400 X 50 X 6 mm
5 - Распорная втулка 700041400 Количество:4
6 - Пластина 701302800 Количество:2
7 - Шайба N231749 Количество:4 Примечание:20.620 X 38.100 X 6.350 mm (13/16" X 1-1/2" X 1/4")
8 - Гайка 811721800 Примечание:SUB FOR U43399
9 - Пластина F290811 Примечание:SUB FOR F389459
10 - Подъемная тяга F394111
11 - Втулка F394118 Количество:4
12 - Втулка F394295 Количество:5
13 - Смазочная арматура JD7759 Количество:9
14 - Сальник T102137 Количество:4
15 - Сальник T112243 Количество:4
16 - Коленчатая тяга F394117 Количество:2
17 - Штифт F394221 Примечание:USE WITH U43399 AND F389459
17 - Штифт AT365295 Примечание:USE WITH 811721800 AND F290811
18 - Штифт AT365296 Количество:2 Примечание:SUB FOR F394229
19 - Штифт AT425622 Примечание:SUB FOR F394232 AND AT365290
20 - Штифт AT365291 Примечание:SUB FOR F394235
21 - Вспомогательная стрела AT435823 Примечание:CA, SUB FOR F399374, AT376047 AND AT376446
21 - Вспомогательная стрела AT472636 Примечание:CA
22 - Коленчатый патрубок 810273400 Количество:2
23 - Втулка F394140 Количество:2
Наверх
Main Boom - Harvester ( - 188246) - ST76562 ( Основная Стрела - Комбайн ( - ) - )
![Джон Дир 753J Main Boom Main Boom]()
1 - Винт с головкой 19H2716 Примечание:3/4" X 1-1/2"
3 - Винт с головкой 19M7597 Количество:4 Примечание:M20 X 50
4 - Винт 19M9324 Примечание:M20 X 40
5 - Распорная втулка 700041400 Количество:4
6 - Штифт AT364742 Примечание:(SUB FOR 700739900)
8 - Шайба N231749 Количество:4 Примечание:20.620 X 38.100 X 6.350 mm (13/16" X 1-1/2" X 1/4"), (SUB FOR R94361 or 24M7242)
9 - Стопорная гайка U43399 Примечание:50.800 mm (2")
10 - Стопор F382516
11 - Шайба F389459
12 - Штифт F394221
13 - Штифт AT390038 Примечание:(SUB FOR F394224 OR AT365292)
14 - Штифт AT365293 Примечание:(SUB FOR F394227)
15 - Штифт AT365296 Примечание:(SUB FOR F394229)
16 - Шайба F394239 Количество:3 Примечание:80.500 X 97 X 1.495 mm (3.169" X 3.819" X 0.059")
17 - Втулка F394140 Количество:2 Примечание:79.672 X 95.070 X 100.250 mm (3.137" X 3.743" X 3.947")
18 - Муфта X1/8GG-S Количество:7 Примечание:3.175 mm (1/8")
19 - Сальник T102137
20 - Коленчатый патрубок F002652 Количество:2
50 - Главная стрела F394476 Примечание:(CA)
Наверх
Main Boom - Harvester (188247 - ) - ST299211 ( Основная Стрела - Комбайн ( - ) - )
![Джон Дир 753J Main Boom Main Boom]()
1 - Главная стрела AT378786 Примечание:CA (SUB FOR AT394133)
2 - Муфта X1/8GG-S Количество:7
3 - Втулка F394140 Количество:2
4 - Сальник T102137 Количество:2
5 - Коленчатый патрубок 810273400 Количество:2
6 - Винт 19M9324 Примечание:M20 X 40
7 - Штифт AT364742
8 - Распорная втулка 700041400 Количество:3
9 - Шайба N231749 Количество:3
10 - Винт с головкой 19H2716 Примечание:3/4" X 1-1/2"
11 - Штифт AT390038
12 - Пластина F394225
13 - Стопор F382516
14 - Шайба F394239 Количество:3
15 - Шайба 24M7242 Примечание:21.400 X 42 X 5 mm
16 - Винт с головкой 19M7946 Количество:3 Примечание:M20 X 40
17 - Штифт AT365293
18 - Штифт AT365296
19 - Штифт AT365295
20 - Пластина F290811
21 - Гайка 811721800
Наверх
Secondary Boom - Harvester ( - 188246) - ST76563 ( Вторичный Бум - Комбайн ( - ) - )
![Джон Дир 753J Secondary Boom Secondary Boom]()
2 - Винт 19M7809 Количество:6 Примечание:M10 X 70
3 - Винт с головкой 19M7597 Примечание:M20 X 50
5 - Распорная втулка 700041400
8 - Шайба N231749 Примечание:20.620 X 38.100 X 6.350 mm (13/16" X 1-1/2" X 1/4"), (SUB FOR R94361 or 24M7242)
15 - Штифт AT365296 Примечание:(SUB FOR F394229)
20 - Коленчатый патрубок F002652 Количество:2
21 - Втулка F394140 Количество:2 Примечание:79.672 X 95.070 X 100.250 mm (3.137" X 3.743" X 3.947")
22 - Сальник T102137 Количество:2
23 - Пластина F394818
24 - Крышка F394822
30 - Вспомогательная стрела AT372556 Примечание:(CA) (SUB FOR F394703)
Наверх
Secondary Boom - Harvester (188247 - ) - ST299212 ( Вторичный Бум - Комбайн ( - ) - )
![Джон Дир 753J Secondary Boom Secondary Boom]()
1 - Вспомогательная стрела AT390893 Примечание:Convenience Assembly, NLA; ORDER AT372556
1 - Вспомогательная стрела AT372556 Примечание:Объем, необходимый для заполнения магистрали
2 - Втулка F394140 Количество:2
3 - Сальник T102137 Количество:2
4 - Коленчатый патрубок 810273400 Количество:2
5 - Штифт AT365296
6 - Распорная втулка 700041400
7 - Шайба N231749
8 - Винт с головкой 19M7946 Примечание:M20 X 40
9 - Винт 19M7812 Количество:6 Примечание:M10 X 100
10 - Крышка AT382875
11 - Крышка T275662
12 - Винт 19M7784 Количество:2 Примечание:M10 X 20
Наверх
Link Pin (H622) - ST76564 ( Контактный Ссылке () - )
![Джон Дир 753J Link Pin (H622) Link Pin (H622)]()
1 - Защитное кольцо F122720
2 - Шайба F295312 Количество:2
3 - Шайба F295651
4 - Штифт AT366438 Примечание:(SUB FOR F392717)
6 - Кулиса .......
Наверх
Link Pin (H616) - ST76565 ( Контактный Ссылке () - )
![Джон Дир 753J Link Pin (H616) Link Pin (H616)]()
1 - Стопорная гайка 14M7171 Примечание:M30
2 - Штифт AT366437 Примечание:(SUB FOR AT341258)
3 - Шайба T182420 Примечание:31.750 X 90 X 9.500 mm (1-1/4" X 3.543" X 0.374")
4 - Вкладыш T238078 Количество:2
5 - Распорная втулка T238079 Количество:2 Примечание:45.300 X 114.300 X 32.500 mm (1.783" X 4-1/2" X 1.280")
6 - Кулиса .......
Наверх
Клапан навесного оборудования - ST76566
![Джон Дир 753J Клапан навесного оборудования Клапан навесного оборудования]()
1 - Фланцевая гайка 14M7518 Количество:2 Примечание:M10
2 - Винт 19M7786 Количество:2 Примечание:M10 X 30
3 - Винт 19M7814 Количество:2 Примечание:M12 X 50, SUB FOR 19M7789
4 - Клапан F125520 Примечание:USE WITH FR21B, FS22B, FS24B, FR24B, FR22B
4 - Клапан F437297 Примечание:Без валочной головки, USE WITH FG18, FG22, FS20
5 - Коллектор F436181 Примечание:ВпускКомпоненты перечислены на отдельных стр.
6 - Электро-гидр. проп. клап. F437146 Примечание:Double SpoolComponents Listed On Separate Pages, USE WITH F125520
6 - Клапан F437299 Примечание:Double SpoolComponents Listed On Separate Pages, USE WITH F437297
7 - Блок клапана AT451627 Примечание:Выходное отверстиеКомпоненты на отдельных стр., SUB FOR F437290
8 - Эл. пропорцион. клапан F436182 Примечание:Single SpoolComponents Listed On Separate Pages, USE WITH F125520
8 - Клапан F437298 Примечание:Single SpoolComponents Listed On Separate Pages, USE WITH F437297
Наверх
Впускн. секц. клапана (клап. навесн. оборуд.) - ST76567
![Джон Дир 753J Впускн. секц. клапана (клап. навесн. оборуд.) Впускн. секц. клапана (клап. навесн. оборуд.)]()
1 - Клапан F436181
4 - Комплект уплотнений AT350798 Примечание:(SUB FOR F436160)
5 - Уплотнительное кольцо ....... Количество:4
6 - Уплотнительное кольцо ....... Количество:3
7 - Уплотнительное кольцо ....... Количество:2
8 - Уплотнительное кольцо .......
9 - Уплотнительное кольцо ....... Количество:3
10 - Быстросъемн. гидр. муфта AH125760 Примечание:(ALSO ORDER R77175)
10 - Заглушка F431928
11 - Уплотнительное кольцо R26448
12 - Редукционный клапан F436107 Примечание:Главный предохранительный клапан (300 бар)
13 - Уплотнительное кольцо .......
14 - Заглушка .......
15 - Уплотнительное кольцо .......
20 - Комплект уплотн. колец F436177
Наверх
Клапан — однозолотн. секция (клап. навес. обор.) - ST76568
![Джон Дир 753J Клапан — однозолотн. секция (клап. навес. обор.) Клапан — однозолотн. секция (клап. навес. обор.)]()
1 - Клапан AT462901 Примечание:USE WITH FR21B, FS22B, FS24B, FR24B, FR22B, SUB FOR F436182
1 - Клапан F437298 Примечание:Без валочной головки, USE WITH FG18, FG22, FS20
2 - Клапан F004615
3 - Уплотнительное кольцо .......
4 - Эл. пропорцион. клапан F061736 Примечание:По необходимости, ALSO ORDER F058128
4 - Жиклер F058128 Примечание:Замена для оригинального ограничителя
5 - Электромагнитный клапан ....... Количество:2
6 - Винт F435929 Количество:4
7 - Комплект уплотнений CB01447258 Примечание:SUB FOR F435926
8 - Уплотнительное кольцо .......
9 - Уплотнительное кольцо .......
10 - Уплотнительное кольцо .......
11 - Ограничитель ....... Количество:2
14 - Контрольный клапан AT462513 Примечание:SUB FOR F436161
15 - Колпачок AT462895 Примечание:SUB FOR F436162
16 - Заглушка ....... Количество:2
17 - Уплотнительное кольцо ....... Количество:2
18 - Гайка F432470 Количество:2 Примечание:SUB FOR F005610
19 - Уплотнительное кольцо ....... Количество:2
20 - Уплотнительное кольцо F005569 Количество:4
21 - Винт F003401 Количество:3
22 - Винт F435912 Количество:2
23 - Корпус .......
24 - Корпус .......
25 - Комплект уплотнений F436104
26 - Пружина F436105
28 - Редукционный клапан F004605 Количество:2 Примечание:USE WITH FR21B, FS22B, FS24B, FR22B, FR24B
28 - Редукционный клапан F125376 Количество:2 Примечание:Без валочной головки, USE WITH FG18, FG22, FS20
29 - Уплотнительное кольцо F004565 Количество:2
30 - Комплект уплотнений F436178
31 - Комплект уплотнений AT350798 Примечание:SUB FOR F436160
32 - Уплотнительное кольцо ....... Количество:4
33 - Уплотнительное кольцо ....... Количество:3
34 - Уплотнительное кольцо ....... Количество:2
35 - Уплотнительное кольцо .......
36 - Уплотнительное кольцо ....... Количество:3
Наверх
Клапан — двухзолотн. секция (клап. навес. обор.) - ST76569
![Джон Дир 753J Клапан — двухзолотн. секция (клап. навес. обор.) Клапан — двухзолотн. секция (клап. навес. обор.)]()
1 - Клапан AT463347 Примечание:USE WITH FR21B, FS22B, FS24B, FR24B, FR22B, SUB FOR F437146
1 - Клапан F437299 Примечание:Без валочной головки, USE WITH FG18, FG22, FS20
2 - Клапан F004615
3 - Уплотнительное кольцо .......
4 - Эл. пропорцион. клапан F061736 Примечание:По необходимости, ALSO ORDER F058128
4 - Жиклер F058128 Примечание:Замена для оригинального ограничителя
5 - Электромагнитный клапан ....... Количество:2
6 - Винт F435929 Количество:4
7 - Комплект уплотнений CB01447258 Примечание:SUB FOR F435926
8 - Уплотнительное кольцо .......
9 - Уплотнительное кольцо .......
10 - Уплотнительное кольцо .......
11 - Ограничитель ....... Количество:2
14 - Контрольный клапан AT462513 Примечание:SUB FOR F436161
15 - Колпачок AT462895 Примечание:SUB FOR F436162
16 - Заглушка ....... Количество:2
17 - Уплотнительное кольцо ....... Количество:2
18 - Гайка F432470 Количество:2 Примечание:SUB FOR F005610
19 - Уплотнительное кольцо ....... Количество:2
20 - Уплотнительное кольцо F005569 Количество:4
21 - Винт F003401 Количество:3
22 - Винт F435912 Количество:2
23 - Корпус .......
24 - Корпус .......
25 - Комплект уплотнений F436104
26 - Пружина F436105
28 - Редукционный клапан F004605 Количество:2 Примечание:USE WITH FR21B, FS22B, FS24B, FR22B, FR24B
28 - Редукционный клапан F125376 Количество:2 Примечание:Без валочной головки, USE WITH FG18, FG22, FS20
29 - Уплотнительное кольцо F004565 Количество:2
30 - Комплект уплотнений F436178
31 - Комплект уплотнений AT350798 Примечание:SUB FOR F436160
32 - Уплотнительное кольцо ....... Количество:4
33 - Уплотнительное кольцо ....... Количество:3
34 - Уплотнительное кольцо ....... Количество:2
35 - Уплотнительное кольцо .......
36 - Уплотнительное кольцо .......
Наверх
Клапан — секция выпуска (клап. навес. обор.) - ST76570
![Джон Дир 753J Клапан — секция выпуска (клап. навес. обор.) Клапан — секция выпуска (клап. навес. обор.)]()
1 - Клапан AT451627 Примечание:Выходное отверстиеКомпоненты на отдельных стр., SUB FOR F437290
2 - Комплект золотника F038869 Примечание:Редукционный клапан сервоуправления (35 бар)
3 - Заглушка .......
5 - Золотниковый клапан F038870 Примечание:Фильтр сервоупр.
6 - Сальник .......
7 - Заглушка F008315
8 - Кольцо F033808
9 - Заглушка F003382
11 - Заглушка F436163 Количество:2
12 - Уплотнительное кольцо ....... Количество:2
13 - Жиклер F437291
14 - Комплект тяги AT414725 Примечание:SUB FOR F437304
14 - Стержень ....... Количество:3
14 - Гайка ... Количество:3
15 - Гайка ....... Примечание:M12, SUB AT414725
16 - Кронштейн T326953
17 - Быстросъемн. гидр. муфта AH125760 Примечание:ALSO ORDER R77175
17 - Заглушка F431928
18 - Уплотнительное кольцо R26448
20 - Сальник F005162
24 - Комплект уплотнений F436179
Наверх
Hydraulic System - Boom - Feller Buncher ( - 169003) - ST76571 ( Гидравлическая Система - Бум - Валочно-Пакетирующая Машина ( - ) - )
![Джон Дир 753J Hydraulic System Hydraulic System]()
1 - Гайка 14M7273 Примечание:M8
2 - Винт 19M7816 2 Примечание:M12 X 65
3 - Винт с головкой 19M7875 Количество:6 Примечание:M10 X 70
4 - Винт с головкой 19M8081 Количество:5 Примечание:M10 X 80
5 - Винт с головкой 19M8166 Количество:6 Примечание:M10 X 110
6 - Шайба 24M7239 Количество:3 Примечание:10.700 X 21 X 2.500 mm
7 - Коленчатый патрубок 38H1037 Количество:5
8 - Уплотнительное кольцо R29936 Количество:5 Примечание:29.743 X 2.946 mm (1.171" X 0.116")
9 - Уплотнительное кольцо T76938 Количество:5 Примечание:23.520 X 1.780 mm (0.926" X 0.070")
10 - Коленчатый патрубок 38H1045
11 - Уплотнительное кольцо R26448 Примечание:11.887 X 1.981 mm (0.468" X 5/64")
12 - Уплотнительное кольцо T77613 Примечание:9.250 X 1.780 mm (0.364" X 0.070")
13 - Фитинг переходника 38H1179 Количество:2
14 - Уплотнительное кольцо U12547 Количество:2 Примечание:23.470 X 2.946 mm (0.924" X 0.116")
15 - Тройник 38H1531
16 - Уплотнительное кольцо T77858 Примечание:18.771 X 1.778 mm (0.739" X 0.070")
17 - Фитинг переходника 38H1611
18 - Уплотнительное кольцо T77857 Примечание:12.421 X 1.778 mm (0.489" X 0.070")
19 - Скоба T254497 Количество:2 Примечание:(SUB FOR T236869)
20 - Пластина 811989400 Количество:2
21 - Скоба AT176434
23 - Трубная гайка 38H1358
24 - Труба AT349791 Количество:7
25 - Гайка F120999 6
26 - Скоба F121093 Количество:2
27 - Скоба F125008
28 - Гидрошланг F125358 Примечание:Сваривать
29 - Гидрошланг F126012 Количество:3 Примечание:Сваривать
30 - Гидрошланг F126013 Примечание:Сваривать
31 - Гидрошланг F126014 Примечание:Сваривать
32 - Гидрошланг F126015 Примечание:Сваривать
33 - Гидрошланг F126016 Количество:2 Примечание:Сваривать
34 - Гидрошланг F126017 Примечание:Сваривать
35 - Направляющая F387551
36 - Труба F394525 Количество:3
37 - Труба F394528
38 - Скоба F394532 Количество:2
39 - Скоба F394539
40 - Скоба F394642 Количество:3
41 - Скоба F394643 Количество:2
42 - Пластина F394645 Количество:3
43 - Хомут F394648
44 - Скоба F395020
45 - Крышка R77175 Количество:2
46 - Направляющая T105773 Количество:3
47 - Блокирующий зажим T234537 Количество:2
48 - Пластина H114901 Количество:2
49 - Хомут T234605 Количество:2
50 - Труба AT347004 Количество:2
51 - Быстросъемн. гидр. муфта AH125760 Количество:2
52 - Винт 19M8874 Примечание:M8 X 75
Наверх
Hydraulic System - Boom - Feller Buncher (169004 - 200542) - ST76572 ( Гидравлическая Система - Бум - Валочно-Пакетирующая Машина ( - ) - )
![Джон Дир 753J Hydraulic System Hydraulic System]()
1 - Гайка 14M7273 Примечание:M8
2 - Винт 19M7816 2 Примечание:M12 X 65
3 - Винт 19M7809 Количество:6 Примечание:M10 X 70
4 - Винт с головкой 19M8081 Количество:4 Примечание:M10 X 80
5 - Винт с головкой 19M8166 Количество:6 Примечание:M10 X 110
7 - Коленчатый патрубок 38H1037 Количество:5
8 - Уплотнительное кольцо R29936 Количество:5 Примечание:29.743 X 2.946 mm (1.171" X 0.116")
9 - Уплотнительное кольцо T76938 Количество:5 Примечание:23.520 X 1.780 mm (0.926" X 0.070")
10 - Коленчатый патрубок 38H1045
11 - Уплотнительное кольцо R26448 Примечание:11.887 X 1.981 mm (0.468" X 5/64")
12 - Уплотнительное кольцо T77613 Примечание:9.250 X 1.780 mm (0.364" X 0.070")
13 - Фитинг переходника 38H1179 Количество:2
14 - Уплотнительное кольцо U12547 Количество:2 Примечание:23.470 X 2.946 mm (0.924" X 0.116")
15 - Тройник 38H1531
16 - Уплотнительное кольцо T77858 Примечание:18.771 X 1.778 mm (0.739" X 0.070")
17 - Фитинг переходника 38H1611
18 - Уплотнительное кольцо T77857 Примечание:12.421 X 1.778 mm (0.489" X 0.070")
19 - Скоба T254497 Количество:2 Примечание:(SUB FOR T236869)
20 - Пластина 811989400 Количество:2
21 - Скоба AT176434
22 - Скоба T236869 Количество:3 Примечание:(ALSO ORDER 19M8292 AND 14M7518)
23 - Трубная гайка 38H1358
24 - Труба AT356595 Количество:7
25 - Гайка F120999 6
26 - Скоба F121093 Количество:2
28 - Гидрошланг F125358 Примечание:Сваривать
29 - Гидрошланг F126012 Количество:3 Примечание:Сваривать
30 - Гидрошланг F126013 Примечание:Сваривать
31 - Гидрошланг AT351119 Примечание:Сваривать
32 - Гидрошланг F126015 Примечание:Сваривать
33 - Гидрошланг F126016 Количество:2 Примечание:Сваривать
34 - Гидрошланг F126017 Примечание:Сваривать
35 - Направляющая F387551
36 - Труба F394525 Количество:3
37 - Труба F394528
38 - Скоба F394532 Количество:2
39 - Скоба F394539
40 - Скоба F394642 Количество:3
41 - Скоба F394643 Количество:2
42 - Пластина F394645 Количество:3
43 - Хомут F394648
44 - Скоба F395020
45 - Крышка R77175 Количество:2
46 - Направляющая T105773 Количество:3
47 - Блокирующий зажим T234537 Количество:2
48 - Пластина H114901 Количество:2
50 - Труба AT347004 Количество:2
51 - Быстросъемн. гидр. муфта AH125760 Количество:2
52 - Винт 19M8039 Примечание:M8 X 80, (SUB FOR 19M7803)
Наверх
Hydraulic System - Boom (Feller Buncher) (200543 - ) - ST528291 ( Гидравлическая Система - Бум (Валочно-Пакетирующая Машина) ( - ) - )
![Джон Дир 753J Hydraulic System Hydraulic System]()
1 - Винт 19M7789 Количество:50 Примечание:M12 X 30
2 - Винт 19M7788 Количество:7 Примечание:M12 X 25
3 - Скоба F394532 Количество:2
4 - Труба AT356595 Количество:7
5 - Уплотнительное кольцо T76938 Количество:2
6 - Болт 19M7791 Количество:21 Примечание:M12 X 40
7 - Гидрошланг F126012 Примечание:Сваривать
8 - Гидрошланг F126012 Примечание:Сваривать
9 - Гидрошланг F126012 Примечание:Сваривать
10 - Гидрошланг AT351119 Примечание:Сваривать
11 - Гидрошланг F126015 Примечание:Сваривать
12 - Гидрошланг F126016 Примечание:Сваривать
13 - Гидрошланг F126016 Примечание:Сваривать
14 - Коленчатый патрубок 38H1037
15 - Уплотнительное кольцо R29936
16 - Уплотнительное кольцо T76938
17 - Скоба F394539
18 - Хомут F394648
19 - Скоба F394642 Количество:3
20 - Скоба F394643 Количество:2
21 - Скоба F395020
22 - Пластина F394645 Количество:3
23 - Шайба 24M7242 Количество:4 Примечание:21.400 X 42 X 5 mm
24 - Шайба 24M7296 Количество:2 Примечание:10.500 X 30 X 2.500 mm
25 - Винт с головкой 19M7892 Количество:4 Примечание:M20 X 80
26 - Винт 19M7785 Количество:6 Примечание:M10 X 25
27 - Винт 19M7816 2 Примечание:M12 X 65
28 - Скоба F121093 Количество:2
29 - Пластина 811989400 Количество:2
30 - Труба AT347004
31 - Трубная гайка 38H1358
32 - Уплотнительное кольцо T76938
33 - Гайка F120999 6
34 - Винт 19M7836 Количество:6 Примечание:M10 X 110
35 - Винт 19M7809 Количество:6 Примечание:M10 X 70
36 - Винт 19M7784 Количество:2 Примечание:M10 X 20
37 - Винт с головкой 19M8081 Количество:4 Примечание:M10 X 80
38 - Фитинг переходника 38H1179
39 - Уплотнительное кольцо T76938
40 - Уплотнительное кольцо U12547
41 - Труба F394525 Количество:2
42 - Уплотнительное кольцо T76938 Количество:2
43 - Тройник 38H1531
44 - Уплотнительное кольцо T76938
45 - Уплотнительное кольцо T77858
46 - Труба F394528
47 - Трубная гайка 38H1358
48 - Уплотнительное кольцо T76938
49 - Направляющая F387551
50 - Фитинг переходника 38H1611
51 - Уплотнительное кольцо T77857
52 - Гидрошланг F126013 Примечание:Сваривать
53 - Гидрошланг F126017 Примечание:Сваривать
54 - Направляющая T105773 Количество:3
55 - Скоба AT176434
56 - Блокирующий зажим T234537 Количество:2
57 - Пластина H114901 Количество:2
58 - Винт 19M8039 Примечание:M8 X 80
59 - Гайка 14M7273 Примечание:M8
60 - Крышка R77175 Количество:2
61 - Быстросъемн. гидр. муфта AH125760
62 - Уплотнительное кольцо R26448
63 - Труба AT351291
64 - Уплотнительное кольцо T76938 Количество:2
65 - Скоба T254497 Количество:2
66 - Винт 19M8292 Количество:3 Примечание:M10 X 50
67 - Фланцевая гайка 14M7518 Количество:3 Примечание:M10
68 - Скоба T236869
Наверх
Boom Debris Guard (Feller Buncher) ( - 169003) - ST76573 ( Бум Гвардии Мусора (Валочно-Пакетирующая Машина) ( - ) - )
![Джон Дир 753J Boom Debris Guard (Feller Buncher) ( Boom Debris Guard (Feller Buncher) (]()
4 - Болт 19M7791 Количество:39 Примечание:M12 X 40
6 - Скоба 700276800
9 - Уголок F394517
10 - Хомут F394521 Количество:4
12 - Ограждение F394534
13 - Пластина F394537
18 - Болт 03H1499 Количество:4 Примечание:1/2" X 1-1/2"
19 - Фланцевая гайка 14M7573 Количество:30 Примечание:M8
20 - Винт с головкой 19H2473 2 Примечание:1/2" X 1-3/4"
21 - Винт с головкой 19M7407 Количество:2 Примечание:M8 X 25
22 - Винт 19M9182 6 Примечание:M8 X 30, (SUB FOR 19M9194)
23 - Винт 19M9349 2 Примечание:M8 X 40
24 - Фланцевая гайка E62934 6 Примечание:12.700 mm (1/2")
25 - Полоса F385002 Количество:2
26 - Полоса F385003 Количество:2
27 - Стержень F385747 Количество:2
28 - Скоба F388968
29 - Полоса F388969 Количество:3
32 - Ограждение F393863
33 - Пластина T234037 Количество:3
34 - Уголок F394604
35 - Крышка F394605
36 - Стержень F394607
38 - Крышка F394636
39 - Хомут T239548 Примечание:(SUB FOR F394650)
43 - Ограждение F395029
45 - Гайка W39621 Количество:2 Примечание:M16
46 - Винт с головкой 19M7892 Количество:4 Примечание:M20 X 80
47 - Шайба N231749 Количество:4 Примечание:20.620 X 38.100 X 6.350 mm (13/16" X 1-1/2" X 1/4"), (SUB FOR F123564 or 24M7242)
48 - Ограждение F394637
49 - Гайка W40550 Количество:4 Примечание:M20
50 - Ограждение F394597
Наверх
Boom Debris Guard (Feller Buncher) (169004 - 200542) - ST76574 ( Бум Гвардии Мусора (Валочно-Пакетирующая Машина) ( - ) - )
![Джон Дир 753J Boom Debris Guard (Feller Buncher) (169004 Boom Debris Guard (Feller Buncher) (169004]()
4 - Болт 19M7791 Количество:27 Примечание:M12 X 40
5 - Хомут T244472 Количество:4
6 - Скоба 700276800 Количество:3
7 - Хомут T244473 Количество:2
9 - Ограждение AT357444
10 - Хомут F394521 Количество:4
11 - Винт 19M7788 Количество:4 Примечание:M12 X 25
12 - Ограждение F394534
13 - Пластина F394537
18 - Болт 03H1499 Количество:4 Примечание:1/2" X 1-1/2"
19 - Фланцевая гайка 14M7573 Количество:30 Примечание:M8
20 - Винт с головкой 19H2473 2 Примечание:1/2" X 1-3/4"
21 - Винт с головкой 19M7407 Количество:2 Примечание:M8 X 25
22 - Винт 19M9182 6 Примечание:M8 X 30, (SUB FOR 19M9194)
23 - Винт 19M9349 2 Примечание:M8 X 40
24 - Фланцевая гайка E62934 6 Примечание:12.700 mm (1/2")
25 - Полоса F385002 Количество:2
26 - Полоса F385003 Количество:2
27 - Стержень F385747 Количество:2
28 - Скоба F388968
29 - Полоса F388969 Количество:3
32 - Ограждение F393863
33 - Пластина T234037 Количество:3
34 - Уголок T239660
35 - Крышка T245284
36 - Стержень F394607
38 - Крышка F394636
39 - Хомут T239548
43 - Ограждение F395029
45 - Гайка W39621 Количество:2 Примечание:M16
46 - Винт с головкой 19M7892 Количество:4 Примечание:M20 X 80
47 - Шайба N231749 Количество:4 Примечание:20.620 X 38.100 X 6.350 mm (13/16" X 1-1/2" X 1/4"), (SUB FOR F123564 or 24M7242)
48 - Ограждение F394637
49 - Гайка W40550 Количество:4 Примечание:M20
50 - Ограждение F394597
51 - Винт 19M7789 Количество:8 Примечание:M12 X 30
Наверх
Boom Debris Guard (Feller Buncher) (200543 - ) - ST528363 ( Бум Гвардии Мусора (Валочно-Пакетирующая Машина) ( - ) - )
![Джон Дир 753J Boom Debris Guard (Feller Buncher) (200543 Boom Debris Guard (Feller Buncher) (200543]()
1 - Пластина AT401838 Примечание:(SUB FOR AT386135)
2 - Сварочная гайка 14M7302 Количество:8 Примечание:M12
3 - Пластина T280564 Количество:2
4 - Пластина AT390686
5 - Сварочная гайка 14M7302 Количество:8 Примечание:M12
6 - Пластина AT386123
7 - Сварочная гайка 14M7302 Количество:4 Примечание:M12
8 - Втулка T121416 Количество:4
9 - Пластина T279090
10 - Пластина T279098
11 - Пластина T282966
12 - Пластина T279279 Количество:2
13 - Пластина T279280
14 - Винт 19M9437 5 Примечание:M8 X 16
15 - Крышка T280730
16 - Уголок T239660
17 - Ограждение F394637
18 - Сварочная гайка 14M7302 Количество:4 Примечание:M12
19 - Болт 19M7791 Количество:21 Примечание:M12 X 40
20 - Крышка T280729
21 - Хомут T283116 Количество:3
22 - Хомут T239548
23 - Крышка T279808
24 - Стержень F394607
25 - Сварочная гайка 14M7302 Количество:3 Примечание:M12
26 - Фланцевая гайка 14M7299 Количество:8 Примечание:M12
27 - Пластина AT385824
28 - Ограждение T279344
29 - Полоса T290142 Количество: 10
30 - Полоса T292819 Количество:2
31 - Полоса T292821 Количество:2
32 - Винт 19M8317 Количество:34 Примечание:M8 X 40
33 - Полоса F385002
34 - Стержень F385747 Количество:2
35 - Пластина T286267 Количество:5
36 - Винт с головкой 19M7407 Количество:4 Примечание:M8 X 25
37 - Фланцевая гайка 14M7573 Количество:38 Примечание:M8
38 - Болт 03M7199 Количество:32 Примечание:M12 X 35
38 - Втулка 28H3394 Количество:2 Примечание:0.493" X 0.675" X 1/2"
39 - Скоба T286258 Количество:5
40 - Фланцевая гайка E62934 Количество:32
41 - Скоба T286270
42 - Шайба 24M7241 Количество:2 Примечание:17 X 34 X 4 mm
Наверх
Hydraulic System - Boom, Hose Guards (Feller Buncher) ( - 169003) - ST76575 ( Гидравлическая Система - Бум, Шланг Охранников (Валочно-Пакетирующая Машина) ( - ) - )
![Джон Дир 753J Hydraulic System Hydraulic System]()
1 - Винт 19M7784 Количество:2 Примечание:M10 X 20
2 - Винт 19M7785 Количество:6 Примечание:M10 X 25
3 - Болт 19M7791 Количество:32 Примечание:M12 X 40
5 - Распорная втулка 700041400 Количество:2
7 - Пластина F385712 Количество:2
8 - Ограждение F394514 Количество:2
11 - Опора F394531
14 - Кронштейн F394572
15 - Крышка F394580
16 - Желоб F394592
17 - Желоб F394595
37 - Опора F394609
40 - Хомут F395017 Количество:2
41 - Крышка T248127 Примечание:(SUB FOR F395022)
42 - Крышка F395023
44 - Стопорная гайка 14M7401 2 Примечание:M12
Наверх
Hydraulic System - Boom, Hose Guards (Feller Buncher) (169004 - 200542) - ST76576 ( Гидравлическая Система - Бум, Шланг Охранников (Валочно-Пакетирующая Машина) ( - ) - )
![Джон Дир 753J Hydraulic System Hydraulic System]()
1 - Винт 19M7784 Количество:2 Примечание:M10 X 20
2 - Винт 19M7785 Количество:6 Примечание:M10 X 25
3 - Болт 19M7791 Количество:27 Примечание:M12 X 40
5 - Распорная втулка 700041400 Количество:2
7 - Шарнир T245041 Количество:2
8 - Ограждение F394514
9 - Ограждение AT356898 Serial No.______-172294
9 - Ограждение AT367738 Serial No.172295-______
10 - Шайба 24M7296 Количество:2 Примечание:10.500 X 30 X 2.500 mm
11 - Опора F394531
12 - Винт 19M7788 Количество:8 Примечание:M12 X 25
14 - Кронштейн F394572
15 - Крышка F394580
16 - Желоб F394592
17 - Желоб F394595
37 - Опора AT356872
40 - Хомут F395017 Количество:2
41 - Ограждение F395022 Serial No.______-172294
41 - Крышка T248127 Serial No.172295-______
42 - Крышка F395023
44 - Стопорная гайка H137329 2 Примечание:M12
51 - Винт 19M7789 2 Примечание:M12 X 30
Наверх
Hydraulic System - Boom, Hose Guards (Feller Buncher) (200543 - ) - ST528373 ( Гидравлическая Система - Бум, Шланг Охранников (Валочно-Пакетирующая Машина) ( - ) - )
![Джон Дир 753J Hydraulic System Hydraulic System]()
1 - Кронштейн AT385829
2 - Сварочная гайка 14M7302 Примечание:M12
3 - Винт 19M7789 Количество:38 Примечание:M12 X 30
4 - Кронштейн AT385828
5 - Сварочная гайка 14M7302 Примечание:M12
6 - Желоб AT401858
7 - Винт с головкой 19M7403 Количество:4 Примечание:M12 X 35
8 - Втулка T121416 Количество:3
9 - Желоб AT401841
10 - Винт с головкой 19M7403 Количество:4 Примечание:M12 X 35
11 - Втулка T121416 Количество:3
12 - Кронштейн AT385830
13 - Сварочная гайка 14M7302 Количество:4 Примечание:M12
14 - Пластина T279157 Количество:2
15 - Пластина AT385825
16 - Сварочная гайка 14M7302 Количество:4 Примечание:M12
17 - Пластина AT387074
18 - Сварочная гайка 14M7302 Количество:8 Примечание:M12
19 - Кронштейн F394572
20 - Сварочная гайка 14M7302 Количество:6 Примечание:M12
21 - Втулка T72414
22 - Крышка F394580
23 - Крышка F395023
24 - Хомут F395017 Количество:2
25 - Крышка T248127
Наверх
Hydraulic System - Boom (Harvester) ( - 169003) - ST76577 ( Гидравлическая Система - Бум (Жатка) ( - ) - )
![Джон Дир 753J Hydraulic System Hydraulic System]()
3 - Коленчатый патрубок 38H1037 Количество:3
4 - Уплотнительное кольцо R29936 Количество:3 Примечание:29.743 X 2.946 mm (1.171" X 0.116")
5 - Уплотнительное кольцо T76938 Количество: 10 Примечание:23.520 X 1.780 mm (0.926" X 0.070")
6 - Фитинг переходника 38H1287 Количество:2
7 - Уплотнительное кольцо T77857 Количество:8 Примечание:12.421 X 1.778 mm (0.489" X 0.070")
8 - Уплотнительное кольцо T78612 Количество:8 Примечание:29.870 X 1.780 mm (1.176" X 0.070")
9 - Гайка T78715 Количество:2 Примечание:36.525 mm (1-7/16")
11 - Скоба AT176434
12 - Труба AT340509
13 - Гидрошланг AT340579 Примечание:36.5252" X 1168 mm (46") X 36.5252", Сваривать
14 - Гидрошланг AT340581 Примечание:36.5252" X 2413 mm (95") X 36.5252", Fabricate
19 - Труба AT347004
24 - Гидрошланг F122809 Примечание:Сваривать
25 - Скоба T254497 Примечание:(SUB FOR F125006 ) (SUB FOR T236869 AND 811644600 ) (ALSO ORDER 19M7806 AND 14M7518)
26 - Скоба F125008 Примечание:(ALSO ORDER 19M7806 AND 14M7518)
27 - Гидрошланг F125366 Количество:2 Примечание:Сваривать
28 - Гидрошланг F126107 Количество:2 Примечание:Сваривать
29 - Гидрошланг F126108 Примечание:Сваривать
30 - Направляющая F387551
31 - Труба F394630 Примечание:Давление
32 - Труба F394654 Количество:2
39 - Труба F395052 Количество:2
41 - Направляющая T105773 Количество:2
42 - Труба AT351884 Примечание:Возвратный
Наверх
Hydraulic System - Boom (Harvester) (169004 - 188246) - ST76578 ( Гидравлическая Система - Бум (Жатка) ( - ) - )
![Джон Дир 753J Hydraulic System Hydraulic System]()
3 - Коленчатый патрубок 38H1037 Количество:3
4 - Уплотнительное кольцо R29936 Количество:3 Примечание:29.743 X 2.946 mm (1.171" X 0.116")
5 - Уплотнительное кольцо T76938 Количество: 10 Примечание:23.520 X 1.780 mm (0.926" X 0.070")
6 - Фитинг переходника 38H1287 Количество:2
7 - Уплотнительное кольцо T77857 Количество:8 Примечание:12.421 X 1.778 mm (0.489" X 0.070")
8 - Уплотнительное кольцо T78612 Количество:8 Примечание:29.870 X 1.780 mm (1.176" X 0.070")
9 - Гайка T78715 Количество:2 Примечание:36.525 mm (1-7/16")
11 - Скоба AT176434
12 - Труба AT340509
13 - Гидрошланг AT340579 Примечание:36.5252" X 1168 mm (46") X 36.5252", Сваривать
14 - Гидрошланг AT340581 Примечание:36.5252" X 2413 mm (95") X 36.5252", Fabricate
19 - Труба AT347004
24 - Гидрошланг AT357747 Serial No.______-173420 Примечание:42.8752" X 2286 mm (90") X 42.8752"
24 - Гидрошланг AT366441 Serial No.173421-______ Примечание:42.8752" X 2311 mm (91") X 42.8752"
26 - Скоба T236869 Примечание:(ALSO ORDER 19M7806 AND 14M7518)
27 - Гидрошланг F125366 Количество:2 Примечание:Сваривать
28 - Гидрошланг F126107 Количество:2 Примечание:Сваривать
29 - Гидрошланг AT357777 Serial No.______-173420 Примечание:42.8752" X 2286 mm (90") X 42.8752"
29 - Гидрошланг AT366440 Serial No.173421-______ Примечание:42.8752" X 2311 mm (91") X 42.8752"
30 - Направляющая F387551
31 - Труба AT389392 Примечание:Pressure, (SUB FOR AT358269)
32 - Труба AT358330 Количество:2
39 - Труба AT358262 Количество:2
41 - Направляющая T105773 Количество:2
42 - Труба AT358259 Примечание:Возвратный
Наверх
Hydraulic System - Boom (Harvester) (188247 - 200542) - ST300087 ( Гидравлическая Система - Бум (Жатка) ( - ) - )
![Джон Дир 753J Hydraulic System Hydraulic System]()
1 - Кронштейн F125299
2 - Винт 19M7783 Примечание:M10 X 16
3 - Направляющая F387551
4 - Скоба T236869
5 - Труба AT358262 Количество:2
6 - Уплотнительное кольцо T77857 Количество:2
7 - Труба AT358259
8 - Уплотнительное кольцо T78612 Количество:2
9 - Труба AT358330
10 - Уплотнительное кольцо T76938 Количество:2
11 - Коленчатый патрубок 38H1037
12 - Уплотнительное кольцо R29936
13 - Уплотнительное кольцо T76938
14 - Труба AT340509
15 - Уплотнительное кольцо T76938
16 - Гидрошланг AT340581 Примечание:Сваривать
17 - Фитинг переходника 38H1287
18 - Уплотнительное кольцо T76938 Количество:2
19 - Гидрошланг AT340579 Примечание:Сваривать
20 - Гайка T78715 Количество:2
21 - Скоба F121093
22 - Пластина 811989400
23 - Гайка F120999 Количество:2
24 - Винт с головкой 19M7875 Количество:2 Примечание:M10 X 70
25 - Труба AT347004
26 - Уплотнительное кольцо T76938
27 - Винт 19M8292 Количество:2 Примечание:M10 X 50
28 - Скоба T254497
29 - Винт 19M7806 Количество:2 Примечание:M10 X 50
30 - Фланцевая гайка 14M7518 Количество:2 Примечание:M10
31 - Скоба AT176434
32 - Гидрошланг AT382401 Примечание:Сваривать
33 - Гидрошланг AT366441
34 - Гидрошланг AT389079
35 - Гидрошланг F126107 Примечание:Сваривать
36 - Гидрошланг AT388314 Примечание:Сваривать
37 - Жгут проводов AT386299
38 - Гидрошланг AT389182
39 - Узел электрич. разъема 811874000
40 - Фитинг переходника PMH1257
41 - Гайка R27390
42 - Шайба 810585000 Количество:2
43 - Кабель AT351574
44 - Труба AT389392
45 - Уплотнительное кольцо T78612 Количество:2
46 - Фланцевый фитинг T107068 Количество:2
47 - Шайба 24M7404 Количество:4 Примечание:12 X 20 X 3 mm
48 - Винт с головкой 19M7363 Количество:4 Примечание:M12 X 60
49 - Уплотнительное кольцо T78313
Наверх
Hydraulic System - Boom (Harvester) (200543 - ) - ST528275 ( Гидравлическая Система - Бум (Жатка) ( - ) - )
![Джон Дир 753J Hydraulic System Hydraulic System]()
1 - Скоба T281698 Количество:3
2 - Кронштейн F125299
3 - Труба AT358262 Количество:2
4 - Уплотнительное кольцо T77857 Количество:2
5 - Труба AT358259
6 - Уплотнительное кольцо T78612 Количество:2
7 - Труба AT358330
8 - Уплотнительное кольцо T76938 Количество:2
9 - Направляющая F387551
10 - Скоба T236869
11 - Коленчатый патрубок 38H1037
12 - Уплотнительное кольцо R29936
13 - Уплотнительное кольцо T76938
14 - Труба AT340509
15 - Уплотнительное кольцо T76938
16 - Гидрошланг AT340581 Примечание:Сваривать
17 - Фитинг переходника 38H1287
18 - Уплотнительное кольцо T76938 Количество:2
19 - Гидрошланг AT340579 Примечание:Сваривать
20 - Гайка T78715 Количество:2
21 - Скоба F121093
22 - Пластина 811989400
23 - Гайка F120999 Количество:2
24 - Винт с головкой 19M7875 Количество:2 Примечание:M10 X 70
25 - Направляющая T105773 Количество:2
26 - Скоба T254497
27 - Винт 19M7806 Количество:2 Примечание:M10 X 50
28 - Фланцевая гайка 14M7518 Количество:2 Примечание:M10
29 - Скоба AT176434
30 - Гидрошланг AT382401 Примечание:Сваривать
31 - Гидрошланг AT366441
32 - Гидрошланг AT389079
33 - Гидрошланг F126107 Примечание:Сваривать
34 - Гидрошланг AT388314 Примечание:Сваривать
35 - Жгут проводов AT386299
36 - Гидрошланг AT389182
37 - Узел электрич. разъема 811874000 Количество:2
38 - Фитинг переходника PMH1257
39 - Гайка R27390
40 - Шайба 810585000 Количество:2
41 - Пластина T287621 Количество:3
42 - Винт 19M7816 2 Примечание:M12 X 65
43 - Труба AT389392
44 - Уплотнительное кольцо T78612 Количество:2
45 - Труба AT347004
46 - Уплотнительное кольцо T76938
47 - Уплотнительное кольцо T78313
48 - Фланцевый фитинг T107068 Количество:2
49 - Шайба 24M7404 Количество:4 Примечание:12 X 20 X 3 mm
50 - Винт с головкой 19M7363 Количество:4 Примечание:M12 X 60
Наверх
Hydraulic System - Boom (Harvester) ( - 169003) - ST76579 ( Гидравлическая Система - Бум (Жатка) ( - ) - )
![Джон Дир 753J Hydraulic System Hydraulic System]()
2 - Винт 19M8292 Количество:3 Примечание:M10 X 50
5 - Уплотнительное кольцо T76938 Количество:2
7 - Уплотнительное кольцо T77857 Количество:4
8 - Уплотнительное кольцо T78612 Количество:4
9 - Труба AT352088
10 - Узел электрич. разъема 811874000 Количество:2
11 - Уплотнительное кольцо T77613
33 - Труба F295663
35 - Труба F394854
36 - Труба F394855
37 - Труба F394856 Количество:2
38 - Скоба F394924 Количество:3
Наверх
Hydraulic System - Boom (Harvester) (169004 - 188246) - ST76580 ( Гидравлическая Система - Бум (Жатка) ( - ) - )
![Джон Дир 753J Hydraulic System Hydraulic System]()
1 - Винт 19M8292 Количество:3 Примечание:M10 X 50
3 - Фитинг 38H1415
4 - Фитинг 38H1419 Количество:2
5 - Фитинг 38H1420 Количество:2
6 - Фитинг 38H5120 Количество:2
7 - Узел электрич. разъема 811874000 Количество:2
8 - Жгут проводов AT351572
9 - Труба AT352088
10 - Труба F295663
11 - Труба F394854
12 - Уплотнительное кольцо T76938 Количество:2
13 - Уплотнительное кольцо T77613
14 - Труба F394855
15 - Уплотнительное кольцо T78612 Количество:2
16 - Труба F394856 Количество:2
17 - Уплотнительное кольцо T77857 Количество:2
18 - Скоба F394924 Количество:3
Наверх
Hydraulic System - Boom (Harvester) (188247 - 200542) - ST300016 ( Гидравлическая Система - Бум (Жатка) ( - ) - )
![Джон Дир 753J Hydraulic System Hydraulic System]()
1 - Пластина T274206 Количество:6
2 - Скоба T274188 Количество:3
3 - Кронштейн T280670 Количество:6
4 - Скоба T280668 Количество:3
5 - Скоба T280669 Количество:3
6 - Труба AT381379 Количество:2
7 - Уплотнительное кольцо T77857 Количество:2
8 - Труба AT381395
9 - Уплотнительное кольцо T76938 Количество:2
10 - Труба AT352088
11 - Уплотнительное кольцо T78612 Количество:2
12 - Труба AT381409
13 - Тройник 38H1531
14 - Уплотнительное кольцо T76938
15 - Уплотнительное кольцо T77858
16 - Фитинг 38H5120 Количество:2
17 - Фитинг 38H1420
18 - Фитинг переходника AT176305 Примечание:(SUB FOR 81188060)
19 - Фитинг 38H1415
20 - Фитинг 38H1419
21 - Втулка T240653 Количество:3
22 - Скоба 810785600 Количество:2
23 - Комплект скоб 57M10650
24 - Винт 19M7808 Количество:3 Примечание:M10 X 65
25 - Винт 19M7811 8 Примечание:M10 X 90
26 - Фланцевый фитинг T279387
27 - Уплотнительное кольцо T78313 Количество:2
28 - Шайба 24M7404 Количество:8 Примечание:12 X 20 X 3 mm
29 - Винт с головкой 19M7753 Количество:4 Примечание:M12 X 70
30 - Фланцевый фитинг T107068 Количество:2
31 - Винт с головкой 19M7363 Количество:4 Примечание:M12 X 60
Наверх
Hydraulic System - Boom (Harvester) (200543 - ) - ST528274 ( Гидравлическая Система - Бум (Жатка) ( - ) - )
![Джон Дир 753J Hydraulic System Hydraulic System]()
1 - Пластина T274206 Количество:6
2 - Скоба T274188 Количество:3
3 - Кронштейн T280670 Количество:6
4 - Скоба T280668 Количество:3
5 - Скоба T280669 Количество:3
6 - Труба AT381409
7 - Труба AT381379 Количество:2
8 - Уплотнительное кольцо T77857 Количество:2
9 - Труба AT381395
10 - Уплотнительное кольцо T76938 Количество:2
11 - Труба AT352088
12 - Уплотнительное кольцо T78612 Количество:2
13 - Тройник 38H1531
14 - Уплотнительное кольцо T76938
15 - Уплотнительное кольцо T77858
16 - Фитинг 38H5120 Количество:2
17 - Фитинг 38H1420
18 - Фитинг переходника AT176305
19 - Фитинг 38H1415
20 - Фитинг 38H1419
21 - Втулка T240653 Количество:3
22 - Скоба H75541 Количество:2
23 - Комплект скоб 57M10650
24 - Винт 19M7808 Количество:3 Примечание:M10 X 65
25 - Винт 19M7811 8 Примечание:M10 X 90
26 - Уплотнительное кольцо T78313
27 - Шайба 24M7404 Количество:4 Примечание:12 X 20 X 3 mm
28 - Винт с головкой 19M7753 Количество:4 Примечание:M12 X 70
Наверх
Hydraulic System - Boom (Harvester) ( - 18246) - ST76581 ( Гидравлическая Система - Бум (Жатка) ( - ) - )
![Джон Дир 753J Hydraulic System Hydraulic System]()
1 - Винт с головкой 19H3704 Количество:5 Примечание:3/8" X 2-1/4"
3 - Скоба F121145
4 - Пластина F121990
15 - Гидрошланг AT346891 Количество:2 Примечание:13/16" X 1981 mm (78") X 13/16", Fabricate
16 - Гидрошланг AT346892 Примечание:17.4752" X 1981 mm (78") X 17.4752", Fabricate
17 - Гидрошланг AT346929 Количество:2 Примечание:30.1752" X 2590 mm (102") X 36.5252", Fabricate
18 - Гидрошланг AT362326 Примечание:36.5252" X 2540 mm (100") X 36.5252", PressureFabricate, (SUB FOR AT346944)
19 - Гидрошланг AT362327 Примечание:ВозвратныйСваривать
20 - Пластина F120714 Примечание:(SUB FOR T134366)
21 - Ограждение F122734 Примечание:(SUB FOR F435650)
23 - Шланговый зажим F121991
24 - Переходная втулка 38H1484
25 - Уплотнительное кольцо T76938
40 - Ограждение T316920 Примечание:(SUB FOR F435650 AND F121455) (CTL)
Наверх
Hydraulic System - Boom (Harvester) (188247 - ) - ST299183 ( Гидравлическая Система - Бум (Жатка) ( - ) - )
![Джон Дир 753J Hydraulic System Hydraulic System]()
1 - Гидрошланг AT346891 Примечание:Сваривать
2 - Гидрошланг AT346891 Примечание:Сваривать
3 - Гидрошланг AT388158 Примечание:Сваривать
4 - Шланговый зажим F121991
5 - Пластина F121990
6 - Скоба F121145
7 - Хомут T134366
8 - Винт с головкой 19H3704 Количество:5 Примечание:3/8" X 2-1/4"
9 - Ограждение T316920 Примечание:SUB FOR F121455
10 - Ограждение пружины шланга XHG-200
11 - Проволочный вывод AT406870 Примечание:SUB FOR AT346640 THIS APPLICATION
12 - Узел электрич. разъема 57M7630 Количество:2
13 - Гидрошланг AT381749 Примечание:Сваривать
14 - Гидрошланг AT362327 Примечание:Сваривать
15 - Гидрошланг AT346892 Примечание:Сваривать
16 - Гидрошланг AT388171 Примечание:Сваривать
17 - Узел электрич. разъема 811874000
18 - Фланцевый фитинг T107068 Количество:2
19 - Уплотнительное кольцо T78313
20 - Шайба 24M7404 Количество:4 Примечание:12 X 20 X 3 mm
21 - Винт с головкой 19M7363 Количество:4 Примечание:M12 X 60
22 - Фитинг переходника AT353959
23 - Уплотнительное кольцо T78612
24 - Уплотнительное кольцо R1225R
Наверх
Hydraulic System - Boom, Hose Guards (Harvester) ( - 169003) - ST76582 ( Гидравлическая Система - Бум, Шланг Охранников (Жатка) ( - ) - )
![Джон Дир 753J Hydraulic System Hydraulic System]()
2 - Винт 19M7814 Количество:34 Примечание:M12 X 50, (SUB FOR 19M7789)
3 - Болт 19M7791 Количество:31 Примечание:M12 X 40
4 - Винт 19M7816 2 Примечание:M12 X 65, (SUB FOR 19M7817)
5 - Винт с головкой 19M7875 Количество:2 Примечание:M10 X 70
6 - Винт с головкой 19M7892 Количество:4 Примечание:M20 X 80
7 - Пластина 811989400
8 - Гайка F120999 Количество:2
9 - Скоба F121093
12 - Ограждение F394534
13 - Ограждение AT429514 Примечание:(SUB FOR F 385680)
15 - Пластина F385712 Количество:2
16 - Пластина F393968
17 - Ограждение F394514 Количество:3
18 - Болт 03H1499 Количество:4 Примечание:1/2" X 1-1/2"
20 - Хомут F394521 Количество:5
21 - Опора F394531
23 - Болт 03H1499 Количество:4 Примечание:1/2" X 1-1/2"
24 - Фланцевая гайка 14M7573 Количество:30 Примечание:M8
25 - Винт с головкой 19H2473 2 Примечание:1/2" X 1-3/4"
26 - Винт с головкой 19M7407 Количество:2 Примечание:M8 X 25
27 - Винт 19M9182 6 Примечание:M8 X 30
28 - Винт 19M9349 2 Примечание:M8 X 40
29 - Скоба 700276800 Количество:3
30 - Фланцевая гайка E62934 6 Примечание:12.700 mm (1/2")
31 - Полоса F385002 Количество:2
32 - Полоса F385003 Количество:2
33 - Стержень F385747 Количество:2
34 - Скоба F388968
35 - Полоса F388969 Количество:6
38 - Ограждение F393863
39 - Ограждение F394597
40 - Пластина T234037 Количество:3
41 - Опора F394609
42 - Скоба F394632 Количество:3
43 - Желоб F394685
46 - Желоб F394687
48 - Крышка F394697
49 - Желоб F394715
50 - Желоб F394717
51 - Крышка F394720
52 - Опора F395004
54 - Уголок F395012
55 - Хомут F395013
56 - Крышка F395014
57 - Ограждение F395029
63 - Стопорная гайка 14M7589 Количество:2 Примечание:M16
Наверх
Hydraulic System - Boom, Hose Guards (Harvester) (169004 - 188246) - ST76583 ( Гидравлическая Система - Бум, Шланг Охранников (Жатка) ( - ) - )
![Джон Дир 753J Hydraulic System Hydraulic System]()
2 - Винт 19M7789 Количество:24 Примечание:M12 X 30
3 - Болт 19M7791 Количество:31 Примечание:M12 X 40
4 - Винт 19M7816 2 Примечание:M12 X 65
5 - Винт с головкой 19M7875 Количество:2 Примечание:M10 X 70
6 - Винт с головкой 19M7892 Количество:4 Примечание:M20 X 80
7 - Пластина 811989400
8 - Гайка F120999 Количество:2
9 - Скоба F121093
10 - Винт 19M7788 Количество:4 Примечание:M12 X 25, (SUB FOR 19M7789)
12 - Шайба N231749 Количество:4 Примечание:20.620 X 38.100 X 6.350 mm (13/16" X 1-1/2" X 1/4"), (SUB FOR 24M7242)
13 - Ограждение AT429514 Примечание:(SUB FOR F385680)
14 - Хомут T244472 Количество:6
15 - Шарнир T245041 Количество:2
16 - Пластина F393968
17 - Ограждение F394514 Количество:2
18 - Гайка W40550 Количество:4
19 - Ограждение AT356898 Serial No.______-172294
19 - Ограждение AT367738 Serial No.172295-______
20 - Хомут F394521 Количество:5
21 - Опора F394531
22 - Ограждение AT357444
23 - Болт 03H1499 Количество:4 Примечание:1/2" X 1-1/2"
24 - Фланцевая гайка 14M7573 Количество:30 Примечание:M8
25 - Винт с головкой 19H2473 2 Примечание:1/2" X 1-3/4"
26 - Винт с головкой 19M7407 Количество:2 Примечание:M8 X 25
27 - Винт 19M9182 6 Примечание:M8 X 30, (SUB FOR 19M9194)
28 - Винт 19M9349 2 Примечание:M8 X 40
29 - Скоба 700276800 Количество:3
30 - Фланцевая гайка E62934 6 Примечание:12.700 mm (1/2")
31 - Полоса F385002 Количество:2
32 - Полоса F385003 Количество:2
33 - Стержень F385747 Количество:2
34 - Скоба F388968
35 - Полоса F388969 Количество:6
38 - Ограждение F393863
39 - Ограждение F394597
40 - Пластина T234037 Количество:3
41 - Опора AT356872
42 - Скоба F394632 Количество:3
43 - Желоб F394685
46 - Желоб F394687
48 - Крышка T245948
49 - Желоб F394715
50 - Желоб F394717
51 - Крышка F394720
52 - Опора F395004
54 - Уголок F395012
55 - Стержень AT351452
56 - Крышка F395014
57 - Ограждение F395029
63 - Гайка W39621 Количество:2 Примечание:M16
Наверх
Hydraulic System - Boom, Hose Guards (Harvester) (188247 - 200542) - ST299672 ( Гидравлическая Система - Бум, Шланг Охранников (Жатка) ( - ) - )
![Джон Дир 753J Hydraulic System Hydraulic System]()
1 - Винт 19M7789 Количество:24 Примечание:M12 X 30
2 - Опора AT356872
3 - Скоба T281698 Количество:3
4 - Опора F394531
5 - Пластина T287621 Количество:3
6 - Винт 19M7815 2 Примечание:M12 X 60
7 - Ограждение AT429514 Примечание:(SUB FOR F385680)
8 - Шайба 24M7242 Количество:4 Примечание:21.400 X 42 X 5 mm
9 - Винт с головкой 19M7892 Количество:4 Примечание:M20 X 80
10 - Гайка W40550 Количество:4
11 - Крышка F395014
12 - Хомут T244472 Количество:6
13 - Хомут F394521 Количество:5
14 - Болт 19M7791 Количество:31 Примечание:M12 X 40
15 - Желоб F394715
16 - Желоб F394717
17 - Стопорная гайка 14M7401 Количество:20 Примечание:M12
18 - Крышка F394720
19 - Опора F395004
20 - Желоб F394685
21 - Винт с головкой 19M7488 Примечание:M16 X 40
22 - Желоб F394687
23 - Винт с головкой 19M7488 Примечание:M16 X 40
24 - Ограждение F394514 Количество:2
25 - Крышка T245948
26 - Уголок F395012
27 - Стержень AT351452
28 - Пластина F385712 Количество:2
29 - Ограждение F394597
30 - Полоса F385002
31 - Полоса F385002
32 - Стержень F385747 Количество:2
33 - Полоса F385003 Количество:2
34 - Ограждение F393863
35 - Пластина T234037 Количество:3
36 - Скоба 700276800 Количество:3
37 - Скоба F388968
38 - Полоса F388969 Количество:6
39 - Винт 19M9182 6 Примечание:M8 X 30
40 - Винт с головкой 19M7407 Количество:2 Примечание:M8 X 25
41 - Фланцевая гайка 14M7573 Количество:30 Примечание:M8
42 - Болт 03H1499 Количество:4 Примечание:1/2" X 1-1/2"
43 - Винт с головкой 19H2473 2 Примечание:1/2" X 1-3/4"
44 - Фланцевая гайка E62934 6
45 - Винт 19M9349 2 Примечание:M8 X 40
46 - Распорная втулка 700041400 Количество:2
47 - Ограждение AT367738
48 - Винт 19M7788 Количество:8 Примечание:M12 X 25
49 - Ограждение AT357444
50 - Гайка W39621 Количество:2
51 - Ограждение F395029
52 - Скоба 700276800
53 - Шарнир T245041
54 - Пластина F393968
Наверх
Hydraulic System - Boom, Hose Guards (Harvester) (200543 - ) - ST528265 ( Гидравлическая Система - Бум, Шланг Охранников (Жатка) ( - ) - )
![Джон Дир 753J Hydraulic System Hydraulic System]()
1 - Кронштейн AT385829
2 - Винт 19M7789 Количество:36 Примечание:M12 X 30
3 - Кронштейн AT385828
4 - Пластина T279386 Количество:2
5 - Пластина T279157 Количество:2
6 - Винт 19M7783 Примечание:M10 X 16
7 - Желоб AT385827
8 - Кронштейн AT385830
9 - Пластина AT385825 Количество:2
10 - Желоб AT385881
11 - Пластина AT386123
12 - Желоб AT385882
13 - Пластина AT401838
14 - Ограждение AT429514 Примечание:(SUB FOR F385680)
15 - Шайба 24M7242 Количество:4 Примечание:21.400 X 42 X 5 mm
16 - Винт с головкой 19M7892 Количество:4 Примечание:M20 X 80
17 - Крышка T279726
18 - Крышка T279727
19 - Желоб AT385826
20 - Пластина T279090
21 - Пластина T279280
22 - Пластина T279279 Количество:2
23 - Пластина T279098
24 - Пластина T282966
25 - Шайба 24M7241 Количество:2 Примечание:17 X 34 X 4 mm
26 - Пластина AT385824
27 - Пластина F393968
28 - Болт 19M7791 Количество:21 Примечание:M12 X 40
29 - Хомут T283116 Количество:3
30 - Винт 19M7788 Количество:8 Примечание:M12 X 25
31 - Уголок T239660
32 - Стержень F394607
33 - Полоса F385002
34 - Полоса F385002
35 - Полоса T292821 Количество:2
36 - Стержень F385747 Количество:2
37 - Полоса T292819 Количество:2
38 - Винт с головкой 19M7407 Количество:4 Примечание:M8 X 25
39 - Ограждение T279344
40 - Болт 19M7791 6 Примечание:M12 X 40
41 - Фланцевая гайка 14M7573 Количество:38 Примечание:M8
42 - Винт 19M9437 5 Примечание:M8 X 16
43 - Полоса T290142 Количество: 10
44 - Винт 19M8317 Количество:34 Примечание:M8 X 40
45 - Пластина T286267 Количество:5
46 - Фланцевая гайка E62934 Количество:32
47 - Болт 03M7199 Количество:32 Примечание:M12 X 35
47 - Втулка 28H3394 Количество:2 Примечание:0.493" X 0.675" X 1/2"
48 - Скоба T286258 Количество:5
49 - Скоба T286270
50 - Крышка T279808
Наверх
Слив масла из картера FR21B - ST522907
![Джон Дир 753J Слив масла из картера FR21B Слив масла из картера FR21B]()
1 - Гидрошланг F125358 Примечание:Сваривать
Наверх
Слив масла из картера FS20 - ST522937
![Джон Дир 753J Слив масла из картера FS20 Слив масла из картера FS20]()
1 - Коленчатый патрубок 38H1045
2 - Уплотнительное кольцо T77613
3 - Уплотнительное кольцо R26448
4 - Гидрошланг F125358 Примечание:Сваривать
Наверх
Hydraulic Cylinders - Boom w Crank and Link (Feller Buncher) - ST76584 ( Гидравлические цилиндры - бум W адреналин и ссылке (валочно-пакетирующая машина) - )
![Джон Дир 753J Hydraulic Cylinders Hydraulic Cylinders]()
1 - Гидравлический цилиндр AH224225 Примечание:Stick Cylinder
2 - Цилиндр ....... Serial No.______-170325 Примечание:Hoist Cylinder, (SUB AT374672 ) (SUB FOR AT339860 AND AT357145)
2 - Гидравлический цилиндр AT374672 Serial No.170326-______ Примечание:(SUB FOR AT339860 AND AT357145)
3 - Гидравлический цилиндр AH229374 Примечание:Цилиндр наклона
Наверх
Цилиндр наклона (пакетир. машина) - ST76585
![Джон Дир 753J Цилиндр наклона (пакетир. машина) Цилиндр наклона (пакетир. машина)]()
1 - Кольцо AH148454
2 - Защитное кольцо AT174374
3 - Сальник AT174377
4 - Уплотнительное кольцо AT200001
5 - Сальник H227910 Примечание:SUB FOR H155308
6 - Защитное кольцо H155310 Примечание:95 X 110 X 3 mm (3.740" X 4.331" X 0.118")
7 - Сальник H155311
8 - Защитное кольцо H155316 Количество:2 Примечание:124 X 130 X 3 mm (4.882" X 5.118" X 0.118")
9 - Кольцо H155317 Количество:2 Примечание:125 X 129.960 X 7.900 mm (4.921" X 5.117" X 0.311")
10 - Кольцо H155318 Количество:2 Примечание:122 X 129.960 X 7.900 mm (4.803" X 5.117" X 0.311")
11 - Сальник H155320
12 - Сальник H155322
13 - Компенсационное кольцо T108050
14 - Гильза гидравл. цилиндра AH229376
15 - Втулка H144210 Примечание:80.235 X 95.135 X 100 mm (3.159" X 3.745" X 3-15/16")
16 - Стержень AH229377
17 - Втулка H144210 Примечание:80.235 X 95.135 X 100 mm (3.159" X 3.745" X 3-15/16")
18 - Кольцо H155319
19 - Распорная втулка H155321
20 - Кольцо H155329 Количество:2
21 - Направл. штока гидроцил. H223539
22 - Поршень H231336
23 - Пружинное кольцо H231360
24 - Пружинное кольцо TH102766
25 - Шар T13624 Примечание:7.145 mm (9/32")
26 - Винт 19M8913 2 Примечание:M18 X 80
27 - Установочный винт 22M7009 Примечание:M12 X 12
28 - Гайка H155325
29 - Прокладка T108063
30 - Сальник TH102446 Количество:4
31 - Гидравлический цилиндр AH229374
32 - Комплект гидроцилиндров AH148453
Наверх
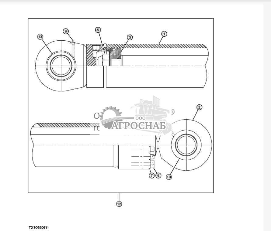
Hoist Cylinder (Feller Buncher) ( - 170325) - ST76586 ( Цилиндр Подъема (Валочно-Пакетирующая Машина) ( - ) - )
![Джон Дир 753J Hoist Cylinder (Feller Buncher) ( Hoist Cylinder (Feller Buncher) (]()
1 - Гильза гидравл. цилиндра ....... Количество:2
2 - Стержень AT348040
3 - Поршень F437029
4 - Направл. штока гидроцил. T339689
4 - Комплект уплотнений F437038
4 - Комплект уплотнений AT348039 Примечание:Комплект уплотнений поршня
4 - Комплект уплотнений AT347937 Примечание:Head Seal Kit
5 - Гайка F437111
6 - Болт F437114 6
7 - Шайба T20168 6
9 - Смазочная арматура JD7759 Количество:2 Примечание:(SUB FOR AT348041)
10 - Сферич. ролик. подшипник AT414723 Количество:2 Примечание:(USE WITH AT357145) (SUB FOR AT348042)
10 - Сферич. ролик. подшипник AT414723 Примечание:(USE WITH AT374672) (SUB FOR AT348042)
12 - Гидравлический цилиндр AT374672 Примечание:(SUB FOR AT339860 AND AT357145)
13 - Сферич. ролик. подшипник AT414723 Примечание:(USE WITH AT357145) )SUB FOR AT348042)
13 - Втулка T253386 Примечание:(USE WITH AT374672)
Наверх
Hoist Cylinder (Feller Buncher) (170326 - 177204) - ST76587 ( Цилиндр Подъема (Валочно-Пакетирующая Машина) ( - ) - )
![Джон Дир 753J Hoist Cylinder (Feller Buncher) (170326 Hoist Cylinder (Feller Buncher) (170326]()
1 - Гильза гидравл. цилиндра .. Количество:2
2 - Стержень AT361567
3 - Поршень F437029
4 - Направл. штока гидроцил. T339689
4 - Комплект уплотнений AT348039 Примечание:Комплект уплотнений поршня
4 - Комплект уплотнений AT361566 Примечание:Head Seal Kit
5 - Гайка F437111
6 - Болт F437114 6
7 - Шайба T20168 6
9 - Смазочная арматура JD7759 Количество:2 Примечание:(SUB FOR AT348041)
10 - Сферич. ролик. подшипник AT414723 Количество:2 Примечание:(SUB FOR AT348042)
10 - Сферич. ролик. подшипник AT414723 Примечание:(SUB FOR AT348042)
11 - Гильза F437027
12 - Гидравлический цилиндр .. Примечание:AT357145 NLA, ORDER AT374672
13 - Сферич. ролик. подшипник AT414723
Наверх
Hoist Cylinder (Feller Buncher) (177205 - ) - ST709262 ( Цилиндр Подъема (Валочно-Пакетирующая Машина) ( - ) - )
![Джон Дир 753J Hoist Cylinder (Feller Buncher) (177205 Hoist Cylinder (Feller Buncher) (177205]()
1 - Гильза гидравл. цилиндра .. Количество:2
2 - Стержень AT361567
3 - Поршень F437029
4 - Направл. штока гидроцил. T339689
4 - Комплект уплотнений AT348039 Примечание:Комплект уплотнений поршня
4 - Комплект уплотнений AT361566 Примечание:Head Seal Kit
5 - Гайка F437111
6 - Болт F437114 6
7 - Шайба T20168 6
9 - Смазочная арматура JD7759 Количество:2
10 - Сферич. ролик. подшипник AT414723 Примечание:(SUB FOR AT348042)
11 - Гильза F437027
12 - Гидравлический цилиндр AT374672
13 - Втулка T253386
Наверх
Цилиндр рукояти (пакетир. машина) - ST76588
![Джон Дир 753J Цилиндр рукояти (пакетир. машина) Цилиндр рукояти (пакетир. машина)]()
1 - Кольцо AH148454
2 - Защитное кольцо AT174374
3 - Сальник AT174377
4 - Уплотнительное кольцо AT200001
5 - Сальник H227910
6 - Защитное кольцо H155310
7 - Сальник H155311
8 - Защитное кольцо H155316 Количество:2
9 - Защитное кольцо H155317 Количество:2
10 - Защитное кольцо H155318 Количество:2
11 - Сальник H155320
12 - Сальник H155322
13 - Компенсационное кольцо T108050
14 - Гильза гидравл. цилиндра AH224260
15 - Втулка H144210
16 - Стержень AH229600
17 - Втулка H144210
18 - Поршень H155266
19 - Кольцо H155319
20 - Распорная втулка H155321
21 - Гайка H155325
22 - Кольцо H155329
23 - Кольцо поршня H155330
24 - Направл. штока гидроцил. H223539
25 - Пружинное кольцо TH102766
26 - Прокладка T108063
27 - Шар T13624
28 - Винт 19M8913 Примечание:M18 X 80
29 - Установочный винт 22M7009 Примечание:M12 X 12
30 - Сальник TH102446 Количество:4 Примечание:SUB FOR AH140158
31 - Гидравлический цилиндр AH224225
32 - Комплект гидроцилиндров AH148453
Наверх
Hydraulic Cylinders - Boom w Crank - ST76589 ( Гидравлические цилиндры - стрела с кривошипно - )
![Джон Дир 753J Hydraulic Cylinders Hydraulic Cylinders]()
1 - Гидравлический цилиндр AH224602 Примечание:Стержень
2 - Гидравлический цилиндр AT374672 Serial No.______-170325 Примечание:(SUB FOR AT339860 AND AT357145) (HOIST)
2 - Гидравлический цилиндр AT374672 Serial No.170326-______ Примечание:(SUB FOR AT339860 AND AT357145)
Наверх
Hoist Cylinder (Harvester) ( - 170325) - ST76590 ( Цилиндр Подъема (Жатка) ( - ) - )
![Джон Дир 753J Hoist Cylinder (Harvester) ( Hoist Cylinder (Harvester) (]()
1 - Гильза гидравл. цилиндра ... Количество:2
2 - Стержень AT348040
3 - Поршень F437029
4 - Направл. штока гидроцил. ...
4 - Комплект уплотнений AT348039 Примечание:Комплект уплотнений поршня
4 - Комплект уплотнений AT347937 Примечание:Head Seal Kit
5 - Гайка F437111
6 - Болт F437114 6
7 - Шайба T20168 6
9 - Смазочная арматура JD7759 Количество:2 Примечание:(SUB FOR AT348041)
10 - Сферич. ролик. подшипник AT414723 Количество:2 Примечание:(SUB FOR AT348042)
Наверх
Hoist Cylinder (Harvester) (170326 - ) - ST76591 ( Цилиндр Подъема (Жатка) ( - ) - )
![Джон Дир 753J Hoist Cylinder (Harvester) (170326 Hoist Cylinder (Harvester) (170326]()
1 - Гильза гидравл. цилиндра ....... Количество:2
2 - Стержень AT361567
3 - Поршень F437029
4 - Направл. штока гидроцил. T339689
4 - Комплект уплотнений AT348039 Примечание:Комплект уплотнений поршня
4 - Комплект уплотнений AT361566 Примечание:Head Seal Kit
5 - Гайка F437111
6 - Болт F437114 6
7 - Шайба T20168 6
9 - Смазочная арматура JD7759 Количество:2 Примечание:(SUB FOR AT348041)
10 - Сферич. ролик. подшипник AT414723 Количество:2 Примечание:(USE WITH AT357145) (SUB FOR AT348042)
10 - Сферич. ролик. подшипник AT414723 Примечание:(USE WITH AT374672) (SUB FOR AT348042)
11 - Гильза F437027
12 - Гидравлический цилиндр AT374672 Примечание:(SUB FOR AT339860 AND AT357145)
13 - Сферич. ролик. подшипник AT414723 Примечание:(USE WITH AT357145) (SUB FOR AT348042)
13 - Втулка T253386 Примечание:(USE WITH AT374672)
Наверх
Цилиндр рукояти (комбайн) - ST76592
![Джон Дир 753J Цилиндр рукояти (комбайн) Цилиндр рукояти (комбайн)]()
1 - Кольцо AH148454
2 - Сальник .......
3 - Сальник .......
4 - Защитное кольцо .......
5 - Защитное кольцо AT174374
6 - Сальник AT174377
7 - Уплотнительное кольцо AT200001
8 - Сальник H227910 Примечание:SUB FOR H155308)
9 - Защитное кольцо H155310 Примечание:95 X 110 X 3 mm (3.740" X 4.331" X 0.118")
10 - Сальник H155311
11 - Защитное кольцо H155316 Количество:2 Примечание:124 X 130 X 3 mm (4.882" X 5.118" X 0.118")
12 - Кольцо H155317 Количество:2 Примечание:125 X 129.960 X 7.900 mm (4.921" X 5.117" X 0.311")
13 - Кольцо H155318 Количество:2 Примечание:122 X 129.960 X 7.900 mm (4.803" X 5.117" X 0.311")
14 - Сальник H155320
15 - Сальник H155322
16 - Компенсационное кольцо T108050
17 - Гильза гидравл. цилиндра AH224603
18 - Втулка H144210 Примечание:80.235 X 95.135 X 100 mm (3.159" X 3.745" X 3-15/16")
19 - Сальник TH102446 Количество:4 Примечание:SUB FOR AH140158
23 - Стержень AH230102
30 - Поршень H155266 Количество:4
31 - Кольцо H155319
32 - Распорная втулка H155321
33 - Гайка H155325
34 - Кольцо H155329 Количество:2
35 - Кольцо поршня H155330
37 - Направл. штока гидроцил. H223539
38 - Пружинное кольцо TH102766
39 - Прокладка T108063
40 - Шар T13624 Примечание:7.145 mm (9/32")
41 - Винт 19M8913 Примечание:M18 X 80
42 - Установочный винт 22M7009 Примечание:M12 X 12
50 - Гидравлический цилиндр AH224602
52 - Комплект гидроцилиндров AH148453
Наверх