Содержимое: Каталог Запчастей John Deere :753J753JH Tracked Feller BuncherHarvester (S.N. -220452) - PC10034 18 Пост оператора 1807 Специальные элементы снижения уровня шума
Изоляция кабины - ST76462
Rollover Protection System (ROPS) - ST76463 ( Система защиты при опрокидывании (ROPS) - )
Cab Mounts ( - 150542) - ST76464 ( Такси Подключает ( - ) - )
Cab Mounts (150543 - ) - ST76465 ( Такси Подключает ( - ) - )
Окна и люк кабины - ST76466
Крепления приборов кабины - ST76467
Крепежные детали механического сиденья ( - 237135) - ST298969
Компоненты механического сиденья ( - 237135) - ST127528
Air Ride Seat Hardware - Standard Seat Belt - ST298970 ( Поездка Скобяными Воздуха Сиденье - Стандартным Ремнем Безопасности - )
Air Ride Seat Hardware - Four Point Harness - ST298971 ( Ездить Скобяными Пневмосиденья - Четырех Точечные Ремни Безопасности - )
Компоненты пневмосиденья ( - 237135) - ST34229
Ступеньки и поручни - ST76470
Рукоятка ступеньки — отсек - ST699942
Air Conditioner Heater - ST76472 ( Кондиционер Обогреватель - )
Трубопр. обогр. - ST76473
Кондиционер обогреватель - ST76474
Air Conditioner Heater Filter - ST76475 ( Фильтр Кондиционера Отопление - )
Конденсатор кондиционера воздуха - ST76476
Изоляция кабины - ST76462
![Джон Дир 753J Изоляция кабины Изоляция кабины]()
1 - Барьер ....... Примечание:(MAKE FROM T63019) (CTL)
2 - Коврик F387104
3 - Коврик F387105
4 - Коврик F387106
5 - Коврик F387107
6 - Коврик F387237 Количество:2
Наверх
Rollover Protection System (ROPS) - ST76463 ( Система защиты при опрокидывании (ROPS) - )
![Джон Дир 753J Rollover Protection System (ROPS) Rollover Protection System (ROPS)]()
1 - Рама кабины AT363430 Примечание:SUB FOR F393652
2 - Кабина F393652 Примечание:NLA, ORDER AT363430
3 - Дверца AT356060 Примечание:SUB FOR F393434
4 - Гайка 811952400 Количество:20
5 - Шарнир F298115 Количество:2
6 - Шарнир F121814 Количество:3 Примечание:Включает смазочный фитинг
7 - Шарнир F387631
8 - Шарнир F121814
8 - Смазочная арматура 58M5574 Количество:3
9 - Гайка 811952200 1
10 - Сварочная гайка 811898100 Количество:67
11 - Гайка F124065 Количество:67
12 - Шаровой палец T142651 Количество:2 Примечание:SUB FOR F304342
13 - Гайка 14H1042 Количество:2 Примечание:5/16"
14 - Шайба 24H1942 Количество:4 Примечание:15/64" X 7/16" X 0.040"
15 - Винт 21H1312 Количество:4 Примечание:0.190" X 1"
16 - Болт F123653
17 - Гайка 811952400 Количество:4
18 - Гайка W48668 Количество:55
19 - Цилиндр AT192449 Количество:2
20 - Фиксатор шар. соединения 56M7007 Количество:2
21 - Гайка 811952200 Количество:31
22 - Уплотнение R76454
23 - Панель AT356063 Количество:2 Примечание:SUB FOR F399028
24 - Гайка 810975700 Количество:3
25 - Винт 19M7783 5 Примечание:M10 X 16
26 - Пластина F295737 Примечание:SUB FOR F385791
27 - Крышка AT356064 Примечание:SUB FOR F393404
28 - Гайка 14M7274 Количество:2 Примечание:M10
29 - Винт 21M7267 Количество:2 Примечание:M6 X 20
30 - Шайба 24M7433 Количество:4 Примечание:10.500 X 20 X 2 mm
31 - Труба F388099 Количество:2
32 - Винт с головкой 19M7938 Количество:2 Примечание:M10 X 20
33 - Пластина T244025 Примечание:SUB FOR F388839
34 - Сальник T228821 Количество:2
35 - Рукоятка 811860300
35 - Кнопка T185375
36 - Фиксатор F125834
37 - Ручка M80721 Количество:2
38 - Стопорная шайба 12H304 Примечание:3/8 дюйма
39 - Винт F003909
40 - Пружина 811866500
41 - Стержень F393393
42 - Шайба 24M7435 Примечание:8 X 15 X 1.600 mm
43 - Гайка 14H786 Количество:2 Примечание:1/4 дюйма
44 - Стопорная гайка 811451300
45 - Вилка T150163
46 - Пружинный стопорный штифт T122370
47 - Винт 21H1287 Примечание:1/4" X 1-1/4"
Наверх
Cab Mounts ( - 150542) - ST76464 ( Такси Подключает ( - ) - )
![Джон Дир 753J Cab Mounts ( Cab Mounts (]()
1 - Винт 19M9788 Количество:5 Примечание:M24 X 140
2 - Шайба 810020200 Количество:5
3 - Изолятор AT421423 Количество:4 Примечание:(SUB FOR F123940)
4 - Шайба F281548 Количество:5 Примечание:26 X 100 X 6.400 mm (1.024" X 3-15/16" X 0.252")
5 - Труба T250483 Примечание:(SUB FOR F296330)
Наверх
Cab Mounts (150543 - ) - ST76465 ( Такси Подключает ( - ) - )
![Джон Дир 753J Cab Mounts (150543 Cab Mounts (150543]()
1 - Винт с головкой 19M9146 Количество:5 Примечание:M24 X 140
2 - Шайба 24M7351 Количество:5 Примечание:25 X 44 X 4 mm
3 - Изолятор AT421423 Количество:4 Примечание:(SUB FOR F123940)
4 - Шайба F281548 Количество:5 Примечание:26 X 100 X 6.400 mm (1.024" X 3-15/16" X 0.252")
5 - Труба T250483 Примечание:(SUB FOR F296330)
Наверх
Окна и люк кабины - ST76466
![Джон Дир 753J Окна и люк кабины Окна и люк кабины]()
1 - Фланцевая гайка 14M7518 2 Примечание:M10
2 - Винт с головкой 19M7402 Количество:93 Примечание:M10 X 25
4 - Винт 21M7267 Количество:4 Примечание:M6 X 20
5 - Шайба T105740 Примечание:11.400 X 25.400 X 2.286 mm (0.449" X 1" X 0.090"), (SUB FOR 24M7346)
6 - Ручка T254998 Количество:8 Примечание:(SUB FOR 700301900)
7 - Желоб F435611 Примечание:(CTL)
8 - Стекло AT335757 Примечание:(ALSO ORDER PM37463)
9 - Барьер ....... Примечание:(CTL), (MAKE FROM T59937)
10 - Винт 19M7785 2 Примечание:M10 X 25
12 - Желоб T265166 Примечание:(SUB FOR F121403) (CTL)
13 - Изолятор T229135 Примечание:(CTL)
14 - Фиксатор F124087 Количество:2
15 - Окно F292918
16 - Окно F292954
17 - Окно F295003 Примечание:Feller Buncher
17 - Окно F295003 Примечание:Harvester, (SUB FOR F386735)
18 - Окно F295667
19 - Окно F382792
20 - Пластина F385701
21 - Пластина F385702
22 - Пластина F385703
23 - Пластина F385704
24 - Пластина F385705 Количество:2
25 - Пластина F385706 Количество:2
26 - Пластина F385707 Количество:2 Примечание:Feller Buncher
26 - Пластина F385707 Количество:2 Примечание:Harvester, (SUB FOR F385773)
27 - Пластина F385709 Количество:2 Примечание:Feller Buncher
27 - Пластина F385709 Количество:2 Примечание:Harvester, (SUB FOR F399046)
28 - Стопор F385820
29 - Дверца F385825
32 - Болт T237885 Количество:2
34 - Пластина F399013
35 - Пластина F399014 Количество:2
36 - Пластина F399015
37 - Пластина F399017
38 - Пластина F399018
39 - Пластина F399019
40 - Кронштейн F399032 Количество:2
42 - Окно F399094
43 - Пластина T226994
44 - Пластина T226995
Примечание:Not Shown - CTL
45 - Пластина T226996
46 - Пластина T226997
47 - Скоба 700732100 Количество:4
48 - Винт с головкой T104773 6
49 - Клей F125826
Примечание:Not Shown - CTL
Наверх
Крепления приборов кабины - ST76467
![Джон Дир 753J Крепления приборов кабины Крепления приборов кабины]()
1 - Фланцевая гайка 14M7296 Количество:2 Примечание:M10
2 - Стопорная гайка 14M7397 Количество:9 Примечание:M6
3 - Винт 21M7248 Количество:28 Примечание:M6 X 30
4 - Винт 21M7267 Количество:85 Примечание:M6 X 20
5 - Шайба 24H1287 Количество:67 Примечание:9/32" X 5/8" X 0.065"
6 - Шайба 24M7100 Количество:20 Примечание:6.600 X 22 X 2 mm
7 - Кольцо 811664100
8 - Сальник F435618
10 - Кабель 811973300
11 - Штифт 827284500
12 - Карман AT190780
13 - Изолятор T59938 Примечание:3124.200 mm (123")
14 - Крючок F121270 Количество:2
15 - Лента T180494
16 - Ручка AT325667 Количество:5 Примечание:SUB FOR F125841
17 - Покрытие F383559
18 - Панель F383871
19 - Панель F383872
20 - Панель F383873
21 - Панель F383875
22 - Панель F383876
23 - Панель F386019
24 - Коврик F386765
25 - Коврик F386766
26 - Пластина T254975 Примечание:(SUB FOR F386776)
27 - Пластина T254966 Примечание:(SUB FOR F386847)
28 - Пластина F386852 Количество:2
29 - Пластина F386859
30 - Пластина F386876
31 - Пластина F386972
32 - Отсек для хран. инстр. F386988
33 - Пластина T258029 Примечание:(SUB FOR F388233)
34 - Покрытие F388629
35 - Кронштейн F391954
36 - Крышка F393424
37 - Панель F393446
38 - Кронштейн F393560
39 - Крышка F393689
40 - Гайка 14M7297 Количество:8 Примечание:M5
41 - Шайба 24H1942 Количество:8 Примечание:15/64" X 7/16" X 0.040"
42 - Шарнир F125865 Количество:2
43 - Крышка F393686
44 - Покрытие F393971
45 - Покрытие F393972
46 - Покрытие T254961 Примечание:(SUB FOR F393973)
47 - Заглушка M151817 Количество:3
48 - Гайка M84972 Количество:23
49 - Шайба T105740 Количество:2
50 - Приборная панель T229595
51 - Уплотнение L113460
52 - Гайка R201796
53 - Заглушка M115279
Наверх
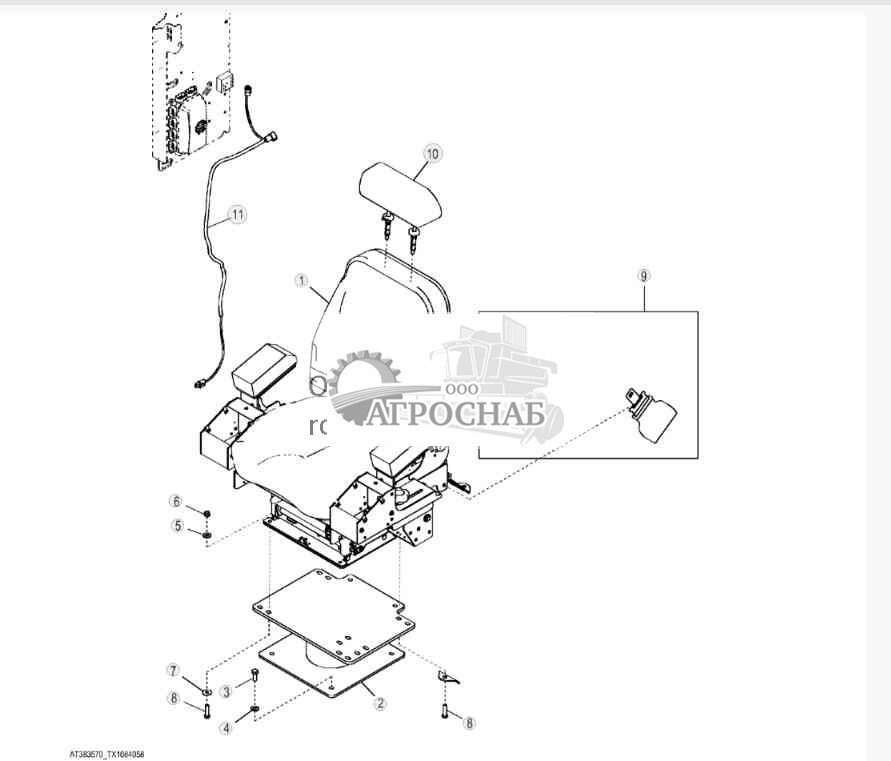
Крепежные детали механического сиденья ( - 237135) - ST298969
![Джон Дир 753J Крепежные детали механического сиденья ( Крепежные детали механического сиденья (]()
1 - Сиденье F124072 Примечание:Компоненты перечислены на отдельных стр.
2 - База AT394460
3 - Шайба 24M7296 Количество:8 Примечание:10.500 X 30 X 2.500 mm
4 - Стопорная гайка K40002 Количество:8
5 - Стопорная гайка 14M7401 Количество:4 Примечание:M12
6 - Винт с головкой 19M8011 Количество:6 Примечание:M12 X 30
7 - Шайба 24M7240 Количество:4 Примечание:13 X 25 X 3 mm
8 - Пластина F298566
9 - Пластина F298565
10 - Захват AT186991
Наверх
Компоненты механического сиденья ( - 237135) - ST127528
![Джон Дир 753J Компоненты механического сиденья ( Компоненты механического сиденья (]()
1 - Сиденье F124072
2 - Подголовник F434632
2 - Наволочка F434645 Примечание:ВЫПУСК ПРЕКРАЩЕН
3 - Спинка сиденья F436316 Примечание:Узел опоры для спины
3 - Спинка сиденья F434633 Примечание:Только чехол
3 - Спинка сиденья F437427 Примечание:Сиденье и чехол с четырехточечным жгутом проводов
4 - Ручка F304259
5 - Ремень безопасности F434634
6 - Крышка F434635
7 - Подушка F434636 Примечание:Подушка и чехол
8 - Ручка ....... Количество:4
9 - Шайба ....... Количество:2
10 - Стопорная шайба .......
11 - Подлокотник ....... Количество:2
12 - Винт ....... Количество:2
13 - Ручка F304262 Количество:2
14 - Шайба .......
15 - Шайба .......
16 - Шайба .......
17 - Винт ....... Количество:8
18 - Гайка ....... Количество:8
19 - Амортизатор ....... Количество:2 Примечание:SUB FOR F304268
20 - Шаровой палец T142651 Количество:2
21 - Узел амортизатора сиденья F304269 Количество:2
22 - Рама F434641
25 - Направляющая F434642
26 - Ручка AT251053 Примечание:SUB FOR F304418
27 - Пластина .......
28 - Крышка F434643
28 - Крышка F434644
30 - Ручка F304260
31 - Втулка F436327
32 - Кронштейн F437444
40 - Пластина F435522
41 - Подлокотник F434638 Количество:2
42 - Ручка F434637 Количество:4
43 - Комплект ремней F304264 Количество:2
44 - Амортизатор AT251042 Количество:2 Примечание:SUB FOR F304268
45 - Пружинное кольцо H86839 Количество:2
46 - Втулка F436327 Количество:2
Наверх
Air Ride Seat Hardware - Standard Seat Belt - ST298970 ( Поездка Скобяными Воздуха Сиденье - Стандартным Ремнем Безопасности - )
![Джон Дир 753J Air Ride Seat Hardware Air Ride Seat Hardware]()
1 - Узел сиденья AT359354 Примечание:Компоненты перечислены на отдельных стр.
2 - База AT394460
3 - Винт с головкой 19M8011 Количество:4 Примечание:M12 X 30
4 - Шайба 24M7240 Количество:4 Примечание:13 X 25 X 3 mm
5 - Шайба T105740 Количество:4
6 - Стопорная гайка 14M7517 Количество:4 Примечание:M10
7 - Шайба 24M7296 Количество:2 Примечание:10.500 X 30 X 2.500 mm
8 - Винт с головкой 19M8637 Количество:4 Примечание:M10 X 40
9 - Ремень безопасности AT385683
10 - Подголовник F434632
11 - Жгут проводов AT399022 Примечание:Компоненты перечислены на отдельной странице
11 - Плавкий предохранитель 57M7121 Примечание:Air Ride Seat, 10 Amp. Посмотреть аналогичные детали
Наверх
Air Ride Seat Hardware - Four Point Harness - ST298971 ( Ездить Скобяными Пневмосиденья - Четырех Точечные Ремни Безопасности - )
![Джон Дир 753J Air Ride Seat Hardware Air Ride Seat Hardware]()
1 - Узел сиденья AT359354 Примечание:Компоненты перечислены на отдельных стр.
2 - База AT394460
3 - Винт с головкой 19M8011 Количество:4 Примечание:M12 X 30
4 - Шайба 24M7240 Количество:4 Примечание:13 X 25 X 3 mm
5 - Шайба T105740 Количество:4
6 - Стопорная гайка 14M7517 Количество:4 Примечание:M10
7 - Шайба 24M7296 Количество:2 Примечание:10.500 X 30 X 2.500 mm
8 - Винт с головкой 19M8637 Количество:4 Примечание:M10 X 40
9 - Ремень безопасности AT385997
10 - Подголовник AT384348
11 - Наволочка AT384349 Примечание:Head Restraint
12 - Жгут проводов AT399022 Примечание:Компоненты перечислены на отдельной странице
12 - Плавкий предохранитель 57M7121 Примечание:Air Ride Seat, 10 Amp, Посмотреть аналогичные детали
Наверх
Компоненты пневмосиденья ( - 237135) - ST34229
![Джон Дир 753J Компоненты пневмосиденья ( Компоненты пневмосиденья (]()
1 - Наволочка AT376094
2 - Комплект сиденья AT376095
3 - Кронштейн F304271
4 - Гайка AT251059 Количество:8
5 - Винт T265815 Количество:8
6 - Комплект ручки сиденья AT376096
7 - Ручка F304262 Количество:2
8 - Кронштейн AT376097 Количество:2
9 - Кронштейн AT376098
10 - Амортизатор AT251042 Количество:2 Примечание:Подлокотник
11 - Переключатель AT376099
12 - Комплект компрессора AT376101 Примечание:24 V
13 - Подвеска сиденья AT376102
14 - Узел амортизатора сиденья AT376103 Количество:2
15 - Компл. башм. подв. сид. AT376104
16 - Кронштейн AT376105
17 - Комп. направляющ. сиденья AT376106
18 - Подушка AT376107 Примечание:(INCLUDES AT382280)
18 - Наволочка AT382280
20 - Ручка F434637 Количество:4
21 - Кронштейн AT262244
22 - Подлокотник AT376225 Количество:2
22 - Крышка AT384350
23 - Комплект ручки сиденья AT376226
24 - Крышка F434643
25 - Крышка F434644
26 - Хомут T246879
27 - Комп. сид. на пн. ресс. AT384352
40 - Узел сиденья AT359354
Наверх
Ступеньки и поручни - ST76470
![Джон Дир 753J Ступеньки и поручни Ступеньки и поручни]()
1 - Винт 19M7785 Количество:6 Примечание:M10 X 25
2 - Винт 19M7867 Количество:4 Примечание:M8 X 25
3 - Шайба 24M7336 Количество:4 Примечание:9 X 16 X 1.600 mm
4 - Рукоятка F385734
5 - Пластина F385772
6 - Пластина F399031
7 - Шайба T105740 Количество:6 Примечание:11.400 X 25.400 X 2.286 mm (0.449" X 1" X 0.090")
Наверх
Рукоятка ступеньки — отсек - ST699942
![Джон Дир 753J Рукоятка ступеньки — отсек Рукоятка ступеньки — отсек]()
1 - Лестница F382815
2 - Распорная втулка F384962 Количество:2
3 - Винт 19M7789 Количество:2 Примечание:M12 X 30
4 - Стопорная гайка ..... Количество:2 Примечание:(ORDER 14M7401)
5 - Крепление со штифтом 811930000
6 - Противокольз. накладка F385005
7 - Винт 19M7862 Примечание:M6 X 20
8 - Фланцевая гайка 14M7608 Примечание:M6
9 - Шайба N231749
Наверх
Air Conditioner Heater - ST76472 ( Кондиционер Обогреватель - )
![Джон Дир 753J Air Conditioner Heater Air Conditioner Heater]()
1 - Коленчатый патрубок 810453400 Количество:2
2 - Шланговый зажим T184924 Количество:4 Примечание:SUB FOR APPL AT330787
3 - Вентилятор F123923
4 - Винт 19M7775 Количество:6 Примечание:M6 X 16
5 - Шланг без конц. арматуры ..... Примечание:ORDER T230116 CTL
6 - Шланг без конц. арматуры ..... Примечание:ORDER T230116 CTL
7 - Шланг без конц. арматуры ..... Примечание:ORDER T230116 CTL
8 - Шланг без конц. арматуры ..... Примечание:ORDER T230116 CTL
9 - Шланг без конц. арматуры ..... Примечание:ORDER T230116 CTL
10 - Шланг без конц. арматуры ..... Примечание:ORDER T230116 CTL
11 - Шланг без конц. арматуры ..... Примечание:ORDER T230116 CTL
12 - Шланг без конц. арматуры ..... Примечание:ORDER T230116 CTL
13 - Шланг без конц. арматуры ..... Примечание:ORDER T230116 CTL
14 - Шланг без конц. арматуры ..... Примечание:ORDER T230116 CTL
15 - Шланг без конц. арматуры ..... Примечание:ORDER T230116 CTL
16 - Шланг без конц. арматуры ..... Примечание:ORDER T230116 CTL
17 - Шланг без конц. арматуры ..... Примечание:ORDER T230116 CTL
18 - Шланг без конц. арматуры ..... Примечание:ORDER T230116 CTL
19 - Фитинг шланга 842838700 Количество:2
20 - Скоба AR21842 Количество:2
21 - Шланговый зажим AR40418 Количество:28
22 - Жалюзи F123924 3
23 - Шланг без конц. арматуры ..... Примечание:CTL 1524 mm, MF TY22328
24 - Шланговый зажим AR21837 Количество:4
25 - Шланг T364172 Примечание:SUB FOR 841744100
26 - Шланг хладагента AT343470 Примечание:NLA; ORDER AT419523 AND AT419524
26 - Шланг хладагента AT419523
26 - Шланг хладагента AT419524
27 - Шланг хладагента AT343464 Примечание:NLA; ORDER AT429673 AND AT419522
27 - Шланг хладагента AT429673 Примечание:SUB FOR AT419521
27 - Шланг хладагента AT419522
28 - Уплотнение 811145200 Количество:2
29 - Фитинг T239503 Количество:4
Наверх
Трубопр. обогр. - ST76473
![Джон Дир 753J Трубопр. обогр. Трубопр. обогр.]()
1 - Гайка 14M7274 Примечание:M10
2 - Фланцевая гайка 14M7518 Примечание:M10
3 - Винт 19M7786 Примечание:M10 X 30
4 - Гильза XFS-F-20
5 - Шланговый зажим RE32361 Количество:4
6 - Фитинг 810287600
7 - Шайба 24M7433 Количество:2 Примечание:10.500 X 20 X 2 mm
8 - Обвязной хомут R44302 Количество:6 Посмотреть аналогичные детали
9 - Фитинг T177861 Примечание:12.700 mm (1/2")
10 - Скоба T26955 Количество:2
11 - Фитинг T177863
12 - Золотниковый клапан 842586700
14 - Шланг без конц. арматуры ....... Примечание:(MAKE FROM TY22328) (9.7')
15 - Шланг без конц. арматуры ....... Примечание:(MAKE FROM TY22328) (7.6')
Наверх
Кондиционер обогреватель - ST76474
![Джон Дир 753J Кондиционер обогреватель Кондиционер обогреватель]()
1 - Кондиционер .......
2 - Переключатель F437250 Примечание:Вкл./выкл. конд. воздуха
3 - Кронштейн F436064
4 - Скоба F436065 Количество:2
6 - Преобразователь F436087
8 - Крышка F436066
9 - Крышка F436082
10 - Фитинг AT262545 Количество:2
11 - Испаритель F436068
12 - Воздушный фильтр F436088 Примечание:Система рециркуляции в кабине
14 - Обогреватель F436069
16 - Корпус F436071
17 - Ручка F436086 Количество:2 Примечание:Регулировка температуры
18 - Ручка F436072 Количество:2 Примечание:Частота вращения вентилятора
19 - Мотор F436073
20 - Кронштейн F436074 Количество:2
21 - Гайка 842830500 Количество:4
22 - Гайка 842830200 Количество:3
24 - Оборудование ОВКВ F436075
25 - Стопор F436076
26 - Жиклер F436215
27 - Винт с головкой 19H3719 Количество:4 Примечание:5/16" X 1/2"
28 - Винт F436070 6
29 - Винт 842834400 Количество:7
30 - Переключатель 842831100 Примечание:Регулировка температуры
31 - Термостат AT307725
32 - Труба T160136
33 - Скоба F436217
34 - Оборудование ОВКВ F436078 Примечание:Водяной клапан
35 - Скоба F436216
36 - Жгут проводов F436067
37 - Жгут проводов F436079
37 - Реле RE562004 Количество:2
38 - Стопор F436176 Примечание:(КОМПЛЕКТ ИЗ 10 ШТ.)
39 - Шайба ....... Количество:5
40 - Гайка ....... Количество:2
Наверх
Air Conditioner Heater Filter - ST76475 ( Фильтр Кондиционера Отопление - )
![Джон Дир 753J Air Conditioner Heater Filter Air Conditioner Heater Filter]()
1 - Гайка 14M7100 Количество:4 Примечание:M4
2 - Винт 19M7865 Количество:4 Примечание:M8 X 16
3 - Шайба 24H1942 Количество:8 Примечание:15/64" X 7/16" X 0.040"
4 - Фильтрующий элемент 700093800
5 - Барьер ....... Примечание:(MAKE FROM T61858) (CTL)
Наверх
Конденсатор кондиционера воздуха - ST76476
![Джон Дир 753J Конденсатор кондиционера воздуха Конденсатор кондиционера воздуха]()
1 - Гайка 14M7274 Примечание:M10
2 - Фланцевая гайка 14M7518 Количество:5 Примечание:M10
3 - Скоба TY22473 Количество:2
4 - Обвязной хомут R44302 Количество:3 Посмотреть аналогичные детали
5 - Обвязной хомут N189220 Количество:3
6 - Скоба TY22471 Количество:2
8 - Расширит. бачок/осушитель 843010700
9 - Шайба 24M7240 Примечание:13 X 25 X 3 mm, (SUB FOR F123561)
10 - Переключатель F123828
11 - Конденсатор пара AT397605 Примечание:Охладитель топлива
12 - Шланг хладагента F123928
13 - Оборудование ОВКВ F124088
14 - Шланг хладагента F125627
15 - Шланг хладагента F395115 Примечание:5/8" X 927 mm (36-1/2") X 5/8"
15 - Уплотнительное кольцо R10093 Количество:2 Примечание:7.645 X 1.778 mm (0.301" X 0.070")
16 - Скоба 811819300 Количество:2
16 - Шайба R70663 Количество:2 Примечание:13.500 X 25.400 X 3.050 mm (17/32" X 1" X 0.120"), (SUB FOR 24H1254)
17 - Уплотнительное кольцо R113050 Количество:2
18 - Уплотнительное кольцо R33259
19 - Уплотнительное кольцо R27166
20 - Уплотнительное кольцо R10093 Количество:2 Примечание:7.645 X 1.778 mm (0.301" X 0.070")
Наверх