Содержимое: Каталог Запчастей John Deere :753J753JH Tracked Feller BuncherHarvester (S.N. -220452) - PC10034 04A Engine 6081HTJ08 0400A Engine 6081HTJ08 6081HTJ08
1102 Крышка клапана - ST440734
1350 Crankshaft Pulley - ST74416 ( Шкив Коленчатого Вала - )
1411 Корпус маховика - ST74417
1505 Маховик - ST74418
1505 Маховик - ST74419
16AR Fuel Injection Pump - ST74420 ( Топливный Насос Высокого Давления - )
16AR Fuel Injection Pump - ST74421 ( Топливный Насос Высокого Давления - )
1733 1733 INTAKE MANIFOLD - ST153017 ( ВПУСКНОЙ КОЛЛЕКТОР - )
1905 Масляный поддон - ST74424
1905 Engine Oil - ST74425 ( Моторное Масло - )
2201 Thermostat - ST74426 ( Термостат - )
2318 Fan Drive - ST854119 ( Привод Вентилятора - )
2601 Нагреватель охлаждающей жидкости двигателя - ST20585
2802 Выхлопной коллектор - ST74429
2912 Ventilating System - ST74430 ( Система Вентиляции - )
3003 Starting Motor - ST74431 ( Запуск Двигателя - )
3510 Fuel Filter - ST74432 ( Топливный Фильтр - )
3510 Fuel Filter and Lines - ST74433 ( Топливный фильтр и линии - )
4038 Engine Oil Dipstick - ST74434 ( Двигатель Масла Щуп - )
4401 Engine Speed Sensor - ST74435 ( Датчик Оборотов Двигателя - )
4634 Cylinder Block Fittings - ST74436 ( Блок Цилиндров Арматуры - )
4634 Short Block Assembly - ST74437 ( Короткий Блок Ассамблеи )
4634 Camshaft - ST74438 ( Распредвал - )
4701 Crankshaft - ST74439 ( Коленвала - )
4902 Rocker Arm Shaft - ST74440 ( Ось Коромысел - )
5002 Oil Pump - ST74441 ( Масляный Насос - )
5002 Oil Pump - ST74442 ( Масляный Насос - )
5104 Cylinder Head - ST74444 ( Головка Блока Цилиндров - )
5222 Front Auxiliary Drive - ST74445 ( Передний Вспомогательный Привод - )
5701 Water Pump Inlet - ST74446 ( Водяной Насос Впуск - )
5911 Oil Cooler - ST74447 ( Масляный Радиатор - )
6215 Alternator Mounting - ST74448 ( Генератор Крепления - )
6562 Turbocharger and Oil Lines - ST74449 ( Турбонагнетатель и маслопроводов - )
7434 Air Conditioning Mounting - ST74450 ( Кондиционер Монтаж )
7601 Engine Oil Pressure Switch - ST74451 ( Датчик Давления Моторного Масла - )
7701 Крышка распределительной шестерни - ST74452
9901 Engine Rebuild Gasket Kit - ST957023 ( Двигатель Восстановить Набор Прокладок - )
9901 Комплект для капитального ремонта двигателя (12) - ST957147
9901 Комплект для капитального ремонта двигателя (22) - ST957187
9901 Комплект гильзы поршня - ST74456
9901 Fan Support Plate and Idler Pulley - ST74458 ( Поддержка болельщиков плиты и направляющего шкива )
9901 Complete Block Assembly - ST730169 ( Полный Блок В Сборе - )
1102 Крышка клапана - ST440734
![Джон Дир 753J 1102 Крышка клапана 1102 Крышка клапана]()
1 - Гайка R134920 2
2 - Корпус RE509265
3 - Корпус R502695
4 - Сальник R502719
5 - Жгут проводов RE509048
5 - Сальник R520373
6 - Шайба 24H1287 Количество:2 Примечание:9/32" X 5/8" X 0.065"
7 - Винт с головкой 19H2036 Количество:2 Примечание:1/4" X 7/8"
8 - Крышка клапана RE536026 Примечание:SUB FOR RE505094
9 - Сальник R502598 Посмотреть аналогичные детали
10 - Винт 37H26 Количество:5 Примечание:0.116" X 1/4"
11 - Сальник R504093 Количество:4
12 - Коленчатый патрубок R120467 Примечание:USE WITH RE505094
13 - Уплотнительное кольцо R72328
14 - Шайба 24H1286 5 Примечание:9/32" X 1/2" X 1/16"
15 - Винт с головкой 19H1914 Количество:7 Примечание:1/4" X 1"
16 - Винт с головкой 19H2151 Количество:2 Примечание:1/4" X 3"
17 - Винт с головкой 19H2334 Количество:6 Примечание:1/4" X 2-1/2"
Наверх
1350 Crankshaft Pulley - ST74416 ( Шкив Коленчатого Вала - )
![Джон Дир 753J 1350 Crankshaft Pulley 1350 Crankshaft Pulley]()
1 - Коленвал .......
2 - Кнопка R523306 Примечание:(Sub For R116311)
3 - Демпфер крут. колебаний RE500917
4 - Шайба R26333
5 - Винт с головкой R79846
6 - Демпфер крут. колебаний RE57604
7 - Шкив R518277 Примечание:(Sub For R135175)
8 - Винт с головкой 19H2633 Количество:6 Примечание:3/8" X 1-1/2"
Наверх
1411 Корпус маховика - ST74417
![Джон Дир 753J 1411 Корпус маховика 1411 Корпус маховика]()
1 - Винт с головкой 19H1782 Количество:6 Примечание:3/4" X 2-1/4"
2 - Корпус R121690 Примечание:(SAE 2)
3 - Винт 21H1318 Количество:2 Примечание:0.216" X 1/2"
4 - Крышка R519255 Примечание:(Sub For R31493)
5 - Прокладка R67989
6 - Установочный штифт H79910 Количество:2
7 - Пластина R89195
8 - Винт с головкой 19H1227 Количество:2 Примечание:1/4" X 1/2"
9 - Винт с головкой 19H2117 Количество:6 Примечание:5/16" X 1-1/8"
10 - Шайба T27860 Количество:6 Примечание:8.740 X 17.500 X 1.664 mm (11/32" X 0.689" X 0.066")
11 - Корпус R125027
12 - Прокладка R520504 Примечание:(Sub For R26058)
13 - Сальник RE520036 Примечание:(Sub For RE504363) Посмотреть аналогичные детали
14 - Заглушка R121929
15 - Винт с головкой 19H3530 Количество:2 Примечание:1/2" X 7/8"
16 - Крышка R56619
17 - Винт с головкой 19H2021 Количество:2 Примечание:3/8" X 5/8"
Наверх
1505 Маховик - ST74418
![Джон Дир 753J 1505 Маховик 1505 Маховик]()
1 - Винт с головкой R112884 Количество:6 Примечание:12.700 X 50.800 mm (1/2" X 2")
2 - Шайба T23891 Количество:6
3 - Зубчатый венец R28811 Посмотреть аналогичные детали
4 - Маховик RE61416 Примечание:356MM (14 IN.), (Marked R124797)
Наверх
1505 Маховик - ST74419
![Джон Дир 753J 1505 Маховик 1505 Маховик]()
1 - Муфта 700693100
2 - Шайба 24M7433 Количество:8 Примечание:10.500 X 20 X 2 mm, (Sub For 810309800)
3 - Винт с головкой 19H2633 Количество:8 Примечание:3/8" X 1-1/2", (Sub For 810080300)
Наверх
16AR Fuel Injection Pump - ST74420 ( Топливный Насос Высокого Давления - )
![Джон Дир 753J 16AR Fuel Injection Pump 16AR Fuel Injection Pump]()
1 - Винт с головкой 19H3218 Количество:6 Примечание:3/8" X 1-3/4"
2 - Шайба R63845 Количество:6
3 - Скоба R502602 Количество:6
4 - Гайка R134920 Количество:2
5 - Впрыскивающие форсунки RE518725 Количество:6 Примечание:(Yellow) (Order RE524362)(5160)
5 - Впрыскивающие форсунки RE524362 Количество:6
5 - Впрыск. форсунка восст. SE501937 Количество:6 Примечание:(Reman For RE524362)
6 - Уплотнительное кольцо R503578 Количество:6
7 - Шайба R131051 Количество:6
8 - Уплотнительное кольцо R135526 Количество:6 Примечание:(Sub For R505570)
9 - Фитинг RE509416 Количество:6
10 - Топливопровод RE515524 Примечание:NO.6
11 - Топливопровод RE504017 Примечание:NO.5
12 - Топливопровод RE504016 Примечание:NO.4
13 - Топливопровод RE504015 Примечание:NO.3
14 - Топливопровод RE504014 Примечание:NO.2
15 - Топливопровод RE504013 Примечание:NO.1
16 - Скоба RE502655 Количество:2 Примечание:(Includes (2) 19M7502 And (2) 24M7027)
17 - Скоба RE509012 Примечание:(Includes (3) 19M7502 And (3) 24M7027)
18 - Скоба RE509013 Примечание:(Includes (4) 19M7502 And (4) 24M7027)
19 - Фитинг RE502650 Количество:6
20 - Уплотнительная шайба R51936 Количество:6 Посмотреть аналогичные детали
21 - Топливопровод RE506982
22 - Уплотнительная шайба R63551 Количество:2
23 - Заглушка RE507270 Количество:2
24A - Трубная гайка R63552 Количество:2
24B - Фитинг 38H1415
25 - Уплотнительная шайба R51936 Количество:2 Посмотреть аналогичные детали
26 - Линия RE507003
27 - Фитинг переходника RE506624
28 - Прокладка R515454
29 - Редукционный клапан RE516335
30 - Ограничитель RE515636 Количество:6
31 - Датчик RE520930 Примечание:(Sub For RE515635)
32 - Магистраль RE521433 Примечание:(Sub For RE516676)
33 - Винт с головкой 19H2699 Количество:2 Примечание:7/16" X 2-1/4"
34 - Скоба RE502654
35 - Топливопровод RE505155
36 - Топливопровод RE505154
37 - Уплотнительная шайба R67092 Количество:2
38 - Топливопровод RE521477
39 - Передача R504089
40 - Винт 19M7783 Количество:3 Примечание:M10 X 16
Наверх
16AR Fuel Injection Pump - ST74421 ( Топливный Насос Высокого Давления - )
![Джон Дир 753J 16AR Fuel Injection Pump 16AR Fuel Injection Pump]()
40 - Винт 19M7783 Количество:3 Примечание:M10 X 16
41 - Уплотнительное кольцо R135526
42A - Тройник RE515821 Примечание:(Includes R135526)
42B - Клапан RE522834 Примечание:(Includes (2) R63548, R519759, R77175)
42B - Крышка R77175
43 - Фитинг переходника RE503059
44 - Упаковка R67264 Количество:2
45 - Маслопровод RE504156
46 - Фитинг R76822
47 - Шайба 24M7239 Количество:3 Примечание:10.700 X 21 X 2.500 mm
48 - Гайка 14H1090 Количество:3 Примечание:3/8 дюйма
49 - Уплотнительное кольцо 51M7095 Примечание:11.300 X 2.200 mm
50 - Клапан RE524349 Engine Serial No.______-244799 Примечание:(Includes 51M7095 ) (Sub For RE518420)
50 - Обратный клапан RE520978 Engine Serial No.244800-______
51 - Фитинг переходника RE503058 Количество:2 Engine Serial No.______-244799
51 - Фитинг RE522616 Engine Serial No.244800-______
52 - Шайба R515456
53 - Рукоятка прокачки RE515638
54 - Уплотнительное кольцо R515457
55 - Шайба R515455
56 - Клапан RE515637 Примечание:(Includes R515455 ) (Sub RE524806)
57 - Комплект датчиков RE524660 Примечание:(Sensors)
58 - Нагнетат. топливный насос RE518807 Примечание:(DENSO)HPCR (24V)
58 - Нагн. топл. насос восст. SE501919 Примечание:(Reman For RE518807) (DENSO) (24V)
59 - Шайба 24H1652 Примечание:13/32" X 11/16" X 7/64"
60 - Винт 19H3124 Примечание:3/8" X 1-1/2"
61 - Контроллер двигателя RE522515
62 - Впрыскивающие форсунки RE524362 Количество:6
62 - Впрыск. форсунка восст. SE501937 Количество:6 Примечание:(REMAN FOR RE524362)
63 - Уплотнительное кольцо R519759
64 - Уплотнительное кольцо R63548 Количество:2
.. - Впрыскивающие форсунки RE524362
.. - Впрыск. форсунка восст. SE501937 Примечание:(REMAN FOR RE524362)
Наверх
1733 1733 INTAKE MANIFOLD - ST153017 ( ВПУСКНОЙ КОЛЛЕКТОР - )
![Джон Дир 753J 1733 1733 INTAKE MANIFOLD 1733 1733 INTAKE MANIFOLD]()
1 - Воздухозаборный коллектор R503926
2 - Трубная заглушка 15H690 Количество:2 Примечание:3/4"
3 - Трубная заглушка RE57836
4 - Трубная заглушка RE71255 Примечание:1/8"-27NPT
5 - Уплотнительное кольцо 51M7041 Примечание:11.300 X 2.200 mm
6 - Датчик RE61812 Примечание:(Датчик температуры всасываемого воздуха)
7 - Прокладка R130573 Количество:3
8 - Шайба 24H1682 Количество:6 Примечание:13/32" X 7/8" X 0.120"
9 - Винт с головкой 19H2633 Количество:6 Примечание:3/8" X 1-1/2"
Наверх
1905 Масляный поддон - ST74424
![Джон Дир 753J 1905 Масляный поддон 1905 Масляный поддон]()
1 - Прокладка R521228 Примечание:(Sub For RE504822)
2 - Прокладка R100569
3 - Винт R104628 Количество:3
4 - Впуск масляного насоса RE61478
5 - Масляный поддон RE522651 Примечание:(Sub For R125074)
6 - Шайба 24M7239 Количество:22 Примечание:10.700 X 21 X 2.500 mm
7 - Винт с головкой 19H3485 Количество:2 Примечание:3/8" X 2"
8 - Шайба R135895 Количество:2 Примечание:13.500 X 27 X 3.400 mm (17/32" X 1-1/16" X 0.134")
9 - Винт с головкой 19H2473 Количество:2 Примечание:1/2" X 1-3/4"
10 - Винт с головкой 19H2633 Количество:20 Примечание:3/8" X 1-1/2"
11 - Пробка сливного отверстия R27474 Количество:3
12 - Уплотнительное кольцо R47151 Количество:3 Примечание:19.177 X 2.464 mm (0.755" X 0.097")
Наверх
1905 Engine Oil - ST74425 ( Моторное Масло - )
![Джон Дир 753J 1905 Engine Oil 1905 Engine Oil]()
1 - Сливной клапан AT152180
2 - Шланг без конц. арматуры TY24400 Примечание:(Cut to Length) (1.14 M Length), (Sub For 811625600)
3 - Шланговый зажим RE32361 Количество:2 Примечание:(Sub For 810117900)
4 - Винт с головкой 19H3526 Примечание:5/8" X 1-1/4", (Sub For 810083200)
Наверх
2201 Thermostat - ST74426 ( Термостат - )
![Джон Дир 753J 2201 Thermostat 2201 Thermostat]()
1 - Винт T53268 Количество:3
2 - Сальник R136151
3 - Крышка RE502570
4 - Термостат AR48675 Количество:2 Engine Serial No.______-217809 Посмотреть аналогичные детали
4 - Термостат RE69581 Количество:2 Engine Serial No.217810-______
5 - Винт R133998 Количество:2
6 - Винт 19H3772 Примечание:3/8" X 1-3/4"
7 - Уплотнительное кольцо R504810 Количество:2
8 - Труба RE508648
9 - Трубная заглушка 15H690 Примечание:3/4"
10 - Сальник R136063
11 - Заглушка R502517
12 - Уплотнительное кольцо 51M7041 Примечание:11.300 X 2.200 mm
13 - Заглушка фитинга RE46684
14 - Трубная заглушка RE57836
15 - Корпус RE523801 Примечание:(Sub For RE503511)
16 - Датчик температуры RE151433 Engine Serial No.______-217809
16 - Датчик RE48419 Engine Serial No.217810-______
17 - Стопорная шайба 12H295 Примечание:0.190"
18 - Гайка 14H631 Примечание:0.190"
Наверх
2318 Fan Drive - ST854119 ( Привод Вентилятора - )
![Джон Дир 753J 2318 Fan Drive 2318 Fan Drive]()
1 - Винт с головкой 19H1815 Примечание:1/2" X 1-1/4"
2 - Шайба T20217
3 - Шкив R127398
4 - Пружинное кольцо R62192
5 - Пружинное кольцо R62194
6 - Пружинное кольцо R62193
7 - Сальник RE20768
8 - Пружинное кольцо R62191
9 - Шариковый подшипник JD10329 Количество:2
10 - Ось R63987
11 - Заглушка R116466
12 - Корпус RE509329
13 - Заглушка R502517
14 - Винт 19H3711 Примечание:3/8" X 5-1/2"
15 - Винт 19H3773 Примечание:3/8" X 2"
16 - Пластина R504949
17 - Винт T55636 Количество:4
18 - Винт R135737 Количество:4
19 - Винт R112273
20 - Опора R521092
21 - Винт 19H3771 Количество:2 Примечание:3/8" X 1"
22 - Распорная втулка R128892
23 - Натяжной шкив RE505265
24 - Болт R128893
25 - Крышка R99590
Наверх
2601 Нагреватель охлаждающей жидкости двигателя - ST20585
![Джон Дир 753J 2601 Нагреватель охлаждающей жидкости двигателя 2601 Нагреватель охлаждающей жидкости двигателя]()
1 - Шнур электропитания AR50411 Примечание:120V
2 - Фитинг переходника R54123
3 - Уплотнительное кольцо U13639
4 - Нагревательный элемент RE42139 Примечание:INCLUDES R206883; SUB FOR RE531603 OR RE531603
5 - Шайба R206883 Примечание:Не показано
Наверх
2802 Выхлопной коллектор - ST74429
![Джон Дир 753J 2802 Выхлопной коллектор 2802 Выхлопной коллектор]()
1 - Выпускной коллектор R132393
2 - Кольцо R122595 Количество:2
3 - Выпускной коллектор R132392
4 - Прокладка RE62777 Количество:2 Примечание:(Sub For R83021 Or R521438)
5 - Прокладка RE62776 Количество:2 Примечание:(Sub For R83020 Or R521437)
6 - Шайба R63845 Количество:8
7 - Винт с головкой 19H3267 Количество:4 Примечание:3/8" X 1-5/8"
8 - Винт с головкой 19H3031 Количество:4 Примечание:3/8" X 2-1/2"
Наверх
2912 Ventilating System - ST74430 ( Система Вентиляции - )
![Джон Дир 753J 2912 Ventilating System 2912 Ventilating System]()
1 - Скоба TY22467 Примечание:(Sub For AR21839)
2 - Шланг без конц. арматуры TY22450
Наверх
3003 Starting Motor - ST74431 ( Запуск Двигателя - )
![Джон Дир 753J 3003 Starting Motor 3003 Starting Motor]()
1 - Фланцевая гайка E55662
2 - Шайба 24H1303 Количество:2 Примечание:13/32" X 11/16" X 0.065"
3 - Винт с головкой 19H3219 Количество:2 Примечание:3/8" X 1-3/8"
4 - Метка T146102
5 - Обвязной хомут R96703
6 - Комплект стартера двигат. RE70756
7 - Комплект стартера двигат. RE501150 Примечание:(Sub For RE501060)
7 - Мотор стартера RE501060 Примечание:(Order RE501150)
7 - Мотор стартера TY24443 Примечание:(NLA) (Order SE501406)
7 - Мотор стартера восст. SE501406 Примечание:(Reman For RE501150, RE501060 OR TY24443)
8 - Предупредительные знаки T146106 Примечание:(Испанский)
8 - Предупредительные знаки T146104 Примечание:(Французский)
8 - Предупредительные знаки T146515 Примечание:(Немецкий)
8 - Предупредительные знаки T146516 Примечание:(Итальянский)
8 - Предупредительные знаки T146517 Примечание:(English-French)
9 - Уплотнительное кольцо R135510
10 - Муфта RE70682
11 - Уплотнительное кольцо R135509
12 - Переключатель RE70678
13 - Шпилька R515224
14 - Винт с шайбой RE71256
Наверх
3510 Fuel Filter - ST74432 ( Топливный Фильтр - )
![Джон Дир 753J 3510 Fuel Filter 3510 Fuel Filter]()
1 - Коленчатый патрубок RE507027 Количество:2 Engine Serial No.______-244799
2 - Фитинг переходника RE503605 Engine Serial No.______-244799
3 - Фильтрующий элемент R502778 Engine Serial No.______-244799
4 - Уплотнительное кольцо R101042 Engine Serial No.______-244799 Примечание:63.094 X 3.531 mm (2-31/64" X 0.139")
5 - Стакан R502777 Engine Serial No.______-244799
6 - Топливный фильтр RE507011 Engine Serial No.______-244799 Примечание:(Prefilter)
7 - Уплотнительная шайба R63551 Количество:2 Engine Serial No.______-244799 Примечание:12.170 X 17.730 X 9.300 mm (0.479" X 0.698" X 0.366")
8 - Гидрошланг RE515890 Engine Serial No.______-244799
9 - Винт с головкой 19H1907 Количество:2 Engine Serial No.______-244799 Примечание:5/16" X 2-3/4"
10 - Шайба 24H1136 Количество:2 Engine Serial No.______-244799 Примечание:11/32" X 11/16" X 0.065"
11 - Винт с головкой 19H2678 Engine Serial No.______-244799 Примечание:7/16" X 2-1/8"
12 - Шайба 24H1325 Engine Serial No.______-244799 Примечание:15/32" X 59/64" X 0.065"
13 - Гайка 14H1059 Engine Serial No.______-244799 Примечание:7/16"
14 - Шпилька R504516 Engine Serial No.______-244799
15 - Кронштейн R504279 Engine Serial No.______-244799
16 - Датчик RE48419 Engine Serial No.______-244799 Примечание:(Includes 51M7041)
17 - Уплотнительное кольцо 51M7041 Engine Serial No.______-244799 Примечание:11.300 X 2.200 mm
18 - Диагностическая муфта RE190805 Engine Serial No.______-244799 Примечание:(Sub For RE12187)
19 - Клапан RE507029 Engine Serial No.______-244799
20 - Коленчатый патрубок RE507027 Engine Serial No.______-244799
21 - Обратный клапан RE507028 Engine Serial No.______-244799
22 - Корпус фильтра RE516346 Engine Serial No.______-244799
23 - Шайба 24H1305 Количество:5 Engine Serial No.______-244799 Примечание:13/32" X 13/16" X 0.065"
24 - Винт с головкой 19H3239 Количество:2 Engine Serial No.______-244799 Примечание:3/8" X 1-1/4"
25 - Упаковка R501388 Engine Serial No.______-244799
26 - Топливный фильтр RE522372 Engine Serial No.______-244799 Примечание:(Sub For RE519608) Посмотреть аналогичные детали
27 - Датчик влажности RE503590 Engine Serial No.______-244799
28 - Клемма электр. разъема 57M7252 Engine Serial No.______-244799 Примечание:(Also Order (2) R104846, (2) 57M7258 And 57M7289)
29 - Фильтр RE507187 Engine Serial No.______-244799
30 - Винт с головкой 19H1791 Количество:2 Engine Serial No.______-244799 Примечание:1/4" X 1-1/4"
31 - Шайба 24H1286 Количество:2 Engine Serial No.______-244799 Примечание:9/32" X 1/2" X 1/16"
32 - Скоба RE509668 Engine Serial No.______-244799
33 - Уплотнительная шайба R63551 Количество:2 Engine Serial No.______-244799 Примечание:12.170 X 17.730 X 9.300 mm (0.479" X 0.698" X 0.366")
34 - Топливопровод RE506971 Engine Serial No.______-244799
35 - Уплотнительная шайба R63551 Количество:2 Engine Serial No.______-244799 Примечание:12.170 X 17.730 X 9.300 mm (0.479" X 0.698" X 0.366")
36 - Топливопровод RE506970 Engine Serial No.______-244799 Примечание:(Prefilter)
37 - Уплотнительная шайба R63551 Engine Serial No.______-244799 Примечание:12.170 X 17.730 X 9.300 mm (0.479" X 0.698" X 0.366")
38 - Топливопровод RE509275 Engine Serial No.______-244799
39 - Обратный клапан ....... Engine Serial No.______-244799
40 - Нагнетат. топливный насос ....... Engine Serial No.______-244799
Наверх
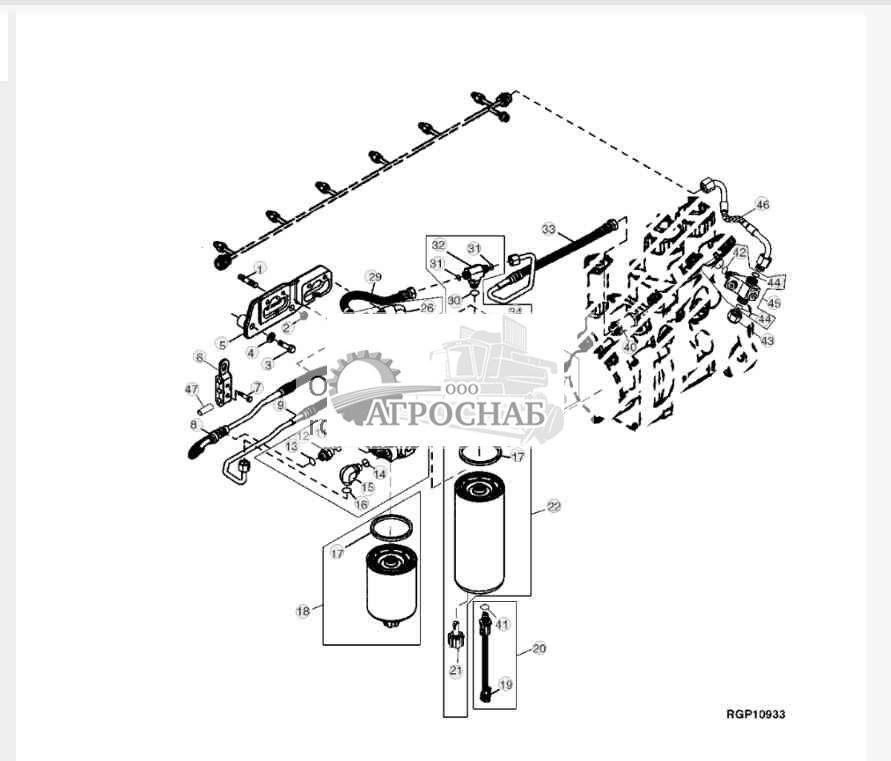
3510 Fuel Filter and Lines - ST74433 ( Топливный фильтр и линии - )
![Джон Дир 753J 3510 Fuel Filter and Lines 3510 Fuel Filter and Lines]()
1 - Шпилька R504516 Engine Serial No.244800-______
2 - Гайка 14H1059 Engine Serial No.244800-______ Примечание:7/16"
3 - Винт с головкой 19H2678 Engine Serial No.244800-______ Примечание:7/16" X 2-1/8"
4 - Шайба 24H1325 Engine Serial No.244800-______ Примечание:15/32" X 59/64" X 0.065"
5 - Кронштейн R518524 Engine Serial No.244800-______
6 - Скоба RE509668 Engine Serial No.244800-______
7 - Винт с головкой 19H1791 Количество:2 Engine Serial No.244800-______ Примечание:1/4" X 1-1/4"
8 - Топливопровод RE520975 Engine Serial No.244800-______ Примечание:(Includes R518563)
9 - Топливопровод RE520981 Engine Serial No.244800-______ Примечание:(Includes R518563)
10 - Корпус фильтра RE520969 Engine Serial No.244800-______ Примечание:(Топливный фильтр тонкой очистки)
11 - Уплотнительное кольцо 51M7096 Engine Serial No.244800-______ Примечание:13.300 X 2.200 mm, (Use With RE523578)
12 - Фитинг RE522518 Engine Serial No.244800-______ Примечание:(Includes 51M7096 And R63548)
13 - Уплотнительное кольцо R63548 Engine Serial No.244800-______ Примечание:9.246 X 1.778 mm (0.364" X 0.070")
14 - Уплотнительное кольцо 51M7096 Engine Serial No.244800-______ Примечание:13.300 X 2.200 mm
15 - Фитинг переходника RE522145 Engine Serial No.244800-______ Примечание:(Includes 51M7096 And R63548)
16 - Уплотнительное кольцо R63548 Engine Serial No.244800-______ Примечание:9.246 X 1.778 mm (0.364" X 0.070")
17 - Упаковка R519483 Количество:2 Engine Serial No.244800-______
18 - Топливный фильтр RE522688 Engine Serial No.244800-______ Примечание:(Топливный фильтр тонкой очистки) Посмотреть аналогичные детали
19 - Корпус электр. разъема 57M7254 Engine Serial No.244800-______ Примечание:(Also Order (2) R104846, 57M7258 And 57M7289)
20 - Датчик RE522685 Engine Serial No.244800-______
21 - Сливной клапан RE522686 Engine Serial No.244800-______
22 - Топливный фильтр RE522687 Engine Serial No.244800-______
23 - Винт 19H3693 Количество:4 Engine Serial No.244800-______ Примечание:3/8" X 1-1/4"
24 - Уплотнительное кольцо 51M7041 Engine Serial No.244800-______ Примечание:11.300 X 2.200 mm
25 - Датчик RE48419 Engine Serial No.244800-______ Примечание:(Includes 51M7041)
26 - Контрольный клапан RE520971 Engine Serial No.244800-______ Примечание:(Includes 51M7096 And R63548)
27 - Уплотнительное кольцо 51M7096 Engine Serial No.244800-______ Примечание:13.300 X 2.200 mm
28 - Уплотнительное кольцо R63548 Engine Serial No.244800-______ Примечание:9.246 X 1.778 mm (0.364" X 0.070")
29 - Топливопровод RE521473 Engine Serial No.244800-______
30 - Уплотнительное кольцо R63548 Engine Serial No.244800-______ Примечание:9.246 X 1.778 mm (0.364" X 0.070")
31 - Уплотнительное кольцо 51M7096 Количество:2 Engine Serial No.244800-______ Примечание:13.300 X 2.200 mm
32 - Фитинг переходника RE522143 Engine Serial No.244800-______ Примечание:(Includes (2) 51M7096 And R63548)
33 - Топливопровод RE520972 Engine Serial No.244800-______ Примечание:(Includes R518563)
34 - Пробка сливного отверстия RE522144 Engine Serial No.244800-______ Примечание:(Includes 51M7095)
34 - Диагностическая муфта RE523578 Engine Serial No.244800-______ Примечание:(Includes 51M7096)
35 - Уплотнительное кольцо 51M7095 Engine Serial No.244800-______ Примечание:11.300 X 2.200 mm, (Use With RE522144)
35 - Уплотнительное кольцо 51M7096 Engine Serial No.244800-______ Примечание:13.300 X 2.200 mm
36 - Корпус фильтра RE520967 Engine Serial No.244800-______
37 - Обратный клапан RE520968 Engine Serial No.244800-______ Примечание:(Includes 51M7096 And R63548)
38 - Уплотнительное кольцо 51M7096 Engine Serial No.244800-______ Примечание:13.300 X 2.200 mm
39 - Уплотнительное кольцо R63548 Engine Serial No.244800-______ Примечание:9.246 X 1.778 mm (0.364" X 0.070")
40 - Обратный клапан ....... Engine Serial No.244800-______ Примечание:(Includes 51M7095)
41 - Уплотнительное кольцо 51M7095 Engine Serial No.244800-______ Примечание:11.300 X 2.200 mm
42 - Уплотнительное кольцо R519759 Engine Serial No.244800-______
43 - Фитинг 38H1415 Engine Serial No.244800-______
44 - Уплотнительное кольцо R63548 Engine Serial No.244800-______ Примечание:9.246 X 1.778 mm (0.364" X 0.070")
45 - Клапан RE522834 Engine Serial No.244800-______ Примечание:(Sub For RE521094 ) (Includes R77175)
45 - Крышка R77175 Engine Serial No.244800-______ Примечание:(ПЫЛЬ)
46 - Топливопровод RE521477 Engine Serial No.244800-______ Примечание:(ПЕРЕПУСК)
47 - Защитный шланг R518563 Количество:3 Engine Serial No.244800-______
Наверх
4038 Engine Oil Dipstick - ST74434 ( Двигатель Масла Щуп - )
![Джон Дир 753J 4038 Engine Oil Dipstick 4038 Engine Oil Dipstick]()
1 - Щуп RE500218
2 - Трубка щупа R120864 Примечание:141.5 MM (5.57")
3 - Заглушка T35390
Наверх
4401 Engine Speed Sensor - ST74435 ( Датчик Оборотов Двигателя - )
![Джон Дир 753J 4401 Engine Speed Sensor 4401 Engine Speed Sensor]()
1 - Датчик RE519144 Примечание:(Crankshaft Position Sensor) (Sub For RE508195)
2 - Уплотнительное кольцо 51M7044 Примечание:17.300 X 2.200 mm
Наверх
4634 Cylinder Block Fittings - ST74436 ( Блок Цилиндров Арматуры - )
![Джон Дир 753J 4634 Cylinder Block Fittings 4634 Cylinder Block Fittings]()
1 - Заглушка R43409 Количество:2
2 - Шпилька R515224 Количество:5
3 - Трубка щупа .......
4 - Сливной клапан AT13740 Посмотреть аналогичные детали
5 - Трубная заглушка 15H624 Количество:2 Примечание:1/2"
6 - Пробка сливного отверстия R39741
7 - Уплотнительное кольцо U13639
8 - Трубная заглушка 15H690 Примечание:3/4"
8 - Трубная заглушка R104592
9 - Втулка R42340 Количество:2
10 - Установочный штифт .......
11 - Установочный штифт F1743R Количество:2
12 - Трубная заглушка RE71255 Количество:3
12 - Трубная заглушка RE57836 Количество:3
13 - Жиклер R43621 Количество:6
14 - Заглушка T35390
15 - Втулка R62930 Количество:2
16 - Уплотнительное кольцо R27149
17 - Заглушка AR61533
18 - Уплотнительное кольцо A4365R
19 - Заглушка DZ104494 Примечание:SUB FOR AR61589; (1400 CODES)
20 - Болт R122364 4
21 - Крышка подшипника R120953 Количество:6 Примечание:(Основной)
21 - Крышка подшипника R120954 Примечание:(Упорный)
22 - Заглушка R82007
23 - Втулка R87561 Количество:4 Посмотреть аналогичные детали
24 - Установочный штифт R61288
25 - Трубная заглушка 15H686 Примечание:1"
26 - Заглушка R501255
27 - Уплотнительное кольцо B2762R
Наверх
4634 Short Block Assembly - ST74437 ( Короткий Блок Ассамблеи )
![Джон Дир 753J 4634 Short Block Assembly 4634 Short Block Assembly]()
1 - Узел короткого блока RE526252 Примечание:ALSO ORDER R503983; SUB FOR RE506661; MARKED RE70688
Наверх
4634 Camshaft - ST74438 ( Распредвал - )
![Джон Дир 753J 4634 Camshaft 4634 Camshaft]()
1 - Втулка R87561 Количество:4 Посмотреть аналогичные детали
2 - Следящий элемент R110126 2
3 - Распредвал RE57054 Примечание:(MARKED R120872)
3 - Camshaft Remanufactured SE501638 Примечание:(MARKED R120872) (REMAN FOR RE57054)
4 - Шпонка вала 26H91 Примечание:3/16" X 1-1/4"
5 - Упорная шайба R104656 Количество:2
6 - Передача R104589
7 - Передача R112053
Наверх
4701 Crankshaft - ST74439 ( Коленвала - )
![Джон Дир 753J 4701 Crankshaft 4701 Crankshaft]()
1 - Кнопка R120752
2 - Передача R104587
3 - Установочный штифт R41934
4 - Пружинный шплинт 34M7089
5 - Коленвал RE530437 Engine Serial No.______-301522 Примечание:(Also Order RE531261) (Marked R523487) (SUB FOR RE505124)
5 - Коленвал RE534314 Engine Serial No.301523-______ Примечание:(Also Order RE529775)
6 - Кнопка R523306 Примечание:(Sub For R116311)
7 - Подшипник RE504195 Примечание:STD, (Consists Of R116082 And R116083 OR R502125 And R502126) Посмотреть аналогичные детали
7 - Подшипник RE504196 Примечание:0.292 MM (.011"), (Consists Of R121342 And R121346 Or R502317 And R502321)
7 - Подшипник RE504197 Примечание:0.552 MM (0.022"), (Consists Of R121343, R121347, R502318 Or R502322)
8 - Упорная шайба RE61253 Примечание:STD, (Consists Of (3) R124381) Посмотреть аналогичные детали
8 - Упорная шайба RE61851 Примечание:0.18 MM (.007"), (Consists Of (3) R124842)
9 - Упорный подшипник RE504198 Примечание:STD, (Consists Of R116084 And R116085 Or R502127 And R502128)
9 - Упорный подшипник RE504199 Примечание:0.292MM (.011"), (Consists Of R121350 And R121354 Or R502315 And R502319)
9 - Упорный подшипник RE504200 Примечание:0.552MM (.022"), (Consists Of R121351 And R121355 Or R502316 And R502320)
.. - Стопор R32617
Наверх
4902 Rocker Arm Shaft - ST74440 ( Ось Коромысел - )
![Джон Дир 753J 4902 Rocker Arm Shaft 4902 Rocker Arm Shaft]()
1 - Винт 19H3833 2 Примечание:5/16" X 1-3/4"
2 - Пружинное кольцо ....... Количество:2 Примечание:(Sub RE505320, This Application)
3 - Шайба 24H1384 Количество:2 Примечание:49/64" X 1-1/16" X 0.036"
4 - Установочный винт R27443 Количество:2
5 - Гайка 14H1080 Количество:2 Примечание:3/8 дюйма
6 - Коромысло RE24046 Примечание:(Exhaust) ( 1I, 2E , 3I , 4E, 5I , 6E) (LH)
7 - Коромысло RE24045 Примечание:(Exhaust) ( 1E, 2I , 3E , 4I, 5E , 6I) (RH)
8 - Комплект RE521278 Количество:6 Примечание:(Sub For RE505320)
9 - Толкатель R85027 2
10 - Следящий элемент R110126 2
11 - Головка блока цилиндров .......
Наверх
5002 Oil Pump - ST74441 ( Масляный Насос - )
![Джон Дир 753J 5002 Oil Pump 5002 Oil Pump]()
1 - Втулка R500642 Количество:2
2 - Шланг .......
3 - Винт с головкой 19H3759 Количество:2 Примечание:3/8" X 1-7/8"
4 - Шайба R57696 Количество:4
5 - Винт с головкой 19H3219 Количество:2 Примечание:3/8" X 1-3/8"
6 - Передача R502773
7 - Шайба T21242
8 - Гайка 14H826 Примечание:1/2"
9 - Уплотнительное кольцо R71732
10 - Прокладка R100569
11 - Винт R104628 Количество:5
12 - Масляный насос RE507076 Примечание:MARKED R504028
12 - Масляный насос восст. SE500877 Примечание:MARKED R504028; REMAN FOR RE507076
Наверх
5002 Oil Pump - ST74442 ( Масляный Насос - )
![Джон Дир 753J 5002 Oil Pump 5002 Oil Pump]()
1 - Масляный насос RE519513 Примечание:(MARKED R518347) (SUB FOR RE533975)
1 - Масляный насос восст. SE501270 Примечание:(Шестерня не входит в комплект) MARKED R518347; REMAN FOR RE519513 OR RE533975
1 - Масляный насос RE507076 Примечание:MARKED R504028
1 - Масляный насос восст. SE500877 Примечание:(Шестерня не входит в комплект) MARKED R504028; REMAN FOR RE507076)
2 - Быстрозамыкающийся штифт R62943
3 - Шайба 24M7239 Количество:2 Примечание:10.700 X 21 X 2.500 mm
4 - Винт с головкой 19M9399 Количество:3 Примечание:M10 X 60, (Use With RE519513 Or RE533975 Or SE501270)
4 - Винт R104628 Количество:3 Примечание:(Use With RE507076 Or SE500877)
5 - Уплотнительное кольцо R71732
6 - Передача R529397 Примечание:SUB FOR R526290
7 - Гайка 14H826 Примечание:1/2"
8 - Шайба T21242
9 - Винт с головкой 19H3219 Количество:2 Примечание:3/8" X 1-3/8"
10 - Шайба R57696 Количество:4
11 - Винт с головкой 19H3759 Количество:2 Примечание:3/8" X 1-7/8"
12 - Втулка R500642 Количество:2
Наверх
5104 Cylinder Head - ST74444 ( Головка Блока Цилиндров - )
![Джон Дир 753J 5104 Cylinder Head 5104 Cylinder Head]()
1 - Колпачок T20129 2 Посмотреть аналогичные детали
2 - Стопор T20077 Количество:24 Посмотреть аналогичные детали
3 - Колпачок R500098 2
4 - Пружина сжатия R502187 2
5 - Винт с головкой R121491 Количество:7 Примечание:(БОЛТЫ СО СПЕЦИАЛЬНЫМИ ГОЛОВКАМИ) (9/16" X 8.0")
6 - Винт с головкой R121490 Количество:8 Примечание:(БОЛТЫ СО СПЕЦИАЛЬНЫМИ ГОЛОВКАМИ) (9/16" X 6.9")
7 - Винт R502911 Количество:6 Примечание:(БОЛТЫ СО СПЕЦИАЛЬНЫМИ ГОЛОВКАМИ) (9/16" X 5.3")
8 - Винт R502912 Количество:5 Примечание:(БОЛТЫ СО СПЕЦИАЛЬНЫМИ ГОЛОВКАМИ) (9/16" X 5.9")
9 - Комплект болтов RE506501 Примечание:(Special Head Bolts) Cylinder Head Mounting Bolts
10 - Трубная заглушка 15H690 1 Примечание:3/4"
11 - Вставка седла клапана R121193 Количество:6 Примечание:(Выхлопной клапан)
12 - Впускной клапан R84618 Количество:6 Примечание:STD Посмотреть аналогичные детали
12 - Впускной клапан R93308 Примечание:0.08MM (.003") OS
12 - Впускной клапан R93312 Примечание:0.38MM (.015") OS
12 - Впускной клапан R93314 Примечание:0.76MM (.030") OS
13 - Вставка седла клапана R119132 Количество:6 Примечание:(Выхлопной клапан)
14 - Выхлопной клапан R84619 Количество:6 Примечание:STD Посмотреть аналогичные детали
14 - Выхлопной клапан R93311 Примечание:0.08MM (.003") OS
14 - Выхлопной клапан R93313 Примечание:0.38MM (.015) OS
14 - Выхлопной клапан R93315 Примечание:0.76MM (.030") OS
15 - Головка блока цилиндров RE519894 Примечание:(Marked R130818 ) (Sub For RE502211)
16 - Прокл. гол. цил. двигат. RE55475
17 - Винт с головкой 19H2367 Примечание:5/8" X 3/4"
18 - Щиток R501640 Количество:6 Посмотреть аналогичные детали
19 - Заглушка R515575 Количество:2
Наверх
5222 Front Auxiliary Drive - ST74445 ( Передний Вспомогательный Привод - )
![Джон Дир 753J 5222 Front Auxiliary Drive 5222 Front Auxiliary Drive]()
1 - Корпус R122716
2 - Винт R124963 Количество:2
2 - Винт R124963
3 - Сальник R116022
4 - Винт R112268
5 - Винт с головкой 19H3385 Примечание:1/2" X 1-1/8"
6 - Болт R133900
7 - Уплотнительное кольцо R68718 Примечание:(Use With R119946)
8 - Уплотнительное кольцо R394R Количество:2
9 - Уплотнительное кольцо T106370
10 - Прокладка R501023 Примечание:(Sub For R122721, This Application)
11 - Ось R116408
12 - Опора R116401
13 - Прямозубая шестерня RE65939
14 - Опора R112208
15 - Комплект уплотнений AT159816
16 - Трубная заглушка 15H685 Примечание:1/4 дюйма
17 - Гайка 14H760 Количество:2 Примечание:5/8"
18 - Шпилька R49988 Количество:2
19 - Шайба R135895 Количество:2
Наверх
5701 Water Pump Inlet - ST74446 ( Водяной Насос Впуск - )
![Джон Дир 753J 5701 Water Pump Inlet 5701 Water Pump Inlet]()
1 - Прокладка R119383
2 - Шайба 24M7096 Количество:3 Примечание:10.500 X 18 X 1.600 mm
3 - Винт с головкой 19H3445 Количество:3 Примечание:3/8" X 3-3/4"
4 - Крышка R503427
5 - Сливной клапан AT13740 Посмотреть аналогичные детали
6 - Трубная заглушка RE57836 Примечание:12.700 mm (1/2")
7 - Шайба 24H1136 Примечание:11/32" X 11/16" X 0.065"
8 - Винт с головкой 19H1897 Примечание:5/16" X 3-3/4"
9 - Винт 19H3411 Количество:2 Примечание:3/8" X 1-1/8"
10 - Установочный штифт R11086
11 - Комплект уплотнений RE521496
12 - Кольцо R121316
13 - Комплект уплотн. колец RE509463 Примечание:(Sub For R504778 And R504791)
14 - Сальник RE39134
15 - Комплект насосов RE521502 Примечание:(Marked R503501 ) (Sub For RE532596)(2014) (16 Tooth Gear) Посмотреть аналогичные детали
15 - Водяной насос восст. SE501596 Примечание:(REMAN FOR RE521502) Посмотреть аналогичные детали
Наверх
5911 Oil Cooler - ST74447 ( Масляный Радиатор - )
![Джон Дир 753J 5911 Oil Cooler 5911 Oil Cooler]()
1 - Винт с головкой 19H2633 Количество:4 Примечание:3/8" X 1-1/2"
2 - Шайба 24H1682 Количество:4 Примечание:13/32" X 7/8" X 0.120"
3 - Колпачок RE515398
4 - Фильтрующий элемент RE509672 Посмотреть аналогичные детали
5 - Редукционный клапан R504628
6 - Пружина сжатия R517482
7 - Заглушка фитинга RE519728 Примечание:INCLUDES U17409
8 - Фильтр RE530656 Примечание:SUB FOR RE505743
9 - Комплект уплотнений RE516171
10 - Фитинг переходника RE58294
11 - Комплект переходников RE506171
12 - Винт 19H2922 Количество:3 Примечание:3/8" X 1-1/4"
13 - Прокладка R109625
14 - Фитинг переходника RE524007 Примечание:SUB FOR R116233 OR RE509383
15 - Винт с головкой R40236 Количество:2 Примечание:11.125 X 28.448 mm (7/16" X 1.120")
16 - Масляная трубка R518376 Примечание:SUB FOR R126337
17 - Масляная трубка R116718
18 - Уплотнительное кольцо R71732 Количество:4
19 - Винт 19H3768 Количество:5 Примечание:5/16" X 1-3/8"
20 - Винт 19H3769 Количество:3 Примечание:5/16" X 2-1/2"
21 - Крышка R134603
22 - Клапан R500055
23 - Пружина R98064
24 - Уплотнительное кольцо U17409 Количество:2 Примечание:26.594 X 2.946 mm (1-3/64" X 0.116")
25 - Пробка сливного отверстия R121163
26 - Винт 19H3411 Количество:2 Примечание:3/8" X 1-1/8"
27 - Фитинг переходника R124028
28 - Прокладка R530687 Количество:2 Примечание:SUB FOR R50424 OR R520547
29 - Уплотнительное кольцо R47153 Количество:4
30 - Масляная трубка R124031 Количество:2
31 - Прокладка RE524105 Примечание:SUB FOR AR58952
32 - Маслоохладитель AR55394
33 - Прокладка R132396
34 - Фитинг переходника R520090 Количество:2 Примечание:SUB FOR R124029
35 - Прокладка R520091 Примечание:SUB FOR R124030
36 - Сливной клапан RE529779 Примечание:SUB FOR RE519118
Наверх
6215 Alternator Mounting - ST74448 ( Генератор Крепления - )
![Джон Дир 753J 6215 Alternator Mounting 6215 Alternator Mounting]()
1 - Регулировочный хомут R125948
1 - Хомут R520709
2 - Винт 19H3773 Примечание:3/8" X 2", (Use With R125948)
2 - Винт R122474 Примечание:9.525 X 57.150 mm (3/8" X 2-1/4"), (Use With R520709)
3 - Винт T53268 Количество:2
3 - Винт 19H3771 Примечание:3/8" X 1"
3 - Винт R124963
4 - Хомут R500607
5 - Кронштейн R500608
6 - Винт с головкой 19H3239 Количество:2 Примечание:3/8" X 1-1/4"
7 - Натяжное устр. для ремня RE518097
8 - Винт 19M7810 Примечание:M10 X 80
9 - Винт R112268
10 - Прокладка R502011
11 - Крышка R50393
12 - Винт R104861 Количество:5
Наверх
6562 Turbocharger and Oil Lines - ST74449 ( Турбонагнетатель и маслопроводов - )
![Джон Дир 753J 6562 Turbocharger and Oil Lines 6562 Turbocharger and Oil Lines]()
1 - Винт R54500 Количество:4 Примечание:9.525 X 25.400 mm (3/8" X 1")
2 - Шайба 24H1305 Количество:4 Примечание:13/32" X 13/16" X 0.065"
3 - Турбонагнетатель RE503865 Примечание:(MARKED RE516790) (SUB SE500417)
3 - Турбонагнетатель восст. SE500417 Примечание:REMAN FOR RE503865
4 - Маслопровод RE517061
5 - Винт с головкой 19H1948 Примечание:1/4" X 3/4"
6 - Шайба 24H753 Примечание:9/32" X 5/8" X 0.049"
7 - Скоба T13814
8 - Винт с головкой 19H1648 Примечание:3/8" X 3/4", (SUB FOR 19H1936)
9 - Скоба T28862
10 - Винт с головкой 19H2731 Примечание:7/16" X 1-3/8"
11 - Шайба 24H1886 Примечание:15/32" X 1-1/8" X 0.180"
12 - Кронштейн R504765
13 - Прокладка R89879
14 - Прокладка R105346
15 - Винт R122618 Количество:2
16 - Линия RE67601
17 - Шланг R130783
18 - Скоба TY22467 Количество:2 Примечание:(SUB FOR AR21839)
19 - Коленчатый патрубок R126812
20 - Ниппель с резьбой RE524764 Engine Serial No.256768-______
Наверх
7434 Air Conditioning Mounting - ST74450 ( Кондиционер Монтаж )
![Джон Дир 753J 7434 Air Conditioning Mounting 7434 Air Conditioning Mounting]()
1 - Компрессор AT172975 Примечание:24 V
1 - Компрессор восст. SE502297 Примечание:REMAN FOR AT172975
2 - Коллектор RE51052
3 - Расходный гидр. клапан RE52506 Количество:2
4 - Сальник R115742
5 - Комплект муфты RE52508 Посмотреть аналогичные детали
6 - Крышка R115743
7 - Комплект статора AT163872
8 - Компрессор RE52454
8 - Компрессор восст. SE501468 Примечание:REMAN FOR RE52454
9 - Кронштейн R132086
10 - Винт с головкой 19H3031 Количество:2 Примечание:3/8" X 2-1/2"
11 - Распорная втулка R127155
12 - Фланцевая гайка 14M7298 Примечание:M8
13 - Шайба 24H1621 Примечание:11/32" X 1" X 0.220"
14 - Опора R132332
15 - Шайба 24M7041 Примечание:16 X 28 X 3 mm
16 - Винт с головкой 19H1833 Примечание:5/8" X 1-1/4"
17 - Распорная втулка CD14689 Количество:2
18 - Винт 19M8006 Примечание:M8 X 120
19 - Винт 19M7913 Количество:2 Примечание:M8 X 90
Наверх
7601 Engine Oil Pressure Switch - ST74451 ( Датчик Давления Моторного Масла - )
![Джон Дир 753J 7601 Engine Oil Pressure Switch 7601 Engine Oil Pressure Switch]()
1 - Датчик RE167207 Примечание:(Oil, Fuel)
Наверх
7701 Крышка распределительной шестерни - ST74452
![Джон Дир 753J 7701 Крышка распределительной шестерни 7701 Крышка распределительной шестерни]()
1 - Крышка R502082
2 - Винт 19H3693 Примечание:3/8" X 1-1/4"
3 - Винт R104859 Количество:3 Примечание:Правая сторона
4 - Установочный штифт R11086 Количество:2
5 - Винт с головкой R115129 Количество:3 Примечание:Левая сторона
6 - Уплотнительное кольцо 51M7044 Примечание:17.300 X 2.200 mm
7 - Фитинг RE517370 Примечание:(Sub For RE501938)
8 - Упорная шайба R104656
9 - Прокладка R119384
10 - Сальник RE534261 Engine Serial No.______-301522 Примечание:(Use With RE530437 Crankshaft)
10 - Сальник RE529775 Engine Serial No.301523-______ Примечание:(Use With RE534315 Crankshaft)
11 - Трубная заглушка 15H666 Примечание:3/8 дюйма
12 - Сальник R116022
13 - Фильтр R98527
Наверх
9901 Engine Rebuild Gasket Kit - ST957023 ( Двигатель Восстановить Набор Прокладок - )
![Джон Дир 753J 9901 Engine Rebuild Gasket Kit 9901 Engine Rebuild Gasket Kit]()
1 - Комплект прокладок RE527551 Примечание:SUB FOR RE526258 Посмотреть аналогичные детали
2 - Прокладка R100569 Примечание:Маслоотборная трубка масляного насоса
3 - Прокладка R105346 Примечание:Маслопровод турбокомпрессора
4 - Прокладка R109625 Примечание:Байпасный клапан маслоохладителя
5 - Прокладка R119384
6 - Прокладка R119847 Примечание:Масляный редукционный клапан
7 - Прокладка R124607
8 - Прокладка R130573 Количество:3 Примечание:Впускной коллектор
8 - Прокладка R120646 Количество:3
9 - Шайба R131051 Количество:6
10 - Прокладка R132396 Примечание:Крышка маслоохладителя
11 - Сальник R136063 Примечание:Корпус термостата
12 - Уплотнительное кольцо R47153 Количество:8 Примечание:Масляный фильтр
13 - Уплотнительное кольцо R49424 Примечание:Муфта охладителя наддувочного воздуха
14 - Щиток R501640 Количество:6 Примечание:Маслоотражатель Посмотреть аналогичные детали
15 - Прокладка R502011 Примечание:Крышка доступа к впрыскивающему насосу
16 - Уплотнительное кольцо R504810 Примечание:Упаковка
17 - Прокладка R504885 Примечание:Водяной насос
17 - Прокладка R119383
18 - Уплотнительное кольцо R515457
19 - Уплотнительная шайба R51936 Количество:8 Примечание:Втулка Посмотреть аналогичные детали
20 - Прокладка R520091 Примечание:От переходника к крышке
21 - Прокладка R530687
22 - Прокладка R521349 Примечание:Возвр. маслопровод турбонагнетателя
23 - Прокладка R522768 Примечание:Корпус масляного уплотнения коленчатого вала
24 - Прокладка R53108 Примечание:Стартер
25 - Уплотнительная шайба R63551 Количество:8
26 - Уплотнительное кольцо R72328 Количество:2
27 - Прокладка R86062 Примечание:Корпус термостата
28 - Прокладка R88397 Количество:2 Примечание:Водяной выпускной коллектор
29 - Прокладка R535094 Примечание:ТурбокомпрессорТурбокомпрессор
29 - Прокладка R89879
30 - Прокладка RE524105 Примечание:Проставка маслоохладителя
31 - Прокл. гол. цил. двигат. RE55475
32 - Сальник RE57190 Примечание:Трубка
33 - Уплотнительное кольцо U13639 Примечание:Обогреватель блока
34 - Уплотнительное кольцо U17409 Количество:3 Примечание:Упаковка
35 - Прокладка R523503 Примечание:Мокрое герметичное сцепление масляного поддона
35 - Прокладка R125855 Примечание:Масляный поддон
35 - Прокладка R521228 Примечание:Масляный поддон
36 - Прокладка RE62776 Количество:2 Примечание:Выпускной коллектор
37 - Прокладка RE62777 Количество:2
38 - Сальник R502598 Примечание:Крышка клапанного коромысла Посмотреть аналогичные детали
39 - Сальник R504093 Количество:4 Примечание:Крышка клапанного коромысла
40 - Сальник R502719 Примечание:Передатчик
41 - Уплотнительное кольцо R503578 Количество:6
42 - Заглушка R541574 Примечание:Тип расширительной чашки
43 - Прокладка R125072 Примечание:Не показаноВпуск водяного насоса
Наверх
9901 Комплект для капитального ремонта двигателя (12) - ST957147
![Джон Дир 753J 9901 Комплект для капитального ремонта двигателя (12) 9901 Комплект для капитального ремонта двигателя (12)]()
1 - Компл. для рем. двигат. DZ114647 Примечание:Также закажите болты зажимов коромысел, болты шатуна, болты маховика и болты головки блока цилиндров, SUB FOR RE526727 OR RE526726
2 - Подшипник RE529319 Количество:6 Примечание:Основной Посмотреть аналогичные детали
3 - Сальник RE520036 Примечание:Задн. масл. Посмотреть аналогичные детали
4 - Упорный подшипник RE529320 Примечание:Коренной упорный подшипник Посмотреть аналогичные детали
5 - Подшипник R525767 2 Примечание:Шатун Посмотреть аналогичные детали
6 - Комплект уплотнений RE543639 Примечание:Коленчатый вал
7 - Сальник RE542195 Примечание:Пер. коленвал
8 - Шайба R525888
9 - Комплект поршня-гильзы DZ114645 Количество:6 Примечание:MARKED DZ114299; USE WITH DZ114647
9 - Комплект поршня-гильзы RE64509 Количество:6 Примечание:MARKED RE70688; USE WITH RE526727 Посмотреть аналогичные детали
9 - Комплект поршня-гильзы RE508156 Количество:6 Примечание:MARKED RE516291; USE WITH RE526726 Посмотреть аналогичные детали
Наверх
9901 Комплект для капитального ремонта двигателя (22) - ST957187
![Джон Дир 753J 9901 Комплект для капитального ремонта двигателя (22) 9901 Комплект для капитального ремонта двигателя (22)]()
1 - Компл. для рем. двигат. DZ114647 Примечание:Также закажите болты зажимов коромысел, болты шатуна, болты маховика и болты головки блока цилиндров, SUB FOR RE526727 OR RE526726
2 - Комплект прокладок RE527551 Примечание:Компоненты представлены на отдельных страницах Посмотреть аналогичные детали
Наверх
9901 Комплект гильзы поршня - ST74456
![Джон Дир 753J 9901 Комплект гильзы поршня 9901 Комплект гильзы поршня]()
1 - Пружинное кольцо E1343FN 2
2 - Штифт поршня R57771 Количество:6
3 - Втулка R74008 Количество:6 Посмотреть аналогичные детали
7 - Подшипник R116081 Примечание:(PKG (2) R116081) Посмотреть аналогичные детали
7 - Подшипник RE57167 Примечание:(PKG (2) R121338)
8 - Кольцо поршня RE503528 Количество:6 Посмотреть аналогичные детали
9 - Комплект уплотн. колец AR98850 Количество:6 Посмотреть аналогичные детали
10 - Комплект поршня-гильзы RE64509 Количество:6 Примечание:(Marked RE70688) Посмотреть аналогичные детали
11 - Прокладка R93948 Количество:2 Примечание:0.05MM (.002") (MAX)
12 - Винт с головкой R501035 2 Примечание:(Use With R501034)
13 - Соединительная тяга RE522977 Количество:6 Примечание:(Marked R501513 ) (Sub For RE501513)
13 - Соединит. тяга восст. SE501230 Количество:6 Примечание:(Reman For RE522977)
Наверх
9901 Fan Support Plate and Idler Pulley - ST74458 ( Поддержка болельщиков плиты и направляющего шкива )
![Джон Дир 753J 9901 Fan Support Plate and Idler Pulley 9901 Fan Support Plate and Idler Pulley]()
1 - Пластина R504949
2 - Винт T55636 Количество:4
3 - Винт R135737 Количество:4
4 - Винт 19H3711 Примечание:3/8" X 5-1/2"
5 - Винт R112273
6 - Винт 19H3772 Примечание:3/8" X 1-3/4"
7 - Шкив R127398 Примечание:(8.70" O.D.)
8 - Винт с головкой 19H2898 Примечание:1/2" X 1-1/4", (Sub For 19H1815)
9 - Шайба T20217
10 - Сальник RE20768
11 - Пружинное кольцо R62191 Количество:2 Примечание:(Красный)
11 - Пружинное кольцо R62192 Примечание:(Зеленый)
11 - Пружинное кольцо R62193 Примечание:(Синий)
11 - Пружинное кольцо R62194 Примечание:(Белый)
12 - Шариковый подшипник JD10329 Количество:2
13 - Ось R63987
14 - Трубная заглушка 15H686 Примечание:1"
15 - Корпус RE509329 Примечание:(Marked R127397)
16 - Распорная втулка R128892
17 - Натяжной шкив RE505265 Примечание:(Code 2303)
18 - Крышка R99590
19 - Болт R128893
20 - Винт с головкой 19H2676 Количество:2 Примечание:3/8" X 1"
21 - Опора R127808
.. - Заглушка N102039
Наверх
9901 Complete Block Assembly - ST730169 ( Полный Блок В Сборе - )
![Джон Дир 753J 9901 Complete Block Assembly 9901 Complete Block Assembly]()
1 - Узел полн. блока восст. SE501040 Примечание:Может отличаться от иллюстрацииВключает головку блока цилиндров с клапанами и узлом коромысел; включает узел масляного насоса, полный комплект прокладок, а также переднее и заднее уплотнения
Наверх