Содержимое: Каталог Запчастей John Deere :648H Grapple Skidder (PIN 1DW648HX_ _C630436 - C666892) (PIN 1DW648HX_ _D630436 - D666892)(Russian) - PC10161 18 Пост оператора 1810 Кабина оператора
Крепления кабинынавеса Крепления кабинынавеса - ST80405
Конструкция системы защиты при опрокидывании, ROPS с дверями - ST85570
Отделка кабины и навеса - ST77224
Обшивка потолка с воздухопроводом (ткань) ( - 633809) - ST77221
Обшивка потолка с воздухопроводом (ткань) (633810 - ) - ST519474
Обшивка потолка с воздухопроводом (винил) ( - 633809) - ST77139
Обшивка потолка с воздухопроводом (винил) (633810 - ), ( - 649451) - ST519473
Комплект остекления навеса - ST77159
Остекление навеса - ST84226
Остекление кабины - ST85645
Крышки под кабинойнавесом - ST127968
Подборщики веток - ST77141
Напольный коврик - ST77145
Стеклоомыватель и стеклоочиститель - только впереди - ST82653
Передний и задний стеклоомыватель и стеклоочиститель - ST83449
Передняя консоль (с таймером) - ST345632
Передняя панель управления (без таймера) - ST77142
Правый пульт управления ( - 640616) - ST82649
Правый пульт управления (640617 - ) - ST712177
Ремень безопасности (шир. 2 дюйма) - ST86886
Ремень безопасности (шир. 3 дюйма) - ST86633
Сиденье с пневматической подвеской ( - 646523) - ST134254
Сиденье с пневматической подвеской (646524 - ) - ST745546
Сиденье и подлокотник ( - 646523) - ST134255
Сиденье и подлокотник (646524 - ) - ST745544
Основание сиденья с пневматической подвеской ( - 646523) - ST134264
Основание сиденья с пневматической подвеской (646524 - ) - ST745538
Перемещение полз. сиденья ( - 646523) - ST134263
Поворот и защелка сиденья - ST134385
Лесенка рамы двигателя - ST82650
Трубопроводы обогревателя 540H, 548H, 640H, 648H (прямой привод) - ST80401
Трубопроводы обогревателя воздуха 640H, 648H, 848H (гидротрансформатор), 748H (прямой привод) - ST80399
Компрессор кондиционера воздуха и привод 540H, 548H, 640H, 648H (прямой привод) - ST77149
Компрессор кондиционера воздуха и привод 640H, 648H, 848H (гидротрансформатор), 748H (прямой привод) - ST77148
Компрессор кондиционирования воздуха (хладагент R134A) - ST327311
Модуль системы кондиционирования воздуха и обогревателя ( - 649451) - ST82644
Модуль системы кондиционирования воздуха и обогревателя (649452 - ) - ST766187
Компоненты модуля системы кондиционирования воздуха и обогревателя - ST125500
Компоненты модуля системы кондиционирования воздуха и обогревателя (649452 - ) - ST785882
Трубопроводы кондиционера воздуха 540H, 548H, 640H, 648H (прямой привод) - ST80404
Трубопроводы кондиционера воздуха 640H, 648H, 848H (гидротрансформатор), 748H (прямой привод) - ST80402
Конденсатор кондиц. воздуха - ST77144
Поликлиновой ремень и шкив, без кондиционера воздуха - ST77147
Фильтр предв. очистки ОВКВ - ST86062
Крепления кабинынавеса Крепления кабинынавеса - ST80405
![Джон Дир 648H Крепления кабинынавеса Крепления кабинынавеса Крепления кабинынавеса Крепления кабинынавеса]()
1 - Изолятор T118458 Количество:8
2 - Шайба T112447 Количество:24
3 - Шайба 24M7294 Количество:8 Примечание:26 X 39 X 4 mm
4 - Болт 08H4840 Количество:4 Примечание:1" X 6-1/4"
5 - Гайка T34950 Количество:4
Наверх
Конструкция системы защиты при опрокидывании, ROPS с дверями - ST85570
![Джон Дир 648H Конструкция системы защиты при опрокидывании, ROPS с дверями Конструкция системы защиты при опрокидывании, ROPS с дверями]()
1 - Рама кабины AT363793
2 - Дверца AT322578 Примечание:Правый
3 - Шарнир AT322573 Количество:2
4 - Пружинный шплинт 34H283 Количество:2 Примечание:3/16" X 1-1/8"
5 - Фиксатор AT165224
6 - Крышка T149188
7 - Пластина T149191
8 - Кронштейн T149220
9 - Ручка M80721
10 - Стопорная шайба 12H304 Примечание:3/8"
11 - Винт с головкой 19H1894 Примечание:3/8" X 3/4"
12 - Пружина растяжения T150146
13 - Смазочная арматура 58M5574 Количество:2
14 - Кронштейн T183606 Количество:2
15 - Винт T124407 Количество:4
16 - Уплотнитель ....... Примечание:MF AT66778, CTL 55.25 cm (21.75 in)
17 - Сальник T131080
18 - Винт 19M7774 Количество:2 Примечание:M6 X 12
19 - Вилка T150163
20 - Стержень T166626
21 - Шайба 24H1308 Количество:4 Примечание:13/32" X 1" X 0.134"
22 - Хомут T150172
23 - Блокировка AT446603 Примечание:R, ALSO ORDER T186245; USE WITH AT195302
24 - Пружинный стопорный штифт T122370 Количество:2 Примечание:SUB FOR T131235
25 - Прокладка T186245
26 - Винт 19M7784 Количество:4 Примечание:M10 X 20
27 - Шаровой палец T142651 Количество:2
28 - Стопорная шайба 12M7065 Примечание:8 mm
29 - Гайка 14H785 Примечание:5/16"
30 - Цилиндр AT192449
31 - Фиксатор шар. соединения 56M7007 Количество:2
32 - Дверца AT322579 Примечание:Левый
33 - Шарнир AT322573 Количество:2
34 - Пружинный шплинт 34H283 Количество:2 Примечание:3/16" X 1-1/8"
35 - Фиксатор AT165225
36 - Крышка T149189
37 - Пластина T149191
38 - Кронштейн T150148
39 - Ручка M80721
40 - Стопорная шайба 12H304 Примечание:3/8"
41 - Винт с головкой 19H1894 Примечание:3/8" X 3/4"
42 - Пружина растяжения T150146
43 - Винт с головкой T123751 Количество:4 Примечание:SUB FOR APPL U43002
44 - Кронштейн T183606 Количество:2
45 - Винт T124407 Количество:4
46 - Уплотнитель ....... Примечание:MF AT66778, CTL 55.25 cm (21.75 in)
47 - Сальник T131080
48 - Винт 19M7774 Количество:2 Примечание:M6 X 12
49 - Вилка T150163
50 - Стержень T149187
51 - Шайба 24H1308 Количество:4 Примечание:13/32" X 1" X 0.134"
52 - Хомут T150172
53 - Смазочная арматура 58M5574 Количество:2
54 - Пружинный стопорный штифт T122370 Количество:2 Примечание:SUB FOR T131235
55 - Прокладка T186245
56 - Винт 19M7784 Количество:4 Примечание:M10 X 20
57 - Шаровой палец T142651 Количество:2
58 - Стопорная шайба 12M7065 Примечание:8 mm
59 - Гайка 14H785 Примечание:5/16"
60 - Цилиндр AT192449
61 - Фиксатор шар. соединения 56M7007 Количество:2
62 - Ограждение T135583 Количество:2
63 - Шайба 24H1226 Количество:2 Примечание:1/2" X 1-1/4" X 0.083"
64 - Ограничитель AR91896 Количество:2
65 - Шайба 24M7240 Количество:2 Примечание:13 X 25 X 3 mm
66 - Стопорная шайба 12M7065 Количество:2 Примечание:8 mm
67 - Гайка 14H785 Количество:2 Примечание:5/16"
68 - Стопорная гайка M17841 Количество:2
69 - Винт 37M7215 Количество:4
70 - Рукоятка AT191041 Количество:2
71 - Блокировка AT446604 Примечание:LH, ALSO ORDER T186245; USE WITH AT195302
72 - Винт с головкой T123751 Количество:4 Примечание:SUB FOR APPL U43002
Наверх
Отделка кабины и навеса - ST77224
![Джон Дир 648H Отделка кабины и навеса Отделка кабины и навеса]()
1 - Крышка AT415936 Примечание:SUB FOR AT363255
2 - Метка JD5714
3 - Шайба T60920 Количество:6
4 - Винт 19M7786 Количество:6 Примечание:M10 X 30
5 - Гайка T148409 Количество:6
6 - Уплотнитель ....... Примечание:CTL 2164 mm, 85 inch, MF T166692
7 - Крышка T250863
8 - Уплотнитель ....... Примечание:CTL 1554 mm, 61 inch, MF T166692
9 - Редукционный клапан AT183612
10 - Уплотнительное кольцо T77857
11 - Шайба 24H1660 Примечание:57/64" X 1-3/8" X 0.060"
12 - Гайка T78716
13 - Панель T204190
14 - Пластина T215619
15 - Фитинг 38H1416 Количество:2
16 - Винт 19M7774 Количество:4 Примечание:M6 X 12
17 - Винт с головкой 19M7938 Примечание:M10 X 20
18 - Гайка 14M7274 Примечание:M10
19 - Зажимная скоба T149830
20 - Панель T183299
21 - Шайба 24H1821 Количество:8 Примечание:9/32" X 47/64" X 1/16"
22 - Самофиксирующийся винт T134874 Количество:8
23 - Карман AT190780
24 - Винт с головкой 19M7640 Примечание:M5 X 12
25 - Трубка AT214655
26 - Захват C3203E
27 - Уплотнитель ....... Примечание:Не показано, CTL 4572 mm, 180 inch, MF T166692
Наверх
Обшивка потолка с воздухопроводом (ткань) ( - 633809) - ST77221
![Джон Дир 648H Обшивка потолка с воздухопроводом (ткань) ( Обшивка потолка с воздухопроводом (ткань) (]()
1 - Покрытие AT189501 Примечание:(AT189501 NLA) (ORDER (1) AT397184, (1) AT320544 and (1) AT397116)
2 - Лампа AT189064 Примечание:(AT189064 NLA) (ORDER (1) AT397184, (1) AT320544 and (1) AT397116)
2 - Лампа накаливания AT192414
2 - Жгут проводов кабины AT191379 Примечание:Потолочный светильник, (AT191379 NLA) (ORDER (1) AT397184, (1) AT320544 and (1) AT397116)
3 - Гайка M84972 Количество:2
4 - Винт 21M7285 Количество:2 Примечание:M6 X 12
5 - Воздуховод AT187705
6 - Жалюзи AT227668 Количество:6
7 - Жалюзи AT227669 Количество:2
8 - Крючок L102023 Количество:2
9 - Самофиксирующийся винт T133674 Количество:4
10 - Самофиксирующийся винт T134874 Количество:3
11 - Шайба 24H1821 Количество:3 Примечание:9/32" X 47/64" X 1/16"
12 - Шайба 24M7296 Количество:6 Примечание:10.500 X 30 X 2.500 mm
13 - Винт с головкой 19M7938 Количество:2 Примечание:M10 X 20
14 - Винт 37M7333 6
15 - Гайка M84972 Количество:5
16 - Покрытие AT189521
17 - Установочный винт 22M7160 Количество:4 Примечание:M10 X 50
18 - Гайка 14M7274 Количество:4 Примечание:M10
19 - Винт 37M7109 Количество:2
20 - Стопор T134962 Количество:5
21 - Колпачок T185064 Количество:5
Наверх
Обшивка потолка с воздухопроводом (ткань) (633810 - ) - ST519474
![Джон Дир 648H Обшивка потолка с воздухопроводом (ткань) (633810 Обшивка потолка с воздухопроводом (ткань) (633810]()
1 - Покрытие AT397184
2 - Воздуховод AT187705
3 - Жалюзи AT227668 Количество:6
4 - Жалюзи AT227669 Количество:2
5 - Лампа AT320544
6 - Жгут проводов AT397116
7 - Крючок L102023 Количество:2
8 - Самофиксирующийся винт T133674 Количество:4
9 - Самофиксирующийся винт T134874 Количество:3
10 - Шайба 24H1821 Количество:3 Примечание:9/32" X 47/64" X 1/16"
11 - Шайба 24M7296 Количество:6 Примечание:10.500 X 30 X 2.500 mm
12 - Винт с головкой 19M7938 Количество:2 Примечание:M10 X 20
13 - Винт 37M7333 6
14 - Гайка M84972 Количество:5
15 - Покрытие AT189521
16 - Установочный винт 22M7160 Количество:4 Примечание:M10 X 50
17 - Гайка 14M7274 Количество:4 Примечание:M10
18 - Винт 37M7109 Количество:2
19 - Стопор T134962 Количество:5 Serial No.______-640616
20 - Колпачок T185064 Количество:5 Serial No.______-640616
Наверх
Обшивка потолка с воздухопроводом (винил) ( - 633809) - ST77139
![Джон Дир 648H Обшивка потолка с воздухопроводом (винил) ( Обшивка потолка с воздухопроводом (винил) (]()
1 - Покрытие AT185331 Примечание:(AT185331 NLA) (ORDER (1) AT397213, (1) AT320544 and (1) AT397116)
2 - Лампа AT189064 Примечание:(AT189064 NLA) (ORDER (1) AT397213, (1) AT320544 and (1) AT397116)
2 - Лампа накаливания AT192414
2 - Жгут проводов кабины AT191379 Примечание:(AT191379 NLA) (ORDER (1) AT397213, (1) AT320544 and (1) AT397116)
3 - Винт 21M7285 Количество:2 Примечание:M6 X 12
4 - Гайка M84972 Количество:2
5 - Воздуховод AT187705
6 - Крючок L102023 Количество:2
7 - Жалюзи AT227668 Количество:6
8 - Жалюзи AT227669 Количество:2
9 - Самофиксирующийся винт T133674 Количество:4
10 - Шайба 24H1821 Количество:3 Примечание:9/32" X 47/64" X 1/16"
11 - Шайба 24M7296 Количество:6 Примечание:10.500 X 30 X 2.500 mm
12 - Винт с головкой 19M7938 Количество:2 Примечание:M10 X 20
13 - Винт 37M7333 6
14 - Гайка M84972 Количество:5
15 - Покрытие AT185333
16 - Самофиксирующийся винт T134874 Количество:3
17 - Установочный винт 22M7160 Количество:4 Примечание:M10 X 50
18 - Гайка 14M7274 Количество:4 Примечание:M10
19 - Винт 37M7109 Количество:2
20 - Стопор T134962 Количество:5
21 - Колпачок T185064 Количество:5
Наверх
Обшивка потолка с воздухопроводом (винил) (633810 - ), ( - 649451) - ST519473
![Джон Дир 648H Обшивка потолка с воздухопроводом (винил) (633810 Обшивка потолка с воздухопроводом (винил) (633810]()
1 - Покрытие AT397213
2 - Воздуховод AT187705
3 - Крючок L102023 Количество:2
4 - Жалюзи AT227668 Количество:6
5 - Жалюзи AT227669 Количество:2
6 - Лампа AT320544
7 - Жгут проводов AT397116
8 - Самофиксирующийся винт T133674 Количество:4
9 - Шайба 24H1646 Количество:3 Примечание:17/64" X 3/4" X 0.060"
10 - Шайба 24M7296 Количество:6 Примечание:10.500 X 30 X 2.500 mm
11 - Винт с головкой 19M7938 Количество:2 Примечание:M10 X 20
12 - Винт 37M7333 6
13 - Гайка M84972 Количество:5
14 - Покрытие AT185333
15 - Самофиксирующийся винт T134874 Количество:3
16 - Установочный винт 22M7160 Количество:4 Примечание:M10 X 50
17 - Гайка 14M7274 Количество:4 Примечание:M10
18 - Винт 37M7109 Количество:2
19 - Стопор T134962 Количество:5 Serial No.______-640616
20 - Колпачок T185064 Количество:5 Serial No.______-640616
Наверх
Комплект остекления навеса - ST77159
![Джон Дир 648H Комплект остекления навеса Комплект остекления навеса]()
1 - Стекло T186066 Количество:2
2 - Стекло T186067
3 - Метка T216309
4 - Распорная втулка T164945 Количество:22
5 - Распорная втулка T186068 Количество:20
6 - Винт 19M7867 Количество:42 Примечание:M8 X 25
7 - Комплект окон AT191378 Примечание:Цельные изделия
8 - Уплотнитель ....... Количество:20 Примечание:Не показано, (ORDER T62560 CTL)
9 - Уплотнитель ....... Количество:50 Примечание:Не показано, (ORDER T166692 CTL)
Наверх
Остекление навеса - ST84226
![Джон Дир 648H Остекление навеса Остекление навеса]()
1 - Стекло T186064
2 - Стекло T186065 Количество:2
3 - Сито AT146855 Количество:2
4 - Резиновая прокладка U43021 Количество:8
5 - Шайба 24M7239 Количество:4 Примечание:10.700 X 21 X 2.500 mm
6 - Винт с головкой 19M7938 Количество:4 Примечание:M10 X 20
7 - Сито AT176776
8 - Сито AT176777
9 - Сито AT186936
10 - Винт 19M7868 Количество:42 Примечание:M8 X 30
11 - Распорная втулка T164945 Количество:37
12 - Винт 19M7867 Количество:29 Примечание:M8 X 25
13 - Уплотнитель ....... Примечание:Не показано, CTL 8534 mm (336 in), MF T166692
14 - Изолятор T185647
Наверх
Остекление кабины - ST85645
![Джон Дир 648H Остекление кабины Остекление кабины]()
1 - Стекло T186065 Количество:2
2 - Стекло T186064
3 - Стекло T186066 Количество:2
4 - Стекло T186067
5 - Сито AT146855 Количество:2
6 - Резиновая прокладка U43021 Количество:8
7 - Шайба 24M7239 Количество:4 Примечание:10.700 X 21 X 2.500 mm
8 - Винт с головкой 19M7938 Количество:4 Примечание:M10 X 20
9 - Метка T216309
10 - Распорная втулка T186068 Количество:22
11 - Винт 19M7867 Количество:71 Примечание:M8 X 25
12 - Распорная втулка T164945 Количество:57
13 - Окно AT191268 Количество:2
14 - Пластина T66303 Количество:2
15 - Блокировка AT62821
16 - Блокировка AT62822
17 - Гайка T66297 Количество:4
18 - Винт 21H1455 Количество:4 Примечание:0.190" X 3/4"
19 - Изолятор ....... Примечание:Для стеклянных панорамных окон в дверях кабиныНе показано, CTL 5944 mm (234 in), MF T62560
20 - Изолятор ....... Примечание:Для поликарбонатных панорамных окон в кабинеНе показано, CTL 17526 mm (690 in), MF T166692
Наверх
Крышки под кабинойнавесом - ST127968
![Джон Дир 648H Крышки под кабинойнавесом Крышки под кабинойнавесом]()
1 - Панель T259412
2 - Панель AT371409
3 - Панель AT322876
4 - Пластина T191249
5 - Дверца T164357
6 - Шарнир AT151040
7 - Фиксатор T131067
8 - Винт 21M7271 Количество:2 Примечание:M5 X 16
9 - Шайба 24M7138 Количество:2 Примечание:5.300 X 15 X 1 mm
10 - Болт 03M7307 Количество:2 Примечание:M10 X 25
11 - Винт 19M7785 Количество:4 Примечание:M10 X 25
12 - Шайба 24M7044 Примечание:13 X 20 X 2 mm
13 - Шайба 24M7180 Примечание:13 X 37 X 3 mm
14 - Винт 19M7788 Примечание:M12 X 25
15 - Стопорная гайка 14M7265 Количество:2 Примечание:M5
16 - Фланцевая гайка 14M7296 Количество:4 Примечание:M10
17 - Шайба 24H1307 2 Примечание:13/32" X 1" X 1/16"
18 - Винт 19M7784 2 Примечание:M10 X 20
19 - Изолятор T66419
Наверх
Подборщики веток - ST77141
![Джон Дир 648H Подборщики веток Подборщики веток]()
1 - Подборщик веток AT324709 Примечание:ЛЕВАЯ СТОРОНА, SUB FOR AT326244
2 - Пластина T218143
3 - Подборщик веток AT280484 Примечание:ПРАВАЯ СТОРОНА, SUB FOR AT280482
4 - Изолятор T129538 Количество:2
5 - Шайба T101172 Количество:2
6 - Шайба 24M7242 Количество:2 Примечание:21.400 X 42 X 5 mm
7 - Винт с головкой 19H2826 Количество:2 Примечание:3/4" X 4-1/2"
8 - Гайка T25879 Количество:2
9 - Шайба 24M7243 Количество:2 Примечание:25.400 X 50 X 6 mm
10 - Винт с головкой 19M7993 Количество:2 Примечание:M24 X 50
Наверх
Напольный коврик - ST77145
![Джон Дир 648H Напольный коврик Напольный коврик]()
1 - Коврик T256757
Наверх
Стеклоомыватель и стеклоочиститель - только впереди - ST82653
![Джон Дир 648H Стеклоомыватель и стеклоочиститель Стеклоомыватель и стеклоочиститель]()
1 - Двигатель стеклоочистителя AT363735 Примечание:(SUB FOR AT315227 THIS APPLICATION)
2 - Рычаг стеклоочистителя AT315226
3 - Щетка стеклоочистителя AL153660 Посмотреть аналогичные детали
4 - Бак AT189631
5 - Кронштейн T183344
6 - Винт R116089 Количество:2
7 - Насос AT174348
8 - Уплотнение T186169
9 - Колпачок AT173193
10 - Коленчатый патрубок AT116970
11 - Зажимная скоба T182909 Количество:4
12 - Шланг без конц. арматуры ....... Примечание:(MAKE FROM TY25139 CTL 1 ft.)
13 - Шланг без конц. арматуры ....... Примечание:(MAKE FROM TY25139 CTL 9 ft.)
14 - Обратный клапан AT361113
15 - Винт 19M7775 Примечание:M6 X 16
16 - Винт 19M7868 Количество:2 Примечание:M8 X 30
17 - Обвязной хомут H77698 Посмотреть аналогичные детали
18 - Метка T238675 Примечание:(SUB FOR H34597)
19 - Метка T238675 Примечание:(SUB FOR H86832)
20 - Метка T238675 Примечание:(SUB FOR R27983)
Наверх
Передний и задний стеклоомыватель и стеклоочиститель - ST83449
![Джон Дир 648H Передний и задний стеклоомыватель и стеклоочиститель Передний и задний стеклоомыватель и стеклоочиститель]()
1 - Двигатель стеклоочистителя AT363735 Примечание:(SUB FOR AT315227 THIS APPLICATION)
2 - Рычаг стеклоочистителя AT315226
3 - Щетка стеклоочистителя AL153660 Количество:2 Посмотреть аналогичные детали
4 - Коленчатый патрубок AT116970 Количество:2
5 - Зажимная скоба T182909 Количество: 10
6 - Шланг без конц. арматуры ....... Примечание:(MAKE FROM TY25139 CTL)
7 - Шланг без конц. арматуры ....... Примечание:(MAKE FROM TY25139 CTL)
8 - Обратный клапан AT361113 Количество:2
9 - Винт 19M7775 Примечание:M6 X 16
10 - Винт 19M7868 Количество:2 Примечание:M8 X 30
11 - Обвязной хомут H77698 Посмотреть аналогичные детали
12 - Двигатель стеклоочистителя AT363739 Примечание:(SUB FOR AT315228 THIS APPLICATION)
13 - Рычаг стеклоочистителя AT315226
14 - Шланг без конц. арматуры ....... Примечание:(MAKE FROM TY25139 CTL)
15 - Шланг без конц. арматуры ....... Примечание:(MAKE FROM TY25139 CTL)
16 - Бак AT187012
17 - Кронштейн T183344 Количество:2
18 - Насос AT174348 Количество:2
19 - Винт R116089 Количество:4
20 - Уплотнение T186169 Количество:2
21 - Колпачок AT173193
22 - Шайба 24M7139 Примечание:6.400 X 18 X 1.600 mm
23 - Винт с головкой 19M7923 Примечание:M6 X 12
Наверх
Передняя консоль (с таймером) - ST345632
![Джон Дир 648H Передняя консоль (с таймером) Передняя консоль (с таймером)]()
1 - Пульт T212424
2 - Шайба 24H1821 Количество:4 Примечание:9/32" X 47/64" X 1/16"
3 - Панель T283939
4 - Гайка R134098 Количество:5
5 - Крышка AT186682
6 - Фиксатор T167190
7 - Панель T282686
8 - Самофиксирующийся винт T134874 Количество:4
9 - Гайка M84972 Количество:4
10 - Самофиксирующийся винт T134895 Количество:5
11 - Шайба 24M7298 Количество:4 Примечание:8.400 X 25 X 2 mm
12 - Винт 19M7881 Количество:4 Примечание:M8 X 20
13 - Комплект рамок AT389672
14 - Цифровой дисплей AT221990
15 - Винт 37M7333 Количество:2
16 - Жгут проводов AT390107
Наверх
Передняя панель управления (без таймера) - ST77142
![Джон Дир 648H Передняя панель управления (без таймера) Передняя панель управления (без таймера)]()
1 - Пульт T212424
2 - Шайба 24H1821 Количество:4 Примечание:9/32" X 47/64" X 1/16"
3 - Панель T283939
4 - Гайка R134098 Количество:5
5 - Панель T244848
6 - Крышка AT186682
7 - Фиксатор T167190
8 - Самофиксирующийся винт T134874 Количество:4
9 - Гайка M84972 Количество:4
10 - Самофиксирующийся винт T134895 Количество:5
11 - Шайба 24M7298 Количество:4 Примечание:8.400 X 25 X 2 mm
12 - Винт 19M7881 Количество:4 Примечание:M8 X 20
Наверх
Правый пульт управления ( - 640616) - ST82649
![Джон Дир 648H Правый пульт управления ( Правый пульт управления (]()
1 - Пульт AT193563
2 - Крышка T183378
3 - Фиксатор T184921
4 - Фиксатор T184922 Количество:2
5 - Гайка T185554 Количество:2
6 - Уголок T185927
7 - Решетка T185144
8 - Крышка T333652
9 - Шайба 24H1821 Количество:5 Примечание:9/32" X 47/64" X 1/16"
10 - Самофиксирующийся винт T134874 Количество:2
11 - Гайка M84972 Количество:8
12 - Самофиксирующийся винт T134895 Количество:8
13 - Трак AT185393
14 - Шарнир T166639
15 - Самофиксирующийся винт T133674 Количество:2
16 - Регулировочный хомут T185928
17 - Фиксатор T184921
18 - Кронштейн AT189264
19 - Самофиксирующийся винт T133674 Количество:3
20 - Винт 19M7865 Количество:4 Примечание:M8 X 16
21 - Кронштейн T167198
22 - Кронштейн T183423
23 - Зажимная скоба T182909 Количество:2
24 - Заглушка H34597 Serial No.______-661905
24 - Уплотнение R71351 Serial No.661906-______
Наверх
Правый пульт управления (640617 - ) - ST712177
![Джон Дир 648H Правый пульт управления (640617 Правый пульт управления (640617]()
1 - Пульт AT384656 Serial No.______-651873 Примечание:Без вырезов под переключатели
1 - Пульт AT193563 Serial No.651874-______
2 - Крышка T183378
3 - Фиксатор T184921
4 - Фиксатор T184922 Количество:2
5 - Гайка T185554 Количество:2
6 - Уголок T185927
7 - Решетка T185144
8 - Крышка T333652
9 - Шайба 24H1821 Количество:7 Примечание:9/32" X 47/64" X 1/16", 9/32” X 47/64” X 1/16”
10 - Самофиксирующийся винт T134874 Количество:2
11 - Гайка M84972 Количество:8
12 - Самофиксирующийся винт T134895 Количество:8
13 - Трак AT185393
14 - Шарнир T166639
15 - Самофиксирующийся винт T133674 Количество:2
16 - Регулировочный хомут T185928
17 - Фиксатор T184921
18 - Кронштейн AT189264
19 - Самофиксирующийся винт T133674 Количество:3
20 - Винт 19M7865 Количество:4 Примечание:M8 X 16
21 - Кронштейн T167198
22 - Кронштейн T183423
23 - Зажимная скоба T182909 Количество:2
24 - Заглушка M115279
25 - Заглушка H34597 Serial No.______-661905
25 - Уплотнение R71351 Serial No.661906-______
Наверх
Ремень безопасности (шир. 2 дюйма) - ST86886
![Джон Дир 648H Ремень безопасности (шир. 2 дюйма) Ремень безопасности (шир. 2 дюйма)]()
1 - Ремень безопасности AT172910
2 - Ремень безопасности AT179423
3 - Шайба T105740 Количество:4
4 - Винт с головкой 19H2109 Количество:2 Примечание:7/16" X 1-1/4"
Наверх
Ремень безопасности (шир. 3 дюйма) - ST86633
![Джон Дир 648H Ремень безопасности (шир. 3 дюйма) Ремень безопасности (шир. 3 дюйма)]()
1 - Ремень безопасности AT308199
Наверх
Сиденье с пневматической подвеской ( - 646523) - ST134254
![Джон Дир 648H Сиденье с пневматической подвеской ( Сиденье с пневматической подвеской (]()
1 - Сиденье AT366810 Примечание:Винил, SUB AT407214
1 - Сиденье AT366811 Примечание:Ткань, SUB AT407215
1 - Комп. направляющ. сиденья AT226472 Примечание:Включает боковую пластину и верхние сдвижные защелки
2 - Пластина AT186701
3 - Подъемная платформа AT189314
4 - Шайба 24M7238 Количество:4 Примечание:8.700 X 17 X 2 mm
5 - Винт 19M7866 Количество:4 Примечание:M8 X 20
6 - Винт 19M7786 Количество:4 Примечание:M10 X 30
7 - Плавкий предохранитель 57M7691
Наверх
Сиденье с пневматической подвеской (646524 - ) - ST745546
![Джон Дир 648H Сиденье с пневматической подвеской (646524 Сиденье с пневматической подвеской (646524]()
1 - Винт 19M7786 Количество:4 Примечание:M10 X 30
2 - Сиденье AT407214 Примечание:Винил
2 - Сиденье AT407215 Примечание:Ткань
2 - Комп. направляющ. сиденья AT226472 Примечание:Включает боковую пластину и верхние сдвижные защелки
3 - Подъемная платформа AT406865 Примечание:База
4 - Комплект сиденья AT209020 Примечание:Комплект прижимн. ролика скольж.
Наверх
Сиденье и подлокотник ( - 646523) - ST134255
![Джон Дир 648H Сиденье и подлокотник ( Сиденье и подлокотник (]()
1 - Подушка AT308796 Примечание:Ткань, (INCLUDES 20 and 21)
1 - Трак AT221016 Примечание:Винил, (INCLUDES 20 and 21)
2 - Подушка AT308795 Примечание:Ткань
2 - Сиденье AT221015 Примечание:Винил
3 - Пластина ... Примечание:ПравыйРегулировка угла спинки сиденья
4 - Пластина ... Примечание:ЛевыйРегулировка угла спинки сиденья
5 - Подлокотник ... Примечание:Левый
6 - Комплект подлокотника AT312728 Примечание:Левый узел
6 - Комплект подлокотника AT312730 Примечание:Правый узел
7 - Торсионные пружины ...
8 - Винт T120544
9 - Шайба 24H1287 Количество:2 Примечание:9/32" X 5/8" X 0.065", С подлокотником
9 - Шайба 24H1136 Количество:2 Примечание:11/32" X 11/16" X 0.065", Без подлокотника
10 - Стопорная гайка M453T Количество:3
11 - Пластина ...
12 - Винт T120543
13 - Рычаг ...
14 - Комплект ручки сиденья AT209025 Примечание:(INCLUDES 15 and 29)
15 - Винт 37H121 Количество:2
16 - Пружина ...
17 - Фиксатор ...
18 - Распорная втулка ... Количество:3
19 - Пластина ...
20 - Трак ...
21 - Зажимная скоба T171686 Количество:4
22 - Поддон AT280583
23 - Винт ... Количество:3
24 - Шайба ... Количество:6
25 - Крышка ...
26 - Винт с головкой 19H1914 Количество:2 Примечание:1/4" X 1", С подлокотником
26 - Винт с головкой 19H1813 Примечание:5/16" X 5/8", Без подлокотника
27 - Кронштейн AT189030
28 - Комплект ручки сиденья AT209225 Примечание:(INCLUDES 7, 10, 13, 15, 16, 17, 18, 19, 23, 24 and 29)
29 - Ручка ...
Наверх
Сиденье и подлокотник (646524 - ) - ST745544
![Джон Дир 648H Сиденье и подлокотник (646524 Сиденье и подлокотник (646524]()
1 - Комплект ручки сиденья AT209225
2 - Стопорная гайка M453T Количество:3
3 - Комплект сиденья AT209022
4 - Пружинное кольцо R72655 Количество:2
5 - Торсионные пружины T163336
6 - Пружинное кольцо R72655 Количество:2
7 - Пружина T163334
8 - Пружина T163335
9 - Комплект подлокотника AT312728
10 - Подушка AT308796 Примечание:Ткань
10 - Трак AT221016 Примечание:Винил
11 - Подушка AT308795 Примечание:Ткань
11 - Сиденье AT221015 Примечание:Винил
12 - Зажимная скоба T171686 Количество:4
13 - Комплект ручки сиденья AT209025
14 - Винт 37H121
15 - Комплект пружин AT209021
Наверх
Основание сиденья с пневматической подвеской ( - 646523) - ST134264
![Джон Дир 648H Основание сиденья с пневматической подвеской ( Основание сиденья с пневматической подвеской (]()
1 - Подвеска сиденья AT366812 Примечание:INCLUDES AT208491, SUB AT406864
2 - Труба ... Примечание:CTL 0.875 m
3 - Подвеска сиденья AT376001
4 - Обвязной хомут ...
5 - Стопорная гайка ... Количество:2
6 - Труба ... Количество:4
7 - Зажимная скоба ...
8 - Жгут проводов AT208488 Примечание:INCLUDES 46 AND 47
9 - Винт с головкой ...
10 - Комплект ремня AT173315
11 - Стопорная гайка ...
12 - Болт ...
13 - Корпус AT208483
14 - Амортизатор AT208486
15 - Винт ... Количество:2
16 - Обвязной хомут ... Количество:23
17 - Прижимная гайка ... Количество:3
18 - Комплект кожуха AT208491 Примечание:INCLUDES 16, 17, 20, 52, 53 AND 54
19 - Гайка ...
20 - Зажимная скоба ... Количество:3
21 - Подшипник ...
22 - Ручка ...
23 - Резиновая прокладка T55224
24 - Контрольный клапан ...
25 - Комплект компрессора ...
26 - Стопорная шайба ...
27 - Компл. ролик. подш. сид. AT321131
28 - Амортизатор ...
29 - Корпус F434586
30 - Узел электрич. разъема ... Количество:2
31 - Кронштейн ...
32 - Коленчатый патрубок ...
33 - Прижимная гайка ...
34 - Подшипник ...
35 - Резиновая прокладка ...
36 - Подшипник ... Количество:2
37 - Винт ...
38 - Комплект вала AT173313 Примечание:INCLUDES 5, 6, 36 AND 51
39 - Комплект скоб AT173321 Примечание:INCLUDES 16, 17, 20, AND 52
40 - Узел амортизатора сиденья AT182954 Примечание:INCLUDES 21, 28, 33, AND 34
41 - Селект. контрольный клап. AT208490 Примечание:INCLUDES 19, 22, 24, AND 26
42 - Комплект фитингов AT407903 Примечание:INCLUDES 2, 4, AND 7
42 - Вертикальный нож ..... Примечание:Для пластмассовой трубки
42 - Обвязной хомут ..... Количество:5
42 - Тройник ..... Примечание:Воздушный компрессор сиденья, (внутренняя резьба, 5/32 дюйма)
42 - Фитинг ..... Примечание:Соединитель, труба с наружной резьбой, наружный диаметр 5/32 дюйма
42 - Коленчатый патрубок ..... Примечание:90 градусов, наружная резьба 1/8 дюйма NPT x наружный диаметр 5/32 дюйма
42 - Труба ..... Примечание:Нейлон, наружный диаметр 5/32 дюйма, (6 футов)
43 - Резиновая прокладка AT209469 Примечание:INCLUDES 11, 35 AND 37
44 - Линия ...
45 - Линия ...
46 - Жгут проводов ...
47 - Обвязной хомут ... Количество:4
51 - Шайба ... Количество:2
52 - Заклепка ... Количество:6
53 - Кожух ...
54 - Стопор ... Количество:2
55 - Распорная втулка ... Количество:2
56 - Комплект компрессора AT410247 Примечание:SUB FOR AT400360 OR AT198869
Наверх
Основание сиденья с пневматической подвеской (646524 - ) - ST745538
![Джон Дир 648H Основание сиденья с пневматической подвеской (646524 Основание сиденья с пневматической подвеской (646524]()
1 - Подвеска сиденья AT406864
2 - Подвеска сиденья AT408998 Примечание:Верхний корпус с креплением
3 - Комплект рычагов AT361460
4 - Селект. контрольный клап. AT365110
5 - Компл. башм. подв. сид. AT384612 Примечание:Кожух и комплект фиксатора
6 - Компл. башм. подв. сид. AT384611 Примечание:Комплект фиксатора кожуха
7 - Комплект вала AT173313 Количество:2 Примечание:Комплект вала подшипника
8 - Резиновая прокладка AT361463 Примечание:Комплект бамперов
9 - Хомут AT361459 Примечание:Комплект страх. фала
10 - Подвеска сиденья AT384606 Примечание:Комплект ножничного рычага
11 - Подвеска сиденья AT384609 Примечание:Комплект регулируемого амортизатора
12 - Узел амортизатора сиденья AT361458
13 - Компл. клапана компресс. AT410247 Примечание:Комплект воздушного компрессора
14 - Подвеска сиденья AT408997 Примечание:База
15 - Комп. сид. на пн. ресс. AT361539
16 - Подвеска сиденья AT384607 Примечание:Комплект вала рычажного механизма
17 - Подвеска сиденья AT384610 Примечание:Комплект рычага регулировки амортизатора
18 - Комплект шланга AT384613 Примечание:Шланг и комплект фитинговНе показано
19 - Жгут проводов AT453670 Примечание:Не показано
Наверх
Перемещение полз. сиденья ( - 646523) - ST134263
![Джон Дир 648H Перемещение полз. сиденья ( Перемещение полз. сиденья (]()
1 - Пружина T163334
2 - Пружина T163335
3 - Пружинное кольцо R72655 Количество:2
4 - Комп. направляющ. сиденья AT226471
Наверх
Поворот и защелка сиденья - ST134385
![Джон Дир 648H Поворот и защелка сиденья Поворот и защелка сиденья]()
1 - Пластина ...
2 - Тормоз ... Количество:4
3 - Винт ... Количество:4
4 - Комплект сиденья AT209020
5 - Винт с головкой 19M7402 Количество:4 Примечание:M10 X 25
6 - Шайба 24M7239 Количество:4 Примечание:10.700 X 21 X 2.500 mm
7 - Стопорная гайка M47031 Количество:4
8 - Пластина ...
9 - Комплект вертлюга сиденья AT185379
10 - Комплект пульта управл. AT179691
11 - Рукоятка ... Примечание:ORDER AT179691
12 - Пружина ...
13 - Пластина ...
14 - Винт с головкой 19H1227 Количество:4 Примечание:1/4" X 1/2"
15 - Уголок ...
16 - Пружина ...
17 - Пружинный шплинт 34H262 Примечание:5/32" X 3/4"
18 - Шайба 24H1305 Количество:2 Примечание:13/32" X 13/16" X 0.065"
19 - Пружинное кольцо R72655 Количество:3
20 - Комп. направляющ. сиденья AT179692 Примечание:INCLUDES 21, 22, 23, 24, 25, 26, 27 AND 28
21 - Вертлюг ...
22 - Стопорная гайка M47031
23 - Пружина ...
24 - Зажимная скоба ...
25 - Пластина ...
26 - Ось ...
27 - Пружина ...
28 - Пружинное кольцо R72655 Количество:2
30 - Комплект вертлюга AT179687 Примечание:Поворотный, INCLUDES 31, 32, 33, 34, 35, 36, AND 37
31 - Шар M87261 Количество:24
32 - Стопорная гайка M47031 Количество:5
33 - Пластина ...
34 - Болт ... Количество:5
35 - Пластина ...
36 - Стопор ...
37 - Шайба 24M6504 Количество:5 Примечание:10 X 16 X 1.500 mm
40 - Комплект вертлюга сиденья AT179688
41 - Пружина ...
42 - Пружина ...
43 - Пружинное кольцо R72655 Количество:3
44 - Комплект сиденья AT209022
45 - Пружинное кольцо R72655 Количество:2
46 - Торсионные пружины T163336
47 - Рычаг ...
Наверх
Лесенка рамы двигателя - ST82650
![Джон Дир 648H Лесенка рамы двигателя Лесенка рамы двигателя]()
1 - П-образный болт W29909 Количество:4
2 - Шайба 24M7296 Количество:8 Примечание:10.500 X 30 X 2.500 mm
3 - Стопорная гайка 14M7400 Количество:8 Примечание:M10
4 - Хомут T164713 Количество:4
5 - Винт 19M7815 2 Примечание:M12 X 60
6 - Стопорная гайка 14M7401 2 Примечание:M12
7 - Хомут T164510 Количество:2
Наверх
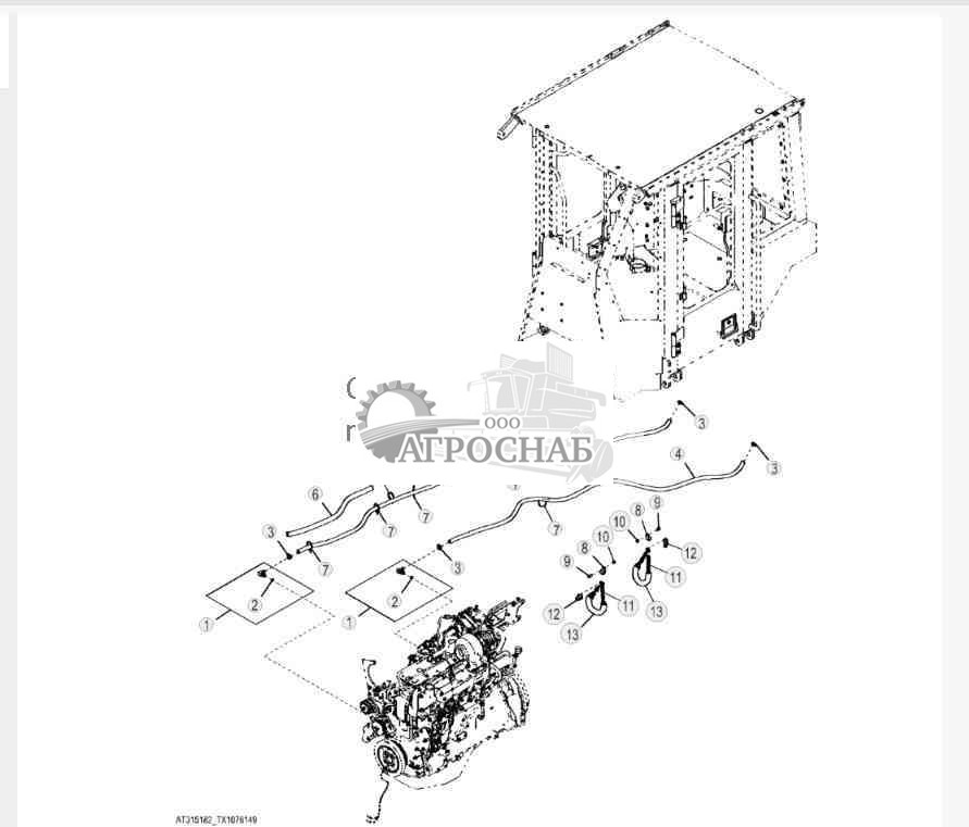
Трубопроводы обогревателя 540H, 548H, 640H, 648H (прямой привод) - ST80401
![Джон Дир 648H Трубопроводы обогревателя 540H, 548H, 640H, 648H (прямой привод) Трубопроводы обогревателя 540H, 548H, 640H, 648H (прямой привод)]()
1 - Коленчатый патрубок AT174697 Количество:2
2 - Уплотнительное кольцо 51M7043 Примечание:15.300 X 2.200 mm
3 - Шланговый зажим T184924 Количество:4 Примечание:SUB FOR AT330787 THIS APPLICATION
4 - Шланг без конц. арматуры ....... Примечание:MAKE FROM T53191 CTL 7.54 ft.
5 - Шланг без конц. арматуры ....... Примечание:MAKE FROM T53191 CTL 4.83 ft.
6 - Обвязной хомут R44302 Количество:8 Посмотреть аналогичные детали
7 - Изолятор T147929
8 - Скоба T38377 Количество:2
9 - Винт 19M7866 Количество:2 Примечание:M8 X 20
10 - Фланцевая гайка 14M7298 Количество:2 Примечание:M8
11 - Звено цепи AT318411 Количество:2
12 - Крючок M147177 Количество:2
13 - Гильза T134295 Количество:2
Наверх
Трубопроводы обогревателя воздуха 640H, 648H, 848H (гидротрансформатор), 748H (прямой привод) - ST80399
![Джон Дир 648H Трубопроводы обогревателя воздуха 640H, 648H, 848H (гидротрансформатор), 748H (прямой привод) Трубопроводы обогревателя воздуха 640H, 648H, 848H (гидротрансформатор), 748H (прямой привод)]()
1 - Коленчатый патрубок AT174697 Количество:2
2 - Уплотнительное кольцо 51M7043 Примечание:15.300 X 2.200 mm
3 - Шланговый зажим T184924 Количество:4 Примечание:SUB FOR AT330787 THIS APPLICATION
4 - Шланг без конц. арматуры ....... Примечание:MAKE FROM T53191 CTL 5 ft.
5 - Шланг без конц. арматуры ....... Примечание:MAKE FROM T53191 CTL 8 ft.
6 - Изолятор T147929
7 - Обвязной хомут R44302 Количество:7 Посмотреть аналогичные детали
8 - Скоба T38377 Количество:2
9 - Винт 19M7866 Количество:2 Примечание:M8 X 20
10 - Фланцевая гайка 14M7298 Количество:2 Примечание:M8
11 - Звено цепи AT318411 Количество:2
12 - Крючок M147177 Количество:2
13 - Гильза T134295 Количество:2
Наверх
Компрессор кондиционера воздуха и привод 540H, 548H, 640H, 648H (прямой привод) - ST77149
![Джон Дир 648H Компрессор кондиционера воздуха и привод 540H, 548H, 640H, 648H (прямой привод) Компрессор кондиционера воздуха и привод 540H, 548H, 640H, 648H (прямой привод)]()
1 - Компрессор AN221429 Примечание:Компоненты перечислены на отдельных стр.
1 - Изоляционная трубка T63054 Примечание:Щитки для проводов конденсатора системы кондиционирования воздуха
2 - Шланг хладагента AT376412 Примечание:Сторона выс. давления
2 - Колпачок T354060 Примечание:Сторона высокого давления, питающее отверстие
3 - Шланг хладагента AT376413 Примечание:Низк. сторона
3 - Колпачок T354059 Примечание:Сторона низкого давления, питающее отверстие
4 - Пружинный шплинт 34M7189 Количество:2 Примечание:11 X 8 mm
5 - Винт 19M7913 Количество:3 Примечание:M8 X 90
6 - Клиновой ремень T210568
7 - Распорная втулка R133643
8 - Шкив RE505264
9 - Гильза R502079
10 - Винт 19M7811 Примечание:M10 X 90
11 - Уплотнительное кольцо R10093 Количество:2
12 - Уплотнительное кольцо R113050 Количество:2
13 - Скоба R50454 Количество:2
14 - Фланцевая гайка 14M7296 Количество:2 Примечание:M10
15 - Винт 19M7784 Количество:2 Примечание:M10 X 20
16 - Скоба T149597
17 - Оплетка T191026
18 - Линия AT324728
19 - Уплотнительное кольцо R33259 Количество:2
20 - Винт 19M7785 Примечание:M10 X 25
21 - Регулировочный хомут T238029
22 - Обвязной хомут R44302 Количество:8 Посмотреть аналогичные детали
Наверх
Компрессор кондиционера воздуха и привод 640H, 648H, 848H (гидротрансформатор), 748H (прямой привод) - ST77148
![Джон Дир 648H Компрессор кондиционера воздуха и привод 640H, 648H, 848H (гидротрансформатор), 748H (прямой привод) Компрессор кондиционера воздуха и привод 640H, 648H, 848H (гидротрансформатор), 748H (прямой привод)]()
1 - Компрессор AN221429 Примечание:Компоненты перечислены на отдельных стр.
1 - Изоляционная трубка T63054 Примечание:Щитки для проводов конденсатора системы кондиционирования воздуха
2 - Пружинный шплинт 34M7189 Количество:2 Примечание:11 X 8 mm
3 - Винт 19M7913 Количество:3 Примечание:M8 X 90
4 - Уплотнительное кольцо R113050 Количество:2
5 - Уплотнительное кольцо R10093 Количество:2
6 - Уплотнительное кольцо R33259 Количество:2
7 - Клиновой ремень T210568
8 - Распорная втулка R133643
9 - Шкив RE505264
10 - Гильза R502079
11 - Винт 19M7811 Примечание:M10 X 90
12 - Зажимная скоба T27550
13 - Оплетка T191026
14 - Линия AT324728
15 - Шланг хладагента AT376412
15 - Колпачок T354060 Примечание:Сторона выс. давленияЗаправочный канал
16 - Шланг хладагента AT376413
16 - Колпачок T354059 Примечание:Низк. сторонаЗаправочный канал
17 - Винт 19M7785 Примечание:M10 X 25
18 - Обвязной хомут R44302 Количество:9 Посмотреть аналогичные детали
19 - Регулировочный хомут T238029
Наверх
Компрессор кондиционирования воздуха (хладагент R134A) - ST327311
![Джон Дир 648H Компрессор кондиционирования воздуха (хладагент R134A) Компрессор кондиционирования воздуха (хладагент R134A)]()
1 - Коллектор RE51052
2 - Расходный гидр. клапан RE52506
3 - Сальник R115742
4 - Компрессор RE52454
5 - Статор RE52510
6 - Крышка R115743
7 - Комплект муфты RE52508 Примечание:Муфта и шкив компрессора Посмотреть аналогичные детали
8 - Компрессор TY6764 Serial No.______-596699 Примечание:NLA, ORDER SE501462, SUB FOR AN221429, THIS APPLICATION Посмотреть аналогичные детали
8 - Компрессор восст. SE501462 Примечание:NLA; ORDER SE503065
8 - Компрессор восст. SE503065 Примечание:REMAN FOR TY6764
8 - Компрессор AN221429 Serial No.596700-______
9 - Кольцо .......
10 - Кронштейн .......
11 - Подшипник .......
12 - Статор .......
13 - Шкив .......
14 - Шайба ....... Количество:3
15 - Крышка .......
16 - Рым-болт .......
17 - Рым-болт ....... Количество:6
18 - Кольцо .......
19 - Винт с головкой .......
20 - Рым-болт ....... Количество:4
Наверх
Модуль системы кондиционирования воздуха и обогревателя ( - 649451) - ST82644
![Джон Дир 648H Модуль системы кондиционирования воздуха и обогревателя ( Модуль системы кондиционирования воздуха и обогревателя (]()
1 - Приборная панель T284433 Примечание:SUB FOR T244847
2 - Метка T249398
3 - Воздуховод AT186639
4 - Комплект кондиционера ....... Примечание:Компоненты перечислены на отдельных стр.
5 - Переключатель RE43497
6 - Стопорная гайка R44165 Количество:3
7 - Ручка AL76568 Количество:2
8 - Потенциометр AT186661
8 - Гайка M73144
9 - Втулка 28H3413 Количество:2 Примечание:0.423" X 0.675" X 2-1/2"
10 - Скоба T190513 Количество:2
11 - Шайба 24M7239 Количество:5 Примечание:10.700 X 21 X 2.500 mm
12 - Винт с головкой 19M8166 Количество:2 Примечание:M10 X 110
13 - Расширит. бачок/осушитель AT162848 Посмотреть аналогичные детали
14 - Шайба 24M7296 Количество:4 Примечание:10.500 X 30 X 2.500 mm
15 - Винт с головкой 19M7938 Количество:6 Примечание:M10 X 20
16 - Метка T138914
17 - Уплотнение T166297
18 - Скоба T78974
19 - Винт 19M7864 Примечание:M8 X 12
20 - Линия AT304952
21 - Уплотнительное кольцо R10093 Количество:3
22 - Переключатель RE157329
23 - Скоба T74416 Количество:2
24 - Скоба T78787 Количество:2
25 - Уплотнение T66413 Количество:2
26 - Втулка 28H3427 Примечание:0.546" X 0.840" X 15/16"
27 - Винт с головкой 19M8600 Примечание:M10 X 50
28 - Обвязной хомут R44302 Количество:2 Посмотреть аналогичные детали
29 - Шланговый зажим T184924 Количество:2 Примечание:SUB FOR AT330787 THIS APPLICATION
30 - Шайба 24M7139 Количество:2 Примечание:6.400 X 18 X 1.600 mm
31 - Винт с головкой 19M7933 Количество:2 Примечание:M6 X 25
32 - Воздуховод AT191244 Примечание:Защелка не показанаДоп. компоненты приведены на отд. страницах, AT191244
33 - Стопор T184829 Количество:2
34 - Заклепка R125955 Количество:4
35 - Воронка AT191178 Количество:2
36 - Воздушный фильтр AT191102
37 - Пластина T213349
38 - Винт 37M7333 Количество:3
39 - Фитинг T160492 Количество:2
40 - Уплотнительное кольцо T16976 Количество:2
41 - Винт 21M7310 Количество:2 Примечание:M6 X 25
Наверх
Модуль системы кондиционирования воздуха и обогревателя (649452 - ) - ST766187
![Джон Дир 648H Модуль системы кондиционирования воздуха и обогревателя (649452 Модуль системы кондиционирования воздуха и обогревателя (649452]()
1 - Приборная панель T292480
2 - Метка T292481 Примечание:Управл. ОВКВ
3 - Регулятор температуры AT219733 Примечание:ОВКВ
4 - Воздуховод AT186639
5 - Переключатель RE43497 Примечание:Вентилятор
6 - Ручка AL76568 Количество:2
7 - Стопорная гайка R44165 Количество:3
8 - Винт 21M7310 Количество:2 Примечание:M6 X 25
9 - Втулка 28H3413 Количество:2 Примечание:0.423" X 0.675" X 2-1/2"
10 - Скоба T190513 Количество:2
11 - Шайба 24M7239 Количество:5 Примечание:10.700 X 21 X 2.500 mm
12 - Винт с головкой 19M8166 Количество:2 Примечание:M10 X 110
13 - Расширит. бачок/осушитель AT162848 Посмотреть аналогичные детали
14 - Шайба 24M7296 Количество:4 Примечание:10.500 X 30 X 2.500 mm
15 - Винт с головкой 19M7938 Количество:6 Примечание:M10 X 20
16 - Метка T138914
17 - Уплотнение T166297
18 - Скоба T78974
19 - Винт 19M7864 Примечание:M8 X 12
20 - Линия AT304952
21 - Уплотнительное кольцо R10093 Количество:3
22 - Переключатель RE157329 Примечание:AC- высокое давление
23 - Скоба T74416 Количество:2
24 - Скоба T78787 Количество:2
25 - Уплотнение T66413 Количество:2
26 - Втулка 28H3427 Примечание:0.546" X 0.840" X 15/16"
27 - Винт с головкой 19M8600 Примечание:M10 X 50
28 - Обвязной хомут R44302 Количество:2 Посмотреть аналогичные детали
29 - Трак T184114
30 - Шланговый зажим T184924 Количество:2
31 - Шайба 24M7139 Количество:2 Примечание:6.400 X 18 X 1.600 mm
32 - Винт с головкой 19M7933 Количество:2 Примечание:M6 X 25
33 - Воздуховод AT191244
34 - Воздуховод T184972
35 - Стопор T184829 Количество:2
36 - Заклепка R125955 Количество:4
37 - Воздушный фильтр AT191102
38 - Винт 37M7333
39 - Фитинг T160492 Количество:2
40 - Уплотнительное кольцо T16976 Количество:2
Наверх
Компоненты модуля системы кондиционирования воздуха и обогревателя - ST125500
![Джон Дир 648H Компоненты модуля системы кондиционирования воздуха и обогревателя Компоненты модуля системы кондиционирования воздуха и обогревателя]()
1 - Корпус AT334358 Примечание:Содержит уплотнения
2 - Сердцевина AT395667 Примечание:SUB FOR AT330141 AND AT362081
3 - Корпус AT188767
4 - Воздуховод AT188636
5 - Клапан AT388611 Примечание:SUB FOR AT301492
5 - Винт 37H95 Количество:5
5 - Клапан AT388617
5 - Фитинг переходника T250874
6 - Пускатель AT393961
7 - Воздуховод T183430
8 - Шланг ....... Примечание:ORDER AT325614
9 - Шланг ....... Примечание:ORDER AT325614
10 - Кожух T183599
11 - Двигатель вентилятора AT365432 Примечание:SUB FOR AT188768
12 - Регулятор температуры RE198074
13 - Гайка M84972 Количество: 10
14 - Испаритель AT395669 Примечание:Испаритель, SUB FOR AT325297 AND AT355351
15 - Клапан RE174764 Посмотреть аналогичные детали
16 - Пластина L77943
17 - Болт PT11778 Количество:2
18 - Резистор RE49636
19 - Винт с головкой T178251 4
20 - Гайка M84972 Количество:4
21 - Винт 19M7863 Количество:9 Примечание:M6 X 25
22 - Шланговый зажим T184924 Количество:4
23 - Винт с головкой 19M7372 Количество:2 Примечание:M5 X 16
24 - Сальник ....... Примечание:NLA
25 - Фильтр T183432
26 - Воронка AT191178 Количество:2
27 - Поддон T181958
28 - Линия AT325300
29 - Винт T116314
30 - Шланг ....... Примечание:ORDER AT325614
31 - Уплотнительное кольцо T143169
32 - Уплотнительное кольцо R10093
33 - Комплект шланга AT325614
Наверх
Компоненты модуля системы кондиционирования воздуха и обогревателя (649452 - ) - ST785882
![Джон Дир 648H Компоненты модуля системы кондиционирования воздуха и обогревателя (649452 Компоненты модуля системы кондиционирования воздуха и обогревателя (649452]()
1 - Корпус AT334358
2 - Корпус AT188767
3 - Воздуховод AT188636
4 - Воздуховод T183430
5 - Шланг радиатора ..... Примечание:ORDER AT325614
6 - Кожух T183599
7 - Двигатель вентилятора AT365432
8 - Сальник R162769
9 - Резистор ....... Примечание:NSEP
10 - Труба RE36133
11 - Скоба T178117 Количество:4
12 - Винт с головкой T178251 Количество:6
13 - Винт с головкой T178251 Количество:5
14 - Резистор AT433236 Количество:3
15 - Шланговый зажим T184924 Количество:3
16 - Фильтр T183432
17 - Воронка AT191178 Количество:2
18 - Поддон T181958
19 - Шланг T165169
20 - Сердцевина AT395667
21 - Испаритель AT395669
21 - Болт PT11778
21 - Уплотнительное кольцо R113050
21 - Уплотнительное кольцо R33259
21 - Пластина T181522
21 - Клапан RE283957 Примечание:Расширительный клапан системы кондиционирования воздуха
22 - Уплотнение T293807
23 - Клапан AT387282
23 - Винт 37H95
23 - Клапан AT363268
23 - Пускатель AT387286
23 - Фитинг переходника T250874
24 - Кронштейн T315577
25 - Винт с головкой T178251 Количество:2
26 - Скоба T178117 Количество:2
27 - Шланг радиатора ..... Примечание:ORDER AT325614
28 - Шланг радиатора ..... Примечание:ORDER AT325614
29 - Термостат AT433043 Примечание:SUB FOR AT356688
30 - Уплотнительное кольцо T143169
31 - Уплотнительное кольцо T178123
32 - Линия AT325300
33 - Винт T116314
34 - Заглушка T178125
35 - Сальник T257645
36 - Комплект шланга AT325614
Наверх
Трубопроводы кондиционера воздуха 540H, 548H, 640H, 648H (прямой привод) - ST80404
![Джон Дир 648H Трубопроводы кондиционера воздуха 540H, 548H, 640H, 648H (прямой привод) Трубопроводы кондиционера воздуха 540H, 548H, 640H, 648H (прямой привод)]()
1 - Шланг хладагента AT315732 Примечание:К конденсатору
2 - Шланг хладагента AT324791 Примечание:К компрессору
3 - Кольцо P50883
4 - Уплотнительное кольцо R10093
Наверх
Трубопроводы кондиционера воздуха 640H, 648H, 848H (гидротрансформатор), 748H (прямой привод) - ST80402
![Джон Дир 648H Трубопроводы кондиционера воздуха 640H, 648H, 848H (гидротрансформатор), 748H (прямой привод) Трубопроводы кондиционера воздуха 640H, 648H, 848H (гидротрансформатор), 748H (прямой привод)]()
Наверх
Конденсатор кондиц. воздуха - ST77144
![Джон Дир 648H Конденсатор кондиц. воздуха Конденсатор кондиц. воздуха]()
1 - Конденсатор пара AT312618
2 - Винт 19M8039 Количество:4 Примечание:M8 X 80
3 - Фланцевая гайка 14M7298 Количество:4 Примечание:M8
Наверх
Поликлиновой ремень и шкив, без кондиционера воздуха - ST77147
![Джон Дир 648H Поликлиновой ремень и шкив, без кондиционера воздуха Поликлиновой ремень и шкив, без кондиционера воздуха]()
1 - Шкив AT211041
2 - Клиновой ремень R504963
3 - Распорная втулка R133643
4 - Гильза R502079
5 - Винт 19M7811 Примечание:M10 X 90
Наверх
Фильтр предв. очистки ОВКВ - ST86062
![Джон Дир 648H Фильтр предв. очистки ОВКВ Фильтр предв. очистки ОВКВ]()
1 - Фильтр предв. очистки AT188733 Примечание:ORDER AT490335
1 - Фильтр предв. очистки AT490335
2 - Самофиксирующийся винт T133674 Количество:4
3 - Изолятор T185326
4 - Обвязной хомут R44302 Количество:2 Посмотреть аналогичные детали
Наверх