Содержимое: Каталог Запчастей John Deere :9620RX Tractor (Worldwide Edition)(Russian) - PC12733 21 Двигатель без моторного тормоза-замедлителя QSX15-RE567942-ETN113461

1115 Крышка клап. коромысла - ST801131

1218 Маслоналивная горловина - ST801267

1355 Демпфер и шкив коленчатого вала - ST801959

1431 Корпус маховика - ST802162

1527 Маховик - ST804085

1680 Система впрыска топлива - ST806902

1749 Впускной воздушный коллектор - ST804111

1933 Масляный поддон - ST804151

2012 Водяной насос - ST800098

2116 Крышка термостата - ST800111

2212 Термостат - ST800140

2319 Привод вентилятора на двигателе - ST805261

2606 Нагреватель охлаждающей жидкости - ST806857

2827 Выхлопной коллектор - ST806854

2918 Система вентиляции - ST806852

3021 Крепежные детали стартера - ST806891

3546 Топливный фильтр - ST800310

3912 Корпус термостата - ST800126

4038 Трубка масляного щупа - ST804067

4613 Блок цилиндров - ST800326

4706 Коленчатый вал - ST800499

4811 Шатун - ST805334

4907 Клапанный исполнительный механизм - ST801023

5006 Масляный насос двигателя - ST801033

5114 Головка цилиндров - ST801029

5217 Шестеренный вспомогательный привод - ST801703

5932 Маслоохладитель двигателя и масляный фильтр - ST801699

6136 SCR DPF фильтр отработавших газов (колесные тракторы 9570R, 9620R) - ST805592

6137 SCR DPF фильтр отработавших газов (2-гусеничные тракторы 9570RT) - ST805627

6584 Турбонагнетатель - ST800440

7310 Система дозирования - ST805332

7717 Крышка распределительной шестерни - ST800682

8466 Жгут проводки двигателя - ST800923

8911 Система рециркуляции выхлопных газов - ST804481

9633 Комплект воздухозаборника - ST938570

9819 Подъемная стропа - ST802967

9901 Ремонтный комплект для системы рециркуляции отработавших газов - ST924652

9901 Запасной двигатель - ST806861

1115 Крышка клап. коромысла - ST801131


1115 Крышка клап. коромысла - ST801131 38.jpg


1 - Крышка клапана REC368976000 Примечание:SUB FOR REC368708400
2 - Изолятор REC310438800 Количество:4
3 - Уплотнение REC368367000
4 - Прокладка REC310439200
5 - Винт с головкой REC368975800 Количество:4

Наверх

1218 Маслоналивная горловина - ST801267


1218 Маслоналивная горловина - ST801267 39.jpg


1 - Наливная горловина REC368634400
2 - Крышка заливной горловины REC368793200
3 - Стопор REC286922000
4 - Уплотнительное кольцо REC368570100
5 - Винт REC390311200 Количество:2
6 - Подпорка REC368646800
7 - Винт с головкой REC390062900 Количество:3
8 - Винт с головкой REC390399000 Количество:2
9 - Пластина REC368037100
10 - Прокладка REC310411900

Наверх

1355 Демпфер и шкив коленчатого вала - ST801959


1355 Демпфер и шкив коленчатого вала - ST801959 40.jpg


1 - Демпфер крут. колебаний REC410188400 Количество:2
2 - Установочный штифт REC306893500 Количество:2
3 - Распорная втулка REC368159500
4 - Шкив REC310137600
5 - Винт с головкой REC368158300 2

Наверх

1431 Корпус маховика - ST802162


1431 Корпус маховика - ST802162 41.jpg


1 - Винт с головкой REC302214800 4
2 - Опора REC369100400 Примечание:SUB FOR REC368988600
3 - Шайба REC012731600 4
4 - Прокладка REC496568800
5 - Установочный штифт REC367887100 Количество:2
6 - Комплект уплотнений REC496556900

Наверх

1527 Маховик - ST804085


1527 Маховик - ST804085 42.jpg


1 - Винт с головкой REC367874000 2
2 - Маховик REC369100300 Примечание:MARKED REC369100200; SUB FOR REC368092200
3 - Передача REC368091300
4 - Распорная втулка REC402652800

Наверх

1680 Система впрыска топлива - ST806902


1680 Система впрыска топлива - ST806902 43.jpg


1 - Зажимная скоба REC368569900
2 - Жгут проводов REC368638000
3 - Сальник REC368652500
4 - Распорная втулка REC368570000
5 - Топливопровод REC368580900 Количество:2 Примечание:Питание форсунокЦилиндры 4 и 5
6 - Топливопровод REC368580800 Количество:3 Примечание:Питание форсунокЦилиндры 1, 2 и 3
7 - Винт с головкой REC390444600 Количество:2
8 - Топливная рампа REC430712800
9 - Редукционный клапан REC430722600
10 - Уплотнительная шайба REC498438200 Количество:5
11 - Датчик давления REC289758100
12 - Скоба REC287207400 Количество:2
13 - Винт REC390311200 Количество:2
14 - Фитинг REC498497800 Количество:2
15 - Топливопровод REC368581000 Примечание:Питание форсунокЦилиндр 6
16 - Стопор REC287231700 Количество:6
17 - Впрыскивающие форсунки REC289482900 Количество:6
18 - Уплотнительное кольцо REC498415200
19 - Электронный насос-форсунка REC4307217NX Количество:6
20 - Уплотнительное кольцо REC334793900 Количество:6
21 - Сальник REC287271700 Количество:6
22 - Скоба REC368556700 Количество:3
23 - Винт с головкой REC367910200 Количество:6
24 - Нагнетат. топливный насос REC435948900 Примечание:SUB FOR REC4359489PX
24 - Нагн. топл. насос восст. RECR43594890 Примечание:REMAN FOR REC4359489PX AND REC435948900
25 - Винт с головкой REC495427500 Количество:5
26 - Уплотнительное кольцо REC287250900
27 - Пускатель REC4307411NX
28 - Винт с головкой REC390135000 Количество:6
29 - Передача REC289745800
30 - Уплотнительное кольцо REC333053800 Количество:2
31 - Уплотнительная шайба REC495494400 Количество:2
32 - Уплотнительная шайба REC495494500 Количество:2
33 - Уплотнительное кольцо REC386764100 Количество:2
34 - Прокладка REC287251300
35 - Винт с головкой REC390063200 Количество:3
36 - Винт с головкой REC390063300 Количество:3
37 - Винт с головкой REC495417900 Количество:2
38 - Прокладка REC287266300
39 - Винт с головкой REC304659900
40 - Винт с головкой REC394608500 Количество:3
41 - Винт с головкой REC283073000 Количество:2
42 - Опора REC368687600
43 - Винт с головкой REC309380700 Количество:8
44 - Винт с головкой REC309393800
45 - Опора REC368706500
46 - Винт с головкой REC368744400
47 - Прокладка REC541404900
48 - Винт с головкой REC391417700 Количество:2
49 - Шайба REC303580600 Количество:2
50 - Опора REC368707300
51 - Винт с головкой REC309393200 Количество:4
52 - Опора REC368702500
53 - Скоба REC368556600 Количество:3
54 - Топливопровод REC368580700 Примечание:Питание форсунок
55 - Скоба REC368884100 Количество:2
56 - Изолятор REC400977900 Количество:2
57 - Винт с головкой REC390346400 Количество:4
58 - Метка REC493913400
59 - Комплект головок REC4307004NX
60 - Прокладка REC368675800 Примечание:ORDER REC541404900

Наверх

1749 Впускной воздушный коллектор - ST804111


1749 Впускной воздушный коллектор - ST804111 44.jpg


1 - Прокладка REC368834700 Примечание:SUB FOR REC368506000
2 - Воздухозаборный коллектор REC368835500
3 - Винт с головкой REC368835100 Количество: 10
4 - Заглушка REC367892100 Количество:2
5 - Уплотнительное кольцо REC367891200
6 - Уплотнительное кольцо REC303324700
7 - Адаптер REC369145400
8 - Винт с головкой REC390063200 Количество:4
9 - Адаптер REC368829600 Примечание:ORDER REC369145400
10 - Заглушка REC367883800 Примечание:USE WITH REC368829600
11 - Уплотнительное кольцо REC367884600

Наверх

1933 Масляный поддон - ST804151


1933 Масляный поддон - ST804151 45.jpg


1 - Масляный поддон REC438681000 Примечание:SUB FOR REC368902700
2 - Заглушка REC368042000
3 - Уплотнительное кольцо REC367891200
4 - Заглушка REC433126800 Количество:3
5 - Уплотнительное кольцо REC433126700
6 - Прокладка REC402668400
7 - Впуск масляного насоса REC491802200
8 - Винт REC390311200 Количество:34
9 - Уплотнительное кольцо REC367875600
10 - Сливной клапан REC289532200
11 - Уплотнительное кольцо REC367860600

Наверх

2012 Водяной насос - ST800098


2012 Водяной насос - ST800098 46.jpg


1 - Корпус REC368759100
2 - Винт с головкой REC389640800 Количество:5
3 - Уплотнительное кольцо REC368438400
4 - Водяной насос REC438658200 Примечание:SUB FOR REC368936700
5 - Винт с головкой REC309380500 Количество:4
6 - Винт с головкой REC407861700
7 - Уплотнительное кольцо REC367872400
8 - Разъем водяного насоса REC368907400
9 - Заглушка REC367861100 Количество:3
10 - Уплотнительное кольцо REC367860600
11 - Винт с головкой REC309393600 Количество:4
12 - Уплотнительное кольцо REC405917200
13 - Прокладка REC368433800

Наверх

2116 Крышка термостата - ST800111


2116 Крышка термостата - ST800111 47.jpg


1 - Крышка REC368945700
2 - Винт с головкой REC391606900
3 - Винт с головкой REC308243900
4 - Винт с головкой REC308901600 Количество:2
5 - Сальник REC018678000
6 - Прокладка REC368267300

Наверх

2212 Термостат - ST800140


2212 Термостат - ST800140 48.jpg


1 - Термостат REC544046500 Примечание:SUB FOR REC431894700

Наверх

2319 Привод вентилятора на двигателе - ST805261


2319 Привод вентилятора на двигателе - ST805261 49.jpg


1 - Опора REC368971000
2 - Винт с головкой REC368105600 Количество:3
3 - Винт с головкой REC368105700 Количество:3
4 - Распорная втулка REC369051700
5 - Натяжное устр. для ремня REC363801200 Примечание:ORDER REC369251000
5 - Натяжное устр. для ремня REC369128100 Примечание:ORDER REC369251000
5 - Натяжное устр. для ремня REC369251000
6 - Винт с головкой REC309393600
7 - Клиновой ремень REC368930800 Примечание:ORDER REC369126500
7 - Клиновой ремень REC369126500

Наверх

2606 Нагреватель охлаждающей жидкости - ST806857


2606 Нагреватель охлаждающей жидкости - ST806857 50.jpg


1 - Прокладка REC368545600
2 - Корпус REC429864400
3 - Корпус REC368624600
4 - Заглушка REC367861100 Количество:4
5 - Уплотнительное кольцо REC367860600
6 - Винт REC390311200 Количество:2
7 - Винт с головкой REC402681200 Количество:2
8 - Кабель REC368136000
9 - Винт с головкой REC309395700
10 - Нагреватель охл. жидкости REC496549700
11 - Уплотнительное кольцо REC496573100

Наверх

2827 Выхлопной коллектор - ST806854


2827 Выхлопной коллектор - ST806854 51.jpg


1 - Выпускной коллектор REC368387000
2 - Кольцевой уплотнитель REC368394000 Количество:2
3 - Прокладка REC548665700 Количество:4
4 - Прокладка REC368294000
5 - Выпускной коллектор REC368848800 Примечание:SUB FOR REC368599900
6 - Выпускной коллектор REC369017400 Примечание:SUB FOR REC368947400
7 - Винт с головкой REC368206400 Количество:3
8 - Теплозащитный экран REC286997600
9 - Винт с головкой REC496569800 2
10 - Распорная втулка REC496551200 2
11 - Прокладка REC368271000 Количество:4 Примечание:ORDER REC548665700

Наверх

2918 Система вентиляции - ST806852


2918 Система вентиляции - ST806852 52.jpg


1 - Шланг REC368860900
2 - Шланговый зажим REC433705600 Количество:2
3 - Фитинг переходника REC368391100
4 - Уплотнительное кольцо REC367860300
5 - Маслопровод REC368989500
6 - Пружинная шайба REC303646000 Количество:2
7 - Винт с головкой REC308938400
8 - Шланг REC368859700
9 - Винт с головкой REC390246000
10 - Шланговый зажим REC017255800
11 - Кронштейн REC368881000
12 - Винт REC390311200 Количество:4
13 - Корпус REC368869800
14 - Вкладыш REC368732300 Количество:4
15 - Изолятор REC368757300 Количество:8
16 - Фильтрующий элемент RECCV5063400
17 - Датчик давления REC546227700 Примечание:SUB FOR REC498457500
18 - Уплотнительное кольцо REC492859200
19 - Винт с головкой REC307784000
20 - Винт с головкой REC368391900 Количество:8
21 - Винт с головкой REC390144500 Количество:4

Наверх

3021 Крепежные детали стартера - ST806891


3021 Крепежные детали стартера - ST806891 53.jpg


1 - Винт с головкой REC310342300 Количество:3

Наверх

3546 Топливный фильтр - ST800310


3546 Топливный фильтр - ST800310 54.jpg


1 - Обратный клапан REC395729000
2 - Топливопровод REC368598200
3 - Скоба REC368561100 Количество:8
4 - Коленчатый патрубок REC368671100
5 - Уплотнительное кольцо REC308924000
6 - Винт с головкой REC390303500 Количество:4
7 - Топливный насос REC369076800 Примечание:SUB FOR REC368671800; INCLUDES (2) REC395511400
8 - Изолятор REC395511400 Количество:2
9 - Шланг REC368884300
10 - Винт с головкой REC390062600 Количество:4
11 - Кронштейн REC368673900 Количество:2
12 - Фитинг переходника REC368884500 Количество:2
13 - Переходная втулка REC368674000
14 - Уплотнительное кольцо REC367884600
15 - Шайба REC396399000 Количество:9
16 - Изолятор REC368650300
17 - Обратный клапан REC401007700
18 - Уплотнительное кольцо REC308924000
19 - Шланг REC368884200
20 - Винт с головкой REC390211400
21 - Винт с головкой REC390346400 Количество:2
22 - Полый винт REC392472500 Количество:5
23 - Винт с головкой REC390303500 Количество:2
24 - Уплотнительная шайба REC396399100 Количество:6
25 - Винт с головкой REC368650400 Количество:6
26 - Полый винт REC494018100 Количество:3
27 - Винт с головкой REC390063100 Количество:2
28 - Винт с головкой REC489971700 Количество:2
29 - Фланцевая гайка REC390058900
30 - Топливопровод REC368916900
31 - Шайба REC396399000 Количество:6
32 - Винт с головкой REC309395700
33 - Винт с головкой REC390062900 Количество:9
34 - Топливопровод REC368831700
35 - Коленчатый патрубок REC317188300
36 - Уплотнительное кольцо REC363074000
37 - Уплотнительное кольцо REC308924000
38 - Обвязной хомут REC306232900
39 - Уплотнительная шайба REC396398800 3
40 - Штуцерное соединение REC310106000
41 - Уплотнительное кольцо REC362769500
42 - Уплотнительное кольцо REC367913900
43 - Скоба REC368561200 Количество:4
44 - Штуцерное соединение REC309040000
45 - Уплотнительное кольцо REC392279400
46 - Уплотнительное кольцо REC367913900
47 - Топливопровод REC368800500
48 - Коллектор REC368835200 Примечание:MARKED 33688311
49 - Уплотнительное кольцо REC020255700
50 - Топливопровод REC368885000
51 - Винт с головкой REC407861700
52 - Фильтрующий элемент RE574467
53 - Полый винт REC549204300 Примечание:SUB FOR REC289731900
54 - Топливопровод REC368598600
55 - Корпус фильтра REC368811800
56 - Топливопровод REC368884800
57 - Заглушка REC367892100 Количество:3
58 - Уплотнительное кольцо REC367891200
59 - Кронштейн REC368923100
60 - Ниппель с резьбой REC310022100 Количество:2
61 - Уплотнительное кольцо REC367891200
62 - Обратный клапан REC368835900
63 - Уплотнительное кольцо REC367892500

Наверх

3912 Корпус термостата - ST800126


3912 Корпус термостата - ST800126 55.jpg


1 - Корпус REC368637800
2 - Заглушка REC367861100
3 - Уплотнительное кольцо REC367860600
4 - Винт с головкой REC308901600
5 - Винт с головкой REC391606900 Количество:2
6 - Прокладка REC368433600

Наверх

4038 Трубка масляного щупа - ST804067


4038 Трубка масляного щупа - ST804067 56.jpg


1 - Фитинг переходника REC286997500
2 - Щуп REC368868400
3 - Трубка щупа REC286877000
4 - Заглушка REC367887300 Количество:3
5 - Уплотнительное кольцо REC367878600

Наверх

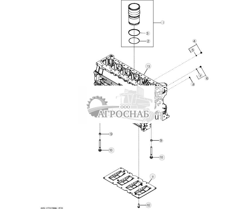
4613 Блок цилиндров - ST800326


4613 Блок цилиндров - ST800326 57.jpg


1 - Комплект гильз REC437643000 Количество:6 Примечание:SUB FOR REC430938900
2 - Уплотнительное кольцо REC367873800 Количество:6
3 - Прокладка REC431163700 Количество:6
4 - Заглушка REC367892100 Количество:3
5 - Уплотнительное кольцо REC367891200 Количество:3
6 - Заглушка REC367861000
7 - Уплотнительное кольцо REC367860300
8 - Заглушка REC367933400 Количество:2
9 - Установочный штифт REC367850700 4
10 - Винт REC367850600 4
11 - Подпорка REC368042500
12 - Винт с головкой REC368078100 Количество: 10
13 - Блок цилиндра ....... Примечание:ORDER REC547334500
13 - Комплект блоков REC547334500 Примечание:Компоненты на отдельной стр. SUB FOR REC437617000

Наверх

4706 Коленчатый вал - ST800499


4706 Коленчатый вал - ST800499 58.jpg


1 - Коленвал REC433073200 Примечание:SUB FOR REC492576200
2 - Установочный штифт REC306893500 Количество:2
3 - Адаптер REC496540000
4 - Кольцо REC368900100
5 - Установочный штифт REC368105400
6 - Передача REC368054200
7 - Подшипниковый комплект REC437642300 Примечание:SUB FOR REC380029800
8 - Упорный подшипник REC369144500 Количество:4 Примечание:SUB FOR REC368020200 OR REC369124800

Наверх

4811 Шатун - ST805334


4811 Шатун - ST805334 59.jpg


1 - Соединительная тяга REC368910800 Количество:6 Примечание:SUB FOR REC2882582NX
2 - Винт с головкой REC367857400 Количество:4
3 - Винт REC367903700 Количество:6
4 - Форсунка REC368705800 Количество:6
5 - Пружинное кольцо REC306430500 2
6 - Подшипниковый комплект REC288208700 Количество:6
7 - Комплект колец поршня REC437656500 Количество:6 Примечание:SUB FOR REC430933600
8 - Комплект запасного поршня REC547308700 Количество:6 Примечание:PISTON MARKED REC368810000; SUB FOR REC437656700 OR REC430933800

Наверх

4907 Клапанный исполнительный механизм - ST801023


4907 Клапанный исполнительный механизм - ST801023 60.jpg


1 - Коромысло REC548423100 Количество:3 Примечание:SUB FOR REC429864200 OR REC431820700 OR REC438604800
2 - Гайка REC367969400 2
3 - Заглушка REC306794100 2
4 - Винт REC405937700 Количество:6
5 - Клапанная перемычка REC405934200 2
6 - Распорная втулка REC367956100 Количество:6
7 - Коромысло REC548422900 Количество:3 Примечание:SUB FOR REC429864000 OR REC431820500 OR REC438604600
8 - Винт с головкой REC368122100 2
9 - Скоба REC367942700 2
10 - Ось клапанного коромысла REC405928800
11 - Ось клапанного коромысла REC405928300
12 - Коромысло REC548422800 Количество:3 Примечание:SUB FOR REC429863900 OR REC431820400 OR REC438604500
13 - Коромысло REC548423000 Количество:3 Примечание:SUB FOR REC429864100 OR REC431820600 OR REC438604700

Наверх

5006 Масляный насос двигателя - ST801033


5006 Масляный насос двигателя - ST801033 61.jpg


1 - Комплект насосов REC430949900
2 - Стопор REC368069600
3 - Уплотнительное кольцо REC368069700
4 - Сердечник REC429824500
5 - Пружина сжатия REC368144500
6 - Комплект прокладок REC380075100
7 - Прокладка REC368128700 Количество:2
8 - Прокладка REC368128800 Количество:2
9 - Прокладка REC368128900 Количество:2
10 - Прокладка REC368129000 Количество:2
11 - Прокладка REC368129200 Количество:2
12 - Прокладка REC368129100 Количество:2
13 - Установочный штифт REC368069900 Количество:2
14 - Передача REC368069000
15 - Винт с головкой REC368693700
16 - Шайба REC368586000
17 - Промежут. зубчатое колесо REC368877700
18 - Винт с головкой REC390067800 Количество:6
19 - Передача REC368068900
20 - Пружина сжатия REC368086900
21 - Шар REC368070000
22 - Шплинт REC368069800
23 - Винт REC310265100 Количество:4

Наверх

5114 Головка цилиндров - ST801029


5114 Головка цилиндров - ST801029 62.jpg


1 - Головка блока цилиндров REC368880000 Примечание:SUB FOR REC4298237NX
2 - Заглушка REC381324700 Количество:21
3 - Заглушка REC301586500 Количество:6
4 - Впускной клапан REC368599600 2
5 - Выхлопной клапан REC368666100 2
6 - Вставка седла клапана REC310444500 2
7 - Вставка седла клапана REC367965900 2
8 - Прокл. гол. цил. двигат. REC368956700 Примечание:SUB FOR REC429909900
9 - Прокладка REC367993200
10 - Уплотнительное кольцо REC429912500
11 - Опора REC367993000
12 - Винт с головкой REC390246000 Количество:3
13 - Установочный штифт REC368105400
14 - Винт с головкой REC367888200
15 - Пластина REC369495700 Примечание:SUB FOR REC368596000
16 - Передача REC368052200
17 - Заглушка REC492047000
18 - Установочный штифт REC390184600 Количество:2
19 - Уплотнительное кольцо REC367860300
20 - Втулка REC368569000 Количество:7
21 - Направляющая REC435636600 Количество:24
22 - Направляющая REC402665700 Количество:24
23 - Пружина REC367955100 Количество:24
24 - Стопор REC368088300 Количество:48
25 - Колпачок REC368088400 Количество:24
26 - Сальник REC368721000 Количество:6
27 - Крышка REC402658700 Примечание:SUB FOR REC368957100
28 - Прокладка REC498566000
29 - Винт с головкой REC369064700
30 - Винт REC367880400 Количество:4
31 - Винт REC367850600 Количество:22
32 - Распредвал REC429862900
33 - Направляющая REC368031800 Количество:24 Примечание:ORDER REC435636600
34 - Сальник REC431200800 Количество:24 Примечание:ORDER REC435636600

Наверх

5217 Шестеренный вспомогательный привод - ST801703


5217 Шестеренный вспомогательный привод - ST801703 63.jpg


1 - Привод REC368889200
2 - Корпус REC368788500
3 - Стопор REC368889100
4 - Конич. роликов. подшипник REC310088400 Количество:2
5 - Ведущий вал REC368631500
6 - Ведущий вал REC368888900
7 - Промежут. зубчатое колесо REC368631900 Количество:2
8 - Уплотнительное кольцо REC308956600
9 - Установочный штифт REC390025700
10 - Прокладка REC368790700
11 - Передача REC368788300
12 - Винт с головкой REC309373000 Количество:6
13 - Винт с головкой REC317171300 Количество:2
14 - Сальник REC368700700 Примечание:CTL
15 - Крышка REC368889500
16 - Крышка REC368889400
17 - Прокладка REC392975100
18 - Пластина REC391486800
19 - Винт с головкой REC303304300 Количество:2
20 - Винт с головкой REC368744400
21 - Винт REC390311200 Количество:6
22 - Заглушка REC308956400 Количество:5

Наверх

5932 Маслоохладитель двигателя и масляный фильтр - ST801699


5932 Маслоохладитель двигателя и масляный фильтр - ST801699 64.jpg


1 - Корпус фильтра REC496589600
2 - Прокладка REC497353200 Количество:2
3 - Маслоохладитель REC496548700
4 - Заглушка REC367892100 Количество:4
5 - Уплотнительное кольцо REC367891200
6 - Заглушка REC495276000
7 - Уплотнительное кольцо REC367860600
8 - Пружинное кольцо REC341188100
9 - Заглушка REC367988000
10 - Уплотнительное кольцо REC308902500
11 - Пружина сжатия REC388258600 Примечание:ORDER REC435717700
12 - Сердечник REC382032000 Примечание:ORDER REC435717700
12 - Редукционный клапан REC435717700 Примечание:(Не показано)
13 - Штуцерное соединение REC309040000
14 - Уплотнительное кольцо REC392279400
15 - Уплотнительное кольцо REC367913900
16 - Заглушка REC367887300
17 - Уплотнительное кольцо REC367878600
18 - Распорная втулка REC496548400 Количество:4
19 - Винт с головкой REC496548300 Количество:4
20 - Термостат REC495263100
21 - Винт с шайбой REC368712700 Количество:9
22 - Винт с шайбой REC310470000 Количество:4
23 - Винт с шайбой REC341747400 Количество:7
24 - Комплект прокладок REC437619600 Примечание:SUB FOR REC495559200
25 - Масляный фильтр RE574468 Примечание:SUB FOR RECLF9080000

Наверх

6136 SCR DPF фильтр отработавших газов (колесные тракторы 9570R, 9620R) - ST805592


6136 SCR  DPF  фильтр отработавших газов (колесные тракторы 9570R, 9620R) - ST805592 65.jpg


1 - Окисл. катализ-ор двигателя REC4329943NX
2 - Сажевый фильтр REC530487300
3 - Крышка REC530487200
4 - Прокладка REC530486800 Количество:2
5 - Скоба REC530484900 Количество:2 Примечание:INCLUDES REC496965900
6 - Гайка REC496965900
7 - Шланг REC435427800
8 - Шланг REC435427900
9 - Скоба REC530484800 Количество:2
10 - Кронштейн REC288818700 Количество:2
11 - Датчик температуры REC430770800 Примечание:(Датчик температуры DOC/DPF)
12 - Датчик давления REC287196000 Примечание:(Датчик разности давлений DPF)
13 - Трубная заглушка REC288823800 Количество:3
14 - Преобразователь REC435302700
15 - Датчик REC432687200 Примечание:(Датчик NOX на выпуске)
16 - Датчик температуры REC435927000 Примечание:(Датчик температуры SCR) SUB FOR REC432646400
17 - Сборка трубная разлож. REC432959100
18 - Прокладка REC432968100
19 - Форсунка дозирования DEF REC437671600
20 - Теплозащитный экран REC288030300
21 - Фитинг шланга REC437671700 Количество:2
22 - Уплотнительное кольцо REC288030600
23 - Распорная втулка REC288589100 Количество:3
24 - Винт REC288591600 Количество:3
25 - Ограждение REC288811300
26 - Винт с головкой REC288822100 Количество:2
27 - Насос-дозатор DEF REC432946900
28 - Пр. быстрос. гидр. муфты REC288029900 Примечание:INCLUDES REC288030200
28 - Уплотнительное кольцо REC288030200 Примечание:(Не показано)
29 - Пр. быстрос. гидр. муфты REC288030000 Примечание:INCLUDES REC288030200
29 - Уплотнительное кольцо REC288030200 Примечание:(Не показано)
30 - Пр. быстрос. гидр. муфты REC432947100 Примечание:INCLUDES REC288030200
30 - Уплотнительное кольцо REC288030200 Примечание:(Не показано)
31 - Фильтр RE554498 Посмотреть аналогичные детали
32 - Колпачок REC288039600
33 - Крышка REC368704700
34 - Датчик REC432687300 Примечание:(Датчик NOx на впуске)
35 - Теплозащитный экран REC368672700
36 - Опора REC368733200
37 - Опора REC368676400
38 - Винт с головкой REC368676600 Количество:3
39 - Изолятор REC368675500 Количество:3
40 - Винт REC390311200 Количество:2
41 - Винт с головкой REC391363800 Количество:2
42 - Винт с головкой REC368206400 Количество:2
43 - Обвязной хомут REC306232900
44 - Обвязной хомут REC495222300
45 - Обвязной хомут REC368703600 Количество:4

Наверх

6137 SCR DPF фильтр отработавших газов (2-гусеничные тракторы 9570RT) - ST805627


6137 SCR  DPF  фильтр отработавших газов (2-гусеничные тракторы 9570RT) - ST805627 66.jpg


1 - Окисл. катализ-ор двигателя REC5315265NX
2 - Сажевый фильтр REC530487300
3 - Крышка REC530487200
4 - Прокладка REC530486800 Количество:2
5 - Скоба REC530484900 Количество:2 Примечание:INCLUDES REC496965900
6 - Гайка REC496965900
7 - Скоба REC530484800 Количество:2
8 - Кронштейн REC288818700 Количество:2
9 - Датчик температуры REC430770800 Примечание:(Датчик температуры DOC/DPF)
10 - Шланг REC432992900
11 - Шланг REC432993200
12 - Датчик давления REC287196000 Примечание:(Датчик разности давлений DPF)
13 - Трубная заглушка REC288823800 Количество:3
14 - Преобразователь REC435302700
15 - Датчик температуры REC435927000 Примечание:(Датчик температуры SCR) SUB FOR REC432646400
16 - Датчик REC432687200 Примечание:(Датчик NOX на выпуске)
17 - Сборка трубная разлож. REC432959100
18 - Прокладка REC432968100
19 - Форсунка дозирования DEF REC437671600
20 - Теплозащитный экран REC288030300
21 - Фитинг шланга REC437671700 Количество:2
22 - Уплотнительное кольцо REC288030600
23 - Распорная втулка REC288589100 Количество:3
24 - Винт REC288591600 Количество:3
25 - Ограждение REC288811300
26 - Винт с головкой REC288822100 Количество:2
27 - Насос-дозатор DEF REC432946900
28 - Пр. быстрос. гидр. муфты REC288029900
29 - Уплотнительное кольцо REC288030200 Количество:3
30 - Пр. быстрос. гидр. муфты REC288030000
31 - Пр. быстрос. гидр. муфты REC432947100
32 - Фильтр RE554498 Посмотреть аналогичные детали
33 - Колпачок REC288039600
34 - Крышка REC368704700
35 - Датчик REC432687300 Примечание:(Датчик NOx на впуске)
36 - Обвязной хомут REC368703600 Количество:4
37 - Теплозащитный экран REC368672700
38 - Опора REC368733200
39 - Опора REC368676400
40 - Винт с головкой REC368676600 Количество:3
41 - Изолятор REC368675500 Количество:3
42 - Винт REC390311200 Количество:2
43 - Винт с головкой REC391363800 Количество:2
44 - Винт с головкой REC368206400 Количество:2
45 - Обвязной хомут REC306232900
46 - Обвязной хомут REC495222300

Наверх

6584 Турбонагнетатель - ST800440


6584 Турбонагнетатель - ST800440 67.jpg


1 - Теплозащитный экран REC368955800
2 - Винт с головкой REC309393800 Количество:2
3 - Винт с головкой REC391337200 Количество:3
4 - Полый винт REC368241400
5 - Уплотнительная шайба REC493427900 Количество:2
6 - Шланг REC368936900
7 - Штуцерное соединение REC368908200
8 - Уплотнительное кольцо REC367860600
9 - Уплотнительное кольцо REC392279400 Количество:2
10 - Штуцерное соединение REC395713000
11 - Уплотнительное кольцо REC394978100
12 - Уплотнительное кольцо REC395713100
13 - Шланг REC368908700
14 - Штуцерное соединение REC368471400
15 - Уплотнительное кольцо REC362769500 Количество:2
16 - Уплотнительное кольцо REC394970800
17 - Обвязной хомут REC368703600 Количество:3
18 - Стопорная гайка REC498549200 Количество:4
19 - Шпилька REC429822000 Количество:4
20 - Уплотнительная шайба REC493427800 Количество:2
21 - Полый винт REC395794200
22 - Линия REC368908600 Примечание:Питающий трубопровод охлаждающей жидкости турбокомпрессора
23 - Полый винт REC368420200
24 - Уплотнительная шайба REC368428400 Количество:2
25 - Прокладка REC368862200
26 - Штуцерное соединение REC333187300
27 - Уплотнительное кольцо REC367878600
28 - Прокладка REC310126800
29 - Винт с головкой REC390063100 Количество:2
30 - Маслопровод REC368902100 Примечание:Слив
31 - Сальник REC367876200
32 - Шланг REC368952000
33 - Штуцерное соединение REC493863700
34 - Уплотнительное кольцо REC367891200
35 - Турбонагнетатель ....... Примечание:ORDER REC4352320NX, REC403428900 AND REC403219400
36 - Комплект турбонагнетателя REC4352320NX Примечание:INCLUDES REC310126800, REC362769500, REC367878600, REC367891200, REC368428400, REC368435500, REC368435900, REC368703600, REC368862200, REC392279400, REC394970800, REC394978100, REC395713100, REC493427800 AND REC493427900
36 - Прокладка REC368435500 Примечание:Не показано
36 - Прокладка REC368435900 Примечание:Не показано
37 - Комплект пускателя REC403428900 Примечание:INCLUDES REC403219400
38 - Крепежные детали REC403219400 Примечание:INCLUDES REC493427800
39 - Обвязной хомут REC495222300 Количество:2
40 - Винт с головкой REC352718400
41 - Комплект датчиков REC403420100 Примечание:Датчик скорости турбонагнетателя SUB FOR REC378255900

Наверх

7310 Система дозирования - ST805332


7310 Система дозирования - ST805332 68.jpg


1 - Распорная втулка REC368969200
2 - Винт с головкой REC309393800
3 - Винт REC390311200 Количество:2
4 - Подпорка REC368957600
5 - Винт с головкой REC390063500 Количество:2
6 - Скоба REC389633700
7 - Прокладка REC368435500
8 - Коллектор REC368828300
9 - Прокладка REC368435900
10 - Шланг REC368847800
11 - Штуцерное соединение REC395713000
12 - Уплотнительное кольцо REC394978100
13 - Уплотнительное кольцо REC395713100
14 - Module Remanufactured RECR43093490
15 - Винт с головкой REC368588800 Количество:2
16 - Обвязной хомут REC368357400
17 - Изолятор REC529226500
18 - Прокладка REC496385700
19 - Топливопровод REC368903800 Примечание:ORDER REC369048300
19 - Топливопровод REC369048300
20 - Штуцерное соединение REC368730700
21 - Штуцерное соединение REC333213600
22 - Уплотнительное кольцо REC392279400
23 - Уплотнительное кольцо REC367891200
24 - Опора REC368633800
25 - Винт с головкой REC390346400 Количество:3
26 - Винт с головкой REC390062900 Количество:3
27 - Топливопровод REC368598700
28 - Уплотнительная шайба REC396398800 Количество:4
29 - Полый винт REC392472500 Количество:2
30 - Электромагнитный клапан REC530831200
31 - Винт с головкой REC390144600 Количество:2
32 - Датчик давления REC492151900
33 - Уплотнительное кольцо REC401051900
34 - Электромагнитный клапан REC530831400 Количество:2
35 - Топливопровод REC368797500
36 - Полый винт REC395794200
37 - Уплотнительная шайба REC368434200 Количество:2
38 - Винт с головкой REC390303500
39 - Шайба REC396399000 Количество:2
40 - Скоба REC495312200 Количество:4
41 - Винт с головкой REC309395700

Наверх

7717 Крышка распределительной шестерни - ST800682


7717 Крышка распределительной шестерни - ST800682 69.jpg


1 - Заглушка REC368811300
2 - Винт с головкой REC410145100 7
3 - Крышка REC369101100 Примечание:Передача
4 - Сальник REC368700700
5 - Адаптер REC368690100
6 - Сальник REC368517300
7 - Сальник REC368555600
8 - Винт с головкой REC368674500
9 - Винт с головкой REC341292100 Количество:3
10 - Винт с головкой REC368086600
11 - Винт с шайбой REC368126800
12 - Установочный штифт REC306893500 Количество:2
13 - Фланцевая гайка REC390058900 Количество:4
14 - Винт с шайбой REC368088200 3
15 - Корпус REC289320800 Примечание:Распределительная шестерня ORDER REC546817000
15 - Корпус REC546817000 Примечание:Распределительная шестерня
16 - Винт с головкой REC309393200 Количество:4
17 - Подпорка REC368575900 Примечание:Корпус шестеренной передачи
18 - Распорная втулка REC368008600 Количество:2
19 - Распорная втулка REC310360100
20 - Прокладка REC368551000 Примечание:Корпус шестеренной передачи
21 - Винт с головкой REC388292200 Количество:3
22 - Ось REC548410000
23 - Промежут. зубчатое колесо REC368913500 Примечание:Z = 37
24 - Упорный подшипник REC368591500
25 - Упорный подшипник REC368114900
26 - Винт с головкой REC288273900 Количество:7
27 - Промежут. зубчатое колесо REC368691000
28 - Установочный штифт REC367887100 Количество:3
29 - Ось REC368026000
30 - Стопор REC368127300 Количество:2
31 - Винт с головкой REC368117400 Количество:8
32 - Установочный штифт REC390025700 Количество:4
33 - Ось REC368601800
34 - Промежут. зубчатое колесо REC368691400 Примечание:ORDER REC368963000
34 - Промежут. зубчатое колесо REC368963000 Примечание:Z = 64
35 - Винт с головкой REC389640800 Количество:3
36 - Стопор REC368567000
37 - Ось REC368635800
38 - Промежут. зубчатое колесо REC368677800 Примечание:Z = 41
39 - Распорная втулка REC429851400
40 - Сальник REC368636800
41 - Уплотнительное кольцо REC429912400
42 - Подпорка REC368713500
43 - Подпорка REC310359600
44 - Винт REC390311200 Количество:2
45 - Винт с головкой REC391049500
46 - Винт с головкой REC390211600
47 - Крышка REC368706800 Примечание:ORDER REC369101100
48 - Ось REC368695200 Примечание:ORDER REC548410000
49 - Уплотнительное кольцо REC495444200

Наверх

8466 Жгут проводки двигателя - ST800923


8466 Жгут проводки двигателя - ST800923 70.jpg


1 - Жгут проводов REC368954300
2 - Датчик давления REC289733100 Примечание:(Датчик давления окружающего воздуха) SUB FOR REC407649300
3 - Обвязной хомут REC306232900 Количество:4
4 - Винт с головкой REC390063000 Количество:4
5 - Подпорка REC368424100
6 - Датчик температуры REC289733400 Примечание:(Датчик температуры/давления во впускном коллекторе) SUB FOR REC287278400
7 - Уплотнительное кольцо REC490348200
8 - Винт с головкой REC394197600
9 - Пружинная шайба REC391026600 Количество:7
10 - Кожух REC368898300
11 - Винт с головкой REC390063200 Количество:4
12 - Датчик температуры REC495490500 Количество:2 Примечание:(Датчик температуры охлаждающей жидкости, масла или топлива)
13 - Уплотнительное кольцо REC401051900
14 - Винт с головкой REC395485700
15 - Фланцевая гайка REC390266200
16 - Пружинная шайба REC303646000
17 - Винт REC368138600
18 - Винт с головкой REC390062900 Количество:2
19 - Датчик REC287227700 Примечание:(Датчик положения коленчатого вала)
20 - Фланцевая гайка REC390058900 Количество:2
21 - Датчик давления REC492151700 Примечание:(Датчик давления масла)
22 - Контроллер двигателя REC531710600
23 - Винт с шайбой REC429892900 Количество:3
24 - Обвязной хомут REC495222300 Количество:4
25 - Скоба REC307630100 Количество:3
26 - Обвязной хомут REC368703600 Количество:6
27 - Датчик REC287227900 Примечание:(Датчик положения распределительного вала)
28 - Уплотнительное кольцо REC492859900

Наверх

8911 Система рециркуляции выхлопных газов - ST804481


8911 Система рециркуляции выхлопных газов - ST804481 71.jpg


1 - Колено трубки REC368901000
2 - Уплотнительное кольцо REC368512400 Количество:5
3 - Скоба REC368530900 Количество:3
4 - Винт с головкой REC390309600 Количество:3
5 - Шланговый зажим REC368683900
6 - Шланг REC368722300
7 - Шланговый зажим REC368683800
8 - Винт с головкой REC390067800 Количество:7
9 - Труба REC553247800 Примечание:Водяной байпас SUB FOR REC368874400 OR REC368695800 OR REC438663000
10 - Сальник REC368705100 Количество:3
11 - Адаптер REC368912700 Примечание:Отверстие для выпуска отработавших газов
12 - Прокладка REC310423000 Количество:5 Примечание:Клапан Erg
13 - Скоба REC368314400 Количество:2
14 - Радиатор отопителя ....... Примечание:EGR ORDER REC437614300
15 - Винт с головкой REC390399000 Количество:4
16 - Фланцевая гайка REC368279800 Количество:4
17 - Датчик давления REC435893900 Примечание:Дифференциал SUB FOR REC392612500 AND REC430716600
18 - Уплотнительное кольцо ....... Количество:2 Примечание:ORDER (2) REC368381400
19 - Адаптер REC368809400
20 - Заглушка REC367892100
21 - Уплотнительное кольцо REC367891200 Количество:2
22 - Прокладка REC368360700 Количество:2
23 - Винт REC390311200 Количество:7
24 - Жиклер REC368594800 Примечание:INCLUDES REC368650100, (4) REC390062900, (3) REC368618100
25 - Линия REC368667700 Примечание:Вентиляционное отверстие
26 - Штуцерное соединение REC310153200 Количество:2
27 - Уплотнительное кольцо REC367892500 Количество:4
28 - Муфта REC534581400 Примечание:SUB FOR REC368358600
29 - Винт с головкой REC390062100 Количество:2
30 - Винт с головкой REC390062900 Количество:5
31 - Выхлопная труба REC368935500 Примечание:Выходное отверстие SUB FOR REC368848600
32 - Линия REC288256100 Примечание:Давление
33 - Датчик давления REC492859400 Количество:2
34 - Уплотнительное кольцо REC401051900 Количество:2
35 - Винт с головкой REC390063400 Количество:5
36 - Опора REC368937100 Примечание:EGR
37 - Винт с головкой REC390537200 Количество:4
38 - Штуцерное соединение REC368908200
39 - Уплотнительное кольцо REC367860600
40 - Уплотнительное кольцо REC392279400 Количество:3
41 - Линия REC369048100
42 - Кронштейн REC368652300
43 - Труба REC368901500
44 - Адаптер REC368901200 Примечание:Выходное отверстие
45 - Винт с головкой REC402681200
46 - Датчик температуры REC287285800
47 - Заглушка REC368618100 Количество:3
48 - Труба REC438665300 Примечание:Выходное отверстие SUB FOR REC368956800
49 - Уплотнительное кольцо REC368381400 Количество:9
50 - Теплозащитный экран REC368650100
51 - Комплект клапанов REC540604900 Примечание:INCLUDES (2) REC368512400
52 - Пружинная шайба REC391026600
53 - Распорная втулка REC381812400
54 - Скоба REC369065000 Количество:2
55 - Винт с головкой REC392721300
56 - Обвязной хомут REC495222300
57 - Штуцерное соединение REC368908000 Количество:2
58 - Сальник REC368920300 Количество:2
59 - Уплотнительное кольцо REC304429700 Количество:2
60 - Штуцерное соединение REC495308900
61 - Уплотнительное кольцо REC362769500 Количество:3
62 - Пружинная шайба REC493428000 Количество:2
63 - Скоба REC369064900 Количество:6
64 - Фланцевая гайка REC390058900 Количество:2
65 - Линия REC369048200
66 - Уплотнительное кольцо REC334831900 Количество:3
67 - Кольцевой уплотнитель REC368394000 Количество:2
68 - Адаптер REC368897600
69 - Ремонтный комплект REC437614300
70 - Прокладка REC368435900
71 - Уплотнительное кольцо REC394978100 Количество:2
72 - Уплотнительная шайба REC493427800 Количество:2
73 - Уплотнительная шайба REC493427900 Количество:8
74 - Изолятор REC529226500
75 - Винт с головкой REC368588800 Количество:2
76 - Уплотнительное кольцо REC395713100 Количество:2
77 - Прокладка REC368862200
78 - Прокладка REC496385700
79 - Прокладка REC368435500
80 - Прокладка REC310126800
81 - Уплотнительная шайба REC368428400 Количество:2

Наверх

9633 Комплект воздухозаборника - ST938570


9633 Комплект воздухозаборника - ST938570 72.jpg


1 - Колено трубки REC310068200 Примечание:Воздухозаборник
2 - Уплотнительное кольцо REC303324700

Наверх

9819 Подъемная стропа - ST802967


9819 Подъемная стропа - ST802967 73.jpg


1 - Кронштейн REC368624800
2 - Винт с головкой REC369064800 Количество:2
3 - Винт с головкой REC309393800 Количество:3
4 - Кронштейн REC368640300
5 - Винт с головкой REC317171300 Количество:2

Наверх

9901 Ремонтный комплект для системы рециркуляции отработавших газов - ST924652


9901 Ремонтный комплект для системы рециркуляции отработавших газов - ST924652 74.jpg


1 - Ремонтный комплект REC437614300
2 - Прокладка REC310423000 Количество:3 Примечание:EGR
3 - Уплотнительное кольцо REC362769500 Количество:2
4 - Уплотнительное кольцо REC367891200
5 - Уплотнительное кольцо REC367892500 Количество:2
6 - Прокладка REC368360700 Примечание:EGR
7 - Уплотнительное кольцо REC368381400 Количество:5
8 - Уплотнительная шайба REC368428400 Количество:2
9 - Прокладка REC368435900 Примечание:Коллектор системы дозирования
10 - Уплотнительное кольцо REC368512400 Количество:2
11 - Уплотнительное кольцо REC392279400 Количество:2
12 - Уплотнительное кольцо REC394978100 Количество:2
13 - Уплотнительная шайба REC493427800 Количество:2
14 - Уплотнительная шайба REC493427900 Количество:8
15 - Изолятор REC529226500 Примечание:Модуль дозирования
16 - Винт с головкой REC368588800 Количество:2 Примечание:Модуль дозирования
17 - Уплотнительное кольцо REC395713100 Количество:2
18 - Прокладка REC368862200 Примечание:Турбокомпрессор
19 - Прокладка REC496385700 Примечание:Модуль дозирования
20 - Прокладка REC368435500 Примечание:Коллектор системы дозирования
21 - Прокладка REC310126800 Примечание:Подача масла турбокомпрессораПодача масла турбокомпрессора

Наверх

9901 Запасной двигатель - ST806861


9901 Запасной двигатель - ST806861 75.jpg


1 - Дизельный двигатель RE567942 Примечание:(FT4) (Может отличаться от иллюстрации) (Без компрессионного тормоза двигателя) (15 L) QSX15
1 - Дизельный двигатель RE567985 Примечание:(FT4) (Может отличаться от иллюстрации) (С компрессионным тормозом двигателя) (15 L) QSX15

Наверх