ЖГУТ ПРОВОДОВ — СИДЕНЬЕ - ST783476
WIRING HARNESS-CAB (MST) - ST393077 ( ЖГУТ ПРОВОДОВ КАБИНЫ (МСТ) - )
WIRING HARNESS-CAB (MST) - ST393078 ( ЖГУТ ПРОВОДОВ КАБИНЫ (МСТ) - )
WIRING HARNESS-CAB (PST) - ST393079 ( ЖГУТ ПРОВОДОВ КАБИНЫ (ПСТ) - )
WIRING HARNESS-CAB PST - ST783485 ( ЖГУТ ПРОВОДОВ КАБИНЫ ПСТ - )
WIRING HARNESS-ROOF - ST393080 ( ЖГУТ ПРОВОДОВ-КРЫШИ - )
Wiring Harness-Roof - ST783495 ( Жгут Проводов-Крыши - )
ЖГУТ ПРОВОДОВ (СИДЕНЬЕ ACTIVE SEAT) - ST393081
Wiring Harness Active Seat - ST783498 ( Жгут Проводов Активное Сиденье - )
Wiring Harness, Cab, GreenStar™ - ST393082 ( Жгут Проводов, Кабина, Обновление? - )
Wiring Harness, Cab, GreenStar™ - ST393083 ( Жгут Проводов, Кабина, Обновление? - )
WIRING HARNESS-ENGINE AND CHASSIS (FOCUS) (MST) - ST393084 ( ЖГУТ ПРОВОДОВ ДВИГАТЕЛЯ И ШАССИ (ФОКУС) (МСТ) - )
WIRING HARNESS-ENGINE AND CHASSIS (FOCUS) (MST) - ST393085 ( ЖГУТ ПРОВОДОВ ДВИГАТЕЛЯ И ШАССИ (ФОКУС) (МСТ) - )
WIRING HARNESS-ENGINE AND CHASSIS 9120 (PST) - ST393086 ( ЖГУТ ПРОВОДОВ ДВИГАТЕЛЯ И ШАССИ (ПСТ) - )
Wiring Harness-Engine And Chassis (PST) - ST393087 ( Жгут проводов двигателя и шасси (ПСТ) - )
Wiring Harness-Engine And Chassis, PST - ST783500 ( Жгут проводов двигателя и шасси, ПСТ - )
Жгут проводов, питание кабины - ST393088
Жгут проводов, питание кабины - ST393089
Нагрузочный центр - ST393090
Нагрузочный центр - ST783505
КАБЕЛЬ СОЕДИНЕНИЯ НА МАССУ КАБИНЫ И ШАССИ - ST778478
КАБЕЛЬ СОЕДИНЕНИЯ НА МАССУ КАБИНЫ И ШАССИ - ST778479
Electrical Junction Block - ST393092 ( Электрические Соединения Блока )
Electrical Junction Block - ST783506 ( Электрические Соединения Блока )
РЕЛЕ ПУСКОВОЙ ЦЕПИ - ST778492
РЕЛЕ ПУСКОВОЙ ЦЕПИ - ST778494
ГНЕЗДО 7-КОНТАКТНОЙ РОЗЕТКИ ЭЛЕКТРОПИТАНИЯ - ST393094
ГНЕЗДО 7-КОНТАКТНОЙ РОЗЕТКИ ЭЛЕКТРОПИТАНИЯ - ST783508
Навесное оборудование, разъем ЭГ регулятора заглубления, регулятор заглубления TouchSet™ - ST775757
ЖГУТ ПРОВОДОВ РЕГУЛЯТОРА ЗАГЛУБЛЕНИЯ TOUCH SET - ST778506
ЖГУТ ПРОВОДОВ РЕГУЛЯТОРА ЗАГЛУБЛЕНИЯ TOUCH SET - ST778507
Auxiliary Power Strip - ST393096 ( Вспомогательной Силовой Прокладка - )
Auxiliary Power Strip - ST783517 ( Вспомогательной Силовой Прокладка - )
ЭЛЕМЕНТЫ УПРАВЛЕНИЯ НА ПАНЕЛИ И ПЕРЕКЛЮЧАТЕЛИ - ST393097
ЭЛЕМЕНТЫ УПРАВЛЕНИЯ НА ПАНЕЛИ И ПЕРЕКЛЮЧАТЕЛИ - ST783524
БЛОК КОНТРОЛЯ ПРИБОРОВ (ICU) И ПАНЕЛЬ НАСТРОЙКИ SCV (SUP) - ST393098
INSTRUMENT CONTROL UNIT ICU AND SCV SETUP PANEL SUP - ST783540 ( ПРИБОРОВ БЛОК УПРАВЛЕНИЯ СИС И ВСК ПАНЕЛИ УСТАНОВКИ ВЕЧЕРЯТЬ - )
КЛЮЧ И ПЕРЕКЛЮЧАТЕЛИ ВСПОМОГАТЕЛЬНОГО УСТРОЙСТВА ЗАПУСКА С ЭФИРОМ - ST393099
КЛЮЧ И ПЕРЕКЛЮЧАТЕЛИ ВСПОМОГАТЕЛЬНОГО УСТРОЙСТВА ЗАПУСКА С ЭФИРОМ - ST783542
ENGINE SPEED CONTROL (ARMREST) - ST393100 ( КОНТРОЛЬ СКОРОСТИ ДВИГАТЕЛЯ (ПОДЛОКОТНИК) - )
ENGINE SPEED CONTROL ARMREST - ST783543 ( РЕГУЛЯТОР ОБОРОТОВ ДВИГАТЕЛЯ ПОДЛОКОТНИК - )
Переключатель регулятора трансмиссии, подлокотник, MST - ST393101
Переключатель регулятора трансмиссии, подлокотник, MST - ST393102
Transmission Control Selector, Armrest, PST - ST393103 ( Селектор КПП, подлокотник, ПСТ - )
Transmission Control Selector, Armrest, PST - ST783545 ( Селектор КПП, подлокотник, ПСТ - )
ЭЛЕКТРИЧЕСКИЕ КОМПОНЕНТЫ ПОДЛОКОТНИКА - ST393104
ЭЛЕКТРИЧЕСКИЕ КОМПОНЕНТЫ ПОДЛОКОТНИКА - ST783546
ARMREST CONTROLLER UNIT (ACU) - ST393105 ( БЛОК УПРАВЛЕНИЯ ПОДЛОКОТНИК (АМКУ) - )
ARMREST CONTROLLER UNIT ACU - ST783551 ( БЛОК УПРАВЛЕНИЯ ПОДЛОКОТНИК АМКУ - )
Селекторные рычаги управления 1, 2 и 3 (подлокотник) - ST778514
Селекторные рычаги управления 1, 2 и 3 (подлокотник) - ST778515
SELECTIVE CONTROL LEVERS 4 AND 5 (ARMREST) - ST393107 ( ВЫБОРОЧНЫЙ КОНТРОЛЬ РЫЧАГОВ 4 И 5 (ПОДЛОКОТНИК) - )
SELECTIVE CONTROL LEVERS 4 AND 5 ARMREST - ST783556 ( ВЫБОРОЧНЫЙ КОНТРОЛЬ РЫЧАГИ 4 И 5 ПОДЛОКОТНИК - )
HITCH CONTROL (ARMREST) - ST393108 ( ЗАМИНКА КОНТРОЛЯ (ПОДЛОКОТНИК) - )
HITCH CONTROL ARMREST - ST783557 ( ЗАМИНКА-КОНТРОЛЬ ПОДЛОКОТНИК - )
КОМПЛЕКТ РЕГУЛЯТОРА ОСИ КАЧАЮЩЕГОСЯ БАЛАНСИРА - ST393109
КОМПЛЕКТ РЕГУЛЯТОРА ОСИ КАЧАЮЩЕГОСЯ БАЛАНСИРА - ST783567
ЖГУТ ПРОВОДОВ (ОТ ПОДЛОКОТНИКА ДО КАБИНЫ) - ST393110
WIRING HARNESS ARMREST TO CAB - ST783571 ( ЖГУТ ПРОВОДОВ ПОДЛОКОТНИК В КАБИНЕ - )
Жгут проводов, передняя стойка, разъем ISO - ST777569
Жгут проводов, передняя стойка, разъем ISO - ST777570
WIRING HARNESS-FIELD OFFICE - ST393111 ( ЖГУТ ПРОВОДОВ-ПОЛЕВОЕ ОТДЕЛЕНИЕ )
Wiring Harness-Field Office - ST783621 ( Жгут Проводов-Полевое Отделение )
ЖГУТ ПРОВОДОВ (ATC) - ST393112
WIRING HARNESS ATC - ST783625 ( ЖГУТ ПРОВОДОВ УВД - )
Контроллеры (HCUSCU, CCU, ECU, SCO) - ST393113
Контроллеры (HCUSCU, CCU, ECU, SCO) - ST393114
Контроллеры (HCUSCU, CCU, ECU, SCO) - ST393115
CONTROLLER (AUTOLOAD) - ST393116 ( КОНТРОЛЛЕР (АВТОЗАГРУЗКА) - )
УПРАВЛЕНИЕ СЦЕПКОЙ (КРЫЛО) - ST393117
HITCH CONTROL FENDER - ST783626 ( ЗАМИНКА КОНТРОЛЬ КРЫЛА )
ДАТЧИК ПОЛОЖЕНИЯ СЦЕПКИ - ST393118
ДАТЧИК ПОЛОЖЕНИЯ СЦЕПКИ - ST783627
ПЕРЕКЛЮЧАТЕЛЬ ОСВЕЩЕНИЯ ДВЕРИ - ST393119
ПЕРЕКЛЮЧАТЕЛЬ ОСВЕЩЕНИЯ ДВЕРИ - ST783632
ПОТОЛОЧНАЯ ЛАМПА И ПЕРЕКЛЮЧАТЕЛЬ - ST393120
ПОТОЛОЧНАЯ ЛАМПА И ПЕРЕКЛЮЧАТЕЛЬ - ST783636
ПОДСВЕТКА САЛОНА - ST783060
ПОДСВЕТКА САЛОНА - ST783061
КОМПЛЕКТ ОСВЕЩЕНИЯ ДЛЯ ВРАЩАЮЩЕГОСЯ ПРОБЛЕСКОВОГО МАЯЧКА - ST393122
ПОДСВЕТКА САЛОНА - ST783637
ЛАМПА ПАНЕЛИ УПРАВЛЕНИЯ - ST393123
ЛАМПА ПАНЕЛИ УПРАВЛЕНИЯ - ST783640
КОМПЛЕКТ ПЕРЕКЛЮЧАТЕЛЕЙ ВРАЩАЮЩЕГОСЯ ПРОБЛЕСКОВОГО МАЯЧКА - ST393124
КОМПЛЕКТ ПЕРЕКЛЮЧАТЕЛЕЙ ВРАЩАЮЩЕГОСЯ ПРОБЛЕСКОВОГО МАЯЧКА - ST783642
ПЕРЕКЛЮЧАТЕЛЬ ГИДРАВЛИЧЕСКОЙ БЛОКИРОВКИ ДИФФЕРЕНЦИАЛА - ST393125
ПЕРЕКЛЮЧАТЕЛЬ ГИДРАВЛИЧЕСКОЙ БЛОКИРОВКИ ДИФФЕРЕНЦИАЛА - ST783644
ПЕРЕКЛЮЧАТЕЛЬ ТОРМОЗА - ST393126
ПЕРЕКЛЮЧАТЕЛЬ ГИДРАВЛИЧЕСКОЙ БЛОКИРОВКИ ДИФФЕРЕНЦИАЛА - ST783648
ПЕРЕКЛЮЧАТЕЛЬ ЗАМЕДЛИТЕЛЯ - ST778567
ПЕРЕКЛЮЧАТЕЛЬ ЗАМЕДЛИТЕЛЯ - ST778569
NEUTRAL START SWITCH KIT (MST) - ST393128 ( НЕЙТРАЛИ КОМПЛЕКТ (МСТ) - )
NEUTRAL START SWITCH KIT (MST) - ST393129 ( НЕЙТРАЛИ КОМПЛЕКТ (МСТ) - )
Performance Monitor - ST393130 ( Монитор Производительности - )
Performance Monitor - ST783657 ( Монитор Производительности - )
ДИСПЛЕЙ УГЛОВОЙ СТОЙКИ - ST393131
ДИСПЛЕЙ УГЛОВОЙ СТОЙКИ - ST783662
HORN - ST393132 ( Рога - )
Horn - ST783665 ( Рога - )
Implement Switch - ST778521 ( Реализовать Переключатель - )
Implement Switch - ST778522 ( Реализовать Переключатель - )
RADAR ( - 002148) - ST393134 ( Радар ( - ) - )
Radar ( - 002148) - ST783667 ( Радар ( - ) - )
RADAR (002149 - ) - ST393135 ( Радар ( - ) - )
Radar (002149 - ) - ST783668 ( Радар ( - ) - )
ДВУЛУЧЕВОЙ РАДАР - ST393136
ДВУЛУЧЕВОЙ РАДАР - ST783669
Радиоприемник, стереосистема DeereDelco с радиоприемником AMFM-диапазона и одним проигрывателем компакт-дисков, навесное оборудование - ST777519
Радиоприемник, стереосистема DeereDelco с радиоприемником AMFM-диапазона и одним проигрывателем компакт-дисков, навесное оборудование - ST777520
Радиоприемник с кронштейнами - ST393137
Радиоприемник с кронштейнами - ST783670
Satellite Radio Kit - ST779125 ( Спутниковое Радио Комплект )
Satellite Radio Kit - ST779126 ( Спутниковое Радио Комплект )
SPEAKER (RADIO) - ST393139 ( ДИНАМИК (РАДИО) - )
SPEAKER RADIO - ST783680 ( ДИКТОР РАДИО - )
Attachment, Radio Mast Antenna - ST781736 ( Привязанность, Радио Мачты Антенны - )
АНТЕННА РАДИОПРИЕМНИКА - ST393140
АНТЕННА РАДИОПРИЕМНИКА - ST783681
Кабель антенны и кронштейн (переносного) радиоприемника - ST393141
ANTENNA CABLE AND RADIO BRACKET MOBILE RADIO - ST783683 ( АНТЕННЫЙ КАБЕЛЬ И РАДИО КРОНШТЕЙН ДЛЯ МОБИЛЬНОГО РАДИО - )
Radio, Antenna And Speaker Kit - ST393143 ( Радио, Антенна И Динамик Комплект - )
Radio, Antenna And Speaker Kit - ST783684 ( Радио, Антенна И Динамик Комплект - )
Radio Kit, AM FM Weather Band CD Antenna, 2 Front Speakers - ST812198 ( Радио Кит, АМ-FM погода коллектива CD-антенна, 2 передних колонки - )
Backup Alarm Kit - ST393144 ( Резервный Комплект Сигнализации - )
Backup Alarm Kit - ST783687 ( Резервный Комплект Сигнализации - )
Зарядное устройство аккумуляторных батарей, сотовый телефон USB и зарядное устройство планшетного компьютера - ST814962
'Каталог Запчастей John Deere :9120, 9220, 9320, 9420, 9520 and 9620 Tractors (Worldwide Edition) - PC2852 41 ALTERNATORS, STARTERS, BATTERY AND BATTERY CABLES
Вернуться на главную страницу каталога
Содержимое: Каталог Запчастей John Deere :9120, 9220, 9320, 9420, 9520 and 9620 Tractors (Worldwide Edition) - PC2852 41 ALTERNATORS, STARTERS, BATTERY AND BATTERY CABLES
Alternator - ST393147 ( Альтернатор - )
Alternator - ST783716 ( Альтернатор - )
КРОНШТЕЙН ГЕНЕРАТОРА ПЕРЕМЕННОГО ТОКА - ST393148
КРОНШТЕЙН ГЕНЕРАТОРА ПЕРЕМЕННОГО ТОКА - ST393149
КРОНШТЕЙН ГЕНЕРАТОРА ПЕРЕМЕННОГО ТОКА - ST393150
ALTERNATOR BRACKET (9620) - ST393151 ( КРОНШТЕЙН ГЕНЕРАТОРА () - )
Alternator - ST393152 ( Альтернатор - )
Alternator - ST783722 ( Альтернатор - )
Starter Solenoid Switch (12-Volt) (John Deere™) - ST393154 ( Стартера Соленоида (Вольт) (Джон Дир?) - )
STARTING MOTOR (12V) (NIPPONDENSO) - ST393155 ( ЗАПУСК ДВИГАТЕЛЯ () (ТАКИХ) - )
STARTING MOTOR (DENSO) (12 VOLT) (9220,9320,9420) - ST393156 ( НАЧИНАЯ МОТОР (ДЕНСО) ( ВОЛЬТ) (,,) - )
Starter Solenoid Switch (Denso) (12 Volt) (9220,9320,9420) - ST393157 ( Стартера Соленоида (Денсо) ( Вольт) (,,) - )
STARTING MOTOR (DENSO) (12 VOLT) (9520,9620) - ST393159 ( ЗАПУСК ДВИГАТЕЛЯ (ДЕНСО) ( ВОЛЬТ) (,) - )
Starter Solenoid Switch (Denso) (12 Volt) (9520, 9620) - ST393160 ( Стартера Соленоида (Денсо) ( Вольт) (, ) - )
STARTING MOTOR GROUND CABLE (9220,9320,9420) - ST393162 ( ЗАПУСК ДВИГАТЕЛЯ КАБЕЛЬ ЗАЗЕМЛЕНИЯ (,,) - )
STARTING MOTOR GROUND CABLE (9520,9620) - ST393163 ( ЗАПУСК ДВИГАТЕЛЯ КАБЕЛЬ ЗАЗЕМЛЕНИЯ (,) - )
BATTERY AND BATTERY CABLES - ST393164 ( БАТАРЕЯ И КАБЕЛИ БАТАРЕИ )
Battery and Battery Cables - ST783725 ( Батарея и кабели батареи )
Right-Hand Fuel Tank Deck And Battery Box - ST783456 ( Правой Стороны Топливного Бака Палубы И Батареи - )
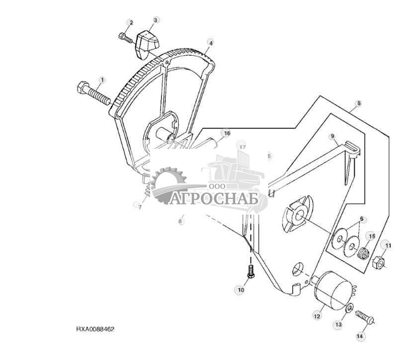
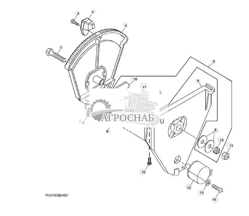
ЖГУТ ПРОВОДОВ — СИДЕНЬЕ - ST783476
![Джон Дир 9120 ЖГУТ ПРОВОДОВ — СИДЕНЬЕ ЖГУТ ПРОВОДОВ — СИДЕНЬЕ]()
1 - Жгут проводов RE188734 Поддерживаемые модели9420, 9520, 9620 Cab Serial No.______-020439
1 - Жгут проводов RE225255 Поддерживаемые модели9420, 9520, 9620 Cab Serial No.020440-______
2 - Комп. регул. выс. сид. RE52562 Поддерживаемые модели9420, 9520, 9620 Примечание:(ARTICULATING ARMREST) (SUB RE43451, R225262 AND (2) 37M7185)
2 - Тумблер/кулисный переключ. RE43451 Поддерживаемые модели9420, 9520, 9620 Примечание:(ЛЕВЫЙ ОТКИДЫВАЮЩИЙСЯ ПОДЛОКОТНИК)
3 - Переключатель RE43526 Поддерживаемые модели9420, 9520, 9620
Наверх
WIRING HARNESS-CAB (MST) - ST393077 ( ЖГУТ ПРОВОДОВ КАБИНЫ (МСТ) - )
![Джон Дир 9120 WIRING HARNESS-CAB (MST) WIRING HARNESS-CAB (MST)]()
1 - Жгут проводов кабины RE182645 Поддерживаемые модели9120, 9220 Tractor Serial No.______-009999
1 - Жгут проводов кабины RE204367 Поддерживаемые модели9120, 9220 Tractor Serial No.010000-011282
1 - Жгут проводов RE235901 Поддерживаемые модели9120, 9220 Tractor Serial No.011283-039999 Примечание:(SUB FOR RE215470, RE228544 OR RE218724)
1 - Жгут проводов кабины RE256479 Поддерживаемые модели9120, 9220 Tractor Serial No.040000-______ Примечание:(SUB FOR RE245347)
2 - Жгут проводов кабины RE166074 Поддерживаемые модели9120, 9220 Tractor Serial No.______-009999
2 - Жгут проводов кабины RE204327 Поддерживаемые модели9120, 9220 Tractor Serial No.010000-______
3 - Жгут проводов RE30714 Поддерживаемые модели9120, 9220 Примечание:(PTO) (ALSO ORDER (2) 14H1026 AND (2) 21H1353)
Наверх
WIRING HARNESS-CAB (MST) - ST393078 ( ЖГУТ ПРОВОДОВ КАБИНЫ (МСТ) - )
![Джон Дир 9120 WIRING HARNESS-CAB (MST) WIRING HARNESS-CAB (MST)]()
1 - Жгут проводов кабины RE182645 Поддерживаемые модели9320, 9420 Tractor Serial No.______-009999
1 - Жгут проводов кабины RE204367 Поддерживаемые модели9320, 9420 Tractor Serial No.010000-011282
1 - Жгут проводов RE235901 Поддерживаемые модели9320, 9420 Tractor Serial No.011283-039999 Примечание:(SUB FOR RE215470, RE228544 OR RE218724)
1 - Жгут проводов кабины RE256479 Поддерживаемые модели9320, 9420 Tractor Serial No.040000-______ Примечание:(SUB FOR RE245347)
2 - Жгут проводов кабины RE166074 Поддерживаемые модели9320, 9420 Tractor Serial No.______-009999
2 - Жгут проводов кабины RE204327 Поддерживаемые модели9320, 9420 Tractor Serial No.010000-______
3 - Жгут проводов RE30714 Поддерживаемые модели9320, 9420 Примечание:(PTO) (ALSO ORDER (2) 14H1026 AND (2) 21H1353)
Наверх
WIRING HARNESS-CAB (PST) - ST393079 ( ЖГУТ ПРОВОДОВ КАБИНЫ (ПСТ) - )
![Джон Дир 9120 WIRING HARNESS-CAB (PST) WIRING HARNESS-CAB (PST)]()
1 - Жгут проводов кабины RE166605 Поддерживаемые модели9120, 9220, 9320 Tractor Serial No.______-009999
1 - Жгут проводов кабины RE204368 Поддерживаемые модели9120, 9220, 9320 Tractor Serial No.010000-011231
1 - Жгут проводов кабины RE215471 Поддерживаемые модели9120, 9220, 9320 Tractor Serial No.011232-011407
1 - Жгут проводов RE235902 Поддерживаемые модели9120, 9220, 9320 Tractor Serial No.011408-039999 Примечание:(SUB FOR RE228545, RE218725 OR RE215471)
1 - Жгут проводов кабины RE256478 Поддерживаемые модели9120, 9220, 9320 Tractor Serial No.040000-______ Примечание:(SUB FOR RE245346)
1 - Жгут проводов RE235903 Поддерживаемые модели9120, 9220, 9320 Tractor Serial No.011408-039999 Примечание:(EUROPEAN VERSION) (SUB FOR RE215472, RE218726 OR RE228546)
1 - Жгут проводов кабины RE256480 Поддерживаемые модели9120, 9220, 9320 Tractor Serial No.040000-______ Примечание:(EUROPEAN VERSION) (SUB FOR RE245348)
2 - Жгут проводов кабины RE166074 Поддерживаемые модели9120, 9220, 9320 Tractor Serial No.______-009999
2 - Жгут проводов кабины RE204327 Поддерживаемые модели9120, 9220, 9320 Tractor Serial No.010000-______
3 - Жгут проводов RE30714 Поддерживаемые модели9120, 9220, 9320
4 - Жгут проводов RE30714 Поддерживаемые модели9120, 9220, 9320 Примечание:(МОМ)
Наверх
WIRING HARNESS-CAB PST - ST783485 ( ЖГУТ ПРОВОДОВ КАБИНЫ ПСТ - )
![Джон Дир 9120 WIRING HARNESS-CAB PST WIRING HARNESS-CAB PST]()
1 - Жгут проводов кабины RE166605 Поддерживаемые модели9420, 9520, 9620 Tractor Serial No.______-009999
1 - Жгут проводов кабины RE204368 Поддерживаемые модели9420, 9520, 9620 Tractor Serial No.010000-011231
1 - Жгут проводов кабины RE215471 Поддерживаемые модели9420, 9520, 9620 Tractor Serial No.011232-011407
1 - Жгут проводов RE235902 Поддерживаемые модели9420, 9520, 9620 Tractor Serial No.011408-039999 Примечание:(SUB FOR RE228545, RE218725 OR RE215471)
1 - Жгут проводов кабины RE256478 Поддерживаемые модели9420, 9520, 9620 Tractor Serial No.040000-______ Примечание:(SUB FOR RE245346)
1 - Жгут проводов RE235903 Поддерживаемые модели9420, 9520, 9620 Tractor Serial No.011408-039999 Примечание:(EUROPEAN VERSION) (SUB FOR RE215472, RE218726 OR RE228546)
1 - Жгут проводов кабины RE256480 Поддерживаемые модели9420, 9520, 9620 Tractor Serial No.040000-______ Примечание:(EUROPEAN VERSION) (SUB FOR RE245348)
2 - Жгут проводов кабины RE166074 Поддерживаемые модели9420, 9520, 9620 Tractor Serial No.______-009999
2 - Жгут проводов кабины RE204327 Поддерживаемые модели9420, 9520, 9620 Tractor Serial No.010000-______
3 - Жгут проводов RE30714 Поддерживаемые модели9420, 9520, 9620
4 - Жгут проводов RE30714 Поддерживаемые модели9420, 9520, 9620 Примечание:(МОМ)
Наверх
WIRING HARNESS-ROOF - ST393080 ( ЖГУТ ПРОВОДОВ-КРЫШИ - )
![Джон Дир 9120 WIRING HARNESS-ROOF WIRING HARNESS-ROOF]()
1 - Прожектор RE181281 Количество:4 Поддерживаемые модели9120, 9220, 9320
2 - Жгут проводов RE184079 Поддерживаемые модели9120, 9220, 9320 Cab Serial No.______-009999
2 - Жгут проводов крыши RE204370 Поддерживаемые модели9120, 9220, 9320 Cab Serial No.010000-039999
2 - Жгут проводов крыши RE246442 Поддерживаемые модели9120, 9220, 9320 Cab Serial No.040000-______
2 - Винт 37M7090 Поддерживаемые модели9120, 9220, 9320 Примечание:M6 X 16
3 - Лампа RE55151 Количество:2 Поддерживаемые модели9120, 9220, 9320 Примечание:LH FRONT/RH REAR
4 - Двигатель стеклоочистителя RE151494 Количество:2 Поддерживаемые модели9120, 9220, 9320
5 - Лампа RE55150 Количество:2 Поддерживаемые модели9120, 9220, 9320 Примечание:RH FRONT/LH REAR
6 - Лампа RE64231 Поддерживаемые модели9120, 9220, 9320
7 - Винт 37M7059 Поддерживаемые модели9120, 9220, 9320 Примечание:M5 X 12
Наверх
Wiring Harness-Roof - ST783495 ( Жгут Проводов-Крыши - )
![Джон Дир 9120 Wiring Harness-Roof Wiring Harness-Roof]()
1 - Прожектор RE181281 Количество:4 Поддерживаемые модели9420, 9520, 9620
2 - Жгут проводов RE184079 Поддерживаемые модели9420, 9520, 9620 Cab Serial No.______-009999
2 - Жгут проводов крыши RE204370 Поддерживаемые модели9420, 9520, 9620 Cab Serial No.010000-039999
2 - Жгут проводов крыши RE246442 Поддерживаемые модели9420, 9520, 9620 Cab Serial No.040000-______
2 - Винт 37M7090 Поддерживаемые модели9420, 9520, 9620 Примечание:M6 X 16
3 - Лампа RE55151 Количество:2 Поддерживаемые модели9420, 9520, 9620 Примечание:LH FRONT/RH REAR
4 - Двигатель стеклоочистителя RE151494 Количество:2 Поддерживаемые модели9420, 9520, 9620
5 - Лампа RE55150 Количество:2 Поддерживаемые модели9420, 9520, 9620 Примечание:RH FRONT/LH REAR
6 - Лампа RE64231 Поддерживаемые модели9420, 9520, 9620
7 - Винт 37M7059 Поддерживаемые модели9420, 9520, 9620 Примечание:M5 X 12
Наверх
ЖГУТ ПРОВОДОВ (СИДЕНЬЕ ACTIVE SEAT) - ST393081
![Джон Дир 9120 ЖГУТ ПРОВОДОВ (СИДЕНЬЕ ACTIVE SEAT) ЖГУТ ПРОВОДОВ (СИДЕНЬЕ ACTIVE SEAT)]()
1 - Жгут проводов RE166487 Поддерживаемые модели9120, 9220, 9320 Примечание:(SUB RE239997)
2 - Жгут проводов RE171765 Поддерживаемые модели9120, 9220, 9320 Примечание:(SUB RE208676)
3 - Тумблер/кулисный переключ. RE189796 Поддерживаемые модели9120, 9220, 9320 Примечание:(ЖЕСТКОСТЬ СИДЕНЬЯ)
4 - Комплект RE189795 Поддерживаемые модели9120, 9220, 9320 Примечание:(SEAT HEIGHT ADJUSTMENT) (SUB RE228095)
Наверх
Wiring Harness Active Seat - ST783498 ( Жгут Проводов Активное Сиденье - )
![Джон Дир 9120 Wiring Harness Active Seat Wiring Harness Active Seat]()
1 - Жгут проводов RE166487 Поддерживаемые модели9420, 9520, 9620 Примечание:(SUB RE239997)
2 - Жгут проводов RE171765 Поддерживаемые модели9420, 9520, 9620 Примечание:(SUB RE208676)
3 - Тумблер/кулисный переключ. RE189796 Поддерживаемые модели9420, 9520, 9620 Примечание:(ЖЕСТКОСТЬ СИДЕНЬЯ)
4 - Комплект RE189795 Поддерживаемые модели9420, 9520, 9620 Примечание:(SEAT HEIGHT ADJUSTMENT) (SUB RE228095)
Наверх
Wiring Harness, Cab, GreenStar™ - ST393082 ( Жгут Проводов, Кабина, Обновление? - )
![Джон Дир 9120 Wiring Harness, Cab, GreenStar™ Wiring Harness, Cab, GreenStar™]()
1 - Винт 19M7862 Количество:4 Поддерживаемые модели9120, 9220, 9320 Tractor Serial No.______-039999 Примечание:M6 X 20
1 - Винт R117569 Количество:4 Поддерживаемые модели9120, 9220, 9320 Tractor Serial No.040000-______
2 - Опора R163378 Количество:2 Поддерживаемые модели9120, 9220, 9320 Tractor Serial No.______-039999
3 - Кронштейн RE155713 Поддерживаемые модели9120, 9220, 9320 Tractor Serial No.______-039999
3 - Кронштейн RE220821 Поддерживаемые модели9120, 9220, 9320 Tractor Serial No.040000-______
4 - Винт 19M7866 Количество:6 Поддерживаемые модели9120, 9220, 9320 Примечание:M8 X 20
5 - Жгут проводов кабины RE193149 Поддерживаемые модели9120, 9220, 9320 Tractor Serial No.______-009999 Примечание:(Wheels) Cab Harness
5 - Жгут проводов кабины RE193149 Поддерживаемые модели9120, 9220, 9320 Tractor Serial No.______-901999 Примечание:(Tracks) Cab Harness
5 - Жгут проводов кабины RE187924 Поддерживаемые модели9120, 9220, 9320 Tractor Serial No.______-009999 Примечание:ORDER RE193149 AND RE175650
5 - Жгут проводов RE175650 Поддерживаемые модели9120, 9220, 9320 Tractor Serial No.______-009999 Примечание:GreenStar™ Harness
5 - Жгут проводов кабины RE204329 Поддерживаемые модели9120, 9220, 9320 Tractor Serial No.010000-______ Примечание:(ЕВРОПЕЙСКОЕ ИСПОЛНЕНИЕ)
5 - Обвязной хомут R105388 Количество:3 Поддерживаемые модели9120, 9220, 9320
6 - Винт 37M7033 Количество:4 Поддерживаемые модели9120, 9220, 9320
7 - Пластина R130962 Поддерживаемые модели9120, 9220, 9320
7 - Уплотнение R118309 Поддерживаемые модели9120, 9220, 9320
8 - Жгут проводов RE220739 Поддерживаемые модели9120, 9220, 9320 Примечание:SUB FOR RE193156
9A - Клемма электр. разъема RE165523 Поддерживаемые модели9120, 9220, 9320 Tractor Serial No.000001-011408
9B - Узел электрич. разъема RE568839 Поддерживаемые модели9120, 9220, 9320 Tractor Serial No.011409-______ Примечание:SUB FOR RE208786
10A - Кронштейн R192977 Поддерживаемые модели9120, 9220, 9320 Примечание:USE WITH RE165523; ALSO ORDER (4) 37M7090
10A - Винт 37M7090 Количество:4 Поддерживаемые модели9120, 9220, 9320 Примечание:M6 X 16
10B - Кронштейн R219415 Поддерживаемые модели9120, 9220, 9320 Примечание:SUB R285963; USE WITH RE208786
11 - Стопорная гайка 14M7426 Количество:4 Поддерживаемые модели9120, 9220, 9320 Примечание:M8
12 - Шайба 24M7336 Количество:4 Поддерживаемые модели9120, 9220, 9320 Примечание:9 X 16 X 1.600 mm
13 - Винт 19M7798 Количество:4 Поддерживаемые модели9120, 9220, 9320 Примечание:M8 X 40
14 - Жгут проводов кабины RE193153 Поддерживаемые модели9120, 9220, 9320 Tractor Serial No.______-009999
14 - Жгут проводов крыши RE205247 Поддерживаемые модели9120, 9220, 9320 Tractor Serial No.______-011283
15 - Пластина R210761 Поддерживаемые модели9120, 9220, 9320 Примечание:USE WITH RE208786 AND R192977
16 - Колпачок электр. разъема RE201032 Поддерживаемые модели9120, 9220, 9320
17 - Уплотнительное кольцо R201046 Количество:2 Поддерживаемые модели9120, 9220, 9320
18 - Модуль RE345856 Поддерживаемые модели9120, 9220, 9320 Примечание:ORDER RE568839; SUB FOR RE201033
19 - Прижимная гайка R205342 Количество:2 Поддерживаемые модели9120, 9220, 9320
20 - Винт 19M7966 Количество:4 Поддерживаемые модели9120, 9220, 9320 Примечание:M6 X 25
21 - Шайба 24M7088 Количество:4 Поддерживаемые модели9120, 9220, 9320 Примечание:6.600 X 12 X 1.600 mm
22 - Стопорная гайка 14M7397 Количество:4 Поддерживаемые модели9120, 9220, 9320 Примечание:M6
23 - Кронштейн RE175035 Поддерживаемые модели9120, 9220, 9320 Tractor Serial No.020557-039999
23 - Кронштейн RE221448 Поддерживаемые модели9120, 9220, 9320 Tractor Serial No.040000-______
24 - Скоба R213993 Поддерживаемые модели9120, 9220, 9320 Tractor Serial No.020557-039999
25 - Шайба B32209 Количество:3 Поддерживаемые модели9120, 9220, 9320 Tractor Serial No.020557-______
26 - Корпус электр. разъема 57M8008 Поддерживаемые модели9120, 9220, 9320
26 - Блок. устр. эл. разъема 57M8009 Поддерживаемые модели9120, 9220, 9320
27 - Колпачок 57M7633 Поддерживаемые модели9120, 9220, 9320
27 - Блок. устр. эл. разъема 57M7682 Поддерживаемые модели9120, 9220, 9320
28 - Пружинный шплинт 34H235 Поддерживаемые модели9120, 9220, 9320 Примечание:3/32" X 1"
.. - Комплект кронштейна RE175671 Поддерживаемые модели9120, 9220, 9320 Tractor Serial No.______-039999 Примечание:INCLUDES RE175035, (3) B32209 AND R213993
.. - Комплект кронштейна RE221799 Поддерживаемые модели9120, 9220, 9320 Tractor Serial No.040000-______ Примечание:INCLUDES RE221448 AND (3) B32209
Наверх
Wiring Harness, Cab, GreenStar™ - ST393083 ( Жгут Проводов, Кабина, Обновление? - )
![Джон Дир 9120 Wiring Harness, Cab, GreenStar™ Wiring Harness, Cab, GreenStar™]()
1 - Винт 19M7862 Количество:4 Поддерживаемые модели9420, 9520, 9620 Tractor Serial No.______-039999 Примечание:M6 X 20
1 - Винт R117569 Количество:4 Поддерживаемые модели9420, 9520, 9620 Tractor Serial No.040000-______
2 - Опора R163378 Количество:2 Поддерживаемые модели9420, 9520, 9620 Tractor Serial No.______-039999
3 - Кронштейн RE155713 Поддерживаемые модели9420, 9520, 9620 Tractor Serial No.______-039999
3 - Кронштейн RE220821 Поддерживаемые модели9420, 9520, 9620 Tractor Serial No.040000-______
4 - Винт 19M7866 Количество:6 Поддерживаемые модели9420, 9520, 9620 Примечание:M8 X 20
5 - Жгут проводов кабины RE193149 Поддерживаемые модели9420, 9520, 9620 Tractor Serial No.______-009999 Примечание:(Wheels) Cab Harness
5 - Жгут проводов кабины RE193149 Поддерживаемые модели9420, 9520, 9620 Tractor Serial No.______-901999 Примечание:(Tracks) Cab Harness
5 - Жгут проводов кабины RE187924 Поддерживаемые модели9420, 9520, 9620 Tractor Serial No.______-009999 Примечание:JDLink™ ORDER RE193149 AND RE175650
5 - Жгут проводов RE175650 Поддерживаемые модели9420, 9520, 9620 Tractor Serial No.______-009999 Примечание:GreenStar™ Harness
5 - Жгут проводов кабины RE204329 Поддерживаемые модели9420, 9520, 9620 Tractor Serial No.010000-______ Примечание:(ЕВРОПЕЙСКОЕ ИСПОЛНЕНИЕ)
5 - Обвязной хомут R105388 Количество:3 Поддерживаемые модели9420, 9520, 9620
6 - Винт 37M7033 Количество:4 Поддерживаемые модели9420, 9520, 9620
7 - Пластина R130962 Поддерживаемые модели9420, 9520, 9620
7 - Уплотнение R118309 Поддерживаемые модели9420, 9520, 9620
8 - Жгут проводов RE220739 Поддерживаемые модели9420, 9520, 9620 Примечание:SUB FOR RE193156
9A - Клемма электр. разъема RE165523 Поддерживаемые модели9420, 9520, 9620 Tractor Serial No.000001-011408
9B - Узел электрич. разъема RE568839 Поддерживаемые модели9420, 9520, 9620 Tractor Serial No.011409-______ Примечание:SUB FOR RE208786
10A - Кронштейн R192977 Поддерживаемые модели9420, 9520, 9620 Примечание:ORDER R219415
10A - Винт 37M7090 Количество:4 Поддерживаемые модели9420, 9520, 9620 Примечание:M6 X 16
10B - Кронштейн R285963 Поддерживаемые модели9420, 9520, 9620 Примечание:SUB FOR R219415
11 - Стопорная гайка 14M7426 Количество:4 Поддерживаемые модели9420, 9520, 9620 Примечание:M8
12 - Шайба 24M7336 Количество:4 Поддерживаемые модели9420, 9520, 9620 Примечание:9 X 16 X 1.600 mm
13 - Винт 19M7798 Количество:4 Поддерживаемые модели9420, 9520, 9620 Примечание:M8 X 40
14 - Жгут проводов кабины RE193153 Поддерживаемые модели9420, 9520, 9620 Tractor Serial No.______-009999
14 - Жгут проводов крыши RE205247 Поддерживаемые модели9420, 9520, 9620 Tractor Serial No.______-011283
15 - Пластина R210761 Поддерживаемые модели9420, 9520, 9620 Примечание:USE WITH RE208786 AND R192977
16 - Колпачок электр. разъема RE201032 Поддерживаемые модели9420, 9520, 9620
17 - Уплотнительное кольцо R201046 Количество:2 Поддерживаемые модели9420, 9520, 9620
18 - Модуль RE345856 Поддерживаемые модели9420, 9520, 9620 Примечание:ORDER RE568839; SUB FOR RE201033
19 - Прижимная гайка R205342 Количество:2 Поддерживаемые модели9420, 9520, 9620
20 - Винт 19M7966 Количество:4 Поддерживаемые модели9420, 9520, 9620 Примечание:M6 X 25
21 - Шайба 24M7088 Количество:4 Поддерживаемые модели9420, 9520, 9620 Примечание:6.600 X 12 X 1.600 mm
22 - Стопорная гайка 14M7397 Количество:4 Поддерживаемые модели9420, 9520, 9620 Примечание:M6
23 - Кронштейн RE175035 Поддерживаемые модели9420, 9520, 9620 Tractor Serial No.020557-039999
23 - Кронштейн RE221448 Поддерживаемые модели9420, 9520, 9620 Tractor Serial No.040000-______
24 - Скоба R213993 Поддерживаемые модели9420, 9520, 9620 Tractor Serial No.020557-039999
25 - Шайба B32209 Количество:3 Поддерживаемые модели9420, 9520, 9620 Tractor Serial No.020557-______
26 - Корпус электр. разъема 57M8008 Поддерживаемые модели9420, 9520, 9620
26 - Блок. устр. эл. разъема 57M8009 Поддерживаемые модели9420, 9520, 9620
27 - Колпачок 57M7633 Поддерживаемые модели9420, 9520, 9620
27 - Блок. устр. эл. разъема 57M7682 Поддерживаемые модели9420, 9520, 9620
28 - Пружинный шплинт 34H235 Поддерживаемые модели9420, 9520, 9620 Примечание:3/32" X 1"
.. - Комплект кронштейна RE175671 Поддерживаемые модели9420, 9520, 9620 Tractor Serial No.______-039999 Примечание:INCLUDES RE175035, (3) B32209 AND R213993
.. - Комплект кронштейна RE221799 Поддерживаемые модели9420, 9520, 9620 Tractor Serial No.040000-______ Примечание:INCLUDES RE221448 AND (3) B32209
Наверх
WIRING HARNESS-ENGINE AND CHASSIS (FOCUS) (MST) - ST393084 ( ЖГУТ ПРОВОДОВ ДВИГАТЕЛЯ И ШАССИ (ФОКУС) (МСТ) - )
![Джон Дир 9120 WIRING HARNESS-ENGINE AND CHASSIS (FOCUS) (MST) WIRING HARNESS-ENGINE AND CHASSIS (FOCUS) (MST)]()
1 - Жгут проводов RE166607 Поддерживаемые модели9120 Tractor Serial No.______-009999 Примечание:CONTAINS RE49904, R131305 AND R135161
1 - Жгут проводов RE257897 Поддерживаемые модели9120 Tractor Serial No.010000-______ Примечание:SUB FOR RE215321 OR RE218728 OR RE226549 OR RE234439
2 - Жгут проводов RE65311 Поддерживаемые модели9120 Примечание:USE WITH RE226549
3 - Электрон. блок управления RE207311 Поддерживаемые модели9120
4 - Соленоид RE61119 Количество:6 Поддерживаемые модели9120
5 - Гудок AL203265 Поддерживаемые модели9120 Примечание:SUB FOR AL114614 OR RE159897
6 - Датчик RE519144 Поддерживаемые модели9120 Примечание:(ENGINE SPEED) SUB FOR RE508195
7 - Датчик RE167207 Поддерживаемые модели9120 Примечание:SUB FOR RE56009
7 - Трубная втулка 15H639 Поддерживаемые модели9120 Примечание:1/8"
8 - Кожух R207753 Поддерживаемые модели9120
8 - Ограждение RE220277 Поддерживаемые модели9120
Наверх
WIRING HARNESS-ENGINE AND CHASSIS (FOCUS) (MST) - ST393085 ( ЖГУТ ПРОВОДОВ ДВИГАТЕЛЯ И ШАССИ (ФОКУС) (МСТ) - )
![Джон Дир 9120 WIRING HARNESS-ENGINE AND CHASSIS (FOCUS) (MST) WIRING HARNESS-ENGINE AND CHASSIS (FOCUS) (MST)]()
1 - Соленоид RE61119 Количество:6 Поддерживаемые модели9220, 9320, 9420 Примечание:SCVSCV
2 - Электрон. блок управления RE207311 Поддерживаемые модели9220, 9320, 9420
3 - Жгут проводов RE65311 Поддерживаемые модели9220, 9320, 9420 Примечание:USE WITH RE226549
4 - Жгут проводов RE166608 Поддерживаемые модели9220, 9320, 9420 Tractor Serial No.______-009999 Примечание:MST, FOCUS
4 - Жгут проводов шасси RE204372 Поддерживаемые модели9220, 9320, 9420 Tractor Serial No.010000-______ Примечание:SUB RE215322
5 - Датчик RE519144 Поддерживаемые модели9220, 9320, 9420 Примечание:(ENGINE CAM SPEED) SUB FOR RE508195
6 - Датчик RE519144 Поддерживаемые модели9220, 9320, 9420 Примечание:(ENGINE CRANK SPEED) SUB FOR RE508195
7 - Гудок AL203265 Поддерживаемые модели9220, 9320, 9420 Примечание:SUB FOR AL114614 OR RE159897
8 - Датчик RE167207 Поддерживаемые модели9220, 9320, 9420 Примечание:SUB FOR RE56009
8 - Трубная втулка 15H639 Поддерживаемые модели9220, 9320, 9420 Примечание:1/8"
9 - Кожух R207753 Поддерживаемые модели9220, 9320, 9420
9 - Ограждение RE220277 Поддерживаемые модели9220, 9320, 9420
Наверх
WIRING HARNESS-ENGINE AND CHASSIS 9120 (PST) - ST393086 ( ЖГУТ ПРОВОДОВ ДВИГАТЕЛЯ И ШАССИ (ПСТ) - )
![Джон Дир 9120 WIRING HARNESS-ENGINE AND CHASSIS 9120 (PST) WIRING HARNESS-ENGINE AND CHASSIS 9120 (PST)]()
1 - Жгут проводов RE65311 Поддерживаемые модели9120 Tractor Serial No.______-021542 Примечание:USE WITH RE218731 OR RE218732
2 - Соленоид RE61119 Количество:6 Поддерживаемые модели9120 Примечание:SCVSCV
3 - Электрон. блок управления RE207311 Поддерживаемые модели9120
4 - Жгут проводов RE166650 Поддерживаемые модели9120 Tractor Serial No.______-009999 Примечание:PST, FOCUS 9
4 - Жгут проводов шасси RE204373 Поддерживаемые модели9120 Tractor Serial No.010000-______ Примечание:SUB RE218730PST, FOCUS 9
4 - Жгут проводов шасси RE218730 Поддерживаемые модели9120 Tractor Serial No.______-021612 Примечание:SUB FOR RE215323PST, FOCUS 9
4 - Жгут проводов шасси RE226551 Поддерживаемые модели9120 Tractor Serial No.021613-030242 Примечание:SUB RE234441PST, FOCUS 9
4 - Жгут проводов RE257899 Поддерживаемые модели9120 Tractor Serial No.030243-______ Примечание:SUB FOR RE234441PST, FOCUS 9
5 - Датчик RE508195 Поддерживаемые модели9120 Примечание:(ENGINE CRANK SPEED) ALSO ORDER 51M7044, SUB RE519144
6 - Датчик RE573828 Поддерживаемые модели9120 Примечание:(OIL FILTER RESTRICTION) SUB FOR RE70608ALSO ORDER 51M7041 AND R27976
7 - Гудок AL203265 Поддерживаемые модели9120 Примечание:SUB FOR AL114614 OR RE159897
8 - Датчик RE508195 Поддерживаемые модели9120 Примечание:(ENGINE CAM SPEED) ALSO ORDER 51M7044, SUB RE519144
9 - Датч. давл. масла в дв. RE56009 Поддерживаемые модели9120 Примечание:SUB RE167207
9 - Трубная втулка 15H639 Поддерживаемые модели9120 Примечание:1/8"
10 - Кожух R207753 Поддерживаемые модели9120
10 - Ограждение RE220277 Поддерживаемые модели9120
Наверх
Wiring Harness-Engine And Chassis (PST) - ST393087 ( Жгут проводов двигателя и шасси (ПСТ) - )
![Джон Дир 9120 Wiring Harness-Engine And Chassis (PST) Wiring Harness-Engine And Chassis (PST)]()
1 - Жгут проводов RE65311 Поддерживаемые модели9120, 9220, 9320 Tractor Serial No.______-021525 Примечание:USE WITH RE218731 OR RE218732
2 - Соленоид RE61119 Количество:6 Поддерживаемые модели9120, 9220, 9320 Примечание:SCVSCV
3 - Электрон. блок управления RE207311 Поддерживаемые модели9120, 9220, 9320
4 - Жгут проводов RE166609 Поддерживаемые модели9120, 9220, 9320 Tractor Serial No.______-009999 Примечание:PST, FOCUS 6
4 - Жгут проводов шасси RE215326 Поддерживаемые модели9120, 9220, 9320 Tractor Serial No.010000-______ Примечание:SUB FOR RE204374; PST, FOCUS 6
4 - Жгут проводов RE257900 Поддерживаемые модели9120, 9220, 9320 Примечание:SUB FOR RE234442 OR RE226552; PST, FOCUS 6
4 - Жгут проводов RE182982 Поддерживаемые модели9120, 9220, 9320 Tractor Serial No.______-009999 Примечание:(ЕВРОПЕЙСКОЕ ИСПОЛНЕНИЕ)
4 - Жгут проводов RE234443 Поддерживаемые модели9120, 9220, 9320 Tractor Serial No.010000-______ Примечание:(EUROPEAN VERSION) SUB FOR RE226553 OR RE215327 OR RE218732 OR RE204375
5 - Датчик RE519144 Поддерживаемые модели9120, 9220, 9320 Примечание:(ENGINE CRANK SPEED) SUB FOR RE508195; ALSO ORDER 51M7044
6 - Датчик RE573828 Поддерживаемые модели9120, 9220, 9320 Примечание:(OIL FILTER RESTRICTION) SUB FOR RE70608; ALSO ORDER 51M7041 AND R27976
7 - Гудок AL203265 Поддерживаемые модели9120, 9220, 9320 Примечание:SUB FOR AL114614 OR RE159897
8 - Датчик RE519144 Поддерживаемые модели9120, 9220, 9320 Примечание:(ENGINE CAM SPEED) SUB FOR RE508195; ALSO ORDER 51M7044
9 - Датчик RE167207 Поддерживаемые модели9120, 9220, 9320 Примечание:SUB FOR RE56009
9 - Трубная втулка 15H639 Поддерживаемые модели9120, 9220, 9320 Примечание:1/8"
10 - Кожух R207753 Поддерживаемые модели9120, 9220, 9320
10 - Ограждение RE220277 Поддерживаемые модели9120, 9220, 9320
Наверх
Wiring Harness-Engine And Chassis, PST - ST783500 ( Жгут проводов двигателя и шасси, ПСТ - )
![Джон Дир 9120 Wiring Harness-Engine And Chassis, PST Wiring Harness-Engine And Chassis, PST]()
1 - Жгут проводов RE65311 Поддерживаемые модели9420, 9520, 9620 Tractor Serial No.______-021525 Примечание:USE WITH RE218731 OR RE218732
2 - Соленоид RE61119 Количество:6 Поддерживаемые модели9420, 9520, 9620 Примечание:SCVSCV
3 - Электрон. блок управления RE207311 Поддерживаемые модели9420, 9520, 9620
4 - Жгут проводов RE166609 Поддерживаемые модели9420, 9520, 9620 Tractor Serial No.______-009999 Примечание:PST, FOCUS 6
4 - Жгут проводов шасси RE204374 Поддерживаемые модели9420, 9520, 9620 Tractor Serial No.010000-______ Примечание:SUB RE218731; PST, FOCUS 6
4 - Жгут проводов шасси RE218731 Поддерживаемые модели9420, 9520, 9620 Tractor Serial No.______-021542 Примечание:SUB FOR RE215326; PST, FOCUS 6
4 - Жгут проводов шасси RE226552 Поддерживаемые модели9420, 9520, 9620 Tractor Serial No.021543-030242 Примечание:SUB RE234442; PST, FOCUS 6
4 - Жгут проводов RE257900 Поддерживаемые модели9420, 9520, 9620 Tractor Serial No.030243-______ Примечание:SUB FOR RE234442; PST, FOCUS 6
4 - Жгут проводов RE182982 Поддерживаемые модели9420, 9520, 9620 Tractor Serial No.______-009999 Примечание:(ЕВРОПЕЙСКОЕ ИСПОЛНЕНИЕ)
4 - Жгут проводов шасси RE204375 Поддерживаемые модели9420, 9520, 9620 Tractor Serial No.010000-______ Примечание:(EUROPEAN VERSION) SUB RE218732
4 - Жгут проводов шасси RE218732 Поддерживаемые модели9420, 9520, 9620 Tractor Serial No.______-021525 Примечание:(EUROPEAN VERSION) SUB FOR RE215327
4 - Жгут проводов шасси RE226553 Поддерживаемые модели9420, 9520, 9620 Tractor Serial No.021526-030241 Примечание:(EUROPEAN VERSION) SUB RE234443
4 - Жгут проводов RE234443 Поддерживаемые модели9420, 9520, 9620 Tractor Serial No.030242-______ Примечание:(ЕВРОПЕЙСКОЕ ИСПОЛНЕНИЕ)
5 - Датчик RE508195 Поддерживаемые модели9420, 9520, 9620 Примечание:(ENGINE CRANK SPEED) ALSO ORDER 51M7044; SUB RE519144
6 - Датчик RE573828 Поддерживаемые модели9420, 9520, 9620 Примечание:(OIL FILTER RESTRICTION) SUB FOR RE70608; ALSO ORDER 51M7041 AND R10093
7 - Гудок AL203265 Поддерживаемые модели9420, 9520, 9620 Примечание:SUB FOR AL114614 OR RE159897
8 - Датчик RE508195 Поддерживаемые модели9420, 9520, 9620 Примечание:(ENGINE CAM SPEED) ALSO ORDER 51M7044; SUB RE519144
9 - Датч. давл. масла в дв. RE56009 Поддерживаемые модели9420, 9520, 9620 Примечание:SUB RE167207
9 - Трубная втулка 15H639 Поддерживаемые модели9420, 9520, 9620 Примечание:1/8"
10 - Кожух R207753 Поддерживаемые модели9420, 9520, 9620
10 - Ограждение RE220277 Поддерживаемые модели9420, 9520, 9620
Наверх
Жгут проводов, питание кабины - ST393088
![Джон Дир 9120 Жгут проводов, питание кабины Жгут проводов, питание кабины]()
1 - Контактный блок RE48875 Поддерживаемые модели9120, 9220, 9320 Примечание:(Кабина)
2 - Винт с головкой 19M7372 Количество:2 Поддерживаемые модели9120, 9220, 9320 Примечание:M5 X 16
3 - Шайба 24M7146 Поддерживаемые модели9120, 9220, 9320 Примечание:4.300 X 12 X 1 mm
4 - Гайка 14M7100 Поддерживаемые модели9120, 9220, 9320 Примечание:M4
5 - Уплотнение R186344 Поддерживаемые модели9120, 9220, 9320
6 - Кабель аккумулятора RE70202 Поддерживаемые модели9120, 9220, 9320 Примечание:(ВОССТАНОВЛЕННЫЙ)
7 - Проволочный вывод RE49736 Поддерживаемые модели9120, 9220, 9320
8 - Гайка 14M7274 Количество:2 Поддерживаемые модели9120, 9220, 9320 Примечание:M10
9 - Кронштейн RE49737 Поддерживаемые модели9120, 9220, 9320
10 - Гайка 14M7274 Поддерживаемые модели9120, 9220, 9320 Примечание:M10
11 - Контактный блок RE48867 Поддерживаемые модели9120, 9220, 9320
12 - Стопорная гайка 14M7400 Количество:2 Поддерживаемые модели9120, 9220, 9320 Примечание:M10
13 - Винт 19M7785 Количество:2 Поддерживаемые модели9120, 9220, 9320 Примечание:M10 X 25
14 - Перемычка RE63735 Поддерживаемые модели9120, 9220, 9320 Примечание:(ВОССТАНОВЛЕННЫЙ)
15 - Жгут проводов кабины ....... Поддерживаемые модели9120, 9220, 9320
16 - Шланг R281023 Поддерживаемые модели9120, 9220, 9320 Примечание:SUB FOR R196963 OR R210115
Наверх
Жгут проводов, питание кабины - ST393089
![Джон Дир 9120 Жгут проводов, питание кабины Жгут проводов, питание кабины]()
1 - Контактный блок RE48875 Поддерживаемые модели9420, 9520, 9620 Примечание:(Кабина)
2 - Винт с головкой 19M7372 Количество:2 Поддерживаемые модели9420, 9520, 9620 Примечание:M5 X 16
3 - Шайба 24M7146 Поддерживаемые модели9420, 9520, 9620 Примечание:4.300 X 12 X 1 mm
4 - Гайка 14M7100 Поддерживаемые модели9420, 9520, 9620 Примечание:M4
5 - Уплотнение R186344 Поддерживаемые модели9420, 9520, 9620
6 - Кабель аккумулятора RE70202 Поддерживаемые модели9420, 9520, 9620 Примечание:(ВОССТАНОВЛЕННЫЙ)
7 - Проволочный вывод RE49736 Поддерживаемые модели9420, 9520, 9620
8 - Гайка 14M7274 Количество:2 Поддерживаемые модели9420, 9520, 9620 Примечание:M10
9 - Кронштейн RE49737 Поддерживаемые модели9420, 9520, 9620
10 - Гайка 14M7274 Поддерживаемые модели9420, 9520, 9620 Примечание:M10
11 - Контактный блок RE48867 Поддерживаемые модели9420, 9520, 9620
12 - Стопорная гайка 14M7400 Количество:2 Поддерживаемые модели9420, 9520, 9620 Примечание:M10
13 - Винт 19M7785 Количество:2 Поддерживаемые модели9420, 9520, 9620 Примечание:M10 X 25
14 - Перемычка RE63735 Поддерживаемые модели9420, 9520, 9620 Примечание:(ВОССТАНОВЛЕННЫЙ)
15 - Жгут проводов кабины ....... Поддерживаемые модели9420, 9520, 9620
16 - Шланг R281023 Поддерживаемые модели9420, 9520, 9620 Примечание:SUB FOR R196963 OR R210115
Наверх
Нагрузочный центр - ST393090
![Джон Дир 9120 Нагрузочный центр Нагрузочный центр]()
1 - Плавкий предохранитель 57M7121 Количество:20 Поддерживаемые модели9120, 9220, 9320 Примечание:10 АПосмотреть аналогичные детали
1 - Плавкий предохранитель 57M7120 Количество: 10 Поддерживаемые модели9120, 9220, 9320 Примечание:20 А
1 - Плавкий предохранитель 57M7146 Количество: 10 Поддерживаемые модели9120, 9220, 9320 Примечание:30 А
1 - Плавкий предохранитель 57M7237 Поддерживаемые модели9120, 9220, 9320 Примечание:40 AMP
1 - Плавкий предохранитель 57M8801 Поддерживаемые модели9120, 9220, 9320 Примечание:60 AMP
1 - Вспом. электр. разъем 57M8752 Поддерживаемые модели9120, 9220, 9320 Примечание:(USE WITH 57M8801)
2 - Винт 37M7089 Количество:4 Поддерживаемые модели9120, 9220, 9320 Примечание:M6 X 12
3 - Опора RE49726 Количество:4 Поддерживаемые модели9120, 9220, 9320
4 - Вспом. электр. разъем RE43737 Количество:4 Поддерживаемые модели9120, 9220, 9320
5 - Вспом. электр. разъем RE49724 Количество:9 Поддерживаемые модели9120, 9220, 9320
6 - Диод RE262484 Количество:2 Поддерживаемые модели9120, 9220, 9320 Примечание:(SUB FOR RE153894)
7 - Реле RE68327 Количество:32 Поддерживаемые модели9120, 9220, 9320 Примечание:40 AMP
7 - Реле 811828300 Поддерживаемые модели9120, 9220, 9320
7 - Вспом. электр. разъем 57M8754 Поддерживаемые модели9120, 9220, 9320 Примечание:(USE WITH 811828300)
7 - Реле 811828800 Поддерживаемые модели9120, 9220, 9320 Примечание:GREENSTAR RELAY
8 - Метка R191680 Поддерживаемые модели9120, 9220, 9320 Tractor Serial No.______-009999 Примечание:(SUB R204386)
8 - Метка R260855 Поддерживаемые модели9120, 9220, 9320 Tractor Serial No.010000-______ Примечание:(SUB FOR R204386 OR R248826)
8 - Метка R204387 Поддерживаемые модели9120, 9220, 9320 Tractor Serial No.010000-______ Примечание:(EUROPEAN VERSION) (SUB R260855)
9 - Жгут проводов кабины RE166605 Поддерживаемые модели9120, 9220, 9320 Tractor Serial No.______-009999 Примечание:(PST)
9 - Жгут проводов кабины RE204368 Поддерживаемые модели9120, 9220, 9320 Tractor Serial No.010000-011231 Примечание:(PST)
9 - Жгут проводов RE235902 Поддерживаемые модели9120, 9220, 9320 Tractor Serial No.011232-______ Примечание:(SUB FOR RE215471, RE218725 OR RE228545)(PST)
9 - Жгут проводов кабины RE182645 Поддерживаемые модели9120, 9220, 9320 Tractor Serial No.______-009999 Примечание:(MST)
9 - Жгут проводов кабины RE204367 Поддерживаемые модели9120, 9220, 9320 Tractor Serial No.010000-011282 Примечание:(MST)
9 - Жгут проводов RE235901 Поддерживаемые модели9120, 9220, 9320 Tractor Serial No.011283-______ Примечание:(SUB FOR RE215470, RE228544 OR RE218724)(MST)
9 - Жгут проводов кабины RE182981 Поддерживаемые модели9120, 9220, 9320 Tractor Serial No.______-009999 Примечание:(ЕВРОПЕЙСКОЕ ИСПОЛНЕНИЕ)
9 - Жгут проводов кабины RE204369 Поддерживаемые модели9120, 9220, 9320 Tractor Serial No.010000-011231 Примечание:(ЕВРОПЕЙСКОЕ ИСПОЛНЕНИЕ)
9 - Жгут проводов RE235903 Поддерживаемые модели9120, 9220, 9320 Tractor Serial No.011232-______ Примечание:(EUROPEAN VERSION) (SUB FOR RE215472, RE218726 OR RE228546)
Наверх
Нагрузочный центр - ST783505
![Джон Дир 9120 Нагрузочный центр Нагрузочный центр]()
1 - Плавкий предохранитель 57M7121 Количество:20 Поддерживаемые модели9420, 9520, 9620 Примечание:10 АПосмотреть аналогичные детали
1 - Плавкий предохранитель 57M7120 Количество: 10 Поддерживаемые модели9420, 9520, 9620 Примечание:20 А
1 - Плавкий предохранитель 57M7146 Количество: 10 Поддерживаемые модели9420, 9520, 9620 Примечание:30 А
1 - Плавкий предохранитель 57M7237 Поддерживаемые модели9420, 9520, 9620 Примечание:40 AMP
1 - Плавкий предохранитель 57M8801 Поддерживаемые модели9420, 9520, 9620 Примечание:60 AMP
1 - Вспом. электр. разъем 57M8752 Поддерживаемые модели9420, 9520, 9620 Примечание:(USE WITH 57M8801)
2 - Винт 37M7089 Количество:4 Поддерживаемые модели9420, 9520, 9620 Примечание:M6 X 12
3 - Опора RE49726 Количество:4 Поддерживаемые модели9420, 9520, 9620
4 - Вспом. электр. разъем RE43737 Количество:4 Поддерживаемые модели9420, 9520, 9620
5 - Вспом. электр. разъем RE49724 Количество:9 Поддерживаемые модели9420, 9520, 9620
6 - Диод RE262484 Количество:2 Поддерживаемые модели9420, 9520, 9620 Примечание:(SUB FOR RE153894)
7 - Реле RE68327 Количество:32 Поддерживаемые модели9420, 9520, 9620 Примечание:40 AMP
7 - Реле 811828300 Поддерживаемые модели9420, 9520, 9620
7 - Вспом. электр. разъем 57M8754 Поддерживаемые модели9420, 9520, 9620 Примечание:(USE WITH 811828300)
7 - Реле 811828800 Поддерживаемые модели9420, 9520, 9620 Примечание:GREENSTAR RELAY
8 - Метка R191680 Поддерживаемые модели9420, 9520, 9620 Tractor Serial No.______-009999 Примечание:(SUB R204386)
8 - Метка R260855 Поддерживаемые модели9420, 9520, 9620 Tractor Serial No.010000-______ Примечание:(SUB FOR R204386 OR R248826)
8 - Метка R204387 Поддерживаемые модели9420, 9520, 9620 Tractor Serial No.010000-______ Примечание:(EUROPEAN VERSION) (SUB R260855)
9 - Жгут проводов кабины RE166605 Поддерживаемые модели9420, 9520, 9620 Tractor Serial No.______-009999 Примечание:(PST)
9 - Жгут проводов кабины RE204368 Поддерживаемые модели9420, 9520, 9620 Tractor Serial No.010000-011231 Примечание:(PST)
9 - Жгут проводов RE235902 Поддерживаемые модели9420, 9520, 9620 Tractor Serial No.011232-______ Примечание:(SUB FOR RE215471, RE218725 OR RE228545)(PST)
9 - Жгут проводов кабины RE182645 Поддерживаемые модели9420, 9520, 9620 Tractor Serial No.______-009999 Примечание:(MST)
9 - Жгут проводов кабины RE204367 Поддерживаемые модели9420, 9520, 9620 Tractor Serial No.010000-011282 Примечание:(MST)
9 - Жгут проводов RE235901 Поддерживаемые модели9420, 9520, 9620 Tractor Serial No.011283-______ Примечание:(SUB FOR RE215470, RE228544 OR RE218724)(MST)
9 - Жгут проводов кабины RE182981 Поддерживаемые модели9420, 9520, 9620 Tractor Serial No.______-009999 Примечание:(ЕВРОПЕЙСКОЕ ИСПОЛНЕНИЕ)
9 - Жгут проводов кабины RE204369 Поддерживаемые модели9420, 9520, 9620 Tractor Serial No.010000-011231 Примечание:(ЕВРОПЕЙСКОЕ ИСПОЛНЕНИЕ)
9 - Жгут проводов RE235903 Поддерживаемые модели9420, 9520, 9620 Tractor Serial No.011232-______ Примечание:(EUROPEAN VERSION) (SUB FOR RE215472, RE218726 OR RE228546)
Наверх
КАБЕЛЬ СОЕДИНЕНИЯ НА МАССУ КАБИНЫ И ШАССИ - ST778478
![Джон Дир 9120 КАБЕЛЬ СОЕДИНЕНИЯ НА МАССУ КАБИНЫ И ШАССИ КАБЕЛЬ СОЕДИНЕНИЯ НА МАССУ КАБИНЫ И ШАССИ]()
1 - Кабель аккумулятора RE60634 Поддерживаемые модели9120, 9220, 9320 Примечание:(-)
2 - Винт с головкой 19M7167 Поддерживаемые модели9120, 9220, 9320 Примечание:M10 X 25
3 - Шайба 24M7028 Поддерживаемые модели9120, 9220, 9320 Примечание:10.500 X 20 X 2 mm
Наверх
КАБЕЛЬ СОЕДИНЕНИЯ НА МАССУ КАБИНЫ И ШАССИ - ST778479
![Джон Дир 9120 КАБЕЛЬ СОЕДИНЕНИЯ НА МАССУ КАБИНЫ И ШАССИ КАБЕЛЬ СОЕДИНЕНИЯ НА МАССУ КАБИНЫ И ШАССИ]()
1 - Кабель аккумулятора RE60634 Поддерживаемые модели9420, 9520, 9620 Примечание:(-)
2 - Винт с головкой 19M7167 Поддерживаемые модели9420, 9520, 9620 Примечание:M10 X 25
3 - Шайба 24M7028 Поддерживаемые модели9420, 9520, 9620 Примечание:10.500 X 20 X 2 mm
Наверх
Electrical Junction Block - ST393092 ( Электрические Соединения Блока )
![Джон Дир 9120 Electrical Junction Block Electrical Junction Block]()
1 - Винт с головкой 21H1463 Поддерживаемые модели9120, 9220, 9320 Примечание:0.190" X 7/8"
2 - Стопорная шайба 12H297 Поддерживаемые модели9120, 9220, 9320 Примечание:1/4 дюйма
3 - Гайка 14H786 Поддерживаемые модели9120, 9220, 9320 Tractor Serial No.______-009999 Примечание:1/4 дюйма
3 - Гайка 14M7194 Поддерживаемые модели9120, 9220, 9320 Tractor Serial No.010000-______ Примечание:M6
4 - Шайба 12M7060 Поддерживаемые модели9120, 9220, 9320 Примечание:5.300 mm
5 - Гайка 14H778 Поддерживаемые модели9120, 9220, 9320 Tractor Serial No.______-009999 Примечание:0.190"
5 - Гайка 14M7297 Количество:2 Поддерживаемые модели9120, 9220, 9320 Tractor Serial No.010000-______ Примечание:M5
6 - Контактный блок RE186986 Поддерживаемые модели9120, 9220, 9320 Примечание:(Field Office) SUB FOR R111931
7 - Стопорная шайба 12H297 Поддерживаемые модели9120, 9220, 9320 Примечание:1/4 дюйма
8 - Гайка 14H786 Поддерживаемые модели9120, 9220, 9320 Tractor Serial No.______-009999 Примечание:1/4 дюйма
8 - Гайка 14M7194 Поддерживаемые модели9120, 9220, 9320 Tractor Serial No.010000-______ Примечание:M6
9 - Гайка 14H778 Поддерживаемые модели9120, 9220, 9320 Tractor Serial No.______-009999 Примечание:0.190"
9 - Гайка 14M7297 Количество:2 Поддерживаемые модели9120, 9220, 9320 Tractor Serial No.010000-______ Примечание:M5
10 - Шайба 12M7060 Поддерживаемые модели9120, 9220, 9320 Примечание:5.300 mm
11 - Винт с головкой 21H1463 Количество:2 Поддерживаемые модели9120, 9220, 9320 Примечание:0.190" X 7/8"
12 - Контактный блок RE186986 Поддерживаемые модели9120, 9220, 9320 Примечание:(Console) SUB FOR R111931
13 - Контактный блок RE48875 Поддерживаемые модели9120, 9220, 9320 Примечание:(Пульт управления)
14 - Винт с головкой 19M7372 Количество:2 Поддерживаемые модели9120, 9220, 9320 Примечание:M5 X 16
15 - Гайка 14M7100 Поддерживаемые модели9120, 9220, 9320 Примечание:M4
16 - Шайба 24M7146 Поддерживаемые модели9120, 9220, 9320 Примечание:4.300 X 12 X 1 mm
17 - Кронштейн RE49737 Поддерживаемые модели9120, 9220, 9320 Примечание:(Chassis)
18 - Проволочный вывод RE49736 Поддерживаемые модели9120, 9220, 9320 Примечание:Положительный
19 - Гайка 14M7273 Количество:2 Поддерживаемые модели9120, 9220, 9320 Примечание:M8
20 - Контактный блок RE48867 Поддерживаемые модели9120, 9220, 9320
21 - Стопорная гайка 14M7400 Количество:2 Поддерживаемые модели9120, 9220, 9320 Примечание:M10
22 - Болт 03M7191 Количество:2 Поддерживаемые модели9120, 9220, 9320 Примечание:M10 X 25
Наверх
Electrical Junction Block - ST783506 ( Электрические Соединения Блока )
![Джон Дир 9120 Electrical Junction Block Electrical Junction Block]()
1 - Винт с головкой 21H1463 Поддерживаемые модели9420, 9520, 9620 Примечание:0.190" X 7/8"
2 - Стопорная шайба 12H297 Поддерживаемые модели9420, 9520, 9620 Примечание:1/4 дюйма
3 - Гайка 14H786 Поддерживаемые модели9420, 9520, 9620 Tractor Serial No.______-009999 Примечание:1/4 дюйма
3 - Гайка 14M7194 Поддерживаемые модели9420, 9520, 9620 Tractor Serial No.010000-______ Примечание:M6
4 - Шайба 12M7060 Поддерживаемые модели9420, 9520, 9620 Примечание:5.300 mm
5 - Гайка 14H778 Поддерживаемые модели9420, 9520, 9620 Tractor Serial No.______-009999 Примечание:0.190"
5 - Гайка 14M7297 Количество:2 Поддерживаемые модели9420, 9520, 9620 Tractor Serial No.010000-______ Примечание:M5
6 - Контактный блок RE186986 Поддерживаемые модели9420, 9520, 9620 Примечание:(Field Office) SUB FOR R111931
7 - Стопорная шайба 12H297 Поддерживаемые модели9420, 9520, 9620 Примечание:1/4 дюйма
8 - Гайка 14H786 Поддерживаемые модели9420, 9520, 9620 Tractor Serial No.______-009999 Примечание:1/4 дюйма
8 - Гайка 14M7194 Поддерживаемые модели9420, 9520, 9620 Tractor Serial No.010000-______ Примечание:M6
9 - Гайка 14H778 Поддерживаемые модели9420, 9520, 9620 Tractor Serial No.______-009999 Примечание:0.190"
9 - Гайка 14M7297 Количество:2 Поддерживаемые модели9420, 9520, 9620 Tractor Serial No.010000-______ Примечание:M5
10 - Шайба 12M7060 Поддерживаемые модели9420, 9520, 9620 Примечание:5.300 mm
11 - Винт с головкой 21H1463 Количество:2 Поддерживаемые модели9420, 9520, 9620 Примечание:0.190" X 7/8"
12 - Контактный блок RE186986 Поддерживаемые модели9420, 9520, 9620 Примечание:(Console) SUB FOR R111931
13 - Контактный блок RE48875 Поддерживаемые модели9420, 9520, 9620 Примечание:(Пульт управления)
14 - Винт с головкой 19M7372 Количество:2 Поддерживаемые модели9420, 9520, 9620 Примечание:M5 X 16
15 - Гайка 14M7100 Поддерживаемые модели9420, 9520, 9620 Примечание:M4
16 - Шайба 24M7146 Поддерживаемые модели9420, 9520, 9620 Примечание:4.300 X 12 X 1 mm
17 - Кронштейн RE49737 Поддерживаемые модели9420, 9520, 9620 Примечание:(Chassis)
18 - Проволочный вывод RE49736 Поддерживаемые модели9420, 9520, 9620 Примечание:Положительный
19 - Гайка 14M7273 Количество:2 Поддерживаемые модели9420, 9520, 9620 Примечание:M8
20 - Контактный блок RE48867 Поддерживаемые модели9420, 9520, 9620
21 - Стопорная гайка 14M7400 Количество:2 Поддерживаемые модели9420, 9520, 9620 Примечание:M10
22 - Болт 03M7191 Количество:2 Поддерживаемые модели9420, 9520, 9620 Примечание:M10 X 25
Наверх
РЕЛЕ ПУСКОВОЙ ЦЕПИ - ST778492
![Джон Дир 9120 РЕЛЕ ПУСКОВОЙ ЦЕПИ РЕЛЕ ПУСКОВОЙ ЦЕПИ]()
1 - Гайка 14H631 Количество:2 Поддерживаемые модели9120, 9220, 9320 Примечание:0.190"
2 - Стопорная шайба 12M7060 Количество:2 Поддерживаемые модели9120, 9220, 9320
3 - Фланцевая гайка 14M7303 Количество:2 Поддерживаемые модели9120, 9220, 9320 Примечание:M6
4 - Реле стартера RE164448 Поддерживаемые модели9120, 9220, 9320 Посмотреть аналогичные детали
5 - Стопорная шайба 12M7032 Количество:2 Поддерживаемые модели9120, 9220, 9320 Примечание:8.400 mm
6 - Гайка 14H785 Количество:2 Поддерживаемые модели9120, 9220, 9320 Примечание:5/16"
7 - Фланцевая гайка 14M7303 Количество:2 Поддерживаемые модели9120, 9220, 9320 Примечание:M6
8 - Крышка R264946 Поддерживаемые модели9120, 9220, 9320 Примечание:(SUB FOR R113164)
.. - Реле стартера RE170320 Поддерживаемые модели9120, 9220, 9320
Наверх
РЕЛЕ ПУСКОВОЙ ЦЕПИ - ST778494
![Джон Дир 9120 РЕЛЕ ПУСКОВОЙ ЦЕПИ РЕЛЕ ПУСКОВОЙ ЦЕПИ]()
1 - Гайка 14H631 Количество:2 Поддерживаемые модели9420, 9520, 9620 Примечание:0.190"
2 - Стопорная шайба 12M7060 Количество:2 Поддерживаемые модели9420, 9520, 9620
3 - Фланцевая гайка 14M7303 Количество:2 Поддерживаемые модели9420, 9520, 9620 Примечание:M6
4 - Реле стартера RE164448 Поддерживаемые модели9420, 9520, 9620 Посмотреть аналогичные детали
5 - Стопорная шайба 12M7032 Количество:2 Поддерживаемые модели9420, 9520, 9620 Примечание:8.400 mm
6 - Гайка 14H785 Количество:2 Поддерживаемые модели9420, 9520, 9620 Примечание:5/16"
7 - Фланцевая гайка 14M7303 Количество:2 Поддерживаемые модели9420, 9520, 9620 Примечание:M6
8 - Крышка R264946 Поддерживаемые модели9420, 9520, 9620 Примечание:(SUB FOR R113164)
.. - Реле стартера RE170320 Поддерживаемые модели9420, 9520, 9620
Наверх
ГНЕЗДО 7-КОНТАКТНОЙ РОЗЕТКИ ЭЛЕКТРОПИТАНИЯ - ST393094
![Джон Дир 9120 ГНЕЗДО 7-КОНТАКТНОЙ РОЗЕТКИ ЭЛЕКТРОПИТАНИЯ ГНЕЗДО 7-КОНТАКТНОЙ РОЗЕТКИ ЭЛЕКТРОПИТАНИЯ]()
1 - Винт 19M7862 Количество:2 Поддерживаемые модели9120, 9220, 9320 Tractor Serial No.______-011468 Примечание:M6 X 20
1 - Винт 19M7868 Количество:2 Поддерживаемые модели9120, 9220, 9320 Tractor Serial No.011469-______ Примечание:M8 X 30
2 - Заглушка AH93625 Поддерживаемые модели9120, 9220, 9320
3 - Выходное гнездо AR75695 Поддерживаемые модели9120, 9220, 9320
4A - Кронштейн R212924 Поддерживаемые модели9120, 9220, 9320 Tractor Serial No.______-011468 Примечание:SUB FOR R182433, SUB R290172
4B - Кронштейн R311819 Поддерживаемые модели9120, 9220, 9320 Tractor Serial No.011469-______ Примечание:SUB FOR R219416
5 - Стопорная шайба 12H303 Количество:2 Поддерживаемые модели9120, 9220, 9320 Tractor Serial No.______-011468 Примечание:5/16"
5 - Шайба 24M7336 Количество:2 Поддерживаемые модели9120, 9220, 9320 Tractor Serial No.011469-______ Примечание:9 X 16 X 1.600 mm
6 - Гайка 14H785 Количество:2 Поддерживаемые модели9120, 9220, 9320 Tractor Serial No.______-011468 Примечание:5/16"
6 - Стопорная гайка 14M7426 Количество:2 Поддерживаемые модели9120, 9220, 9320 Tractor Serial No.011469-______ Примечание:M8
7 - Винт 19M8242 Поддерживаемые модели9120, 9220, 9320 Примечание:M12 X 16
8 - Кожух R61775 Поддерживаемые модели9120, 9220, 9320
9 - Жгут проводов RE166607 Поддерживаемые модели9120, 9220, 9320 Tractor Serial No.______-009999 Примечание:INCLUDES R61775, MST, FOCUS 9
9 - Жгут проводов шасси RE204371 Поддерживаемые модели9120, 9220, 9320 Tractor Serial No.010000-011282 Примечание:INCLUDES R61775, SUB RE218728, MST, FOCUS 6
9 - Жгут проводов шасси RE218728 Поддерживаемые модели9120, 9220, 9320 Tractor Serial No.011283-021559 Примечание:SUB FOR RE215321, MST, FOCUS 6
9 - Жгут проводов RE234439 Поддерживаемые модели9120, 9220, 9320 Tractor Serial No.021560-______ Примечание:ORDER RE257897, MST, FOCUS 6
9 - Жгут проводов RE257897 Поддерживаемые модели9120, 9220, 9320 Примечание:SUB FOR RE234439, MST, FOCUS 6
9 - Жгут проводов RE166608 Поддерживаемые модели9120, 9220, 9320 Tractor Serial No.______-009999 Примечание:INCLUDES R61775, PST, FOCUS 6
9 - Жгут проводов шасси RE204372 Поддерживаемые модели9120, 9220, 9320 Tractor Serial No.010000-011174 Примечание:SUB RE218729
9 - Жгут проводов шасси RE218729 Поддерживаемые модели9120, 9220, 9320 Tractor Serial No.011175-021535 Примечание:SUB FOR RE215322, MST
9 - Жгут проводов шасси RE226550 Поддерживаемые модели9120, 9220, 9320 Tractor Serial No.021536-050051 Примечание:SUB RE234440, MST
9 - Жгут проводов RE257898 Поддерживаемые модели9120, 9220, 9320 Tractor Serial No.050052-______ Примечание:SUB FOR RE234440, MST
9 - Жгут проводов RE166609 Поддерживаемые модели9120, 9220, 9320 Tractor Serial No.______-009999
9 - Жгут проводов шасси RE204374 Поддерживаемые модели9120, 9220, 9320 Tractor Serial No.010000-______ Примечание:SUB RE218731
9 - Жгут проводов шасси RE218731 Поддерживаемые модели9120, 9220, 9320 Tractor Serial No.______-021542 Примечание:SUB FOR RE215326, PST
9 - Жгут проводов шасси RE226552 Поддерживаемые модели9120, 9220, 9320 Tractor Serial No.021543-030242 Примечание:SUB RE234442, PST
9 - Жгут проводов RE257900 Поддерживаемые модели9120, 9220, 9320 Tractor Serial No.030243-______ Примечание:SUB FOR RE234442, PST
Наверх
ГНЕЗДО 7-КОНТАКТНОЙ РОЗЕТКИ ЭЛЕКТРОПИТАНИЯ - ST783508
![Джон Дир 9120 ГНЕЗДО 7-КОНТАКТНОЙ РОЗЕТКИ ЭЛЕКТРОПИТАНИЯ ГНЕЗДО 7-КОНТАКТНОЙ РОЗЕТКИ ЭЛЕКТРОПИТАНИЯ]()
1 - Винт 19M7862 Количество:2 Поддерживаемые модели9420, 9520, 9620 Tractor Serial No.______-011468 Примечание:M6 X 20
1 - Винт 19M7868 Количество:2 Поддерживаемые модели9420, 9520, 9620 Tractor Serial No.011469-______ Примечание:M8 X 30
2 - Заглушка AH93625 Поддерживаемые модели9420, 9520, 9620
3 - Выходное гнездо AR75695 Поддерживаемые модели9420, 9520, 9620
4A - Кронштейн R212924 Поддерживаемые модели9420, 9520, 9620 Tractor Serial No.______-011468 Примечание:SUB FOR R182433; SUB R290172
4B - Кронштейн R311819 Поддерживаемые модели9420, 9520, 9620 Tractor Serial No.011469-______ Примечание:SUB FOR R219416
5 - Стопорная шайба 12H303 Количество:2 Поддерживаемые модели9420, 9520, 9620 Tractor Serial No.______-011468 Примечание:5/16"
5 - Шайба 24M7336 Количество:2 Поддерживаемые модели9420, 9520, 9620 Tractor Serial No.011469-______ Примечание:9 X 16 X 1.600 mm
6 - Гайка 14H785 Количество:2 Поддерживаемые модели9420, 9520, 9620 Tractor Serial No.______-011468 Примечание:5/16"
6 - Стопорная гайка 14M7426 Количество:2 Поддерживаемые модели9420, 9520, 9620 Tractor Serial No.011469-______ Примечание:M8
7 - Винт 19M8242 Поддерживаемые модели9420, 9520, 9620 Примечание:M12 X 16
8 - Кожух R61775 Поддерживаемые модели9420, 9520, 9620
9 - Жгут проводов RE166607 Поддерживаемые модели9420, 9520, 9620 Tractor Serial No.______-009999 Примечание:INCLUDES R61775, MST, FOCUS 9, (9120)
9 - Жгут проводов шасси RE204371 Поддерживаемые модели9420, 9520, 9620 Tractor Serial No.010000-011282 Примечание:INCLUDES R61775, SUB RE218728, MST, FOCUS 6 (9220, 9320 AND 9420)
9 - Жгут проводов шасси RE218728 Поддерживаемые модели9420, 9520, 9620 Tractor Serial No.011283-021559 Примечание:SUB FOR RE215321, MST, FOCUS 6 (9220, 9320 AND 9420)
9 - Жгут проводов RE234439 Поддерживаемые модели9420, 9520, 9620 Tractor Serial No.021560-______ Примечание:ORDER RE257897, MST, FOCUS 6
9 - Жгут проводов RE257897 Поддерживаемые модели9420, 9520, 9620 Примечание:MST, FOCUS 6
9 - Жгут проводов RE166608 Поддерживаемые модели9420, 9520, 9620 Tractor Serial No.______-009999 Примечание:INCLUDES R61775, PST, FOCUS 6 (9320, 9420 AND 9520)
9 - Жгут проводов шасси RE204372 Поддерживаемые модели9420, 9520, 9620 Tractor Serial No.010000-011174 Примечание:SUB RE218729
9 - Жгут проводов шасси RE218729 Поддерживаемые модели9420, 9520, 9620 Tractor Serial No.011175-021535 Примечание:SUB FOR RE215322, MST
9 - Жгут проводов шасси RE226550 Поддерживаемые модели9420, 9520, 9620 Tractor Serial No.021536-050051 Примечание:SUB RE234440, MST
9 - Жгут проводов RE257898 Поддерживаемые модели9420, 9520, 9620 Tractor Serial No.050052-______ Примечание:SUB FOR RE234440, MST
9 - Жгут проводов RE166609 Поддерживаемые модели9420, 9520, 9620 Tractor Serial No.______-009999
9 - Жгут проводов шасси RE204374 Поддерживаемые модели9420, 9520, 9620 Tractor Serial No.010000-______ Примечание:SUB RE218731
9 - Жгут проводов шасси RE218731 Поддерживаемые модели9420, 9520, 9620 Tractor Serial No.______-021542 Примечание:SUB FOR RE215326, PST
9 - Жгут проводов шасси RE226552 Поддерживаемые модели9420, 9520, 9620 Tractor Serial No.021543-030242 Примечание:SUB RE234442, PST
9 - Жгут проводов RE257900 Поддерживаемые модели9420, 9520, 9620 Tractor Serial No.030243-______ Примечание:SUB FOR RE234442, PST
Наверх
Навесное оборудование, разъем ЭГ регулятора заглубления, регулятор заглубления TouchSet™ - ST775757
![Джон Дир 9120 Навесное оборудование, разъем ЭГ регулятора заглубления, регулятор заглубления TouchSet™ Навесное оборудование, разъем ЭГ регулятора заглубления, регулятор заглубления TouchSet™]()
1 - Узел электрич. разъема RE67685
Наверх
ЖГУТ ПРОВОДОВ РЕГУЛЯТОРА ЗАГЛУБЛЕНИЯ TOUCH SET - ST778506
![Джон Дир 9120 ЖГУТ ПРОВОДОВ РЕГУЛЯТОРА ЗАГЛУБЛЕНИЯ TOUCH SET ЖГУТ ПРОВОДОВ РЕГУЛЯТОРА ЗАГЛУБЛЕНИЯ TOUCH SET]()
1 - Муфта 57M7265 Поддерживаемые модели9120, 9220, 9320 Примечание:(ALSO ORDER (10) R104846 AND (10) R78063)
1 - Клемма электр. разъема R104846 Количество: 10 Поддерживаемые модели9120, 9220, 9320
1 - Уплотнен. электр. разъема R78063 Количество: 10 Поддерживаемые модели9120, 9220, 9320
2 - Жгут проводов RE67356 Поддерживаемые модели9120, 9220, 9320
3 - Гайка 14H1000 Количество:4 Поддерживаемые модели9120, 9220, 9320 Примечание:0.112"
4 - Стопорная шайба 12H378 Количество:4 Поддерживаемые модели9120, 9220, 9320 Примечание:0.112"
5 - Винт 21H1176 Количество:4 Поддерживаемые модели9120, 9220, 9320 Примечание:0.112" X 1/2"
6 - Болт 03M7185 Количество:2 Поддерживаемые модели9120, 9220, 9320 Примечание:M8 X 25
7 - Комп. д/установки в поле RE67685 Поддерживаемые модели9120, 9220, 9320
8 - Колпачок 57M7923 Поддерживаемые модели9120, 9220, 9320
9 - Подпорка R132311 Поддерживаемые модели9120, 9220, 9320
9 - Кронштейн R192977 Поддерживаемые модели9120, 9220, 9320 Примечание:(GREENSTAR)
10 - Гайка 14M7273 Количество:2 Поддерживаемые модели9120, 9220, 9320 Примечание:M8
10 - Шайба 24M7036 Поддерживаемые модели9120, 9220, 9320 Примечание:9 X 16 X 1.600 mm
10 - Обвязной хомут R105388 Количество: 10 Поддерживаемые модели9120, 9220, 9320
Наверх
ЖГУТ ПРОВОДОВ РЕГУЛЯТОРА ЗАГЛУБЛЕНИЯ TOUCH SET - ST778507
![Джон Дир 9120 ЖГУТ ПРОВОДОВ РЕГУЛЯТОРА ЗАГЛУБЛЕНИЯ TOUCH SET ЖГУТ ПРОВОДОВ РЕГУЛЯТОРА ЗАГЛУБЛЕНИЯ TOUCH SET]()
1 - Муфта 57M7265 Поддерживаемые модели9420, 9520, 9620 Примечание:(ALSO ORDER (10) R104846 AND (10) R78063)
1 - Клемма электр. разъема R104846 Количество: 10 Поддерживаемые модели9420, 9520, 9620
1 - Уплотнен. электр. разъема R78063 Количество: 10 Поддерживаемые модели9420, 9520, 9620
2 - Жгут проводов RE67356 Поддерживаемые модели9420, 9520, 9620
3 - Гайка 14H1000 Количество:4 Поддерживаемые модели9420, 9520, 9620 Примечание:0.112"
4 - Стопорная шайба 12H378 Количество:4 Поддерживаемые модели9420, 9520, 9620 Примечание:0.112"
5 - Винт 21H1176 Количество:4 Поддерживаемые модели9420, 9520, 9620 Примечание:0.112" X 1/2"
6 - Болт 03M7185 Количество:2 Поддерживаемые модели9420, 9520, 9620 Примечание:M8 X 25
7 - Комп. д/установки в поле RE67685 Поддерживаемые модели9420, 9520, 9620
8 - Колпачок 57M7923 Поддерживаемые модели9420, 9520, 9620
9 - Подпорка R132311 Поддерживаемые модели9420, 9520, 9620
9 - Кронштейн R192977 Поддерживаемые модели9420, 9520, 9620 Примечание:(GREENSTAR)
10 - Гайка 14M7273 Количество:2 Поддерживаемые модели9420, 9520, 9620 Примечание:M8
10 - Шайба 24M7036 Поддерживаемые модели9420, 9520, 9620 Примечание:9 X 16 X 1.600 mm
10 - Обвязной хомут R105388 Количество: 10 Поддерживаемые модели9420, 9520, 9620
Наверх
Auxiliary Power Strip - ST393096 ( Вспомогательной Силовой Прокладка - )
![Джон Дир 9120 Auxiliary Power Strip Auxiliary Power Strip]()
1 - Узел электрич. разъема RE67013 Поддерживаемые модели9120, 9220, 9320
2 - Фитинг переходника RE67015 Поддерживаемые модели9120, 9220, 9320 Примечание:(СЕВЕРОАМЕРИКАНСКОЕ ИСПОЛНЕНИЕ)
2 - Фитинг переходника RE67016 Поддерживаемые модели9120, 9220, 9320 Примечание:(ЕВРОПЕЙСКОЕ ИСПОЛНЕНИЕ)
3 - Фитинг переходника RE67014 Поддерживаемые модели9120, 9220, 9320
4 - Винт 37M7090 Количество:2 Поддерживаемые модели9120, 9220, 9320 Примечание:M6 X 16
5 - Колпачок RE67019 Количество:6 Поддерживаемые модели9120, 9220, 9320
6 - Полоса RE68495 Поддерживаемые модели9120, 9220, 9320
7 - Подпорка R128879 Поддерживаемые модели9120, 9220, 9320
8 - Винт 37M7089 Количество:3 Поддерживаемые модели9120, 9220, 9320 Примечание:M6 X 12
9 - Контактный блок RE186986 Поддерживаемые модели9120, 9220, 9320 Примечание:(SUB FOR R111931)
Наверх
Auxiliary Power Strip - ST783517 ( Вспомогательной Силовой Прокладка - )
![Джон Дир 9120 Auxiliary Power Strip Auxiliary Power Strip]()
1 - Узел электрич. разъема RE67013 Поддерживаемые модели9420, 9520, 9620
2 - Фитинг переходника RE67015 Поддерживаемые модели9420, 9520, 9620 Примечание:(СЕВЕРОАМЕРИКАНСКОЕ ИСПОЛНЕНИЕ)
2 - Фитинг переходника RE67016 Поддерживаемые модели9420, 9520, 9620 Примечание:(ЕВРОПЕЙСКОЕ ИСПОЛНЕНИЕ)
3 - Фитинг переходника RE67014 Поддерживаемые модели9420, 9520, 9620
4 - Винт 37M7090 Количество:2 Поддерживаемые модели9420, 9520, 9620 Примечание:M6 X 16
5 - Колпачок RE67019 Количество:6 Поддерживаемые модели9420, 9520, 9620
6 - Полоса RE68495 Поддерживаемые модели9420, 9520, 9620
7 - Подпорка R128879 Поддерживаемые модели9420, 9520, 9620
8 - Винт 37M7089 Количество:3 Поддерживаемые модели9420, 9520, 9620 Примечание:M6 X 12
9 - Контактный блок RE186986 Поддерживаемые модели9420, 9520, 9620 Примечание:(SUB FOR R111931)
Наверх
ЭЛЕМЕНТЫ УПРАВЛЕНИЯ НА ПАНЕЛИ И ПЕРЕКЛЮЧАТЕЛИ - ST393097
![Джон Дир 9120 ЭЛЕМЕНТЫ УПРАВЛЕНИЯ НА ПАНЕЛИ И ПЕРЕКЛЮЧАТЕЛИ ЭЛЕМЕНТЫ УПРАВЛЕНИЯ НА ПАНЕЛИ И ПЕРЕКЛЮЧАТЕЛИ]()
1 - Заглушка M115279 Количество:2 Поддерживаемые модели9120, 9220, 9320
2 - Тумблер/кулисный переключ. RE55476 Поддерживаемые модели9120, 9220, 9320 Примечание:Задний
3 - Муфта 57M7255 Поддерживаемые модели9120, 9220, 9320 Примечание:(ALSO ORDER (3) R104846 AND (3) 57M7258)
4 - Тумблер/кулисный переключ. RE55036 Поддерживаемые модели9120, 9220, 9320
4 - Выключатель освещения RE183929 Поддерживаемые модели9120, 9220, 9320 Примечание:(ЕВРОПЕЙСКОЕ ИСПОЛНЕНИЕ)
5 - Ручка AL76568 Количество:2 Поддерживаемые модели9120, 9220, 9320
5 - Ручка RE173024 Поддерживаемые модели9120, 9220, 9320 Примечание:(AUTOMATIC TEMPERATURE CONTROL)
6 - Стопорная гайка R44165 Количество:3 Поддерживаемые модели9120, 9220, 9320
7 - Выключатель освещения RE154222 Поддерживаемые модели9120, 9220, 9320
7 - Выключатель освещения RE152475 Поддерживаемые модели9120, 9220, 9320 Примечание:(AUTOMATIC TEMPERATURE CONTROL)
8 - Переключатель RE46634 Поддерживаемые модели9120, 9220, 9320 Примечание:Передн.
9 - Переключатель вентилятора RE43497 Поддерживаемые модели9120, 9220, 9320
9 - Переключатель вентилятора RE174749 Поддерживаемые модели9120, 9220, 9320 Tractor Serial No.______-009999 Примечание:(AUTOMATIC TEMPERATURE CONTROL) (ALSO ORDER H111706)
10 - Ручка AL76568 Поддерживаемые модели9120, 9220, 9320
10 - Ручка RE173024 Поддерживаемые модели9120, 9220, 9320 Tractor Serial No.______-009999 Примечание:(AUTOMATIC TEMPERATURE CONTROL)
11 - Пульт управления RE46742 Поддерживаемые модели9120, 9220, 9320
11 - Толкающе-буксир. кабель RE58614 Поддерживаемые модели9120, 9220, 9320
11 - Потенциометр RE174749 Поддерживаемые модели9120, 9220, 9320 Tractor Serial No.______-009999 Примечание:(AUTOMATIC TEMPERATURE CONTROL) (ALSO ORDER H111706)
12 - Тумблер/кулисный переключ. RE165815 Поддерживаемые модели9120, 9220, 9320
12 - Тумблер/кулисный переключ. RE169299 Поддерживаемые модели9120, 9220, 9320 Tractor Serial No.______-009999 Примечание:(AUTOMATIC TEMPERATURE CONTROL)
13 - Ручка RE152147 Поддерживаемые модели9120, 9220, 9320
14 - Гайка R121233 Поддерживаемые модели9120, 9220, 9320
15 - Шайба R121235 Поддерживаемые модели9120, 9220, 9320
16 - Переключатель RE62163 Поддерживаемые модели9120, 9220, 9320 Примечание:(FIELD CRUISE)
17 - Муфта 57M7247 Поддерживаемые модели9120, 9220, 9320 Примечание:(ALSO ORDER (4) R104846 AND (4) 57M7258)
18 - Гудок RE49727 Поддерживаемые модели9120, 9220, 9320
19 - Муфта 57M7254 Поддерживаемые модели9120, 9220, 9320 Примечание:(ALSO ORDER (2) R104846 AND (2) 57M7258)
20 - Метка R133632 Поддерживаемые модели9120, 9220, 9320
21 - Скоба R121810 Поддерживаемые модели9120, 9220, 9320
22 - Винт 37H215 Количество:2 Поддерживаемые модели9120, 9220, 9320
23 - Гайка R64822 Количество:2 Поддерживаемые модели9120, 9220, 9320
24 - Выходное гнездо RE163290 Поддерживаемые модели9120, 9220, 9320 Tractor Serial No.______-011282 Примечание:(SERVICE ADVISOR OUTLET) (ALSO ORDER R165983)
24 - Колпачок RE217864 Поддерживаемые модели9120, 9220, 9320 Tractor Serial No.011283-______ Примечание:(SERVICE ADVISOR OUTLET)
25 - Заклепка R108166 Количество:4 Поддерживаемые модели9120, 9220, 9320 Tractor Serial No.______-011282 Примечание:(SERVICE ADVISOR OUTLET)
26 - Электрозажигалка AR60937 Поддерживаемые модели9120, 9220, 9320
26 - Заглушка R131671 Поддерживаемые модели9120, 9220, 9320 Примечание:W/O AR60937
27 - Корпус AR56766 Поддерживаемые модели9120, 9220, 9320
28 - Метка R126009 Поддерживаемые модели9120, 9220, 9320
28 - Метка R175735 Поддерживаемые модели9120, 9220, 9320 Tractor Serial No.______-009999 Примечание:(AUTOMATIC TEMPERATURE CONTROL)
28 - Метка R201994 Поддерживаемые модели9120, 9220, 9320 Tractor Serial No.010000-______ Примечание:(AUTOMATIC TEMPERATURE CONTROL)
28 - Метка R186231 Поддерживаемые модели9120, 9220, 9320 Примечание:(ЕВРОПЕЙСКОЕ ИСПОЛНЕНИЕ)
28 - Метка R186230 Поддерживаемые модели9120, 9220, 9320 Tractor Serial No.______-009999 Примечание:(AUTOMATIC TEMPERATURE CONTROL) (EUROPEAN VERSION)
28 - Метка R211873 Поддерживаемые модели9120, 9220, 9320 Tractor Serial No.010000-______ Примечание:(AUTOMATIC TEMPERATURE CONTROL) (EUROPEAN VERSION)
29 - Лампа накаливания AH108380 Поддерживаемые модели9120, 9220, 9320 Примечание:(AUTOMATIC TEMPERATURE CONTROL)Посмотреть аналогичные детали
29 - Метка R211873 Поддерживаемые модели9120, 9220, 9320 Tractor Serial No.010000-______ Примечание:(AUTOMATIC TEMPERATURE CONTROL) (EUROPEAN VERSION)
30 - Шайба 24M7117 Количество:2 Поддерживаемые модели9120, 9220, 9320 Примечание:(AUTOMATIC TEMPERATURE CONTROL) 4.300 X 9 X 0.800 mm
31 - Жгут проводов RE591841 Поддерживаемые модели9120, 9220, 9320 Примечание:(AUTOMATIC TEMPERATURE CONTROL) SUB FOR RE152796
32 - Мигалка AL202032 Поддерживаемые модели9120, 9220, 9320 Примечание:(EUROPEAN VERSION) (SUB FOR AL32891)
33 - Винт 37M7089 Поддерживаемые модели9120, 9220, 9320 Примечание:(EUROPEAN VERSION) M6 X 12
34 - Пульт управления RE176357 Поддерживаемые модели9120, 9220, 9320 Tractor Serial No.010000-011384 Примечание:(AUTOMATIC TEMPERATURE CONTROL) (SUB RE219825)
34 - Пульт управления RE221356 Поддерживаемые модели9120, 9220, 9320 Tractor Serial No.011385-______ Примечание:(AUTOMATIC TEMPERATURE CONTROL) (SUB FOR RE214416 OR RE219825 ) (SUB RE264981)
35 - Ручка RE188579 Поддерживаемые модели9120, 9220, 9320 Tractor Serial No.010000-______ Примечание:(AUTOMATIC TEMPERATURE CONTROL)
36 - Жгут проводов RE51091 Поддерживаемые модели9120, 9220, 9320 Tractor Serial No.______-040039 Примечание:(USE WITH RE37651)
36 - Жгут проводов RE241869 Поддерживаемые модели9120, 9220, 9320 Tractor Serial No.040040-______ Примечание:(ЕВРОПЕЙСКОЕ ИСПОЛНЕНИЕ)
37 - Винт 37M7095 Количество:4 Поддерживаемые модели9120, 9220, 9320 Примечание:(SERVICE ADVISOR OUTLET) (EUROPEAN VERSION)
38 - Колпачок RE217864 Поддерживаемые модели9120, 9220, 9320
39 - Пластина L155075 Поддерживаемые модели9120, 9220, 9320 Примечание:(SERVICE ADVISOR OUTLET) (EUROPEAN VERSION)
40 - Клемма электр. разъема 57M10889 Количество:4 Поддерживаемые модели9120, 9220, 9320 Примечание:USE WITH RE591841
Наверх
ЭЛЕМЕНТЫ УПРАВЛЕНИЯ НА ПАНЕЛИ И ПЕРЕКЛЮЧАТЕЛИ - ST783524
![Джон Дир 9120 ЭЛЕМЕНТЫ УПРАВЛЕНИЯ НА ПАНЕЛИ И ПЕРЕКЛЮЧАТЕЛИ ЭЛЕМЕНТЫ УПРАВЛЕНИЯ НА ПАНЕЛИ И ПЕРЕКЛЮЧАТЕЛИ]()
1 - Заглушка M115279 Количество:2 Поддерживаемые модели9420, 9520, 9620
2 - Тумблер/кулисный переключ. RE55476 Поддерживаемые модели9420, 9520, 9620 Примечание:Задний
3 - Муфта 57M7255 Поддерживаемые модели9420, 9520, 9620 Примечание:(ALSO ORDER (3) R104846 AND (3) 57M7258)
4 - Тумблер/кулисный переключ. RE55036 Поддерживаемые модели9420, 9520, 9620
4 - Выключатель освещения RE183929 Поддерживаемые модели9420, 9520, 9620 Примечание:(ЕВРОПЕЙСКОЕ ИСПОЛНЕНИЕ)
5 - Ручка AL76568 Количество:2 Поддерживаемые модели9420, 9520, 9620
5 - Ручка RE173024 Поддерживаемые модели9420, 9520, 9620 Примечание:(AUTOMATIC TEMPERATURE CONTROL)
6 - Стопорная гайка R44165 Количество:3 Поддерживаемые модели9420, 9520, 9620
7 - Выключатель освещения RE154222 Поддерживаемые модели9420, 9520, 9620
7 - Выключатель освещения RE152475 Поддерживаемые модели9420, 9520, 9620 Примечание:(AUTOMATIC TEMPERATURE CONTROL)
8 - Переключатель RE46634 Поддерживаемые модели9420, 9520, 9620 Примечание:Передн.
9 - Переключатель вентилятора RE43497 Поддерживаемые модели9420, 9520, 9620
9 - Переключатель вентилятора RE174749 Поддерживаемые модели9420, 9520, 9620 Tractor Serial No.______-009999 Примечание:(AUTOMATIC TEMPERATURE CONTROL) (ALSO ORDER H111706)
10 - Ручка AL76568 Поддерживаемые модели9420, 9520, 9620
10 - Ручка RE173024 Поддерживаемые модели9420, 9520, 9620 Tractor Serial No.______-009999 Примечание:(AUTOMATIC TEMPERATURE CONTROL)
11 - Пульт управления RE46742 Поддерживаемые модели9420, 9520, 9620
11 - Толкающе-буксир. кабель RE58614 Поддерживаемые модели9420, 9520, 9620
11 - Потенциометр RE174749 Поддерживаемые модели9420, 9520, 9620 Tractor Serial No.______-009999 Примечание:(AUTOMATIC TEMPERATURE CONTROL) (ALSO ORDER H111706)
12 - Тумблер/кулисный переключ. RE165815 Поддерживаемые модели9420, 9520, 9620
12 - Тумблер/кулисный переключ. RE169299 Поддерживаемые модели9420, 9520, 9620 Tractor Serial No.______-009999 Примечание:(AUTOMATIC TEMPERATURE CONTROL)
13 - Ручка RE152147 Поддерживаемые модели9420, 9520, 9620
14 - Гайка R121233 Поддерживаемые модели9420, 9520, 9620
15 - Шайба R121235 Поддерживаемые модели9420, 9520, 9620
16 - Переключатель RE62163 Поддерживаемые модели9420, 9520, 9620 Примечание:(FIELD CRUISE)
17 - Муфта 57M7247 Поддерживаемые модели9420, 9520, 9620 Примечание:(ALSO ORDER (4) R104846 AND (4) 57M7258)
18 - Гудок RE49727 Поддерживаемые модели9420, 9520, 9620
19 - Муфта 57M7254 Поддерживаемые модели9420, 9520, 9620 Примечание:(ALSO ORDER (2) R104846 AND (2) 57M7258)
20 - Метка R133632 Поддерживаемые модели9420, 9520, 9620
21 - Скоба R121810 Поддерживаемые модели9420, 9520, 9620
22 - Винт 37H215 Количество:2 Поддерживаемые модели9420, 9520, 9620
23 - Гайка R64822 Количество:2 Поддерживаемые модели9420, 9520, 9620
24 - Выходное гнездо RE163290 Поддерживаемые модели9420, 9520, 9620 Tractor Serial No.______-011282 Примечание:(SERVICE ADVISOR OUTLET) (ALSO ORDER R165983)
24 - Колпачок RE217864 Поддерживаемые модели9420, 9520, 9620 Tractor Serial No.011283-______ Примечание:(SERVICE ADVISOR OUTLET)
25 - Заклепка R108166 Количество:4 Поддерживаемые модели9420, 9520, 9620 Tractor Serial No.______-011282 Примечание:(SERVICE ADVISOR OUTLET)
26 - Электрозажигалка AR60937 Поддерживаемые модели9420, 9520, 9620
26 - Заглушка R131671 Поддерживаемые модели9420, 9520, 9620 Примечание:W/O AR60937
27 - Корпус AR56766 Поддерживаемые модели9420, 9520, 9620
28 - Метка R126009 Поддерживаемые модели9420, 9520, 9620
28 - Метка R175735 Поддерживаемые модели9420, 9520, 9620 Tractor Serial No.______-009999 Примечание:(AUTOMATIC TEMPERATURE CONTROL)
28 - Метка R201994 Поддерживаемые модели9420, 9520, 9620 Tractor Serial No.010000-______ Примечание:(AUTOMATIC TEMPERATURE CONTROL)
28 - Метка R186231 Поддерживаемые модели9420, 9520, 9620 Примечание:(ЕВРОПЕЙСКОЕ ИСПОЛНЕНИЕ)
28 - Метка R186230 Поддерживаемые модели9420, 9520, 9620 Tractor Serial No.______-009999 Примечание:(AUTOMATIC TEMPERATURE CONTROL) (EUROPEAN VERSION)
28 - Метка R211873 Поддерживаемые модели9420, 9520, 9620 Tractor Serial No.010000-______ Примечание:(AUTOMATIC TEMPERATURE CONTROL) (EUROPEAN VERSION)
29 - Лампа накаливания AH108380 Поддерживаемые модели9420, 9520, 9620 Примечание:(AUTOMATIC TEMPERATURE CONTROL)Посмотреть аналогичные детали
29 - Метка R211873 Поддерживаемые модели9420, 9520, 9620 Tractor Serial No.010000-______ Примечание:(AUTOMATIC TEMPERATURE CONTROL) (EUROPEAN VERSION)
30 - Шайба 24M7117 Количество:2 Поддерживаемые модели9420, 9520, 9620 Примечание:(AUTOMATIC TEMPERATURE CONTROL) 4.300 X 9 X 0.800 mm
31 - Жгут проводов RE591841 Поддерживаемые модели9420, 9520, 9620 Примечание:(AUTOMATIC TEMPERATURE CONTROL) SUB FOR RE152796
32 - Мигалка AL202032 Поддерживаемые модели9420, 9520, 9620 Примечание:(EUROPEAN VERSION) (SUB FOR AL32891)
33 - Винт 37M7089 Поддерживаемые модели9420, 9520, 9620 Примечание:(EUROPEAN VERSION) M6 X 12
34 - Пульт управления RE176357 Поддерживаемые модели9420, 9520, 9620 Tractor Serial No.010000-011384 Примечание:(AUTOMATIC TEMPERATURE CONTROL) (SUB RE219825)
34 - Пульт управления RE221356 Поддерживаемые модели9420, 9520, 9620 Tractor Serial No.011385-______ Примечание:(AUTOMATIC TEMPERATURE CONTROL) (SUB FOR RE214416 OR RE219825 ) (SUB RE264981)
35 - Ручка RE188579 Поддерживаемые модели9420, 9520, 9620 Tractor Serial No.010000-______ Примечание:(AUTOMATIC TEMPERATURE CONTROL)
36 - Жгут проводов RE51091 Поддерживаемые модели9420, 9520, 9620 Tractor Serial No.______-040039 Примечание:(USE WITH RE37651)
36 - Жгут проводов RE241869 Поддерживаемые модели9420, 9520, 9620 Tractor Serial No.040040-______ Примечание:(ЕВРОПЕЙСКОЕ ИСПОЛНЕНИЕ)
37 - Винт 37M7095 Количество:4 Поддерживаемые модели9420, 9520, 9620 Примечание:(SERVICE ADVISOR OUTLET) (EUROPEAN VERSION)
38 - Колпачок RE217864 Поддерживаемые модели9420, 9520, 9620
39 - Пластина L155075 Поддерживаемые модели9420, 9520, 9620 Примечание:(SERVICE ADVISOR OUTLET) (EUROPEAN VERSION)
40 - Клемма электр. разъема 57M10889 Количество:4 Поддерживаемые модели9420, 9520, 9620 Примечание:USE WITH RE591841
Наверх
БЛОК КОНТРОЛЯ ПРИБОРОВ (ICU) И ПАНЕЛЬ НАСТРОЙКИ SCV (SUP) - ST393098
![Джон Дир 9120 БЛОК КОНТРОЛЯ ПРИБОРОВ (ICU) И ПАНЕЛЬ НАСТРОЙКИ SCV (SUP) БЛОК КОНТРОЛЯ ПРИБОРОВ (ICU) И ПАНЕЛЬ НАСТРОЙКИ SCV (SUP)]()
1 - Лампа накаливания R107890 Количество:22 Поддерживаемые модели9120, 9220, 9320 Посмотреть аналогичные детали
2 - Монитор трансп. средства RE185862 Поддерживаемые модели9120, 9220, 9320 Примечание:(SUB FOR RE174987 OR RE185860)(MST) (ICU)
2 - Монитор трансп. средства RE196691 Поддерживаемые модели9120, 9220, 9320 Примечание:(SUB FOR RE160859 OR RE196690)(PST) (ICU)
2 - Монитор трансп. средства RE185778 Поддерживаемые модели9120, 9220, 9320 Примечание:(EUROPEAN VERSION) (SUB FOR RE183768)(PST) (ICU)
3 - Лампа накаливания R117645 Количество:2 Поддерживаемые модели9120, 9220, 9320
3 - Лампа накаливания R107890 Количество:5 Поддерживаемые модели9120, 9220, 9320 Посмотреть аналогичные детали
4 - Переключатель R107357 Поддерживаемые модели9120, 9220, 9320
5 - Шайба R121798 Количество:2 Поддерживаемые модели9120, 9220, 9320
6 - Гайка R121797 Количество:2 Поддерживаемые модели9120, 9220, 9320
7 - Шайба R121796 Количество:2 Поддерживаемые модели9120, 9220, 9320
8 - Ручка R222397 Количество:2 Поддерживаемые модели9120, 9220, 9320 Примечание:(SUB FOR R120432)
9 - Цифровой дисплей RE64583 Поддерживаемые модели9120, 9220, 9320 Примечание:(SUP)
Наверх
INSTRUMENT CONTROL UNIT ICU AND SCV SETUP PANEL SUP - ST783540 ( ПРИБОРОВ БЛОК УПРАВЛЕНИЯ СИС И ВСК ПАНЕЛИ УСТАНОВКИ ВЕЧЕРЯТЬ - )
![Джон Дир 9120 INSTRUMENT CONTROL UNIT ICU AND SCV SETUP PANEL SUP INSTRUMENT CONTROL UNIT ICU AND SCV SETUP PANEL SUP]()
1 - Лампа накаливания R107890 Количество:22 Поддерживаемые модели9420, 9520, 9620 Посмотреть аналогичные детали
2 - Монитор трансп. средства RE185862 Поддерживаемые модели9420, 9520, 9620 Примечание:(SUB FOR RE174987 OR RE185860)(MST) (ICU)
2 - Монитор трансп. средства RE196691 Поддерживаемые модели9420, 9520, 9620 Примечание:(SUB FOR RE160859 OR RE196690)(PST) (ICU)
2 - Монитор трансп. средства RE185778 Поддерживаемые модели9420, 9520, 9620 Примечание:(EUROPEAN VERSION) (SUB FOR RE183768)(PST) (ICU)
3 - Лампа накаливания R117645 Количество:2 Поддерживаемые модели9420, 9520, 9620
3 - Лампа накаливания R107890 Количество:5 Поддерживаемые модели9420, 9520, 9620 Посмотреть аналогичные детали
4 - Переключатель R107357 Поддерживаемые модели9420, 9520, 9620
5 - Шайба R121798 Количество:2 Поддерживаемые модели9420, 9520, 9620
6 - Гайка R121797 Количество:2 Поддерживаемые модели9420, 9520, 9620
7 - Шайба R121796 Количество:2 Поддерживаемые модели9420, 9520, 9620
8 - Ручка R222397 Количество:2 Поддерживаемые модели9420, 9520, 9620 Примечание:(SUB FOR R120432)
9 - Цифровой дисплей RE64583 Поддерживаемые модели9420, 9520, 9620 Примечание:(SUP)
Наверх
КЛЮЧ И ПЕРЕКЛЮЧАТЕЛИ ВСПОМОГАТЕЛЬНОГО УСТРОЙСТВА ЗАПУСКА С ЭФИРОМ - ST393099
![Джон Дир 9120 КЛЮЧ И ПЕРЕКЛЮЧАТЕЛИ ВСПОМОГАТЕЛЬНОГО УСТРОЙСТВА ЗАПУСКА С ЭФИРОМ КЛЮЧ И ПЕРЕКЛЮЧАТЕЛИ ВСПОМОГАТЕЛЬНОГО УСТРОЙСТВА ЗАПУСКА С ЭФИРОМ]()
1 - Колпачок T55585 Поддерживаемые модели9120, 9220, 9320
2 - Шайба 24M7053 Поддерживаемые модели9120, 9220, 9320 Примечание:17 X 30 X 3 mm
3 - Переключатель R39554 Поддерживаемые модели9120, 9220, 9320
4 - Муфта R77480 Поддерживаемые модели9120, 9220, 9320 Примечание:(ALSO ORDER (2) U46662)
5 - Кронштейн R107598 Поддерживаемые модели9120, 9220, 9320
6 - Винт 19M7775 Количество:2 Поддерживаемые модели9120, 9220, 9320 Примечание:M6 X 16
7 - Узел электрич. разъема RE46736 Поддерживаемые модели9120, 9220, 9320 Примечание:(ALSO ORDER (3) 57M7429, (3) 57M7511 AND 57M7512)
8 - Шайба A4827R Поддерживаемые модели9120, 9220, 9320
9 - Гайка R44342 Поддерживаемые модели9120, 9220, 9320 Примечание:(ALSO ORDER A4827R)
10 - Поворотный переключатель RE61717 Поддерживаемые модели9120, 9220, 9320
11 - Кнопка RE183935 Поддерживаемые модели9120, 9220, 9320
12 - Жгут проводов кабины ....... Поддерживаемые модели9120, 9220, 9320
Наверх
КЛЮЧ И ПЕРЕКЛЮЧАТЕЛИ ВСПОМОГАТЕЛЬНОГО УСТРОЙСТВА ЗАПУСКА С ЭФИРОМ - ST783542
![Джон Дир 9120 КЛЮЧ И ПЕРЕКЛЮЧАТЕЛИ ВСПОМОГАТЕЛЬНОГО УСТРОЙСТВА ЗАПУСКА С ЭФИРОМ КЛЮЧ И ПЕРЕКЛЮЧАТЕЛИ ВСПОМОГАТЕЛЬНОГО УСТРОЙСТВА ЗАПУСКА С ЭФИРОМ]()
1 - Колпачок T55585 Поддерживаемые модели9420, 9520, 9620
2 - Шайба 24M7053 Поддерживаемые модели9420, 9520, 9620 Примечание:17 X 30 X 3 mm
3 - Переключатель R39554 Поддерживаемые модели9420, 9520, 9620
4 - Муфта R77480 Поддерживаемые модели9420, 9520, 9620 Примечание:(ALSO ORDER (2) U46662)
5 - Кронштейн R107598 Поддерживаемые модели9420, 9520, 9620
6 - Винт 19M7775 Количество:2 Поддерживаемые модели9420, 9520, 9620 Примечание:M6 X 16
7 - Узел электрич. разъема RE46736 Поддерживаемые модели9420, 9520, 9620 Примечание:(ALSO ORDER (3) 57M7429, (3) 57M7511 AND 57M7512)
8 - Шайба A4827R Поддерживаемые модели9420, 9520, 9620
9 - Гайка R44342 Поддерживаемые модели9420, 9520, 9620 Примечание:(ALSO ORDER A4827R)
10 - Поворотный переключатель RE61717 Поддерживаемые модели9420, 9520, 9620
11 - Кнопка RE183935 Поддерживаемые модели9420, 9520, 9620
12 - Жгут проводов кабины ....... Поддерживаемые модели9420, 9520, 9620
Наверх
ENGINE SPEED CONTROL (ARMREST) - ST393100 ( КОНТРОЛЬ СКОРОСТИ ДВИГАТЕЛЯ (ПОДЛОКОТНИК) - )
![Джон Дир 9120 ENGINE SPEED CONTROL (ARMREST) ENGINE SPEED CONTROL (ARMREST)]()
1 - Винт с головкой 19M7177 Поддерживаемые модели9120, 9220, 9320 Примечание:M6 X 35
2 - Винт с гол. п/торц. кл. 19M9805 Поддерживаемые модели9120, 9220, 9320 Примечание:M3 X 16
3 - Ручка R153185 Поддерживаемые модели9120, 9220, 9320
4 - Рычаг R110682 Поддерживаемые модели9120, 9220, 9320
5 - Комплект RE68290 Поддерживаемые модели9120, 9220, 9320 Примечание:(Предоставьте компоненты)
6 - Шайба R112513 Количество:2 Поддерживаемые модели9120, 9220, 9320
7 - Передача R129518 Поддерживаемые модели9120, 9220, 9320
8 - Зажимная скоба R118453 Поддерживаемые модели9120, 9220, 9320
9 - Кронштейн R124812 Поддерживаемые модели9120, 9220, 9320
10 - Винт H111706 Поддерживаемые модели9120, 9220, 9320
11 - Стопорная гайка 14M7165 Поддерживаемые модели9120, 9220, 9320 Примечание:M6
12 - Потенциометр RE56400 Поддерживаемые модели9120, 9220, 9320
13 - Шайба 24M7117 Поддерживаемые модели9120, 9220, 9320 Примечание:4.300 X 9 X 0.800 mm
14 - Винт H111706 Поддерживаемые модели9120, 9220, 9320
15 - Пружина R124873 Поддерживаемые модели9120, 9220, 9320
16 - Шайба R122339 Количество:2 Поддерживаемые модели9120, 9220, 9320
17 - Шайба R259090 Поддерживаемые модели9120, 9220, 9320
Наверх
ENGINE SPEED CONTROL ARMREST - ST783543 ( РЕГУЛЯТОР ОБОРОТОВ ДВИГАТЕЛЯ ПОДЛОКОТНИК - )
![Джон Дир 9120 ENGINE SPEED CONTROL ARMREST ENGINE SPEED CONTROL ARMREST]()
1 - Винт с головкой 19M7177 Поддерживаемые модели9420, 9520, 9620 Примечание:M6 X 35
2 - Винт с гол. п/торц. кл. 19M9805 Поддерживаемые модели9420, 9520, 9620 Примечание:M3 X 16
3 - Ручка R153185 Поддерживаемые модели9420, 9520, 9620
4 - Рычаг R110682 Поддерживаемые модели9420, 9520, 9620
5 - Комплект RE68290 Поддерживаемые модели9420, 9520, 9620 Примечание:(Предоставьте компоненты)
6 - Шайба R112513 Количество:2 Поддерживаемые модели9420, 9520, 9620
7 - Передача R129518 Поддерживаемые модели9420, 9520, 9620
8 - Зажимная скоба R118453 Поддерживаемые модели9420, 9520, 9620
9 - Кронштейн R124812 Поддерживаемые модели9420, 9520, 9620
10 - Винт H111706 Поддерживаемые модели9420, 9520, 9620
11 - Стопорная гайка 14M7165 Поддерживаемые модели9420, 9520, 9620 Примечание:M6
12 - Потенциометр RE56400 Поддерживаемые модели9420, 9520, 9620
13 - Шайба 24M7117 Поддерживаемые модели9420, 9520, 9620 Примечание:4.300 X 9 X 0.800 mm
14 - Винт H111706 Поддерживаемые модели9420, 9520, 9620
15 - Пружина R124873 Поддерживаемые модели9420, 9520, 9620
16 - Шайба R122339 Количество:2 Поддерживаемые модели9420, 9520, 9620
17 - Шайба R259090 Поддерживаемые модели9420, 9520, 9620
Наверх
Переключатель регулятора трансмиссии, подлокотник, MST - ST393101
![Джон Дир 9120 Переключатель регулятора трансмиссии, подлокотник, MST Переключатель регулятора трансмиссии, подлокотник, MST]()
1 - Винт R113246 Количество:2 Поддерживаемые модели9120, 9220
2 - Крышка R558740 Поддерживаемые модели9120, 9220 Примечание:SUB FOR R107588
3 - Направляющая R188075 Поддерживаемые модели9120, 9220
4 - Электрон. блок управления RE229376 Поддерживаемые модели9120, 9220 Примечание:SUB FOR RE181568; ACU
4 - Блок электр. упр. восст. PG200757 Поддерживаемые модели9120, 9220 Примечание:REMAN FOR RE229376
5 - Пружина R124241 Поддерживаемые модели9120, 9220 Примечание:(24 Speed Only) ORDER R569617
5 - Пружина R569617 Поддерживаемые модели9120, 9220 Примечание:(24 Speed Only)
6 - Винт R133983 Поддерживаемые модели9120, 9220
7 - Пружинное кольцо R72654 Поддерживаемые модели9120, 9220 Примечание:(24 Speed Only)
8 - Корпус R296817 Поддерживаемые модели9120, 9220 Примечание:SUB FOR R127879
9 - Винт R133982 Поддерживаемые модели9120, 9220
10 - Сектор RE311400 Поддерживаемые модели9120, 9220 Примечание:(24 Speed Only) SUB FOR RE63687
11 - Пружина растяжения R107583 Поддерживаемые модели9120, 9220 Примечание:(24 Speed Only)
12 - Ручка R153184 Поддерживаемые модели9120, 9220 Примечание:(24 Speed Only)
13 - Рычаг RE245557 Поддерживаемые модели9120, 9220 Tractor Serial No.______-041143 Примечание:(24 Speed Only) ORDER RE258526; SUB FOR RE194103
13 - Рычаг RE258526 Поддерживаемые модели9120, 9220 Tractor Serial No.041144-______ Примечание:(24 Speed Only)
14 - Штифт R275315 Поддерживаемые модели9120, 9220 Примечание:(24 Speed Only) SUB FOR R121918
15 - Пружинное кольцо R40687 Поддерживаемые модели9120, 9220 Примечание:(24 Speed Only)
16 - Ось поворота R123999 Поддерживаемые модели9120, 9220 Примечание:(24 Speed Only)
17 - Щиток R557168 Поддерживаемые модели9120, 9220 Примечание:SUB FOR R296818 OR R196998
18 - Винт R113246 Количество:3 Поддерживаемые модели9120, 9220 Примечание:(24 Speed Only)
Наверх
Переключатель регулятора трансмиссии, подлокотник, MST - ST393102
![Джон Дир 9120 Переключатель регулятора трансмиссии, подлокотник, MST Переключатель регулятора трансмиссии, подлокотник, MST]()
1 - Винт R113246 Количество:2 Поддерживаемые модели9320, 9420
2 - Крышка R558740 Поддерживаемые модели9320, 9420 Примечание:SUB FOR R107588
3 - Направляющая R188075 Поддерживаемые модели9320, 9420
4 - Электрон. блок управления RE229376 Поддерживаемые модели9320, 9420 Примечание:(SUB FOR RE181568(ACU
4 - Блок электр. упр. восст. PG200757 Поддерживаемые модели9320, 9420 Примечание:REMAN FOR RE229376
5 - Пружина R124241 Поддерживаемые модели9320, 9420 Примечание:(24 Speed Only) ORDER R569617
5 - Пружина R569617 Поддерживаемые модели9320, 9420 Примечание:(24 Speed Only)
6 - Винт R133983 Поддерживаемые модели9320, 9420
7 - Пружинное кольцо R72654 Поддерживаемые модели9320, 9420 Примечание:(24 Speed Only)
8 - Корпус R296817 Поддерживаемые модели9320, 9420 Примечание:SUB FOR R127879
9 - Винт R133982 Поддерживаемые модели9320, 9420
10 - Сектор RE311400 Поддерживаемые модели9320, 9420 Примечание:(24 Speed Only) SUB FOR RE63687
11 - Пружина растяжения R107583 Поддерживаемые модели9320, 9420 Примечание:(24 Speed Only)
12 - Ручка R153184 Поддерживаемые модели9320, 9420 Примечание:(24 Speed Only)
13 - Рычаг RE245557 Поддерживаемые модели9320, 9420 Tractor Serial No.______-041143 Примечание:(24 Speed Only) ORDER RE258526; SUB FOR RE194103
13 - Рычаг RE258526 Поддерживаемые модели9320, 9420 Tractor Serial No.041144-______ Примечание:(24 Speed Only)
14 - Штифт R275315 Поддерживаемые модели9320, 9420 Примечание:(24 Speed Only) SUB FOR R121918
15 - Пружинное кольцо R40687 Поддерживаемые модели9320, 9420 Примечание:(24 Speed Only)
16 - Ось поворота R123999 Поддерживаемые модели9320, 9420 Примечание:(24 Speed Only)
17 - Щиток R557168 Поддерживаемые модели9320, 9420 Примечание:SUB FOR R296818 OR R196998
18 - Винт R113246 Количество:3 Поддерживаемые модели9320, 9420 Примечание:(24 Speed Only)
Наверх
Transmission Control Selector, Armrest, PST - ST393103 ( Селектор КПП, подлокотник, ПСТ - )
![Джон Дир 9120 Transmission Control Selector, Armrest, PST Transmission Control Selector, Armrest, PST]()
1 - Винт R113246 Количество:2 Поддерживаемые модели9120, 9220, 9320
2 - Крышка R558740 Поддерживаемые модели9120, 9220, 9320 Примечание:SUB FOR R107588
3 - Направляющая R166258 Поддерживаемые модели9120, 9220, 9320
4 - Электрон. блок управления RE229376 Поддерживаемые модели9120, 9220, 9320 Примечание:SUB FOR RE181568; ACU
4 - Блок электр. упр. восст. PG200757 Поддерживаемые модели9120, 9220, 9320 Примечание:REMAN FOR RE229376
5 - Пружина R124241 Поддерживаемые модели9120, 9220, 9320 Примечание:ORDER R569617
5 - Пружина R569617 Поддерживаемые модели9120, 9220, 9320
6 - Винт R133982 Поддерживаемые модели9120, 9220, 9320
7 - Пружинное кольцо R72654 Поддерживаемые модели9120, 9220, 9320
8 - Корпус R296817 Поддерживаемые модели9120, 9220, 9320 Примечание:SUB FOR R127879
9 - Переключатель RE174520 Поддерживаемые модели9120 Примечание:(Neutral start)
10 - Винт R133983 Поддерживаемые модели9120, 9220, 9320
11 - Сектор RE311400 Поддерживаемые модели9120, 9220, 9320 Примечание:SUB FOR RE63687
12 - Пружина растяжения R107583 Поддерживаемые модели9120, 9220, 9320
13 - Ручка R153184 Поддерживаемые модели9120, 9220, 9320
14 - Рычаг RE245557 Поддерживаемые модели9120, 9220, 9320 Tractor Serial No.______-041143 Примечание:ORDER RE258526; SUB FOR RE194103
14 - Рычаг RE258526 Поддерживаемые модели9120, 9220, 9320 Tractor Serial No.041144-______
15 - Пружинное кольцо R40687 Поддерживаемые модели9120, 9220, 9320
16 - Шайба 24M7117 Поддерживаемые модели9120, 9220, 9320 Примечание:4.300 X 9 X 0.800 mm
17 - Пружина R134449 Поддерживаемые модели9120, 9220, 9320
18 - Штифт R121919 Поддерживаемые модели9120, 9220, 9320
19 - Штифт R275315 Поддерживаемые модели9120, 9220, 9320 Примечание:SUB FOR R121918
20 - Пружинное кольцо R40687 Поддерживаемые модели9120, 9220, 9320
21 - Ось поворота R123999 Поддерживаемые модели9120, 9220, 9320
22 - Пружина R124711 Поддерживаемые модели9120, 9220, 9320
23 - Щиток R557168 Поддерживаемые модели9120, 9220, 9320 Примечание:SUB FOR R296818 OR R196998
24 - Винт R113246 Количество:3 Поддерживаемые модели9120, 9220, 9320
25 - Пружина R187690 Поддерживаемые модели9120, 9220, 9320
Наверх
Transmission Control Selector, Armrest, PST - ST783545 ( Селектор КПП, подлокотник, ПСТ - )
![Джон Дир 9120 Transmission Control Selector, Armrest, PST Transmission Control Selector, Armrest, PST]()
1 - Винт R113246 Количество:2 Поддерживаемые модели9420, 9520, 9620
2 - Крышка R558740 Поддерживаемые модели9420, 9520, 9620 Примечание:SUB FOR R107588
3 - Направляющая R166258 Поддерживаемые модели9420, 9520, 9620
4 - Электрон. блок управления RE229376 Поддерживаемые модели9420, 9520, 9620 Примечание:SUB FOR RE181568ACU
4 - Блок электр. упр. восст. PG200757 Поддерживаемые модели9420, 9520, 9620 Примечание:REMAN FOR RE229376
5 - Пружина R124241 Поддерживаемые модели9420, 9520, 9620 Примечание:ORDER R569617
5 - Пружина R569617 Поддерживаемые модели9420, 9520, 9620
6 - Винт R133982 Поддерживаемые модели9420, 9520, 9620
7 - Пружинное кольцо R72654 Поддерживаемые модели9420, 9520, 9620
8 - Корпус R296817 Поддерживаемые модели9420, 9520, 9620 Примечание:SUB FOR R127879
9 - Переключатель RE174520 Поддерживаемые модели9420 Примечание:(Neutral start)
10 - Винт R133983 Поддерживаемые модели9420, 9520, 9620
11 - Сектор RE311400 Поддерживаемые модели9420, 9520, 9620 Примечание:SUB FOR RE63687
12 - Пружина растяжения R107583 Поддерживаемые модели9420, 9520, 9620
13 - Ручка R153184 Поддерживаемые модели9420, 9520, 9620
14 - Рычаг RE245557 Поддерживаемые модели9420, 9520, 9620 Tractor Serial No.______-041143 Примечание:ORDER RE258526; SUB FOR RE194103
14 - Рычаг RE258526 Поддерживаемые модели9420, 9520, 9620 Tractor Serial No.041144-______
15 - Пружинное кольцо R40687 Поддерживаемые модели9420, 9520, 9620
16 - Шайба 24M7117 Поддерживаемые модели9420, 9520, 9620 Примечание:4.300 X 9 X 0.800 mm
17 - Пружина R134449 Поддерживаемые модели9420, 9520, 9620
18 - Штифт R121919 Поддерживаемые модели9420, 9520, 9620
19 - Штифт R275315 Поддерживаемые модели9420, 9520, 9620 Примечание:SUB FOR R121918
20 - Пружинное кольцо R40687 Поддерживаемые модели9420, 9520, 9620
21 - Ось поворота R123999 Поддерживаемые модели9420, 9520, 9620
22 - Пружина R124711 Поддерживаемые модели9420, 9520, 9620
23 - Щиток R557168 Поддерживаемые модели9420, 9520, 9620 Примечание:SUB FOR R296818 OR R196998
24 - Винт R113246 Количество:3 Поддерживаемые модели9420, 9520, 9620
25 - Пружина R187690 Поддерживаемые модели9420, 9520, 9620
Наверх
ЭЛЕКТРИЧЕСКИЕ КОМПОНЕНТЫ ПОДЛОКОТНИКА - ST393104
![Джон Дир 9120 ЭЛЕКТРИЧЕСКИЕ КОМПОНЕНТЫ ПОДЛОКОТНИКА ЭЛЕКТРИЧЕСКИЕ КОМПОНЕНТЫ ПОДЛОКОТНИКА]()
1 - Комплект наклеек RE178960 Поддерживаемые модели9120, 9220, 9320
1 - Комплект наклеек RE179526 Поддерживаемые модели9120, 9220, 9320 Примечание:(ПОДЪЕМ/ОПУСКАНИЕ СЦЕПКИ)
1 - Комплект наклеек RE179528 Поддерживаемые модели9120, 9220, 9320 Примечание:(Без сцепки)
2 - Тумблер/кулисный переключ. RE223554 Поддерживаемые модели9120, 9220, 9320 Примечание:(IMPLEMENT MANAGEMENT SYSTEM) (SUB FOR RE175350, THIS APPLICATION)
2 - Крышка R166260 Поддерживаемые модели9120, 9220, 9320 Примечание:W/O (D)
2 - Тумблер/кулисный переключ. RE60586 Поддерживаемые модели9120, 9220, 9320 Примечание:USE WITH RE198277 OR RE198278
3 - Тумблер/кулисный переключ. RE175353 Поддерживаемые модели9120, 9220, 9320 Примечание:(Auto Shift Resume/AutoTrac™) (SUB RE254460)
3 - Крышка R166260 Поддерживаемые модели9120, 9220, 9320 Примечание:W/O (C)
4 - Тумблер/кулисный переключ. RE175352 Поддерживаемые модели9120, 9220, 9320 Примечание:(ПОДЪЕМ/ОПУСКАНИЕ СЦЕПКИ)
4 - Заглушка M115279 Поддерживаемые модели9120, 9220, 9320 Примечание:(Без сцепки)
5 - Крышка R166259 Поддерживаемые модели9120, 9220, 9320
5 - Заглушка M115279 Поддерживаемые модели9120, 9220, 9320
6 - Ручка RE49639 Количество:3 Поддерживаемые модели9120, 9220, 9320
7 - Гайка R121233 Количество:3 Поддерживаемые модели9120, 9220, 9320
8 - Шайба R121235 Количество:3 Поддерживаемые модели9120, 9220, 9320
9 - Метка R124530 Поддерживаемые модели9120, 9220, 9320 Примечание:(ПОДЪЕМ/ОПУСКАНИЕ СЦЕПКИ)
9 - Метка R110680 Поддерживаемые модели9120, 9220, 9320 Примечание:(Без сцепки)
10 - Модуль RE260692 Поддерживаемые модели9120, 9220, 9320 Примечание:(SUB FOR RE210778 OR RE64278)
10 - Обвязной хомут R44302 Поддерживаемые модели9120, 9220, 9320 Посмотреть аналогичные детали
Наверх
ЭЛЕКТРИЧЕСКИЕ КОМПОНЕНТЫ ПОДЛОКОТНИКА - ST783546
![Джон Дир 9120 ЭЛЕКТРИЧЕСКИЕ КОМПОНЕНТЫ ПОДЛОКОТНИКА ЭЛЕКТРИЧЕСКИЕ КОМПОНЕНТЫ ПОДЛОКОТНИКА]()
1 - Комплект наклеек RE178960 Поддерживаемые модели9420, 9520, 9620
1 - Комплект наклеек RE179526 Поддерживаемые модели9420, 9520, 9620 Примечание:(ПОДЪЕМ/ОПУСКАНИЕ СЦЕПКИ)
1 - Комплект наклеек RE179528 Поддерживаемые модели9420, 9520, 9620 Примечание:(Без сцепки)
2 - Тумблер/кулисный переключ. RE223554 Поддерживаемые модели9420, 9520, 9620 Примечание:(IMPLEMENT MANAGEMENT SYSTEM) (SUB FOR RE175350, THIS APPLICATION)
2 - Крышка R166260 Поддерживаемые модели9420, 9520, 9620 Примечание:W/O (D)
2 - Тумблер/кулисный переключ. RE60586 Поддерживаемые модели9420, 9520, 9620 Примечание:USE WITH RE198277 OR RE198278
3 - Тумблер/кулисный переключ. RE175353 Поддерживаемые модели9420, 9520, 9620 Примечание:(Auto Shift Resume/AutoTrac™) (SUB RE254460)
3 - Крышка R166260 Поддерживаемые модели9420, 9520, 9620 Примечание:W/O (C)
4 - Тумблер/кулисный переключ. RE175352 Поддерживаемые модели9420, 9520, 9620 Примечание:(ПОДЪЕМ/ОПУСКАНИЕ СЦЕПКИ)
4 - Заглушка M115279 Поддерживаемые модели9420, 9520, 9620 Примечание:(Без сцепки)
5 - Крышка R166259 Поддерживаемые модели9420, 9520, 9620
5 - Заглушка M115279 Поддерживаемые модели9420, 9520, 9620
6 - Ручка RE49639 Количество:3 Поддерживаемые модели9420, 9520, 9620
7 - Гайка R121233 Количество:3 Поддерживаемые модели9420, 9520, 9620
8 - Шайба R121235 Количество:3 Поддерживаемые модели9420, 9520, 9620
9 - Метка R124530 Поддерживаемые модели9420, 9520, 9620 Примечание:(ПОДЪЕМ/ОПУСКАНИЕ СЦЕПКИ)
9 - Метка R110680 Поддерживаемые модели9420, 9520, 9620 Примечание:(Без сцепки)
10 - Модуль RE260692 Поддерживаемые модели9420, 9520, 9620 Примечание:(SUB FOR RE210778 OR RE64278)
10 - Обвязной хомут R44302 Поддерживаемые модели9420, 9520, 9620 Посмотреть аналогичные детали
Наверх
ARMREST CONTROLLER UNIT (ACU) - ST393105 ( БЛОК УПРАВЛЕНИЯ ПОДЛОКОТНИК (АМКУ) - )
![Джон Дир 9120 ARMREST CONTROLLER UNIT (ACU) ARMREST CONTROLLER UNIT (ACU)]()
1 - Винт R115850 Количество:2 Поддерживаемые модели9120, 9220, 9320
2 - Электрон. блок управления RE229376 Поддерживаемые модели9120, 9220, 9320 Примечание:(SUB FOR RE181568)(ACU)
2 - Блок электр. упр. восст. PG200757 Поддерживаемые модели9120, 9220, 9320 Примечание:(REMAN FOR RE229376)
3 - Винт R113246 Количество:7 Поддерживаемые модели9120, 9220, 9320
4 - Крышка R558740 Поддерживаемые модели9120, 9220, 9320 Примечание:SUB FOR R107588
5 - Шайба 24M7146 Количество:2 Поддерживаемые модели9120, 9220, 9320 Примечание:4.300 X 12 X 1 mm
Наверх
ARMREST CONTROLLER UNIT ACU - ST783551 ( БЛОК УПРАВЛЕНИЯ ПОДЛОКОТНИК АМКУ - )
![Джон Дир 9120 ARMREST CONTROLLER UNIT ACU ARMREST CONTROLLER UNIT ACU]()
1 - Винт R115850 Количество:2 Поддерживаемые модели9420, 9520, 9620
2 - Электрон. блок управления RE229376 Поддерживаемые модели9420, 9520, 9620 Примечание:(SUB FOR RE181568)(ACU)
2 - Блок электр. упр. восст. PG200757 Поддерживаемые модели9420, 9520, 9620 Примечание:(REMAN FOR RE229376)
3 - Винт R113246 Количество:7 Поддерживаемые модели9420, 9520, 9620
4 - Крышка R558740 Поддерживаемые модели9420, 9520, 9620 Примечание:SUB FOR R107588
5 - Шайба 24M7146 Количество:2 Поддерживаемые модели9420, 9520, 9620 Примечание:4.300 X 12 X 1 mm
Наверх
Селекторные рычаги управления 1, 2 и 3 (подлокотник) - ST778514
![Джон Дир 9120 Селекторные рычаги управления 1, 2 и 3 (подлокотник) Селекторные рычаги управления 1, 2 и 3 (подлокотник)]()
1 - Рычаг RE216530 Количество:3 Поддерживаемые модели9120, 9220, 9320 Примечание:(SUB FOR RE179507)
2 - Кронштейн R171535 Количество:3 Поддерживаемые модели9120, 9220, 9320
3 - Винт R115850 Количество:3 Поддерживаемые модели9120, 9220, 9320
4 - Рукоять R125878 Количество:3 Поддерживаемые модели9120, 9220, 9320
5 - Торсионные пружины R217571 Количество:6 Поддерживаемые модели9120, 9220, 9320 Примечание:(SUB FOR (6) R124097)
6 - Торсионные пружины R125879 Количество:3 Поддерживаемые модели9120, 9220, 9320
7 - Потенциометр RE267676 Количество:3 Поддерживаемые модели9120, 9220, 9320 Примечание:(SUB FOR RE60659)
8 - Жгут проводов RE153115 Поддерживаемые модели9120, 9220, 9320
9 - Узел электрич. разъема 57M7708 Количество:3 Поддерживаемые модели9120, 9220, 9320 Примечание:(ALSO ORDER (4) 57M7551)
Наверх
Селекторные рычаги управления 1, 2 и 3 (подлокотник) - ST778515
![Джон Дир 9120 Селекторные рычаги управления 1, 2 и 3 (подлокотник) Селекторные рычаги управления 1, 2 и 3 (подлокотник)]()
1 - Рычаг RE216530 Количество:3 Поддерживаемые модели9420, 9520, 9620 Примечание:(SUB FOR RE179507)
2 - Кронштейн R171535 Количество:3 Поддерживаемые модели9420, 9520, 9620
3 - Винт R115850 Количество:3 Поддерживаемые модели9420, 9520, 9620
4 - Рукоять R125878 Количество:3 Поддерживаемые модели9420, 9520, 9620
5 - Торсионные пружины R217571 Количество:6 Поддерживаемые модели9420, 9520, 9620 Примечание:(SUB FOR (6) R124097)
6 - Торсионные пружины R125879 Количество:3 Поддерживаемые модели9420, 9520, 9620
7 - Потенциометр RE267676 Количество:3 Поддерживаемые модели9420, 9520, 9620 Примечание:(SUB FOR RE60659)
8 - Жгут проводов RE153115 Поддерживаемые модели9420, 9520, 9620
9 - Узел электрич. разъема 57M7708 Количество:3 Поддерживаемые модели9420, 9520, 9620 Примечание:(ALSO ORDER (4) 57M7551)
Наверх
SELECTIVE CONTROL LEVERS 4 AND 5 (ARMREST) - ST393107 ( ВЫБОРОЧНЫЙ КОНТРОЛЬ РЫЧАГОВ 4 И 5 (ПОДЛОКОТНИК) - )
![Джон Дир 9120 SELECTIVE CONTROL LEVERS 4 AND 5 (ARMREST) SELECTIVE CONTROL LEVERS 4 AND 5 (ARMREST)]()
1 - Винт R115850 Поддерживаемые модели9120, 9220, 9320
2 - Крышка R162124 Поддерживаемые модели9120, 9220, 9320
3 - Рычаг RE216530 Поддерживаемые модели9120, 9220, 9320 Примечание:(SUB FOR RE179507)
4 - Кронштейн R171535 Поддерживаемые модели9120, 9220, 9320
5 - Винт R115850 Поддерживаемые модели9120, 9220, 9320
6 - Рукоять R125878 Поддерживаемые модели9120, 9220, 9320
7 - Торсионные пружины R217571 Количество:2 Поддерживаемые модели9120, 9220, 9320 Примечание:(SUB FOR (2) R124097)
8 - Торсионные пружины R125879 Поддерживаемые модели9120, 9220, 9320
9 - Потенциометр RE267676 Поддерживаемые модели9120, 9220, 9320 Примечание:(SUB FOR RE60659)
10 - Узел электрич. разъема 57M7714 Поддерживаемые модели9120, 9220, 9320 Примечание:(ALSO ORDER (6) 57M7549)
11 - Жгут проводов RE171936 Поддерживаемые модели9120, 9220, 9320
12 - Узел электрич. разъема 57M7708 Количество:2 Поддерживаемые модели9120, 9220, 9320 Примечание:(ALSO ORDER (8) 57M7549)
13 - Винт 37M7406 Количество:2 Поддерживаемые модели9120, 9220, 9320
14 - Корпус R162126 Поддерживаемые модели9120, 9220, 9320
Наверх
SELECTIVE CONTROL LEVERS 4 AND 5 ARMREST - ST783556 ( ВЫБОРОЧНЫЙ КОНТРОЛЬ РЫЧАГИ 4 И 5 ПОДЛОКОТНИК - )
![Джон Дир 9120 SELECTIVE CONTROL LEVERS 4 AND 5 ARMREST SELECTIVE CONTROL LEVERS 4 AND 5 ARMREST]()
1 - Винт R115850 Поддерживаемые модели9420, 9520, 9620
2 - Крышка R162124 Поддерживаемые модели9420, 9520, 9620
3 - Рычаг RE216530 Поддерживаемые модели9420, 9520, 9620 Примечание:(SUB FOR RE179507)
4 - Кронштейн R171535 Поддерживаемые модели9420, 9520, 9620
5 - Винт R115850 Поддерживаемые модели9420, 9520, 9620
6 - Рукоять R125878 Поддерживаемые модели9420, 9520, 9620
7 - Торсионные пружины R217571 Количество:2 Поддерживаемые модели9420, 9520, 9620 Примечание:(SUB FOR (2) R124097)
8 - Торсионные пружины R125879 Поддерживаемые модели9420, 9520, 9620
9 - Потенциометр RE267676 Поддерживаемые модели9420, 9520, 9620 Примечание:(SUB FOR RE60659)
10 - Узел электрич. разъема 57M7714 Поддерживаемые модели9420, 9520, 9620 Примечание:(ALSO ORDER (6) 57M7549)
11 - Жгут проводов RE171936 Поддерживаемые модели9420, 9520, 9620
12 - Узел электрич. разъема 57M7708 Количество:2 Поддерживаемые модели9420, 9520, 9620 Примечание:(ALSO ORDER (8) 57M7549)
13 - Винт 37M7406 Количество:2 Поддерживаемые модели9420, 9520, 9620
14 - Корпус R162126 Поддерживаемые модели9420, 9520, 9620
Наверх
HITCH CONTROL (ARMREST) - ST393108 ( ЗАМИНКА КОНТРОЛЯ (ПОДЛОКОТНИК) - )
![Джон Дир 9120 HITCH CONTROL (ARMREST) HITCH CONTROL (ARMREST)]()
1 - Винт R113246 Количество:2 Поддерживаемые модели9120, 9220, 9320
2 - Винт 37M7384 Количество:3 Поддерживаемые модели9120, 9220, 9320
3 - Корпус R124276 Поддерживаемые модели9120, 9220, 9320 Примечание:(SUB RE225223)
4 - Стопорная гайка 14M7165 Поддерживаемые модели9120, 9220, 9320 Примечание:M6
5 - Пружина R124873 Поддерживаемые модели9120, 9220, 9320
6 - Шайба R112513 Поддерживаемые модели9120, 9220, 9320
7 - Втулка R131047 Поддерживаемые модели9120, 9220, 9320 Примечание:(SUB RE225223)
8 - КОЛЕСО R131135 Поддерживаемые модели9120, 9220, 9320 Примечание:(SUB RE225223)
9 - Шайба R112515 Поддерживаемые модели9120, 9220, 9320 Примечание:(SUB RE225223)
10 - КОЛЕСО R125915 Поддерживаемые модели9120, 9220, 9320 Примечание:(ALSO ORDER R118453 ) (SUB RE225223)
11 - Зажимная скоба R118453 Поддерживаемые модели9120, 9220, 9320
12 - Торсионные пружины R112553 Поддерживаемые модели9120, 9220, 9320
13 - Пружинный шплинт 34H233 Поддерживаемые модели9120, 9220, 9320 Примечание:3/32" X 7/8"
14 - Ручка R130026 Поддерживаемые модели9120, 9220, 9320 Примечание:(SUB R219795)
15 - КОЛЕСО R130025 Поддерживаемые модели9120, 9220, 9320
16 - Ручка RE58029 Поддерживаемые модели9120, 9220, 9320
17 - Пружина R112551 Поддерживаемые модели9120, 9220, 9320
18 - Корпус R130024 Поддерживаемые модели9120, 9220, 9320 Примечание:(SUB RE225223)
19 - Винт 37M7179 Поддерживаемые модели9120, 9220, 9320
20 - Модуль RE260694 Поддерживаемые модели9120, 9220, 9320 Примечание:(SUB FOR RE210779 OR RE64279)
21 - Крышка R162125 Поддерживаемые модели9120, 9220, 9320 Примечание:(Без сцепки)
.. - Ось клапанного коромысла RE225223 Поддерживаемые модели9120, 9220, 9320 Примечание:(ROCKSHAFT CONTROL)
Наверх
HITCH CONTROL ARMREST - ST783557 ( ЗАМИНКА-КОНТРОЛЬ ПОДЛОКОТНИК - )
![Джон Дир 9120 HITCH CONTROL ARMREST HITCH CONTROL ARMREST]()
1 - Винт R113246 Количество:2 Поддерживаемые модели9420, 9520, 9620
2 - Винт 37M7384 Количество:3 Поддерживаемые модели9420, 9520, 9620
3 - Корпус R124276 Поддерживаемые модели9420, 9520, 9620 Примечание:(SUB RE225223)
4 - Стопорная гайка 14M7165 Поддерживаемые модели9420, 9520, 9620 Примечание:M6
5 - Пружина R124873 Поддерживаемые модели9420, 9520, 9620
6 - Шайба R112513 Поддерживаемые модели9420, 9520, 9620
7 - Втулка R131047 Поддерживаемые модели9420, 9520, 9620 Примечание:(SUB RE225223)
8 - КОЛЕСО R131135 Поддерживаемые модели9420, 9520, 9620 Примечание:(SUB RE225223)
9 - Шайба R112515 Поддерживаемые модели9420, 9520, 9620 Примечание:(SUB RE225223)
10 - КОЛЕСО R125915 Поддерживаемые модели9420, 9520, 9620 Примечание:(ALSO ORDER R118453 ) (SUB RE225223)
11 - Зажимная скоба R118453 Поддерживаемые модели9420, 9520, 9620
12 - Торсионные пружины R112553 Поддерживаемые модели9420, 9520, 9620
13 - Пружинный шплинт 34H233 Поддерживаемые модели9420, 9520, 9620 Примечание:3/32" X 7/8"
14 - Ручка R130026 Поддерживаемые модели9420, 9520, 9620 Примечание:(SUB R219795)
15 - КОЛЕСО R130025 Поддерживаемые модели9420, 9520, 9620
16 - Ручка RE58029 Поддерживаемые модели9420, 9520, 9620
17 - Пружина R112551 Поддерживаемые модели9420, 9520, 9620
18 - Корпус R130024 Поддерживаемые модели9420, 9520, 9620 Примечание:(SUB RE225223)
19 - Винт 37M7179 Поддерживаемые модели9420, 9520, 9620
20 - Модуль RE260694 Поддерживаемые модели9420, 9520, 9620 Примечание:(SUB FOR RE210779 OR RE64279)
21 - Крышка R162125 Поддерживаемые модели9420, 9520, 9620 Примечание:(Без сцепки)
.. - Ось клапанного коромысла RE225223 Поддерживаемые модели9420, 9520, 9620 Примечание:(ROCKSHAFT CONTROL)
Наверх
КОМПЛЕКТ РЕГУЛЯТОРА ОСИ КАЧАЮЩЕГОСЯ БАЛАНСИРА - ST393109
![Джон Дир 9120 КОМПЛЕКТ РЕГУЛЯТОРА ОСИ КАЧАЮЩЕГОСЯ БАЛАНСИРА КОМПЛЕКТ РЕГУЛЯТОРА ОСИ КАЧАЮЩЕГОСЯ БАЛАНСИРА]()
1 - Винт R113246 Количество:2 Поддерживаемые модели9120, 9220, 9320
2 - Корпус R218646 Поддерживаемые модели9120, 9220, 9320
3 - Пружина сжатия R213206 Поддерживаемые модели9120, 9220, 9320
4 - КОЛЕСО R212936 Поддерживаемые модели9120, 9220, 9320
5 - КОЛЕСО R212934 Поддерживаемые модели9120, 9220, 9320
6 - Зажимная скоба R118453 Поддерживаемые модели9120, 9220, 9320
7 - Торсионные пружины R112553 Поддерживаемые модели9120, 9220, 9320
8 - Пружинный шплинт 34H233 Поддерживаемые модели9120, 9220, 9320 Примечание:3/32" X 7/8"
9 - Ручка R219795 Поддерживаемые модели9120, 9220, 9320
10 - КОЛЕСО R130025 Поддерживаемые модели9120, 9220, 9320
11 - Ручка RE58029 Поддерживаемые модели9120, 9220, 9320
12 - Пружина R112551 Поддерживаемые модели9120, 9220, 9320
13 - Корпус R218647 Поддерживаемые модели9120, 9220, 9320
14 - Винт 37M7179 Поддерживаемые модели9120, 9220, 9320
15 - Шайба R213644 Поддерживаемые модели9120, 9220, 9320 Примечание:USE WITH RE225223
15 - Шайба L211900 Поддерживаемые модели9120, 9220, 9320 Примечание:USE WITH AL213529
16 - Пружинное кольцо 40M7126 Поддерживаемые модели9120, 9220, 9320
17 - Ось клапанного коромысла RE225223 Поддерживаемые модели9120, 9220, 9320
17 - Пульт управления AL213529 Поддерживаемые модели9120, 9220, 9320 Примечание:INCLUDES RE260694; USE WITH RE198277 OR RE198278
18 - Модуль RE260694 Поддерживаемые модели9120, 9220, 9320
19 - Узел электрич. разъема 57M7712 Поддерживаемые модели9120, 9220, 9320
Наверх
КОМПЛЕКТ РЕГУЛЯТОРА ОСИ КАЧАЮЩЕГОСЯ БАЛАНСИРА - ST783567
![Джон Дир 9120 КОМПЛЕКТ РЕГУЛЯТОРА ОСИ КАЧАЮЩЕГОСЯ БАЛАНСИРА КОМПЛЕКТ РЕГУЛЯТОРА ОСИ КАЧАЮЩЕГОСЯ БАЛАНСИРА]()
1 - Винт R113246 Количество:2 Поддерживаемые модели9420, 9520, 9620
2 - Корпус R218646 Поддерживаемые модели9420, 9520, 9620
3 - Пружина сжатия R213206 Поддерживаемые модели9420, 9520, 9620
4 - КОЛЕСО R212936 Поддерживаемые модели9420, 9520, 9620
5 - КОЛЕСО R212934 Поддерживаемые модели9420, 9520, 9620
6 - Зажимная скоба R118453 Поддерживаемые модели9420, 9520, 9620
7 - Торсионные пружины R112553 Поддерживаемые модели9420, 9520, 9620
8 - Пружинный шплинт 34H233 Поддерживаемые модели9420, 9520, 9620 Примечание:3/32" X 7/8"
9 - Ручка R219795 Поддерживаемые модели9420, 9520, 9620
10 - КОЛЕСО R130025 Поддерживаемые модели9420, 9520, 9620
11 - Ручка RE58029 Поддерживаемые модели9420, 9520, 9620
12 - Пружина R112551 Поддерживаемые модели9420, 9520, 9620
13 - Корпус R218647 Поддерживаемые модели9420, 9520, 9620
14 - Винт 37M7179 Поддерживаемые модели9420, 9520, 9620
15 - Шайба R213644 Поддерживаемые модели9420, 9520, 9620 Примечание:USE WITH RE225223
15 - Шайба L211900 Поддерживаемые модели9420, 9520, 9620 Примечание:USE WITH AL213529
16 - Пружинное кольцо 40M7126 Поддерживаемые модели9420, 9520, 9620
17 - Ось клапанного коромысла RE225223 Поддерживаемые модели9420, 9520, 9620
17 - Пульт управления AL213529 Поддерживаемые модели9420, 9520, 9620 Примечание:INCLUDES RE260694; USE WITH RE198277 OR RE198278
18 - Модуль RE260694 Поддерживаемые модели9420, 9520, 9620
19 - Узел электрич. разъема 57M7712 Поддерживаемые модели9420, 9520, 9620
Наверх
ЖГУТ ПРОВОДОВ (ОТ ПОДЛОКОТНИКА ДО КАБИНЫ) - ST393110
![Джон Дир 9120 ЖГУТ ПРОВОДОВ (ОТ ПОДЛОКОТНИКА ДО КАБИНЫ) ЖГУТ ПРОВОДОВ (ОТ ПОДЛОКОТНИКА ДО КАБИНЫ)]()
1 - Муфта 57M7708 Количество:3 Поддерживаемые модели9120, 9220, 9320 Примечание:(ALSO ORDER (12) 57M7551)
2 - Муфта 57M7713 Поддерживаемые модели9120, 9220, 9320 Примечание:(ALSO ORDER (4) 57M7548 AND 57M7718)
3 - Муфта 57M7470 Поддерживаемые модели9120, 9220, 9320 Примечание:(ALSO ORDER (10) 57M7548 AND 57M7474)
4 - Муфта 57M7716 Поддерживаемые модели9120, 9220, 9320 Примечание:(ALSO ORDER (9) 57M7549)
5 - Муфта 57M7256 Поддерживаемые модели9120, 9220, 9320 Примечание:(ALSO ORDER (2) R104919, (2) 57M7258 AND 57M7316)
6 - Муфта 57M7713 Поддерживаемые модели9120, 9220, 9320 Примечание:(ALSO ORDER (4) 57M7548 AND 57M7718)
7 - Муфта 57M7712 Поддерживаемые модели9120, 9220, 9320
8 - Жгут проводов RE153115 Поддерживаемые модели9120, 9220, 9320
8 - Обвязной хомут R44302 Поддерживаемые модели9120, 9220, 9320 Посмотреть аналогичные детали
9 - Муфта AH135787 Поддерживаемые модели9120, 9220, 9320 Примечание:(ALSO ORDER (12) R77465)
10 - Жгут проводов кабины ....... Поддерживаемые модели9120, 9220, 9320
11 - Модуль RE259284 Поддерживаемые модели9120, 9220, 9320 Примечание:(AUTOLOAD)
12 - Ручка RE49639 Поддерживаемые модели9120, 9220, 9320 Примечание:(AUTOLOAD)
Наверх
WIRING HARNESS ARMREST TO CAB - ST783571 ( ЖГУТ ПРОВОДОВ ПОДЛОКОТНИК В КАБИНЕ - )
![Джон Дир 9120 WIRING HARNESS ARMREST TO CAB WIRING HARNESS ARMREST TO CAB]()
1 - Муфта 57M7708 Количество:3 Поддерживаемые модели9420, 9520, 9620 Примечание:(ALSO ORDER (12) 57M7551)
2 - Муфта 57M7713 Поддерживаемые модели9420, 9520, 9620 Примечание:(ALSO ORDER (4) 57M7548 AND 57M7718)
3 - Муфта 57M7470 Поддерживаемые модели9420, 9520, 9620 Примечание:(ALSO ORDER (10) 57M7548 AND 57M7474)
4 - Муфта 57M7716 Поддерживаемые модели9420, 9520, 9620 Примечание:(ALSO ORDER (9) 57M7549)
5 - Муфта 57M7256 Поддерживаемые модели9420, 9520, 9620 Примечание:(ALSO ORDER (2) R104919, (2) 57M7258 AND 57M7316)
6 - Муфта 57M7713 Поддерживаемые модели9420, 9520, 9620 Примечание:(ALSO ORDER (4) 57M7548 AND 57M7718)
7 - Муфта 57M7712 Поддерживаемые модели9420, 9520, 9620
8 - Жгут проводов RE153115 Поддерживаемые модели9420, 9520, 9620
8 - Обвязной хомут R44302 Поддерживаемые модели9420, 9520, 9620 Посмотреть аналогичные детали
9 - Муфта AH135787 Поддерживаемые модели9420, 9520, 9620 Примечание:(ALSO ORDER (12) R77465)
10 - Жгут проводов кабины ....... Поддерживаемые модели9420, 9520, 9620
11 - Модуль RE259284 Поддерживаемые модели9420, 9520, 9620 Примечание:(AUTOLOAD)
12 - Ручка RE49639 Поддерживаемые модели9420, 9520, 9620 Примечание:(AUTOLOAD)
Наверх
Жгут проводов, передняя стойка, разъем ISO - ST777569
![Джон Дир 9120 Жгут проводов, передняя стойка, разъем ISO Жгут проводов, передняя стойка, разъем ISO]()
1 - Жгут проводов RE248995 Поддерживаемые модели9120, 9220, 9320
2 - Узел электрич. разъема 57M7712 Поддерживаемые модели9120, 9220, 9320
2 - Узел электрич. разъема 57M7718 Поддерживаемые модели9120, 9220, 9320
2 - Клемма электр. разъема 57M7551 Поддерживаемые модели9120, 9220, 9320
Наверх
Жгут проводов, передняя стойка, разъем ISO - ST777570
![Джон Дир 9120 Жгут проводов, передняя стойка, разъем ISO Жгут проводов, передняя стойка, разъем ISO]()
1 - Жгут проводов RE248995 Поддерживаемые модели9420, 9520, 9620
2 - Узел электрич. разъема 57M7712 Поддерживаемые модели9420, 9520, 9620
2 - Узел электрич. разъема 57M7718 Поддерживаемые модели9420, 9520, 9620
2 - Клемма электр. разъема 57M7551 Поддерживаемые модели9420, 9520, 9620
Наверх
WIRING HARNESS-FIELD OFFICE - ST393111 ( ЖГУТ ПРОВОДОВ-ПОЛЕВОЕ ОТДЕЛЕНИЕ )
![Джон Дир 9120 WIRING HARNESS-FIELD OFFICE WIRING HARNESS-FIELD OFFICE]()
1 - Корпус AR56766 Количество:4 Поддерживаемые модели9120, 9220, 9320
2 - Заглушка R131671 Количество:4 Поддерживаемые модели9120, 9220, 9320
3 - Выходное гнездо RE37640 Поддерживаемые модели9120, 9220, 9320 Cab Serial No.______-040039
3 - Заглушка RE37651 Поддерживаемые модели9120, 9220, 9320 Примечание:(CONTAINS RE48028, RE48029 AND AE44929)
3 - Жгут проводов RE241869 Поддерживаемые модели9120, 9220, 9320 Cab Serial No.040040-______ Примечание:(ЕВРОПЕЙСКОЕ ИСПОЛНЕНИЕ)
4 - Заклепка R108166 Количество:4 Поддерживаемые модели9120, 9220, 9320
5 - Жгут проводов RE67821 Поддерживаемые модели9120, 9220, 9320
6 - Винт с головкой 21H1463 Количество:2 Поддерживаемые модели9120, 9220, 9320 Примечание:0.190" X 7/8"
7 - Контактный блок RE186986 Поддерживаемые модели9120, 9220, 9320 Примечание:(SUB FOR R111931)
8 - Жгут проводов кабины ....... Поддерживаемые модели9120, 9220, 9320
Наверх
Wiring Harness-Field Office - ST783621 ( Жгут Проводов-Полевое Отделение )
![Джон Дир 9120 Wiring Harness-Field Office Wiring Harness-Field Office]()
1 - Корпус AR56766 Количество:4 Поддерживаемые модели9420, 9520, 9620
2 - Заглушка R131671 Количество:4 Поддерживаемые модели9420, 9520, 9620
3 - Выходное гнездо RE37640 Поддерживаемые модели9420, 9520, 9620 Cab Serial No.______-040039
3 - Заглушка RE37651 Поддерживаемые модели9420, 9520, 9620 Примечание:(CONTAINS RE48028, RE48029 AND AE44929)
3 - Жгут проводов RE241869 Поддерживаемые модели9420, 9520, 9620 Cab Serial No.040040-______ Примечание:(ЕВРОПЕЙСКОЕ ИСПОЛНЕНИЕ)
4 - Заклепка R108166 Количество:4 Поддерживаемые модели9420, 9520, 9620
5 - Жгут проводов RE67821 Поддерживаемые модели9420, 9520, 9620
6 - Винт с головкой 21H1463 Количество:2 Поддерживаемые модели9420, 9520, 9620 Примечание:0.190" X 7/8"
7 - Контактный блок RE186986 Поддерживаемые модели9420, 9520, 9620 Примечание:(SUB FOR R111931)
8 - Жгут проводов кабины ....... Поддерживаемые модели9420, 9520, 9620
Наверх
ЖГУТ ПРОВОДОВ (ATC) - ST393112
![Джон Дир 9120 ЖГУТ ПРОВОДОВ (ATC) ЖГУТ ПРОВОДОВ (ATC)]()
1 - Модуль RE174742 Поддерживаемые модели9120, 9220, 9320
2 - Винт 37M7233 Количество:2 Поддерживаемые модели9120, 9220, 9320 Примечание:M6 X 70
3 - Жгут проводов RE175126 Поддерживаемые модели9120, 9220, 9320 Tractor Serial No.______-009999
3 - Жгут проводов кабины RE204328 Поддерживаемые модели9120, 9220, 9320 Tractor Serial No.010000-039999
3 - Жгут проводов кабины RE246443 Поддерживаемые модели9120, 9220, 9320 Tractor Serial No.040000-______
4 - Датчик RE65814 Поддерживаемые модели9120, 9220, 9320 Примечание:(ИСПАРИТЕЛЬ)
5 - Датчик RE65815 Количество:3 Поддерживаемые модели9120, 9220, 9320 Примечание:(Температура воздуха)
6 - Уплотнение R163985 Количество:2 Поддерживаемые модели9120, 9220, 9320
7 - Переключатель RE157329 Поддерживаемые модели9120, 9220, 9320 Примечание:(РЕЛЕ ДАВЛЕНИЯ)
Наверх
WIRING HARNESS ATC - ST783625 ( ЖГУТ ПРОВОДОВ УВД - )
![Джон Дир 9120 WIRING HARNESS ATC WIRING HARNESS ATC]()
1 - Модуль RE174742 Поддерживаемые модели9420, 9520, 9620
2 - Винт 37M7233 Количество:2 Поддерживаемые модели9420, 9520, 9620 Примечание:M6 X 70
3 - Жгут проводов RE175126 Поддерживаемые модели9420, 9520, 9620 Tractor Serial No.______-009999
3 - Жгут проводов кабины RE204328 Поддерживаемые модели9420, 9520, 9620 Tractor Serial No.010000-039999
3 - Жгут проводов кабины RE246443 Поддерживаемые модели9420, 9520, 9620 Tractor Serial No.040000-______
4 - Датчик RE65814 Поддерживаемые модели9420, 9520, 9620 Примечание:(ИСПАРИТЕЛЬ)
5 - Датчик RE65815 Количество:3 Поддерживаемые модели9420, 9520, 9620 Примечание:(Температура воздуха)
6 - Уплотнение R163985 Количество:2 Поддерживаемые модели9420, 9520, 9620
7 - Переключатель RE157329 Поддерживаемые модели9420, 9520, 9620 Примечание:(РЕЛЕ ДАВЛЕНИЯ)
Наверх
Контроллеры (HCUSCU, CCU, ECU, SCO) - ST393113
![Джон Дир 9120 Контроллеры (HCUSCU, CCU, ECU, SCO) Контроллеры (HCUSCU, CCU, ECU, SCO)]()
1 - Контроллер сцепки и СКК RE201258 Поддерживаемые модели9120, 9220 Примечание:HCU/SCU (Hitch and 1, 2, 3 SCV) MARKED RE201264, SUB FOR RE198402
1 - Hitch & SCV Control Reman PG200746 Поддерживаемые модели9120, 9220 Примечание:REMAN FOR RE201258, ORDER RE201258
2 - Контроллер СКК RE201259 Поддерживаемые модели9120, 9220 Примечание:SCO Controller (SCV 4 and 5) MARKED RE201265, SUB FOR RE198411
2 - SCV/Row Trak Control Reman PG200747 Поддерживаемые модели9120, 9220 Примечание:REMAN FOR RE201259, ORDER RE201259
3 - Винт R124359 Количество:8 Поддерживаемые модели9120, 9220
4 - Центральный блок управления RE231816 Поддерживаемые модели9120, 9220 Примечание:SUB FOR RE223933 OR RE218099 OR RE190866 OR RE197964 OR RE201524 OR RE208409 , MARKED RE190867 OR RE197977 OR RE201523 OR RE208408
4 - Vehicle Controller Reman PG200754 Поддерживаемые модели9120, 9220 Примечание:REMAN FOR RE231816, ORDER RE231816
5 - Жгут проводов RE166607 Поддерживаемые модели9120 Tractor Serial No.______-009999 Примечание:MST, FOCUS 9
5 - Жгут проводов RE257897 Поддерживаемые модели9120 Tractor Serial No.010000-______ Примечание:MST, FOCUS 9 SUB FOR RE234439 OR RE226549 OR RE218728 OR RE215321 OR RE204371
5 - Жгут проводов RE166608 Поддерживаемые модели9220 Tractor Serial No.______-009999 Примечание:MST, FOCUS 6
5 - Жгут проводов RE257898 Поддерживаемые модели9220 Tractor Serial No.010000-______ Примечание:MST, FOCUS 6 (SUB FOR RE234440 OR RE226550 OR RE218729 OR RE215322 OR RE204372
5 - Жгут проводов RE166650 Поддерживаемые модели9120 Tractor Serial No.______-009999 Примечание:PST, FOCUS 9
5 - Жгут проводов RE257899 Поддерживаемые модели9120 Tractor Serial No.010000-______ Примечание:PST, FOCUS 9 SUB FOR RE234441 OR RE226551 OR RE218730
5 - Жгут проводов RE166609 Поддерживаемые модели9220 Tractor Serial No.______-009999 Примечание:PST, FOCUS 6
5 - Жгут проводов RE257900 Поддерживаемые модели9220 Tractor Serial No.010000-______ Примечание:PST, FOCUS 6 SUB FOR RE234442 OR RE226552 OR RE218731
5 - Жгут проводов шасси RE215323 Поддерживаемые модели9120, 9220 Примечание:PST, FOCUS 9 SUB FOR RE204373
6 - Шайба 24H1923 Количество:3 Поддерживаемые модели9120, 9220 Примечание:9/32" X 3/4" X 0.120"
7 - Электрон. блок управления RE207311 Поддерживаемые модели9120, 9220
8 - Скоба AH117301 Поддерживаемые модели9120, 9220
9 - Жгут проводов RE65311 Поддерживаемые модели9120, 9220 Tractor Serial No.______-021525 Примечание:SCO, 4 / 5 SCV USE WITH RE226549 OR RE226550 OR RE226551 OR RE226552
10 - Контроллер коробки перед. YZ502402 Поддерживаемые модели9120, 9220 Tractor Serial No.______-002424 Примечание:PST SUB FOR YZ501807
10 - Контроллер коробки перед. YZ502401 Поддерживаемые модели9120, 9220 Tractor Serial No.002425-011407 Примечание:PST SUB FOR YZ501819
10 - Модуль YZ502338 Поддерживаемые модели9120, 9220 Tractor Serial No.011408-______ Примечание:PST SUB FOR YZ502299 OR YZ502168 OR YZ502121 OR YZ502029 OR YZ502021 OR YZ501904
11 - Винт R164900 Количество:4 Поддерживаемые модели9120, 9220
12 - Скоба 57M9430 Количество:2 Поддерживаемые модели9120, 9220
Наверх
Контроллеры (HCUSCU, CCU, ECU, SCO) - ST393114
![Джон Дир 9120 Контроллеры (HCUSCU, CCU, ECU, SCO) Контроллеры (HCUSCU, CCU, ECU, SCO)]()
1 - Контроллер СКК RE201258 Поддерживаемые модели9320, 9420, 9520 Примечание:HCU/SCU (Hitch and 1, 2, 3 SCV) MARKED RE201264, SUB FOR RE198402
1 - Контроллер СКК PG200746 Поддерживаемые модели9320, 9420, 9520 Примечание:REMAN FOR RE201258, ORDER RE201258
1 - Контроллер СКК RE203682 Поддерживаемые модели9320, 9420, 9520 Примечание:Scraper Tractor High Flow, HCU/SCU (Hitch and 1, 2, 3 SCV) MARKED RE203698
1 - Hitch & SCV Control Reman PG200750 Поддерживаемые модели9320, 9420, 9520 Примечание:REMAN FOR RE203682, ORDER RE203682
2 - Контрол. СКК и ряда маршр. RE201259 Поддерживаемые модели9320, 9420, 9520 Примечание:SCO Controller (SCV 4 and 5) MARKED RE201265, SUB FOR RE198411
2 - SCV/Row Trak Control Reman PG200747 Поддерживаемые модели9320, 9420, 9520 Примечание:REMAN FOR RE201259, ORDER RE201259
2 - Контроллер СКК RE203684 Поддерживаемые модели9320, 9420, 9520 Примечание:Scraper Tractor High Flow, SCO Controller (SCV 4 and 5) MARKED RE203699
2 - SCV/Row Trak Control Reman PG200751 Поддерживаемые модели9320, 9420, 9520 Примечание:REMAN FOR RE203684, ORDER RE203684
3 - Винт R124359 Количество:8 Поддерживаемые модели9320, 9420, 9520
4 - Центральный блок управления RE231816 Поддерживаемые модели9320, 9420, 9520 Примечание:SUB FOR RE223933 OR RE218099 OR RE190866 OR RE197964 OR RE201524 OR RE208409
4 - Vehicle Controller Reman PG200754 Поддерживаемые модели9320, 9420, 9520 Примечание:REMAN FOR RE231816, ORDER RE231816
5 - Жгут проводов RE166608 Поддерживаемые модели9320, 9420, 9520 Tractor Serial No.______-009999 Примечание:MST, FOCUS 6
5 - Жгут проводов RE257898 Поддерживаемые модели9320, 9420, 9520 Tractor Serial No.010000-______ Примечание:MST, FOCUS 6 SUB FOR RE234440 OR RE226550 OR RE218729 OR RE215322 OR RE204372
5 - Жгут проводов RE166609 Поддерживаемые модели9320, 9420, 9520 Tractor Serial No.______-009999 Примечание:PST, FOCUS 6
5 - Жгут проводов RE257900 Поддерживаемые модели9320, 9420, 9520 Tractor Serial No.010000-______ Примечание:PST, FOCUS 6 SUB FOR RE234442 OR RE226552 OR RE215326 OR RE218731
6 - Шайба 24H1923 Количество:3 Поддерживаемые модели9320, 9420, 9520 Примечание:9/32" X 3/4" X 0.120"
7 - Электрон. блок управления RE207311 Поддерживаемые модели9320, 9420, 9520
8 - Скоба AH117301 Поддерживаемые модели9320, 9420, 9520
9 - Жгут проводов RE65311 Поддерживаемые модели9320, 9420, 9520 Tractor Serial No.______-021542 Примечание:SCO, 4 / 5 SCV USE WITH RE226550 OR RE226552
10 - Контроллер двигателя RE507980 Поддерживаемые модели9320, 9420, 9520 Примечание:БУД
10 - Контроллер коробки перед. YZ502402 Поддерживаемые модели9320, 9420, 9520 Tractor Serial No.______-002424 Примечание:PST SUB FOR YZ501807
10 - Контроллер коробки перед. YZ502401 Поддерживаемые модели9320, 9420, 9520 Tractor Serial No.002425-011407 Примечание:PST SUB FOR YZ501819
10 - Модуль YZ502338 Поддерживаемые модели9320, 9420, 9520 Tractor Serial No.011408-______ Примечание:PST SUB FOR YZ502299 OR YZ502168 OR YZ502121 OR YZ502029 OR YZ502021 OR YZ501904
11 - Винт R164900 Количество:4 Поддерживаемые модели9320, 9420, 9520
12 - Скоба 57M9430 Количество:2 Поддерживаемые модели9320, 9420, 9520
Наверх
Контроллеры (HCUSCU, CCU, ECU, SCO) - ST393115
![Джон Дир 9120 Контроллеры (HCUSCU, CCU, ECU, SCO) Контроллеры (HCUSCU, CCU, ECU, SCO)]()
1 - Контроллер СКК RE201258 Поддерживаемые модели9620 Примечание:HCU/SCU (Hitch and 1, 2, 3 SCV) MARKED RE201264, ALSO ORDER RE216996, SUB FOR RE198402
1 - Hitch & SCV Control Reman PG200746 Поддерживаемые модели9620 Примечание:REMAN FOR RE201258, ORDER RE201258
1 - Контроллер СКК RE216996 Поддерживаемые модели9620
1 - Hitch & SCV Control Reman PG200753 Поддерживаемые модели9620 Примечание:REMAN FOR RE216996, ORDER RE216996
1 - Контроллер СКК RE203682 Поддерживаемые модели9620 Примечание:Scraper Tractor High Flow, HCU/SCU (Hitch and 1, 2, 3 SCV) MARKED RE203698
1 - Hitch & SCV Control Reman PG200750 Поддерживаемые модели9620 Примечание:REMAN FOR RE203682, ORDER RE203682
2 - Контрол. СКК и ряда маршр. RE201259 Поддерживаемые модели9620 Примечание:SCO Controller (SCV 4 and 5) MARKED RE201265, SUB FOR RE198411
2 - SCV/Row Trak Control Reman PG200747 Поддерживаемые модели9620 Примечание:REMAN FOR RE201259, ORDER RE201259
2 - Контроллер СКК RE203684 Поддерживаемые модели9620 Примечание:Scraper Tractor High Flow, SCO Controller (SCV 4 and 5) MARKED RE203699
2 - SCV/Row Trak Control Reman PG200751 Поддерживаемые модели9620 Примечание:REMAN FOR RE203684, ORDER RE203684
3 - Винт R124359 Количество:8 Поддерживаемые модели9620
4 - Центральный блок управления RE231816 Поддерживаемые модели9620 Примечание:SUB FOR RE223933 OR RE218099 OR RE190866 OR RE197964 OR RE201524 OR RE208409
4 - Vehicle Controller Reman PG200754 Поддерживаемые модели9620 Примечание:REMAN FOR RE231816, ORDER RE231816
5 - Жгут проводов RE257898 Поддерживаемые модели9620 Примечание:MST, FOCUS 6 SUB FOR RE234440 OR RE226550 OR RE218729 OR RE215322
5 - Жгут проводов RE257900 Примечание:PST, FOCUS 6 SUB FOR RE234442 OR RE226552 OR RE218731
6 - Шайба 24H1923 Количество:3 Поддерживаемые модели9620 Примечание:9/32" X 3/4" X 0.120"
7 - Электрон. блок управления RE207311 Поддерживаемые модели9620
8 - Скоба AH117301 Поддерживаемые модели9620
9 - Жгут проводов RE65311 Поддерживаемые модели9620 Tractor Serial No.______-021542 Примечание:SCO, 4 / 5 SCV USE WITH RE226550 OR RE226552 OR RE218731
10 - Контроллер двигателя ....... Поддерживаемые модели9620 Примечание:БУД
10 - Модуль YZ502338 Поддерживаемые модели9620 Примечание:SUB FOR YZ502299 OR YZ502168
11 - Винт R164900 Количество:4 Поддерживаемые модели9620
12 - Скоба 57M9430 Количество:2 Поддерживаемые модели9620
Наверх
CONTROLLER (AUTOLOAD) - ST393116 ( КОНТРОЛЛЕР (АВТОЗАГРУЗКА) - )
![Джон Дир 9120 CONTROLLER (AUTOLOAD) CONTROLLER (AUTOLOAD)]()
1 - Кронштейн RE215290 Поддерживаемые модели9320, 9420, 9520
2 - Контроллер СКК RE248326 Поддерживаемые модели9320, 9420, 9520
3 - Винт 19M7834 Количество:2 Поддерживаемые модели9320, 9420, 9520 Примечание:M6 X 45
4 - Жгут проводов шасси RE248146 Поддерживаемые модели9320, 9420, 9520
5 - Обвязной хомут R44302 Поддерживаемые модели9320, 9420, 9520 Посмотреть аналогичные детали
6 - Жгут проводов RE260086 Поддерживаемые модели9320, 9420, 9520
7 - Винт 37M7033 Количество:4 Поддерживаемые модели9320, 9420, 9520
8 - Уплотнение R118309 Поддерживаемые модели9320, 9420, 9520
9 - Пластина R130962 Поддерживаемые модели9320, 9420, 9520
10 - Комплект скрепера RE251258 Поддерживаемые модели9320, 9420, 9520 Tractor Serial No.______-030243
Наверх
УПРАВЛЕНИЕ СЦЕПКОЙ (КРЫЛО) - ST393117
![Джон Дир 9120 УПРАВЛЕНИЕ СЦЕПКОЙ (КРЫЛО) УПРАВЛЕНИЕ СЦЕПКОЙ (КРЫЛО)]()
1 - Тумблер/кулисный переключ. RE160903 Поддерживаемые модели9120, 9220, 9320 Примечание:(INCLUDES (6) 57M7258, (6) R104919, 57M7291 AND 57M7263)
2 - Шайба R121234 Поддерживаемые модели9120, 9220, 9320
3 - Шайба R121236 Поддерживаемые модели9120, 9220, 9320
4 - Гайка R44097 Количество:2 Поддерживаемые модели9120, 9220, 9320
5 - Комплект сцепки RE161844 Поддерживаемые модели9120, 9220, 9320 Примечание:(INCLUDES RE160903, (6) R104846, (6) 57M7258, 57M7260, 57M7291)
6 - Шайба 24H1325 Поддерживаемые модели9120, 9220, 9320 Примечание:15/32" X 59/64" X 0.065"
7 - Шайба 24M7044 Поддерживаемые модели9120, 9220, 9320 Примечание:13 X 20 X 2 mm
Наверх
HITCH CONTROL FENDER - ST783626 ( ЗАМИНКА КОНТРОЛЬ КРЫЛА )
![Джон Дир 9120 HITCH CONTROL FENDER HITCH CONTROL FENDER]()
1 - Тумблер/кулисный переключ. RE160903 Поддерживаемые модели9420, 9520, 9620 Примечание:(INCLUDES (6) 57M7258, (6) R104919, 57M7291 AND 57M7263)
2 - Шайба R121234 Поддерживаемые модели9420, 9520, 9620
3 - Шайба R121236 Поддерживаемые модели9420, 9520, 9620
4 - Гайка R44097 Количество:2 Поддерживаемые модели9420, 9520, 9620
5 - Комплект сцепки RE161844 Поддерживаемые модели9420, 9520, 9620 Примечание:(INCLUDES RE160903, (6) R104846, (6) 57M7258, 57M7260, 57M7291)
6 - Шайба 24H1325 Поддерживаемые модели9420, 9520, 9620 Примечание:15/32" X 59/64" X 0.065"
7 - Шайба 24M7044 Поддерживаемые модели9420, 9520, 9620 Примечание:13 X 20 X 2 mm
Наверх
ДАТЧИК ПОЛОЖЕНИЯ СЦЕПКИ - ST393118
![Джон Дир 9120 ДАТЧИК ПОЛОЖЕНИЯ СЦЕПКИ ДАТЧИК ПОЛОЖЕНИЯ СЦЕПКИ]()
1 - Гайка 14H631 Количество:2 Поддерживаемые модели9120, 9220, 9320 Примечание:0.190"
2 - Шайба 12M7060 Количество:2 Поддерживаемые модели9120, 9220, 9320 Примечание:5.300 mm
3 - Датчик RE261355 Поддерживаемые модели9120, 9220, 9320 Примечание:(SUB FOR RE30295)
4 - Уплотнительное кольцо P48347 Количество:2 Поддерживаемые модели9120, 9220, 9320
5 - Кронштейн R100685 Поддерживаемые модели9120, 9220, 9320
6 - Пружинное кольцо R72653 Поддерживаемые модели9120, 9220, 9320
7 - Опора R100686 Поддерживаемые модели9120, 9220, 9320
8 - Винт с головкой 19M7932 Количество:2 Поддерживаемые модели9120, 9220, 9320 Примечание:M8 X 16
9 - Винт 21H1383 Количество:2 Поддерживаемые модели9120, 9220, 9320 Примечание:0.190" X 2"
10 - Узел попер. рулевой тяги RE54029 Поддерживаемые модели9120, 9220, 9320
11 - Гайка 14H860 Количество:2 Поддерживаемые модели9120, 9220, 9320 Примечание:1/4 дюйма
12 - Ось RE39943 Поддерживаемые модели9120, 9220, 9320
13 - Уплотнительное кольцо A4365R Поддерживаемые модели9120, 9220, 9320
Наверх
ДАТЧИК ПОЛОЖЕНИЯ СЦЕПКИ - ST783627
![Джон Дир 9120 ДАТЧИК ПОЛОЖЕНИЯ СЦЕПКИ ДАТЧИК ПОЛОЖЕНИЯ СЦЕПКИ]()
1 - Гайка 14H631 Количество:2 Поддерживаемые модели9420, 9520, 9620 Примечание:0.190"
2 - Шайба 12M7060 Количество:2 Поддерживаемые модели9420, 9520, 9620 Примечание:5.300 mm
3 - Датчик RE261355 Поддерживаемые модели9420, 9520, 9620 Примечание:(SUB FOR RE30295)
4 - Уплотнительное кольцо P48347 Количество:2 Поддерживаемые модели9420, 9520, 9620
5 - Кронштейн R100685 Поддерживаемые модели9420, 9520, 9620
6 - Пружинное кольцо R72653 Поддерживаемые модели9420, 9520, 9620
7 - Опора R100686 Поддерживаемые модели9420, 9520, 9620
8 - Винт с головкой 19M7932 Количество:2 Поддерживаемые модели9420, 9520, 9620 Примечание:M8 X 16
9 - Винт 21H1383 Количество:2 Поддерживаемые модели9420, 9520, 9620 Примечание:0.190" X 2"
10 - Узел попер. рулевой тяги RE54029 Поддерживаемые модели9420, 9520, 9620
11 - Гайка 14H860 Количество:2 Поддерживаемые модели9420, 9520, 9620 Примечание:1/4 дюйма
12 - Ось RE39943 Поддерживаемые модели9420, 9520, 9620
13 - Уплотнительное кольцо A4365R Поддерживаемые модели9420, 9520, 9620
Наверх
ПЕРЕКЛЮЧАТЕЛЬ ОСВЕЩЕНИЯ ДВЕРИ - ST393119
![Джон Дир 9120 ПЕРЕКЛЮЧАТЕЛЬ ОСВЕЩЕНИЯ ДВЕРИ ПЕРЕКЛЮЧАТЕЛЬ ОСВЕЩЕНИЯ ДВЕРИ]()
1 - Нажимной переключатель RE51234 Поддерживаемые модели9120, 9220, 9320
2 - Гайка R44097 Поддерживаемые модели9120, 9220, 9320
.. - Заглушка 99M7095 Поддерживаемые модели9120, 9220, 9320
Наверх
ПЕРЕКЛЮЧАТЕЛЬ ОСВЕЩЕНИЯ ДВЕРИ - ST783632
![Джон Дир 9120 ПЕРЕКЛЮЧАТЕЛЬ ОСВЕЩЕНИЯ ДВЕРИ ПЕРЕКЛЮЧАТЕЛЬ ОСВЕЩЕНИЯ ДВЕРИ]()
1 - Нажимной переключатель RE51234 Поддерживаемые модели9420, 9520, 9620
2 - Гайка R44097 Поддерживаемые модели9420, 9520, 9620
.. - Заглушка 99M7095 Поддерживаемые модели9420, 9520, 9620
Наверх
ПОТОЛОЧНАЯ ЛАМПА И ПЕРЕКЛЮЧАТЕЛЬ - ST393120
![Джон Дир 9120 ПОТОЛОЧНАЯ ЛАМПА И ПЕРЕКЛЮЧАТЕЛЬ ПОТОЛОЧНАЯ ЛАМПА И ПЕРЕКЛЮЧАТЕЛЬ]()
1 - Тумблер/кулисный переключ. RE48838 Поддерживаемые модели9120, 9220, 9320
1 - Заглушка 99M7073 Поддерживаемые модели9120, 9220, 9320
2 - Лампа RE44590 Поддерживаемые модели9120, 9220, 9320
3 - Корпус электр. разъема 57M7256 Поддерживаемые модели9120, 9220, 9320 Примечание:(ALSO ORDER (2) R104919, (2) 57M7258 AND 57M7316)
4 - Винт 37M7063 Количество:2 Поддерживаемые модели9120, 9220, 9320
5 - Лампа накаливания RE47095 Поддерживаемые модели9120, 9220, 9320 Посмотреть аналогичные детали
5 - Лампа накаливания RE300320 Поддерживаемые модели9120, 9220, 9320 Примечание:Светодиодные фонари
Наверх
ПОТОЛОЧНАЯ ЛАМПА И ПЕРЕКЛЮЧАТЕЛЬ - ST783636
![Джон Дир 9120 ПОТОЛОЧНАЯ ЛАМПА И ПЕРЕКЛЮЧАТЕЛЬ ПОТОЛОЧНАЯ ЛАМПА И ПЕРЕКЛЮЧАТЕЛЬ]()
1 - Тумблер/кулисный переключ. RE48838 Поддерживаемые модели9420, 9520, 9620
1 - Заглушка 99M7073 Поддерживаемые модели9420, 9520, 9620
2 - Лампа RE44590 Поддерживаемые модели9420, 9520, 9620
3 - Корпус электр. разъема 57M7256 Поддерживаемые модели9420, 9520, 9620 Примечание:(ALSO ORDER (2) R104919, (2) 57M7258 AND 57M7316)
4 - Винт 37M7063 Количество:2 Поддерживаемые модели9420, 9520, 9620
5 - Лампа накаливания RE47095 Поддерживаемые модели9420, 9520, 9620 Посмотреть аналогичные детали
5 - Лампа накаливания RE300320 Поддерживаемые модели9420, 9520, 9620 Примечание:Светодиодные фонари
Наверх
ПОДСВЕТКА САЛОНА - ST783060
![Джон Дир 9120 ПОДСВЕТКА САЛОНА ПОДСВЕТКА САЛОНА]()
1 - Кронштейн R133522 Поддерживаемые модели9120, 9220, 9320
2 - Гайка 14M7100 Количество:2 Поддерживаемые модели9120, 9220, 9320 Примечание:M4
3 - Шайба 24M7117 Количество:2 Поддерживаемые модели9120, 9220, 9320 Примечание:4.300 X 9 X 0.800 mm
4 - Муфта 57M7254 Поддерживаемые модели9120, 9220, 9320 Примечание:(ALSO ORDER (2) R104846, (2) 57M7258 AND 57M7289)
5 - Лампа RE64231 Поддерживаемые модели9120, 9220, 9320
6 - Винт 37H214 Количество:2 Поддерживаемые модели9120, 9220, 9320 Примечание:0.190" X 1"
Наверх
ПОДСВЕТКА САЛОНА - ST783061
![Джон Дир 9120 ПОДСВЕТКА САЛОНА ПОДСВЕТКА САЛОНА]()
1 - Кронштейн R133522 Поддерживаемые модели9420, 9520, 9620
2 - Гайка 14M7100 Количество:2 Поддерживаемые модели9420, 9520, 9620 Примечание:M4
3 - Шайба 24M7117 Количество:2 Поддерживаемые модели9420, 9520, 9620 Примечание:4.300 X 9 X 0.800 mm
4 - Муфта 57M7254 Поддерживаемые модели9420, 9520, 9620 Примечание:(ALSO ORDER (2) R104846, (2) 57M7258 AND 57M7289)
5 - Лампа RE64231 Поддерживаемые модели9420, 9520, 9620
6 - Винт 37H214 Количество:2 Поддерживаемые модели9420, 9520, 9620 Примечание:0.190" X 1"
Наверх
КОМПЛЕКТ ОСВЕЩЕНИЯ ДЛЯ ВРАЩАЮЩЕГОСЯ ПРОБЛЕСКОВОГО МАЯЧКА - ST393122
![Джон Дир 9120 КОМПЛЕКТ ОСВЕЩЕНИЯ ДЛЯ ВРАЩАЮЩЕГОСЯ ПРОБЛЕСКОВОГО МАЯЧКА КОМПЛЕКТ ОСВЕЩЕНИЯ ДЛЯ ВРАЩАЮЩЕГОСЯ ПРОБЛЕСКОВОГО МАЯЧКА]()
1 - Винт 19M9056 Количество:2 Поддерживаемые модели9120, 9220, 9320 Serial No.______-030632 Примечание:M6 X 20, (USE WITH RE168335)
1 - Болт 03M7382 Количество:3 Поддерживаемые модели9120, 9220, 9320 Serial No.030633-______ Примечание:M10 X 30
2 - Разъемный хомут R168334 Поддерживаемые модели9120, 9220, 9320 Serial No.______-030632 Примечание:(SUB (2) R234331, (3) 03M7382 AND (3) 14M7546)
3 - Кронштейн RE168335 Поддерживаемые модели9120, 9220, 9320 Serial No.______-030632 Примечание:(SUB (2) R234331, (3) 03M7382 AND (3) 14M7546)
3 - Скоба R234331 Количество:2 Поддерживаемые модели9120, 9220, 9320 Serial No.030633-______
4 - Стопорная гайка 14M7550 Количество:2 Поддерживаемые модели9120, 9220, 9320 Serial No.______-030632 Примечание:M6, (USE WITH RE168335)
4 - Стопорная гайка 14M7546 Количество:3 Поддерживаемые модели9120, 9220, 9320 Serial No.030633-______ Примечание:M10
5 - Заглушка 99M7032 Поддерживаемые модели9120, 9220, 9320
6 - Винт 37M7063 Поддерживаемые модели9120, 9220, 9320
7 - Шайба 24M7260 Поддерживаемые модели9120, 9220, 9320 Serial No.______-030632 Примечание:8.400 X 24 X 2 mm, (USE WITH RE168335)
8 - Ручка 99M7124 Поддерживаемые модели9120, 9220, 9320 Serial No.______-030632 Примечание:(USE WITH RE168335)
9 - Стопор AL81691 Поддерживаемые модели9120, 9220, 9320
10 - Выходное гнездо AZ34621 Поддерживаемые модели9120, 9220, 9320
11 - Заглушка Z51982 Поддерживаемые модели9120, 9220, 9320
12 - Рамка AZ46924 Поддерживаемые модели9120, 9220, 9320
13 - Лампа накаливания 57M7019 Поддерживаемые модели9120, 9220, 9320 Посмотреть аналогичные детали
14 - Отверстие AZ46922 Поддерживаемые модели9120, 9220, 9320
15 - Вращающийся маяк AZ101891 Поддерживаемые модели9120, 9220, 9320 Примечание:(SUB FOR AZ44705)
16 - Жгут проводов кабины RE191835 Поддерживаемые модели9120, 9220, 9320
16 - Узел электрич. разъема R78053 Поддерживаемые модели9120, 9220, 9320
16 - Уплотнение R41440 Поддерживаемые модели9120, 9220, 9320 Примечание:(ВНУТРЕННЯЯ КРЫША)
17 - Жгут проводов кабины RE191836 Поддерживаемые модели9120, 9220, 9320
18 - Обвязной хомут R44302 Количество:2 Поддерживаемые модели9120, 9220, 9320 Посмотреть аналогичные детали
19 - Пластина R234527 Поддерживаемые модели9120, 9220, 9320 Примечание:(SUB FOR R115828)
20 - Стопорная гайка R52130 Количество:2 Поддерживаемые модели9120, 9220, 9320
21 - Переключатель AT140957 Поддерживаемые модели9120, 9220, 9320
22 - Винт 37M7185 Количество:2 Поддерживаемые модели9120, 9220, 9320
23 - Комплект ламп RE239930 Поддерживаемые модели9120, 9220, 9320
Наверх
ПОДСВЕТКА САЛОНА - ST783637
![Джон Дир 9120 ПОДСВЕТКА САЛОНА ПОДСВЕТКА САЛОНА]()
1 - Винт 19M9056 Количество:2 Поддерживаемые модели9420, 9520, 9620 Serial No.______-030632 Примечание:M6 X 20, (USE WITH RE168335)
1 - Болт 03M7382 Количество:3 Поддерживаемые модели9420, 9520, 9620 Serial No.030633-______ Примечание:M10 X 30
2 - Разъемный хомут R168334 Поддерживаемые модели9420, 9520, 9620 Serial No.______-030632 Примечание:(SUB (2) R234331, (3) 03M7382 AND (3) 14M7546)
3 - Кронштейн RE168335 Поддерживаемые модели9420, 9520, 9620 Serial No.______-030632 Примечание:(SUB (2) R234331, (3) 03M7382 AND (3) 14M7546)
3 - Скоба R234331 Количество:2 Поддерживаемые модели9420, 9520, 9620 Serial No.030633-______
4 - Стопорная гайка 14M7550 Количество:2 Поддерживаемые модели9420, 9520, 9620 Serial No.______-030632 Примечание:M6, (USE WITH RE168335)
4 - Стопорная гайка 14M7546 Количество:3 Поддерживаемые модели9420, 9520, 9620 Serial No.030633-______ Примечание:M10
5 - Заглушка 99M7032 Поддерживаемые модели9420, 9520, 9620
6 - Винт 37M7063 Поддерживаемые модели9420, 9520, 9620
7 - Шайба 24M7260 Поддерживаемые модели9420, 9520, 9620 Serial No.______-030632 Примечание:8.400 X 24 X 2 mm, (USE WITH RE168335)
8 - Ручка 99M7124 Поддерживаемые модели9420, 9520, 9620 Serial No.______-030632 Примечание:(USE WITH RE168335)
9 - Стопор AL81691 Поддерживаемые модели9420, 9520, 9620
10 - Выходное гнездо AZ34621 Поддерживаемые модели9420, 9520, 9620
11 - Заглушка Z51982 Поддерживаемые модели9420, 9520, 9620
12 - Рамка AZ46924 Поддерживаемые модели9420, 9520, 9620
13 - Лампа накаливания 57M7019 Поддерживаемые модели9420, 9520, 9620 Посмотреть аналогичные детали
14 - Отверстие AZ46922 Поддерживаемые модели9420, 9520, 9620
15 - Вращающийся маяк AZ101891 Поддерживаемые модели9420, 9520, 9620 Примечание:(SUB FOR AZ44705)
16 - Жгут проводов кабины RE191835 Поддерживаемые модели9420, 9520, 9620
16 - Узел электрич. разъема R78053 Поддерживаемые модели9420, 9520, 9620
16 - Уплотнение R41440 Поддерживаемые модели9420, 9520, 9620 Примечание:(ВНУТРЕННЯЯ КРЫША)
17 - Жгут проводов кабины RE191836 Поддерживаемые модели9420, 9520, 9620
18 - Обвязной хомут R44302 Количество:2 Поддерживаемые модели9420, 9520, 9620 Посмотреть аналогичные детали
19 - Пластина R234527 Поддерживаемые модели9420, 9520, 9620 Примечание:(SUB FOR R115828)
20 - Стопорная гайка R52130 Количество:2 Поддерживаемые модели9420, 9520, 9620
21 - Переключатель AT140957 Поддерживаемые модели9420, 9520, 9620
22 - Винт 37M7185 Количество:2 Поддерживаемые модели9420, 9520, 9620
23 - Комплект ламп RE239930 Поддерживаемые модели9420, 9520, 9620
Наверх
ЛАМПА ПАНЕЛИ УПРАВЛЕНИЯ - ST393123
![Джон Дир 9120 ЛАМПА ПАНЕЛИ УПРАВЛЕНИЯ ЛАМПА ПАНЕЛИ УПРАВЛЕНИЯ]()
1 - Винт 37H203 Количество:4 Поддерживаемые модели9120, 9220, 9320
2 - Лампа RE57892 Количество:2 Поддерживаемые модели9120, 9220, 9320
3 - Стопорная гайка R52130 Количество:4 Поддерживаемые модели9120, 9220, 9320
4 - Лампа накаливания AR48015 Количество:2 Поддерживаемые модели9120, 9220, 9320
5 - Корпус электр. разъема 57M7458 Количество:2 Поддерживаемые модели9120, 9220, 9320
6 - Жгут проводов кабины ....... Поддерживаемые модели9120, 9220, 9320
Наверх
ЛАМПА ПАНЕЛИ УПРАВЛЕНИЯ - ST783640
![Джон Дир 9120 ЛАМПА ПАНЕЛИ УПРАВЛЕНИЯ ЛАМПА ПАНЕЛИ УПРАВЛЕНИЯ]()
1 - Винт 37H203 Количество:4 Поддерживаемые модели9420, 9520, 9620
2 - Лампа RE57892 Количество:2 Поддерживаемые модели9420, 9520, 9620
3 - Стопорная гайка R52130 Количество:4 Поддерживаемые модели9420, 9520, 9620
4 - Лампа накаливания AR48015 Количество:2 Поддерживаемые модели9420, 9520, 9620
5 - Корпус электр. разъема 57M7458 Количество:2 Поддерживаемые модели9420, 9520, 9620
6 - Жгут проводов кабины ....... Поддерживаемые модели9420, 9520, 9620
Наверх
КОМПЛЕКТ ПЕРЕКЛЮЧАТЕЛЕЙ ВРАЩАЮЩЕГОСЯ ПРОБЛЕСКОВОГО МАЯЧКА - ST393124
![Джон Дир 9120 КОМПЛЕКТ ПЕРЕКЛЮЧАТЕЛЕЙ ВРАЩАЮЩЕГОСЯ ПРОБЛЕСКОВОГО МАЯЧКА КОМПЛЕКТ ПЕРЕКЛЮЧАТЕЛЕЙ ВРАЩАЮЩЕГОСЯ ПРОБЛЕСКОВОГО МАЯЧКА]()
1 - Уплотнение N30256 Количество:2 Поддерживаемые модели9120, 9220, 9320 Cab Serial No.______-039999
1 - Уплотнение R41440 Количество:2 Поддерживаемые модели9120, 9220, 9320 Cab Serial No.040000-______
2 - Жгут проводов RE51267 Поддерживаемые модели9120, 9220, 9320
3 - Пластина R234527 Поддерживаемые модели9120, 9220, 9320 Примечание:(SUB FOR R115828)
4 - Стопорная гайка R52130 Количество:2 Поддерживаемые модели9120, 9220, 9320
5 - Переключатель AT140957 Поддерживаемые модели9120, 9220, 9320
6 - Винт 37M7185 Количество:2 Поддерживаемые модели9120, 9220, 9320
7 - Тумблер/кулисный переключ. RE235448 Поддерживаемые модели9120, 9220, 9320
Наверх
КОМПЛЕКТ ПЕРЕКЛЮЧАТЕЛЕЙ ВРАЩАЮЩЕГОСЯ ПРОБЛЕСКОВОГО МАЯЧКА - ST783642
![Джон Дир 9120 КОМПЛЕКТ ПЕРЕКЛЮЧАТЕЛЕЙ ВРАЩАЮЩЕГОСЯ ПРОБЛЕСКОВОГО МАЯЧКА КОМПЛЕКТ ПЕРЕКЛЮЧАТЕЛЕЙ ВРАЩАЮЩЕГОСЯ ПРОБЛЕСКОВОГО МАЯЧКА]()
1 - Уплотнение N30256 Количество:2 Поддерживаемые модели9420, 9520, 9620 Cab Serial No.______-039999
1 - Уплотнение R41440 Количество:2 Поддерживаемые модели9420, 9520, 9620 Cab Serial No.040000-______
2 - Жгут проводов RE51267 Поддерживаемые модели9420, 9520, 9620
3 - Пластина R234527 Поддерживаемые модели9420, 9520, 9620 Примечание:(SUB FOR R115828)
4 - Стопорная гайка R52130 Количество:2 Поддерживаемые модели9420, 9520, 9620
5 - Переключатель AT140957 Поддерживаемые модели9420, 9520, 9620
6 - Винт 37M7185 Количество:2 Поддерживаемые модели9420, 9520, 9620
7 - Тумблер/кулисный переключ. RE235448 Поддерживаемые модели9420, 9520, 9620
Наверх
ПЕРЕКЛЮЧАТЕЛЬ ГИДРАВЛИЧЕСКОЙ БЛОКИРОВКИ ДИФФЕРЕНЦИАЛА - ST393125
![Джон Дир 9120 ПЕРЕКЛЮЧАТЕЛЬ ГИДРАВЛИЧЕСКОЙ БЛОКИРОВКИ ДИФФЕРЕНЦИАЛА ПЕРЕКЛЮЧАТЕЛЬ ГИДРАВЛИЧЕСКОЙ БЛОКИРОВКИ ДИФФЕРЕНЦИАЛА]()
1 - Метка L80302 Поддерживаемые модели9120, 9220, 9320
2 - Пускатель RE43637 Поддерживаемые модели9120, 9220, 9320
3 - Уплотнительное кольцо 51M7042 Поддерживаемые модели9120, 9220, 9320 Примечание:13.300 X 2.200 mm
4 - Переключатель RE46534 Поддерживаемые модели9120, 9220, 9320
5 - Муфта 57M7328 Поддерживаемые модели9120, 9220, 9320 Примечание:(ALSO ORDER (2) R104846, (2) 57M7258 AND 57M7316)
6 - Жгут проводов кабины ....... Поддерживаемые модели9120, 9220, 9320
Наверх
ПЕРЕКЛЮЧАТЕЛЬ ГИДРАВЛИЧЕСКОЙ БЛОКИРОВКИ ДИФФЕРЕНЦИАЛА - ST783644
![Джон Дир 9120 ПЕРЕКЛЮЧАТЕЛЬ ГИДРАВЛИЧЕСКОЙ БЛОКИРОВКИ ДИФФЕРЕНЦИАЛА ПЕРЕКЛЮЧАТЕЛЬ ГИДРАВЛИЧЕСКОЙ БЛОКИРОВКИ ДИФФЕРЕНЦИАЛА]()
1 - Метка L80302 Поддерживаемые модели9420, 9520, 9620
2 - Пускатель RE43637 Поддерживаемые модели9420, 9520, 9620
3 - Уплотнительное кольцо 51M7042 Поддерживаемые модели9420, 9520, 9620 Примечание:13.300 X 2.200 mm
4 - Переключатель RE46534 Поддерживаемые модели9420, 9520, 9620
5 - Муфта 57M7328 Поддерживаемые модели9420, 9520, 9620 Примечание:(ALSO ORDER (2) R104846, (2) 57M7258 AND 57M7316)
6 - Жгут проводов кабины ....... Поддерживаемые модели9420, 9520, 9620
Наверх
ПЕРЕКЛЮЧАТЕЛЬ ТОРМОЗА - ST393126
![Джон Дир 9120 ПЕРЕКЛЮЧАТЕЛЬ ТОРМОЗА ПЕРЕКЛЮЧАТЕЛЬ ТОРМОЗА]()
1 - Нажимной переключатель RE66277 Поддерживаемые модели9120, 9220, 9320
2 - Стопор R124716 Поддерживаемые модели9120, 9220, 9320
3 - Кронштейн R194599 Поддерживаемые модели9120, 9220, 9320
Наверх
ПЕРЕКЛЮЧАТЕЛЬ ГИДРАВЛИЧЕСКОЙ БЛОКИРОВКИ ДИФФЕРЕНЦИАЛА - ST783648
![Джон Дир 9120 ПЕРЕКЛЮЧАТЕЛЬ ГИДРАВЛИЧЕСКОЙ БЛОКИРОВКИ ДИФФЕРЕНЦИАЛА ПЕРЕКЛЮЧАТЕЛЬ ГИДРАВЛИЧЕСКОЙ БЛОКИРОВКИ ДИФФЕРЕНЦИАЛА]()
1 - Нажимной переключатель RE66277 Поддерживаемые модели9420, 9520, 9620
2 - Стопор R124716 Поддерживаемые модели9420, 9520, 9620
3 - Кронштейн R194599 Поддерживаемые модели9420, 9520, 9620
Наверх
ПЕРЕКЛЮЧАТЕЛЬ ЗАМЕДЛИТЕЛЯ - ST778567
![Джон Дир 9120 ПЕРЕКЛЮЧАТЕЛЬ ЗАМЕДЛИТЕЛЯ ПЕРЕКЛЮЧАТЕЛЬ ЗАМЕДЛИТЕЛЯ]()
1 - Винт 37M7089 Количество:2 Поддерживаемые модели9120, 9220, 9320 Примечание:M6 X 12
2 - Переключатель AT63480 Поддерживаемые модели9120, 9220, 9320
Наверх
ПЕРЕКЛЮЧАТЕЛЬ ЗАМЕДЛИТЕЛЯ - ST778569
![Джон Дир 9120 ПЕРЕКЛЮЧАТЕЛЬ ЗАМЕДЛИТЕЛЯ ПЕРЕКЛЮЧАТЕЛЬ ЗАМЕДЛИТЕЛЯ]()
1 - Винт 37M7089 Количество:2 Поддерживаемые модели9420, 9520, 9620 Примечание:M6 X 12
2 - Переключатель AT63480 Поддерживаемые модели9420, 9520, 9620
Наверх
NEUTRAL START SWITCH KIT (MST) - ST393128 ( НЕЙТРАЛИ КОМПЛЕКТ (МСТ) - )
![Джон Дир 9120 NEUTRAL START SWITCH KIT (MST) NEUTRAL START SWITCH KIT (MST)]()
1 - Обвязной хомут R44302 Количество:4 Поддерживаемые модели9120, 9220 Посмотреть аналогичные детали
2 - Уплотнительное кольцо R26448 Поддерживаемые модели9120, 9220
3 - Прокладка T16911 Количество:3 Поддерживаемые модели9120, 9220
4 - Указатель RE37996 Поддерживаемые модели9120, 9220
5 - Комплект переключателя RE39116 Поддерживаемые модели9120, 9220
Наверх
NEUTRAL START SWITCH KIT (MST) - ST393129 ( НЕЙТРАЛИ КОМПЛЕКТ (МСТ) - )
![Джон Дир 9120 NEUTRAL START SWITCH KIT (MST) NEUTRAL START SWITCH KIT (MST)]()
1 - Обвязной хомут R44302 Количество:4 Поддерживаемые модели9320, 9420 Посмотреть аналогичные детали
2 - Уплотнительное кольцо R26448 Поддерживаемые модели9320, 9420
3 - Прокладка T16911 Количество:3 Поддерживаемые модели9320, 9420
4 - Указатель RE37996 Поддерживаемые модели9320, 9420
5 - Комплект переключателя RE39116 Поддерживаемые модели9320, 9420
Наверх
Performance Monitor - ST393130 ( Монитор Производительности - )
![Джон Дир 9120 Performance Monitor Performance Monitor]()
1 - Панель монитора RE60389 Поддерживаемые модели9120, 9220, 9320 Примечание:(INCLUDES (5) R107890)
2 - Кронштейн R124225 Поддерживаемые модели9120, 9220, 9320
3 - Винт с головкой 19M7156 Поддерживаемые модели9120, 9220, 9320 Примечание:M10 X 60
4 - Лампа накаливания R107890 Количество:5 Поддерживаемые модели9120, 9220, 9320 Посмотреть аналогичные детали
5 - Кронштейн R124771 Поддерживаемые модели9120, 9220, 9320
6 - Гайка 14M7274 Поддерживаемые модели9120, 9220, 9320 Примечание:M10
7 - Винт 37M7089 Количество:4 Поддерживаемые модели9120, 9220, 9320 Примечание:M6 X 12
8 - Винт с головкой 19M7560 Поддерживаемые модели9120, 9220, 9320 Примечание:M6 X 16
9 - Винт с головкой 19M7166 Количество:2 Поддерживаемые модели9120, 9220, 9320 Примечание:M10 X 20
10 - Опора R132572 Поддерживаемые модели9120, 9220, 9320
11 - Корпус электр. разъема 57M7470 Поддерживаемые модели9120, 9220, 9320
12 - Жгут проводов RE60540 Поддерживаемые модели9120, 9220, 9320
13 - Уплотнение R115350 Поддерживаемые модели9120, 9220, 9320
14 - Узел электрич. разъема 57M7715 Поддерживаемые модели9120, 9220, 9320
15 - Узел электрич. разъема 57M7714 Поддерживаемые модели9120, 9220, 9320
16 - Шайба 24M7100 Количество:2 Поддерживаемые модели9120, 9220, 9320 Примечание:6.600 X 22 X 2 mm
17 - Комп. д/установки в поле RE67738 Поддерживаемые модели9120, 9220, 9320 Примечание:ЗАКАЖИТЕ КОМПОНЕНТЫ
Наверх
Performance Monitor - ST783657 ( Монитор Производительности - )
![Джон Дир 9120 Performance Monitor Performance Monitor]()
1 - Панель монитора RE60389 Поддерживаемые модели9420, 9520, 9620 Примечание:INCLUDES (5) R107890
2 - Кронштейн R124225 Поддерживаемые модели9420, 9520, 9620
3 - Винт с головкой 19M7156 Поддерживаемые модели9420, 9520, 9620 Примечание:M10 X 60
4 - Лампа накаливания R107890 Количество:5 Поддерживаемые модели9420, 9520, 9620 Посмотреть аналогичные детали
5 - Кронштейн R124771 Поддерживаемые модели9420, 9520, 9620
6 - Гайка 14M7274 Поддерживаемые модели9420, 9520, 9620 Примечание:M10
7 - Винт 37M7089 Количество:4 Поддерживаемые модели9420, 9520, 9620 Примечание:M6 X 12
8 - Винт с головкой 19M7560 Поддерживаемые модели9420, 9520, 9620 Примечание:M6 X 16
9 - Винт с головкой 19M7166 Количество:2 Поддерживаемые модели9420, 9520, 9620 Примечание:M10 X 20
10 - Опора R132572 Поддерживаемые модели9420, 9520, 9620
11 - Корпус электр. разъема 57M7470 Поддерживаемые модели9420, 9520, 9620
12 - Жгут проводов RE60540 Поддерживаемые модели9420, 9520, 9620
13 - Уплотнение R115350 Поддерживаемые модели9420, 9520, 9620
14 - Узел электрич. разъема 57M7715 Поддерживаемые модели9420, 9520, 9620
15 - Узел электрич. разъема 57M7714 Поддерживаемые модели9420, 9520, 9620
16 - Шайба 24M7100 Количество:2 Поддерживаемые модели9420, 9520, 9620 Примечание:6.600 X 22 X 2 mm
17 - Комп. д/установки в поле RE67738 Поддерживаемые модели9420, 9520, 9620 Примечание:ЗАКАЖИТЕ КОМПОНЕНТЫ
Наверх
ДИСПЛЕЙ УГЛОВОЙ СТОЙКИ - ST393131
![Джон Дир 9120 ДИСПЛЕЙ УГЛОВОЙ СТОЙКИ ДИСПЛЕЙ УГЛОВОЙ СТОЙКИ]()
1 - Лампа накаливания R107890 Количество:5 Поддерживаемые модели9120, 9220, 9320 Посмотреть аналогичные детали
2 - Тахометр RE229326 Поддерживаемые модели9120, 9220, 9320 Примечание:(SUB FOR RE208301 OR RE60615)
3 - Зажимная скоба R120160 Количество:4 Поддерживаемые модели9120, 9220, 9320
4 - Узел электрич. разъема 57M7715 Поддерживаемые модели9120, 9220, 9320
5 - Жгут проводов кабины ....... Поддерживаемые модели9120, 9220, 9320
Наверх
ДИСПЛЕЙ УГЛОВОЙ СТОЙКИ - ST783662
![Джон Дир 9120 ДИСПЛЕЙ УГЛОВОЙ СТОЙКИ ДИСПЛЕЙ УГЛОВОЙ СТОЙКИ]()
1 - Лампа накаливания R107890 Количество:5 Поддерживаемые модели9420, 9520, 9620 Посмотреть аналогичные детали
2 - Тахометр RE229326 Поддерживаемые модели9420, 9520, 9620 Примечание:(SUB FOR RE208301 OR RE60615)
3 - Зажимная скоба R120160 Количество:4 Поддерживаемые модели9420, 9520, 9620
4 - Узел электрич. разъема 57M7715 Поддерживаемые модели9420, 9520, 9620
5 - Жгут проводов кабины ....... Поддерживаемые модели9420, 9520, 9620
Наверх
HORN - ST393132 ( Рога - )
![Джон Дир 9120 HORN HORN]()
1 - Гудок AL203265 Поддерживаемые модели9120, 9220, 9320 Примечание:(SUB FOR AL114614 OR RE159897)
2 - Кронштейн R153925 Поддерживаемые модели9120, 9220, 9320
3 - Шайба 24M7036 Поддерживаемые модели9120, 9220, 9320 Примечание:9 X 16 X 1.600 mm
4 - Прокладка 24M7273 Поддерживаемые модели9120, 9220, 9320
5 - Винт 37M7092 Поддерживаемые модели9120, 9220, 9320 Примечание:M8 X 16
Наверх
Horn - ST783665 ( Рога - )
![Джон Дир 9120 Horn Horn]()
1 - Гудок AL203265 Поддерживаемые модели9420, 9520, 9620 Примечание:(SUB FOR AL114614 OR RE159897)
2 - Кронштейн R153925 Поддерживаемые модели9420, 9520, 9620
3 - Шайба 24M7036 Поддерживаемые модели9420, 9520, 9620 Примечание:9 X 16 X 1.600 mm
4 - Прокладка 24M7273 Поддерживаемые модели9420, 9520, 9620
5 - Винт 37M7092 Поддерживаемые модели9420, 9520, 9620 Примечание:M8 X 16
Наверх
Implement Switch - ST778521 ( Реализовать Переключатель - )
![Джон Дир 9120 Implement Switch Implement Switch]()
1 - Проволока R83562 Поддерживаемые модели9120, 9220, 9320 Примечание:ORDER AA91311
2 - Переключатель AA91311 Поддерживаемые модели9120, 9220, 9320 Примечание:SUB FOR RE49242
2 - Винт 37H24 Поддерживаемые модели9120, 9220, 9320 Примечание:1/4" X 3/4"
3 - Винт с головкой 19H1914 Количество:2 Поддерживаемые модели9120, 9220, 9320 Примечание:1/4" X 1"
4 - Гайка 14H786 Количество:2 Поддерживаемые модели9120, 9220, 9320 Примечание:1/4 дюйма
5 - Стопорная шайба 12H302 Количество:2 Поддерживаемые модели9120, 9220, 9320 Примечание:1/4 дюйма
6 - Скоба TY22473 Поддерживаемые модели9120, 9220, 9320
6 - Скоба C16054 Поддерживаемые модели9120, 9220, 9320
7 - Винт с головкой 19H1914 Количество:2 Поддерживаемые модели9120, 9220, 9320 Примечание:1/4" X 1"
8 - Гайка 14H786 Количество:2 Поддерживаемые модели9120, 9220, 9320 Примечание:1/4 дюйма
9 - Стопорная шайба 12H302 Количество:2 Поддерживаемые модели9120, 9220, 9320 Примечание:1/4 дюйма
10 - Узел электрич. разъема R78053 Поддерживаемые модели9120, 9220, 9320 Примечание:(ALSO ORDER (2) R78061 AND R78063)
11 - Клемма электр. разъема RE12363 Поддерживаемые модели9120, 9220, 9320 Примечание:(ALSO ORDER (2) R78060, (2) R78063 AND R78048)
12 - Жгут проводов RE21099 Поддерживаемые модели9120, 9220, 9320
13 - Комплект переключателя RE21519 Поддерживаемые модели9120, 9220, 9320 Примечание:(FI)
14 - Клемма электр. разъема RE12363 Поддерживаемые модели9120, 9220, 9320 Примечание:(ALSO ORDER (2) R78060, R78048 AND (2) R78063)
15 - Жгут проводов RE63376 Поддерживаемые модели9120, 9220, 9320
Наверх
Implement Switch - ST778522 ( Реализовать Переключатель - )
![Джон Дир 9120 Implement Switch Implement Switch]()
1 - Проволока R83562 Поддерживаемые модели9420, 9520, 9620 Примечание:ORDER AA91311
2 - Переключатель AA91311 Поддерживаемые модели9420, 9520, 9620 Примечание:SUB FOR RE49242
2 - Винт 37H24 Поддерживаемые модели9420, 9520, 9620 Примечание:1/4" X 3/4"
3 - Винт с головкой 19H1914 Количество:2 Поддерживаемые модели9420, 9520, 9620 Примечание:1/4" X 1"
4 - Гайка 14H786 Количество:2 Поддерживаемые модели9420, 9520, 9620 Примечание:1/4 дюйма
5 - Стопорная шайба 12H302 Количество:2 Поддерживаемые модели9420, 9520, 9620 Примечание:1/4 дюйма
6 - Скоба TY22473 Поддерживаемые модели9420, 9520, 9620
6 - Скоба C16054 Поддерживаемые модели9420, 9520, 9620
7 - Винт с головкой 19H1914 Количество:2 Поддерживаемые модели9420, 9520, 9620 Примечание:1/4" X 1"
8 - Гайка 14H786 Количество:2 Поддерживаемые модели9420, 9520, 9620 Примечание:1/4 дюйма
9 - Стопорная шайба 12H302 Количество:2 Поддерживаемые модели9420, 9520, 9620 Примечание:1/4 дюйма
10 - Узел электрич. разъема R78053 Поддерживаемые модели9420, 9520, 9620 Примечание:(ALSO ORDER (2) R78061 AND R78063)
11 - Клемма электр. разъема RE12363 Поддерживаемые модели9420, 9520, 9620 Примечание:(ALSO ORDER (2) R78060, (2) R78063 AND R78048)
12 - Жгут проводов RE21099 Поддерживаемые модели9420, 9520, 9620
13 - Комплект переключателя RE21519 Поддерживаемые модели9420, 9520, 9620 Примечание:(FI)
14 - Клемма электр. разъема RE12363 Поддерживаемые модели9420, 9520, 9620 Примечание:(ALSO ORDER (2) R78060, R78048 AND (2) R78063)
15 - Жгут проводов RE63376 Поддерживаемые модели9420, 9520, 9620
Наверх
RADAR ( - 002148) - ST393134 ( Радар ( - ) - )
![Джон Дир 9120 RADAR ( RADAR (]()
1 - Комп. д/установки в поле RE70364 Поддерживаемые модели9120, 9220, 9320 Примечание:(NORTH AMERICAN VERSION) (SUB RE203971)
1 - Комп. д/установки в поле RE70364 Поддерживаемые модели9120, 9220, 9320 Примечание:(UNITED KINGDOM) (SUB RE203973)
2 - Радиолокационный датчик RE152877 Поддерживаемые модели9120, 9220, 9320 Примечание:(NORTH AMERICAN VERSION) (SUB RE203971)
2 - Радиолокационный датчик RE152877 Поддерживаемые модели9120, 9220, 9320 Примечание:(UNITED KINGDOM) (SUB RE203973)
3 - Шайба 24M7040 Количество:3 Поддерживаемые модели9120, 9220, 9320 Примечание:11 X 20 X 2 mm
4 - Винт 19M7784 Количество:3 Поддерживаемые модели9120, 9220, 9320 Примечание:M10 X 20
5 - Узел электрич. разъема T138822 Поддерживаемые модели9120, 9220, 9320 Примечание:(ALSO ORDER (4) 57M7257)
6 - Узел электрич. разъема RE42193 Поддерживаемые модели9120, 9220, 9320 Примечание:(ALSO ORDER (4) 57M7303 AND (4) R78059)
7 - Жгут проводов ....... Поддерживаемые модели9120, 9220, 9320 Примечание:(Двигатель и шасси)
Наверх
Radar ( - 002148) - ST783667 ( Радар ( - ) - )
![Джон Дир 9120 Radar ( Radar (]()
1 - Комп. д/установки в поле RE70364 Поддерживаемые модели9420, 9520, 9620 Примечание:(NORTH AMERICAN VERSION) (SUB RE203971)
1 - Комп. д/установки в поле RE70364 Поддерживаемые модели9420, 9520, 9620 Примечание:(UNITED KINGDOM) (SUB RE203973)
2 - Радиолокационный датчик RE152877 Поддерживаемые модели9420, 9520, 9620 Примечание:(NORTH AMERICAN VERSION) (SUB RE203971)
2 - Радиолокационный датчик RE152877 Поддерживаемые модели9420, 9520, 9620 Примечание:(UNITED KINGDOM) (SUB RE203973)
3 - Шайба 24M7040 Количество:3 Поддерживаемые модели9420, 9520, 9620 Примечание:11 X 20 X 2 mm
4 - Винт 19M7784 Количество:3 Поддерживаемые модели9420, 9520, 9620 Примечание:M10 X 20
5 - Узел электрич. разъема T138822 Поддерживаемые модели9420, 9520, 9620 Примечание:(ALSO ORDER (4) 57M7257)
6 - Узел электрич. разъема RE42193 Поддерживаемые модели9420, 9520, 9620 Примечание:(ALSO ORDER (4) 57M7303 AND (4) R78059)
7 - Жгут проводов ....... Поддерживаемые модели9420, 9520, 9620 Примечание:(Двигатель и шасси)
Наверх
RADAR (002149 - ) - ST393135 ( Радар ( - ) - )
![Джон Дир 9120 RADAR (002149 RADAR (002149]()
1 - Комп. д/установки в поле RE237264 Поддерживаемые модели9120, 9220, 9320 Примечание:(NORTH AMERICAN VERSION) (SUB FOR RE203971 OR RE218443)
1 - Комп. д/установки в поле RE237265 Поддерживаемые модели9120, 9220, 9320 Примечание:(UNITED KINGDOM) (SUB FOR RE203973 OR RE218450)
2 - Радиолокационный датчик RE235734 Поддерживаемые модели9120, 9220, 9320 Примечание:(NORTH AMERICAN VERSION) (SUB FOR RE184684 OR RE206770)
2 - Радиолокационный датчик RE235739 Поддерживаемые модели9120, 9220, 9320 Примечание:(UNITED KINGDOM) (SUB FOR RE184694 OR RE206771)
3 - Жгут проводов RE21098 Поддерживаемые модели9120, 9220, 9320
4 - Обвязной хомут R105388 Количество:3 Поддерживаемые модели9120, 9220, 9320
5 - Гайка 14M7273 Количество:3 Поддерживаемые модели9120, 9220, 9320 Примечание:M8
6 - Опора R221149 Поддерживаемые модели9120, 9220, 9320 Примечание:(SUB FOR R201477)
7 - Шайба 24M7180 Количество:4 Поддерживаемые модели9120, 9220, 9320 Примечание:(WITH TAPPED HOLES) 13 X 37 X 3 mm
7 - Шайба 24M7101 Количество:8 Поддерживаемые модели9120, 9220, 9320 Примечание:11 X 34 X 3 mm
7 - Шайба 24M7180 Количество:2 Поддерживаемые модели9120, 9220, 9320 Примечание:(HIGH FLOW HYDRAULICS) 13 X 37 X 3 mm
8 - Стопорная гайка 14M7517 Количество:4 Поддерживаемые модели9120, 9220, 9320 Примечание:M10
9 - Винт с головкой 19M7872 Количество:4 Поддерживаемые модели9120, 9220, 9320 Примечание:(WITH TAPPED HOLES) M12 X 25
9 - Винт с головкой 19M7875 Количество:4 Поддерживаемые модели9120, 9220, 9320 Примечание:M10 X 70
9 - Винт с головкой 19M7872 Количество:2 Поддерживаемые модели9120, 9220, 9320 Примечание:(HIGH FLOW HYDRAULICS) M12 X 25
10 - Винт 19M7866 Количество:3 Поддерживаемые модели9120, 9220, 9320 Примечание:M8 X 20
11 - Шайба 24M7055 Количество:3 Поддерживаемые модели9120, 9220, 9320 Примечание:8.400 X 16 X 1.600 mm
12 - Пластина R221329 Поддерживаемые модели9120, 9220, 9320 Примечание:(HIGH FLOW HYDRAULICS)
.. - Изолятор R216101 Поддерживаемые модели9120, 9220, 9320 Примечание:(146MM), (CUT FROM R238037)
Наверх
Radar (002149 - ) - ST783668 ( Радар ( - ) - )
![Джон Дир 9120 Radar (002149 Radar (002149]()
1 - Комп. д/установки в поле RE237264 Поддерживаемые модели9420, 9520, 9620 Примечание:(NORTH AMERICAN VERSION) (SUB FOR RE203971 OR RE218443)
1 - Комп. д/установки в поле RE237265 Поддерживаемые модели9420, 9520, 9620 Примечание:(UNITED KINGDOM) (SUB FOR RE203973 OR RE218450)
2 - Радиолокационный датчик RE235734 Поддерживаемые модели9420, 9520, 9620 Примечание:(NORTH AMERICAN VERSION) (SUB FOR RE184684 OR RE206770)
2 - Радиолокационный датчик RE235739 Поддерживаемые модели9420, 9520, 9620 Примечание:(UNITED KINGDOM) (SUB FOR RE184694 OR RE206771)
3 - Жгут проводов RE21098 Поддерживаемые модели9420, 9520, 9620
4 - Обвязной хомут R105388 Количество:3 Поддерживаемые модели9420, 9520, 9620
5 - Гайка 14M7273 Количество:3 Поддерживаемые модели9420, 9520, 9620 Примечание:M8
6 - Опора R221149 Поддерживаемые модели9420, 9520, 9620 Примечание:(SUB FOR R201477)
7 - Шайба 24M7180 Количество:4 Поддерживаемые модели9420, 9520, 9620 Примечание:(WITH TAPPED HOLES) 13 X 37 X 3 mm
7 - Шайба 24M7101 Количество:8 Поддерживаемые модели9420, 9520, 9620 Примечание:11 X 34 X 3 mm
7 - Шайба 24M7180 Количество:2 Поддерживаемые модели9420, 9520, 9620 Примечание:(HIGH FLOW HYDRAULICS) 13 X 37 X 3 mm
8 - Стопорная гайка 14M7517 Количество:4 Поддерживаемые модели9420, 9520, 9620 Примечание:M10
9 - Винт с головкой 19M7872 Количество:4 Поддерживаемые модели9420, 9520, 9620 Примечание:(WITH TAPPED HOLES) M12 X 25
9 - Винт с головкой 19M7875 Количество:4 Поддерживаемые модели9420, 9520, 9620 Примечание:M10 X 70
9 - Винт с головкой 19M7872 Количество:2 Поддерживаемые модели9420, 9520, 9620 Примечание:(HIGH FLOW HYDRAULICS) M12 X 25
10 - Винт 19M7866 Количество:3 Поддерживаемые модели9420, 9520, 9620 Примечание:M8 X 20
11 - Шайба 24M7055 Количество:3 Поддерживаемые модели9420, 9520, 9620 Примечание:8.400 X 16 X 1.600 mm
12 - Пластина R221329 Поддерживаемые модели9420, 9520, 9620 Примечание:(HIGH FLOW HYDRAULICS)
.. - Изолятор R216101 Поддерживаемые модели9420, 9520, 9620 Примечание:(146MM), (CUT FROM R238037)
Наверх
ДВУЛУЧЕВОЙ РАДАР - ST393136
![Джон Дир 9120 ДВУЛУЧЕВОЙ РАДАР ДВУЛУЧЕВОЙ РАДАР]()
1 - Метка L65000 Поддерживаемые модели9120, 9220, 9320
2 - Кронштейн RE261438 Поддерживаемые модели9120, 9220, 9320 Примечание:(SUB FOR RE239372)
3 - Винт 19M7785 Количество:4 Поддерживаемые модели9120, 9220, 9320 Примечание:M10 X 25
4 - Фланцевая гайка 14M7298 Количество:4 Поддерживаемые модели9120, 9220, 9320 Примечание:M8
5 - Шайба 24M7101 Количество:4 Поддерживаемые модели9120, 9220, 9320 Примечание:11 X 34 X 3 mm
6 - Изолятор RE240603 Количество:4 Поддерживаемые модели9120, 9220, 9320
7 - Винт 19M7979 Количество:4 Поддерживаемые модели9120, 9220, 9320 Примечание:M8 X 55
8 - Распорная втулка R84299 Количество:4 Поддерживаемые модели9120, 9220, 9320
9 - Жгут пров. радиолокатора RE243342 Поддерживаемые модели9120, 9220, 9320
10 - Комп. д/установки в поле RE261439 Поддерживаемые модели9120, 9220, 9320 Примечание:(SUB FOR RE243203), ORDER COMPONENTS
11 - Радиолокационный датчик RE278980 Поддерживаемые модели9120, 9220, 9320 Примечание:(SUB FOR RE249206)
11 - Радиолокационный датчик RE278984 Поддерживаемые модели9120, 9220, 9320 Примечание:(ВЕЛИКОБРИТАНИЯ) (SUB FOR RE218823)
11 - Радиолокационный датчик RE278986 Поддерживаемые модели9120, 9220, 9320 Примечание:(АВСТРАЛИЯ) (SUB FOR RE243241)
11 - Радиолокационный датчик RE278982 Поддерживаемые модели9120, 9220, 9320 Примечание:(ЕВРОПЕЙСКОЕ ИСПОЛНЕНИЕ) (SUB FOR RE243242)
12 - Обвязной хомут R76477 Поддерживаемые модели9120, 9220, 9320 Посмотреть аналогичные детали
13 - Скоба R50454 Поддерживаемые модели9120, 9220, 9320
14 - Зажимная скоба AH77714 Поддерживаемые модели9120, 9220, 9320
15 - Подпорка R267125 Поддерживаемые модели9120, 9220, 9320 Примечание:(W/AUTOLOAD) (SUB FOR R261037)
16 - Фланцевая гайка 14M7296 Поддерживаемые модели9120, 9220, 9320 Примечание:(W/AUTOLOAD) M10
17 - Винт 19M7835 Поддерживаемые модели9120, 9220, 9320 Примечание:(W/AUTOLOAD) M10 X 35
18 - Винт 19M7786 Поддерживаемые модели9120, 9220, 9320 Примечание:(W/AUTOLOAD) M10 X 30
19 - Винт 19M7784 Поддерживаемые модели9120, 9220, 9320 Примечание:M10 X 20
20 - Обвязной хомут R105388 Количество:3 Поддерживаемые модели9120, 9220, 9320
Наверх
ДВУЛУЧЕВОЙ РАДАР - ST783669
![Джон Дир 9120 ДВУЛУЧЕВОЙ РАДАР ДВУЛУЧЕВОЙ РАДАР]()
1 - Метка L65000 Поддерживаемые модели9420, 9520, 9620
2 - Кронштейн RE261438 Поддерживаемые модели9420, 9520, 9620 Примечание:(SUB FOR RE239372)
3 - Винт 19M7785 Количество:4 Поддерживаемые модели9420, 9520, 9620 Примечание:M10 X 25
4 - Фланцевая гайка 14M7298 Количество:4 Поддерживаемые модели9420, 9520, 9620 Примечание:M8
5 - Шайба 24M7101 Количество:4 Поддерживаемые модели9420, 9520, 9620 Примечание:11 X 34 X 3 mm
6 - Изолятор RE240603 Количество:4 Поддерживаемые модели9420, 9520, 9620
7 - Винт 19M7979 Количество:4 Поддерживаемые модели9420, 9520, 9620 Примечание:M8 X 55
8 - Распорная втулка R84299 Количество:4 Поддерживаемые модели9420, 9520, 9620
9 - Жгут пров. радиолокатора RE243342 Поддерживаемые модели9420, 9520, 9620
10 - Комп. д/установки в поле RE261439 Поддерживаемые модели9420, 9520, 9620 Примечание:(SUB FOR RE243203)
11 - Радиолокационный датчик RE278980 Поддерживаемые модели9420, 9520, 9620 Примечание:(SUB FOR RE249206)
11 - Радиолокационный датчик RE278984 Поддерживаемые модели9420, 9520, 9620 Примечание:(ВЕЛИКОБРИТАНИЯ) (SUB FOR RE218823)
11 - Радиолокационный датчик RE278986 Поддерживаемые модели9420, 9520, 9620 Примечание:(АВСТРАЛИЯ) (SUB FOR RE243241)
11 - Радиолокационный датчик RE278982 Поддерживаемые модели9420, 9520, 9620 Примечание:(ЕВРОПЕЙСКОЕ ИСПОЛНЕНИЕ) (SUB FOR RE243242)
12 - Обвязной хомут R76477 Поддерживаемые модели9420, 9520, 9620 Посмотреть аналогичные детали
13 - Скоба R50454 Поддерживаемые модели9420, 9520, 9620
14 - Зажимная скоба AH77714 Поддерживаемые модели9420, 9520, 9620
15 - Подпорка R267125 Поддерживаемые модели9420, 9520, 9620 Примечание:(W/AUTOLOAD) (SUB FOR R261037)
16 - Фланцевая гайка 14M7296 Поддерживаемые модели9420, 9520, 9620 Примечание:(W/AUTOLOAD) M10
17 - Винт 19M7835 Поддерживаемые модели9420, 9520, 9620 Примечание:(W/AUTOLOAD) M10 X 35
18 - Винт 19M7786 Поддерживаемые модели9420, 9520, 9620 Примечание:(W/AUTOLOAD) M10 X 30
19 - Винт 19M7784 Поддерживаемые модели9420, 9520, 9620 Примечание:M10 X 20
20 - Обвязной хомут R105388 Количество:3 Поддерживаемые модели9420, 9520, 9620
Наверх
Радиоприемник, стереосистема DeereDelco с радиоприемником AMFM-диапазона и одним проигрывателем компакт-дисков, навесное оборудование - ST777519
![Джон Дир 9120 Радиоприемник, стереосистема DeereDelco с радиоприемником AMFM-диапазона и одним проигрывателем компакт-дисков, навесное оборудование Радиоприемник, стереосистема DeereDelco с радиоприемником AMFM-диапазона и одним проигрывателем компакт-дисков, навесное оборудование]()
1 - Комплект радиоприемника RE321109 Поддерживаемые модели9120, 9220, 9320 Примечание:SUB FOR RE289852 OR RE234151
Наверх
Радиоприемник, стереосистема DeereDelco с радиоприемником AMFM-диапазона и одним проигрывателем компакт-дисков, навесное оборудование - ST777520
![Джон Дир 9120 Радиоприемник, стереосистема DeereDelco с радиоприемником AMFM-диапазона и одним проигрывателем компакт-дисков, навесное оборудование Радиоприемник, стереосистема DeereDelco с радиоприемником AMFM-диапазона и одним проигрывателем компакт-дисков, навесное оборудование]()
1 - Комплект радиоприемника RE321109 Поддерживаемые модели9420, 9520, 9620 Примечание:SUB FOR RE289852 OR RE234151
Наверх
Радиоприемник с кронштейнами - ST393137
![Джон Дир 9120 Радиоприемник с кронштейнами Радиоприемник с кронштейнами]()
1 - Кронштейн R121435 Поддерживаемые модели9120, 9220, 9320 Cab Serial No.______-039999 Примечание:USE WITH R161354
2 - Гайка R115945 Количество:4 Поддерживаемые модели9120, 9220, 9320 Cab Serial No.______-039999 Примечание:USE WITH R161354; ORDER R52130
2 - Стопорная гайка R52130 Количество:4 Поддерживаемые модели9120, 9220, 9320
3 - Винт H123995 Количество:4 Поддерживаемые модели9120, 9220, 9320 Cab Serial No.______-039999 Примечание:USE WITH R161354
4 - Радиоаппаратура RE321102 Поддерживаемые модели9120, 9220, 9320 Примечание:(AM/FM Stereo/ Weatherband) ORDER RE575067 AND RE165739; SUB FOR RE196193 OR RE289848; FI
4 - Радиоаппаратура RE321109 Поддерживаемые модели9120, 9220, 9320 Примечание:(AM/FM Stereo/ Weatherband/ Compact Disk) SUB FORRE234151 OR RE289852; FI
5 - Жгут пров. громкоговорит. RE165739 Поддерживаемые модели9120, 9220, 9320
6 - Винт 21M7395 Поддерживаемые модели9120, 9220, 9320 Примечание:M4 X 8
7 - Гайка 14M7297 Поддерживаемые модели9120, 9220, 9320 Примечание:M5
8 - Кронштейн R113042 Поддерживаемые модели9120, 9220, 9320
9 - Рамка R95800 Поддерживаемые модели9120, 9220, 9320
10 - Винт 37M7369 Количество:4 Поддерживаемые модели9120, 9220, 9320
10 - Винт 37H215 Количество:4 Поддерживаемые модели9120, 9220, 9320 Cab Serial No.______-039999 Примечание:USE WITH R161354
11 - Шайба 24M7138 Поддерживаемые модели9120, 9220, 9320 Примечание:5.300 X 15 X 1 mm
12 - Прижимная гайка H117239 Количество:2 Поддерживаемые модели9120, 9220, 9320 Примечание:(без радиоприемника)
13 - Панель H132795 Поддерживаемые модели9120, 9220, 9320 Примечание:(без радиоприемника)
14 - Радиоаппаратура RE575067 Поддерживаемые модели9120, 9220, 9320 Примечание:(Стереофонический радиоприемник AM/FM / канал сообщений о погоде) SUB FOR RE334177 OR RE321101 OR RE265545 OR RE190139 OR AH167570
14 - Радиоаппаратура RE575068 Поддерживаемые модели9120, 9220, 9320 Примечание:(Стереофонический радиоприемник AM/FM / канал сообщений о погоде / проигрыватель компакт-дисков) SUB FOR RE334178 OR RE321106 OR RE289629 OR RE190140 OR RE227953 OR RE190141 OR AH162037 OR AH159323
.. - Крыша R192370 Поддерживаемые модели9120, 9220, 9320 Cab Serial No.______-039999 Примечание:SUB FOR R161354
Наверх
Радиоприемник с кронштейнами - ST783670
![Джон Дир 9120 Радиоприемник с кронштейнами Радиоприемник с кронштейнами]()
1 - Кронштейн R121435 Поддерживаемые модели9420, 9520, 9620 Cab Serial No.______-039999 Примечание:USE WITH R161354
2 - Гайка R115945 Количество:4 Поддерживаемые модели9420, 9520, 9620 Cab Serial No.______-039999 Примечание:ORDER R52130; USE WITH R161354
2 - Стопорная гайка R52130 Количество:4 Поддерживаемые модели9420, 9520, 9620
3 - Винт H123995 Количество:4 Поддерживаемые модели9420, 9520, 9620 Cab Serial No.______-039999 Примечание:USE WITH R161354
4 - Радиоаппаратура RE321102 Поддерживаемые модели9420, 9520, 9620 Примечание:(AM/FM Stereo/ Weatherband) ORDER RE334177 AND RE165739; SUB FOR RE196193 OR RE289848; FI
4 - Радиоаппаратура RE321109 Поддерживаемые модели9420, 9520, 9620 Примечание:(AM/FM Stereo/ Weatherband/ Compact Disk) SUB FOR RE234151 OR RE289852; FI
5 - Жгут пров. громкоговорит. RE165739 Поддерживаемые модели9420, 9520, 9620
6 - Винт 21M7395 Поддерживаемые модели9420, 9520, 9620 Примечание:M4 X 8
7 - Гайка 14M7297 Поддерживаемые модели9420, 9520, 9620 Примечание:M5
8 - Кронштейн R113042 Поддерживаемые модели9420, 9520, 9620
9 - Рамка R95800 Поддерживаемые модели9420, 9520, 9620
10 - Винт 37M7369 Количество:4 Поддерживаемые модели9420, 9520, 9620
10 - Винт 37H215 Количество:4 Поддерживаемые модели9420, 9520, 9620 Cab Serial No.______-039999 Примечание:USE WITH R161354
11 - Шайба 24M7138 Поддерживаемые модели9420, 9520, 9620 Примечание:5.300 X 15 X 1 mm
12 - Прижимная гайка H117239 Количество:2 Поддерживаемые модели9420, 9520, 9620 Примечание:(без радиоприемника)
13 - Панель H132795 Поддерживаемые модели9420, 9520, 9620 Примечание:(без радиоприемника)
14 - Радиоаппаратура RE575067 Поддерживаемые модели9420, 9520, 9620 Примечание:(AM/FM Stereo/ Weatherband) SUB FOR RE334177 OR RE190139 OR RE265545 OR RE321101
14 - Радиоаппаратура RE575068 Поддерживаемые модели9420, 9520, 9620 Примечание:(AM/FM Stereo/ Weatherband/ Compact Disk) SUB FOR RE334178 OR RE190140 OR RE227953 OR RE289629 OR RE321106
.. - Крыша R192370 Поддерживаемые модели9420, 9520, 9620 Cab Serial No.______-039999 Примечание:SUB FOR R161354
Наверх
Satellite Radio Kit - ST779125 ( Спутниковое Радио Комплект )
![Джон Дир 9120 Satellite Radio Kit Satellite Radio Kit]()
1 - Антенна R203293 Поддерживаемые модели9120, 9220, 9320 Примечание:ВЫПУСК ПРЕКРАЩЕН
2 - Приемник R203294 Поддерживаемые модели9120, 9220, 9320 Примечание:ВЫПУСК ПРЕКРАЩЕН
3 - Винт с головкой 19H1731 Количество:2 Поддерживаемые модели9120, 9220, 9320 Примечание:3/8" X 1"
4 - Шайба 24H1305 Количество:2 Поддерживаемые модели9120, 9220, 9320 Примечание:13/32" X 13/16" X 0.065"
5 - Гайка 14H812 Количество:2 Поддерживаемые модели9120, 9220, 9320 Примечание:3/8 дюйма
6 - Зажимная скоба R47474 Количество:4 Поддерживаемые модели9120, 9220, 9320
7 - Комп. д/установки в поле RE203290 Поддерживаемые модели9120, 9220, 9320 Примечание:(FOR SATELLITE READY RADIO) NLA
7 - Комп. д/установки в поле RE203291 Поддерживаемые модели9120, 9220, 9320 Примечание:(FOR STANDARD FM RADIO) NLA
Наверх
Satellite Radio Kit - ST779126 ( Спутниковое Радио Комплект )
![Джон Дир 9120 Satellite Radio Kit Satellite Radio Kit]()
1 - Антенна R203293 Поддерживаемые модели9420, 9520, 9620 Примечание:ВЫПУСК ПРЕКРАЩЕН
2 - Приемник R203294 Поддерживаемые модели9420, 9520, 9620 Примечание:ВЫПУСК ПРЕКРАЩЕН
3 - Винт с головкой 19H1731 Количество:2 Поддерживаемые модели9420, 9520, 9620 Примечание:3/8" X 1"
4 - Шайба 24H1305 Количество:2 Поддерживаемые модели9420, 9520, 9620 Примечание:13/32" X 13/16" X 0.065"
5 - Гайка 14H812 Количество:2 Поддерживаемые модели9420, 9520, 9620 Примечание:3/8 дюйма
6 - Зажимная скоба R47474 Количество:4 Поддерживаемые модели9420, 9520, 9620
7 - Комп. д/установки в поле RE203290 Поддерживаемые модели9420, 9520, 9620 Примечание:(FOR SATELLITE READY RADIO) NLA
7 - Комп. д/установки в поле RE203291 Поддерживаемые модели9420, 9520, 9620 Примечание:(FOR STANDARD FM RADIO) NLA
Наверх
SPEAKER (RADIO) - ST393139 ( ДИНАМИК (РАДИО) - )
![Джон Дир 9120 SPEAKER (RADIO) SPEAKER (RADIO)]()
1 - Винт 37M7218 6 Поддерживаемые модели9120, 9220, 9320
2 - Громкоговоритель RE254829 Количество:2 Поддерживаемые модели9120, 9220, 9320 Примечание:SUB FOR RE61545(FRONT) (6") (4 OHM)
2 - Громкоговоритель RE254829 Количество:2 Поддерживаемые модели9120, 9220, 9320 Примечание:SUB FOR RE61546(REAR) (6") (4 OHM)
3 - Корпус электр. разъема R220602 Количество:4 Поддерживаемые модели9120, 9220, 9320 Cab Serial No.______-039999 Примечание:SUB FOR R107414 OR R201741
4 - Зажимная скоба R120160 6 Поддерживаемые модели9120, 9220, 9320
5 - Решетка R124331 Количество:4 Поддерживаемые модели9120, 9220, 9320 Примечание:USE WITH RE183607
6 - Винт H123995 2 Поддерживаемые модели9120, 9220, 9320 Cab Serial No.______-039999
Наверх
SPEAKER RADIO - ST783680 ( ДИКТОР РАДИО - )
![Джон Дир 9120 SPEAKER RADIO SPEAKER RADIO]()
1 - Винт 37M7218 6 Поддерживаемые модели9420, 9520, 9620
2 - Громкоговоритель RE254829 Количество:2 Поддерживаемые модели9420, 9520, 9620 Примечание:SUB FOR RE61545(FRONT) (6") (4 OHM)
2 - Громкоговоритель RE254829 Количество:2 Поддерживаемые модели9420, 9520, 9620 Примечание:SUB FOR RE61546(REAR) (6") (4 OHM)
3 - Корпус электр. разъема R220602 Количество:4 Поддерживаемые модели9420, 9520, 9620 Cab Serial No.______-039999 Примечание:SUB FOR R107414 OR R201741
4 - Зажимная скоба R120160 6 Поддерживаемые модели9420, 9520, 9620
5 - Решетка R124331 Количество:4 Поддерживаемые модели9420, 9520, 9620 Примечание:USE WITH RE183607
6 - Винт H123995 2 Поддерживаемые модели9420, 9520, 9620 Cab Serial No.______-039999
Наверх
Attachment, Radio Mast Antenna - ST781736 ( Привязанность, Радио Мачты Антенны - )
![Джон Дир 9120 Attachment, Radio Mast Antenna Attachment, Radio Mast Antenna]()
1 - Комплект антенны RE233634 Примечание:ЗАКАЖИТЕ КОМПОНЕНТЫ
Наверх
АНТЕННА РАДИОПРИЕМНИКА - ST393140
![Джон Дир 9120 АНТЕННА РАДИОПРИЕМНИКА АНТЕННА РАДИОПРИЕМНИКА]()
1A - Антенна AR104516 Поддерживаемые модели9120, 9220, 9320 Cab Serial No.______-011387
1A - Антенна AR104516 Поддерживаемые модели9120, 9220, 9320 Cab Serial No.011387-032372
1A - Антенна RE247700 Поддерживаемые модели9120, 9220, 9320 Cab Serial No.032373-______ Примечание:(ORDER RE273124)
1B - Антенна RE220727 Поддерживаемые модели9120, 9220, 9320 Cab Serial No.______-011388
1B - Полоса R218922 Количество:2 Поддерживаемые модели9120, 9220, 9320 Cab Serial No.______-011388
1B - Уплотнение R41440 Поддерживаемые модели9120, 9220, 9320 Cab Serial No.______-011388
1B - Крышка R204258 Поддерживаемые модели9120, 9220, 9320 Cab Serial No.______-011338
2 - Стопорная шайба 12H310 Поддерживаемые модели9120, 9220, 9320 Cab Serial No.______-032372 Примечание:3/8 дюйма
2 - Стопорная шайба 12H302 Поддерживаемые модели9120, 9220, 9320 Cab Serial No.032373-______ Примечание:1/4 дюйма
3 - Пружина RE61651 Поддерживаемые модели9120, 9220, 9320 Cab Serial No.______-032372
3 - Узел пружины RE247768 Поддерживаемые модели9120, 9220, 9320 Cab Serial No.032373-______ Примечание:(ORDER RE273124)
4 - Стопорная шайба 12H302 Поддерживаемые модели9120, 9220, 9320 Примечание:1/4 дюйма
5 - База RE168454 Поддерживаемые модели9120, 9220, 9320 Cab Serial No.______-032372 Примечание:(SUB RE247775)
5 - Колпачок R131991 Поддерживаемые модели9120, 9220, 9320 Примечание:(без радиоприемника)
5 - База RE247775 Поддерживаемые модели9120, 9220, 9320 Cab Serial No.032373-040000
5 - Антенна RE252092 Поддерживаемые модели9120, 9220, 9320 Cab Serial No.040001-______
6 - Шайба 24M7100 Количество:2 Поддерживаемые модели9120 Cab Serial No.______-032372 Примечание:6.600 X 22 X 2 mm
6 - Шайба 24M7100 Поддерживаемые модели9120, 9220, 9320 Cab Serial No.032373-______ Примечание:6.600 X 22 X 2 mm
6 - Стопорная шайба 12H356 Поддерживаемые модели9120, 9220, 9320 Cab Serial No.032373-______ Примечание:1/4 дюйма
7 - Гайка 14H786 Поддерживаемые модели9120, 9220, 9320 Примечание:1/4 дюйма
8 - Шайба R47172 Поддерживаемые модели9120, 9220, 9320 Cab Serial No.______-032372 Примечание:13.110 X 22.860 X 1.220 mm (33/64" X 0.900" X 0.048")
8 - Стопорная шайба 12H292 Поддерживаемые модели9120, 9220, 9320 Cab Serial No.032373-______ Примечание:1/2"
9 - Гайка R76695 Поддерживаемые модели9120, 9220, 9320
10 - Кабель RE171452 Поддерживаемые модели9120, 9220, 9320 Примечание:(USE WITH AR104516 ) (SUB RE229756 OR RE247776)
11 - Стопорная гайка 14M7166 Поддерживаемые модели9120, 9220, 9320 Примечание:M8
12 - Стопорная шайба 12M7032 Поддерживаемые модели9120, 9220, 9320 Примечание:8.400 mm
13 - Шайба 24M7055 Поддерживаемые модели9120, 9220, 9320 Примечание:8.400 X 16 X 1.600 mm
14 - Распорная втулка R115968 Количество:4 Поддерживаемые модели9120, 9220, 9320 Cab Serial No.______-010304
15 - Шайба 24H1318 Количество:4 Поддерживаемые модели9120, 9220, 9320 Cab Serial No.______-010304 Примечание:7/16" X 2" X 0.134"
16 - Винт с головкой 19M7932 Поддерживаемые модели9120, 9220, 9320 Примечание:M8 X 16
17 - Винт 19M7808 Количество:4 Поддерживаемые модели9120, 9220, 9320 Cab Serial No.______-010304 Примечание:M10 X 65
18 - Пластина R203289 Поддерживаемые модели9120, 9220, 9320 Примечание:(ANTENNA GROUND) (-) (SUB FOR R183360)
19 - Винт R117569 Поддерживаемые модели9120, 9220, 9320
20 - Крючок R126033 Поддерживаемые модели9120, 9220, 9320
21 - Сальник R127769 Количество:4 Поддерживаемые модели9120, 9220, 9320 Cab Serial No.______-010304
22 - Винт 37M7357 Количество:4 Поддерживаемые модели9120, 9220, 9320 Cab Serial No.010305-______
23 - Провод заземления RE220779 Поддерживаемые модели9120, 9220, 9320 Cab Serial No.______-011388 Примечание:(USE WITH RE220727)
24 - Антенна RE247791 Поддерживаемые модели9120, 9220, 9320 Cab Serial No.032373-______ Примечание:(SUB RE273124)
25 - Уплотнительное кольцо T143167 Поддерживаемые модели9120, 9220, 9320 Cab Serial No.032373-______
26 - Распорная втулка RE252821 Поддерживаемые модели9120, 9220, 9320 Cab Serial No.040001-______
.. - Комплект RE250304 Поддерживаемые модели9120, 9220, 9320 Cab Serial No.______-040000 Примечание:(INCLUDES RE247775, R76695, 12H292, 12H356 AND 14H786)
.. - Антенна RE252087 Поддерживаемые модели9120, 9220, 9320 Cab Serial No.040001-______ Примечание:(INCLUDES RE252092, RE252821, R76695, 12H292, 12H356 AND 14H786)
Наверх
АНТЕННА РАДИОПРИЕМНИКА - ST783681
![Джон Дир 9120 АНТЕННА РАДИОПРИЕМНИКА АНТЕННА РАДИОПРИЕМНИКА]()
1A - Антенна AR104516 Поддерживаемые модели9420, 9520, 9620 Cab Serial No.______-011387
1A - Антенна AR104516 Поддерживаемые модели9420, 9520, 9620 Cab Serial No.011387-032372
1A - Антенна RE247700 Поддерживаемые модели9420, 9520, 9620 Cab Serial No.032373-______ Примечание:(ORDER RE273124)
1B - Антенна RE220727 Поддерживаемые модели9420, 9520, 9620 Cab Serial No.______-011388
1B - Полоса R218922 Количество:2 Поддерживаемые модели9420, 9520, 9620 Cab Serial No.______-011388
1B - Уплотнение R41440 Поддерживаемые модели9420, 9520, 9620 Cab Serial No.______-011388
1B - Крышка R204258 Поддерживаемые модели9420, 9520, 9620 Cab Serial No.______-011338
2 - Стопорная шайба 12H310 Поддерживаемые модели9420, 9520, 9620 Cab Serial No.______-032372 Примечание:3/8 дюйма
2 - Стопорная шайба 12H302 Поддерживаемые модели9420, 9520, 9620 Cab Serial No.032373-______ Примечание:1/4 дюйма
3 - Пружина RE61651 Поддерживаемые модели9420, 9520, 9620 Cab Serial No.______-032372
3 - Узел пружины RE247768 Поддерживаемые модели9420, 9520, 9620 Cab Serial No.032373-______ Примечание:(ORDER RE273124)
4 - Стопорная шайба 12H302 Поддерживаемые модели9420, 9520, 9620 Примечание:1/4 дюйма
5 - База RE168454 Поддерживаемые модели9420, 9520, 9620 Cab Serial No.______-032372 Примечание:(SUB RE247775)
5 - Колпачок R131991 Поддерживаемые модели9420, 9520, 9620 Примечание:(без радиоприемника)
5 - База RE247775 Поддерживаемые модели9420, 9520, 9620 Cab Serial No.032373-040000
5 - Антенна RE252092 Поддерживаемые модели9420, 9520, 9620 Cab Serial No.040001-______
6 - Шайба 24M7100 Количество:2 Поддерживаемые модели9420 Cab Serial No.______-032372 Примечание:6.600 X 22 X 2 mm
6 - Шайба 24M7100 Поддерживаемые модели9420, 9520, 9620 Cab Serial No.032373-______ Примечание:6.600 X 22 X 2 mm
6 - Стопорная шайба 12H356 Поддерживаемые модели9420, 9520, 9620 Cab Serial No.032373-______ Примечание:1/4 дюйма
7 - Гайка 14H786 Поддерживаемые модели9420, 9520, 9620 Примечание:1/4 дюйма
8 - Шайба R47172 Поддерживаемые модели9420, 9520, 9620 Cab Serial No.______-032372 Примечание:13.110 X 22.860 X 1.220 mm (33/64" X 0.900" X 0.048")
8 - Стопорная шайба 12H292 Поддерживаемые модели9420, 9520, 9620 Cab Serial No.032373-______ Примечание:1/2"
9 - Гайка R76695 Поддерживаемые модели9420, 9520, 9620
10 - Кабель RE171452 Поддерживаемые модели9420, 9520, 9620 Примечание:(USE WITH AR104516 ) (SUB RE229756 OR RE247776)
11 - Стопорная гайка 14M7166 Поддерживаемые модели9420, 9520, 9620 Примечание:M8
12 - Стопорная шайба 12M7032 Поддерживаемые модели9420, 9520, 9620 Примечание:8.400 mm
13 - Шайба 24M7055 Поддерживаемые модели9420, 9520, 9620 Примечание:8.400 X 16 X 1.600 mm
14 - Распорная втулка R115968 Количество:4 Поддерживаемые модели9420, 9520, 9620 Cab Serial No.______-010304
15 - Шайба 24H1318 Количество:4 Поддерживаемые модели9420, 9520, 9620 Cab Serial No.______-010304 Примечание:7/16" X 2" X 0.134"
16 - Винт с головкой 19M7932 Поддерживаемые модели9420, 9520, 9620 Примечание:M8 X 16
17 - Винт 19M7808 Количество:4 Поддерживаемые модели9420, 9520, 9620 Cab Serial No.______-010304 Примечание:M10 X 65
18 - Пластина R203289 Поддерживаемые модели9420, 9520, 9620 Примечание:(ANTENNA GROUND) (-) (SUB FOR R183360)
19 - Винт R117569 Поддерживаемые модели9420, 9520, 9620
20 - Крючок R126033 Поддерживаемые модели9420, 9520, 9620
21 - Сальник R127769 Количество:4 Поддерживаемые модели9420, 9520, 9620 Cab Serial No.______-010304
22 - Винт 37M7357 Количество:4 Поддерживаемые модели9420, 9520, 9620 Cab Serial No.010305-______
23 - Провод заземления RE220779 Поддерживаемые модели9420, 9520, 9620 Cab Serial No.______-011388 Примечание:(USE WITH RE220727)
24 - Антенна RE247791 Поддерживаемые модели9420, 9520, 9620 Cab Serial No.032373-______ Примечание:(SUB RE273124)
25 - Уплотнительное кольцо T143167 Поддерживаемые модели9420, 9520, 9620 Cab Serial No.032373-______
26 - Распорная втулка RE252821 Поддерживаемые модели9420, 9520, 9620 Cab Serial No.040001-______
.. - Комплект RE250304 Поддерживаемые модели9420, 9520, 9620 Cab Serial No.______-040000 Примечание:(INCLUDES RE247775, R76695, 12H292, 12H356 AND 14H786)
.. - Антенна RE252087 Поддерживаемые модели9420, 9520, 9620 Cab Serial No.040001-______ Примечание:(INCLUDES RE252092, RE252821, R76695, 12H292, 12H356 AND 14H786)
Наверх
Кабель антенны и кронштейн (переносного) радиоприемника - ST393141
![Джон Дир 9120 Кабель антенны и кронштейн (переносного) радиоприемника Кабель антенны и кронштейн (переносного) радиоприемника]()
1 - Винт с головкой 19M7932 Поддерживаемые модели9120, 9220, 9320 Примечание:M8 X 16
2 - Стопорная шайба 12M7032 Поддерживаемые модели9120, 9220, 9320 Примечание:8.400 mm
3 - Стопорная гайка 14M7166 Поддерживаемые модели9120, 9220, 9320 Примечание:M8
4 - Кабель RE70019 Поддерживаемые модели9120, 9220, 9320 Примечание:(A)
4 - Заглушка 99M7073 Поддерживаемые модели9120, 9220, 9320
5 - Пластина R134326 Поддерживаемые модели9120, 9220, 9320 Примечание:(A)
6 - Винт H123995 Количество:2 Поддерживаемые модели9120, 9220, 9320 Примечание:(A) (SUB FOR R126355, THIS APPLICATION)
7 - Жгут проводов RE67820 Поддерживаемые модели9120, 9220, 9320
8 - Контактный блок RE186986 Поддерживаемые модели9120, 9220, 9320 Примечание:(SUB FOR R111931)
9 - Уплотнение R41440 Поддерживаемые модели9120, 9220, 9320 Примечание:(A)
10 - Трак R125869 Количество:2 Поддерживаемые модели9120, 9220, 9320 Примечание:(A)
.. - Комп. д/установки в поле RE219922 Поддерживаемые модели9120, 9220, 9320 Примечание:(INCL KEYS MARKED A), Order Components
Наверх
ANTENNA CABLE AND RADIO BRACKET MOBILE RADIO - ST783683 ( АНТЕННЫЙ КАБЕЛЬ И РАДИО КРОНШТЕЙН ДЛЯ МОБИЛЬНОГО РАДИО - )
![Джон Дир 9120 ANTENNA CABLE AND RADIO BRACKET MOBILE RADIO ANTENNA CABLE AND RADIO BRACKET MOBILE RADIO]()
1 - Винт с головкой 19M7932 Поддерживаемые модели9420, 9520, 9620 Примечание:M8 X 16
2 - Стопорная шайба 12M7032 Поддерживаемые модели9420, 9520, 9620 Примечание:8.400 mm
3 - Стопорная гайка 14M7166 Поддерживаемые модели9420, 9520, 9620 Примечание:M8
4 - Кабель RE70019 Поддерживаемые модели9420, 9520, 9620 Примечание:(A)
4 - Заглушка 99M7073 Поддерживаемые модели9420, 9520, 9620
5 - Пластина R134326 Поддерживаемые модели9420, 9520, 9620 Примечание:(A)
6 - Винт H123995 Количество:2 Поддерживаемые модели9420, 9520, 9620 Примечание:(A) (SUB FOR R126355, THIS APPLICATION)
7 - Жгут проводов RE67820 Поддерживаемые модели9420, 9520, 9620
8 - Контактный блок RE186986 Поддерживаемые модели9420, 9520, 9620 Примечание:(SUB FOR R111931)
9 - Уплотнение R41440 Поддерживаемые модели9420, 9520, 9620 Примечание:(A)
10 - Трак R125869 Количество:2 Поддерживаемые модели9420, 9520, 9620 Примечание:(A)
.. - Комп. д/установки в поле RE219922 Поддерживаемые модели9420, 9520, 9620 Примечание:(INCL KEYS MARKED A), Order Components
Наверх
Radio, Antenna And Speaker Kit - ST393143 ( Радио, Антенна И Динамик Комплект - )
![Джон Дир 9120 Radio, Antenna And Speaker Kit Radio, Antenna And Speaker Kit]()
1 - Радиоаппаратура RE575067 Поддерживаемые модели9120, 9220, 9320 Примечание:(Стереофонический радиоприемник AM/FM / канал сообщений о погоде) SUB FOR RE334177 OR RE321101 OR RE265545 OR RE190139 OR AH167570
1 - Радиоаппаратура RE575068 Поддерживаемые модели9120, 9220, 9320 Примечание:(Стереофонический радиоприемник AM/FM / канал сообщений о погоде / проигрыватель компакт-дисков) SUB FOR RE334178 OR RE321106 OR RE289629 OR RE190140 OR RE227953 OR RE190141 OR AH162037 OR AH159323
2 - Кронштейн R113042 Поддерживаемые модели9120, 9220, 9320
3 - Гайка 14M7297 Поддерживаемые модели9120, 9220, 9320 Примечание:M5
4 - Винт 21M7395 Поддерживаемые модели9120, 9220, 9320 Примечание:M4 X 8
5 - Винт 37M7218 6 Поддерживаемые модели9120, 9220, 9320
6 - Громкоговоритель RE254829 Количество:4 Поддерживаемые модели9120, 9220, 9320 Примечание:SUB FOR RE61545 AND RE61546; Front and Rear
7 - Шайба 24M7138 6 Поддерживаемые модели9120, 9220, 9320 Примечание:5.300 X 15 X 1 mm
8 - Стопорная гайка 14M7265 6 Поддерживаемые модели9120, 9220, 9320 Примечание:M5
9 - Антенна AR104516 Поддерживаемые модели9120, 9220, 9320 Примечание:ORDER RE247791
10 - Стопорная шайба 12H310 Поддерживаемые модели9120, 9220, 9320 Примечание:3/8", USE WITH AR104516
11 - Пружина RE61651 Поддерживаемые модели9120, 9220, 9320 Примечание:ORDER RE247791
12 - Стопорная шайба 12H302 Поддерживаемые модели9120, 9220, 9320 Примечание:1/4", USE WITH RE247791
13 - Жгут пров. громкоговорит. RE165739 Поддерживаемые модели9120, 9220, 9320
14 - Комплект RE321103 Поддерживаемые модели9120, 9220, 9320 Примечание:(AM/FM Stereo/ Weatherband) SUB FOR RE196195 OR RE289850; ORDER COMPONENTS; FI
14 - Комплект RE321111 Поддерживаемые модели9120, 9220, 9320 Примечание:(AM/FM Stereo/ Weatherband/ Compact Disk) ORDER RE165739, RE334178, RE273124, RE254829, R113042, 14M7297, 21M7395, 37M7218; SUB FOR RE196214 OR RE234153 OR RE289856; FI
15 - Комплект RE321102 Поддерживаемые модели9120, 9220, 9320 Примечание:(AM/FM Stereo/ Weatherband) ORDER RE334177 AND RE165739; SUB FOR RE196193 OR RE289848; FI
15 - Комплект RE321109 Поддерживаемые модели9120, 9220, 9320 Примечание:(AM/FM Stereo/ Weatherband/ Compact Disk) SUB FOR RE234151 OR RE289852; FI
16 - Комплект антенны RE273124 Поддерживаемые модели9120, 9220, 9320 Примечание:ORDER RE247791 AND R271742
16 - Антенна RE247791 Поддерживаемые модели9120, 9220, 9320
16 - Адаптер R271742 Поддерживаемые модели9120, 9220, 9320 Примечание:(Не показано)
17 - Уплотнительное кольцо T143167 Поддерживаемые модели9120, 9220, 9320 Примечание:USE WITH RE247791
Наверх
Radio, Antenna And Speaker Kit - ST783684 ( Радио, Антенна И Динамик Комплект - )
![Джон Дир 9120 Radio, Antenna And Speaker Kit Radio, Antenna And Speaker Kit]()
1 - Радиоаппаратура RE575067 Поддерживаемые модели9420, 9520, 9620 Примечание:(Стереофонический радиоприемник AM/FM / канал сообщений о погоде) SUB FOR RE334177 OR RE321101 OR RE265545 OR RE190139 OR AH167570
1 - Радиоаппаратура RE575068 Поддерживаемые модели9420, 9520, 9620 Примечание:(Стереофонический радиоприемник AM/FM / канал сообщений о погоде / проигрыватель компакт-дисков) SUB FOR RE334178 OR RE321106 OR RE289629 OR RE190140 OR RE227953 OR RE190141 OR AH162037 OR AH159323
2 - Кронштейн R113042 Поддерживаемые модели9420, 9520, 9620
3 - Гайка 14M7297 Поддерживаемые модели9420, 9520, 9620 Примечание:M5
4 - Винт 21M7395 Поддерживаемые модели9420, 9520, 9620 Примечание:M4 X 8
5 - Винт 37M7218 6 Поддерживаемые модели9420, 9520, 9620
6 - Громкоговоритель RE254829 Количество:4 Поддерживаемые модели9420, 9520, 9620 Примечание:SUB FOR RE61545 AND RE61546; Front and Rear
7 - Шайба 24M7138 6 Поддерживаемые модели9420, 9520, 9620 Примечание:5.300 X 15 X 1 mm
8 - Стопорная гайка 14M7265 6 Поддерживаемые модели9420, 9520, 9620 Примечание:M5
9 - Антенна AR104516 Поддерживаемые модели9420, 9520, 9620 Примечание:ORDER RE247791
10 - Стопорная шайба 12H310 Поддерживаемые модели9420, 9520, 9620 Примечание:3/8", USE WITH AR104516
11 - Пружина RE61651 Поддерживаемые модели9420, 9520, 9620 Примечание:ORDER RE247791
12 - Стопорная шайба 12H302 Поддерживаемые модели9420, 9520, 9620 Примечание:1/4", USE WITH RE247791
13 - Жгут пров. громкоговорит. RE165739 Поддерживаемые модели9420, 9520, 9620
14 - Комплект RE321103 Поддерживаемые модели9420, 9520, 9620 Примечание:(AM/FM Stereo/ Weatherband) SUB FOR RE196195 OR RE289850; ORDER COMPONENTS ;FI
14 - Комплект RE321111 Поддерживаемые модели9420, 9520, 9620 Примечание:(AM/FM Stereo/ Weatherband/ Compact Disk) ORDER RE165739, RE334178, RE273124, RE254829, R113042, 14M7297, 21M7395, 37M7218; SUB FOR RE196214 OR RE234153 OR RE289856; FI
15 - Комплект RE321102 Поддерживаемые модели9420, 9520, 9620 Примечание:(AM/FM Stereo/ Weatherband) ORDER RE334177 AND RE165739; SUB FOR RE196193 OR RE289848; FI
15 - Комплект RE321109 Поддерживаемые модели9420, 9520, 9620 Примечание:(AM/FM Stereo/ Weatherband/ Compact Disk) SUB FOR RE234151 OR RE289852; FI
16 - Комплект антенны RE273124 Поддерживаемые модели9420, 9520, 9620 Примечание:ORDER RE247791 AND R271742; SUB FOR RE48978
16 - Антенна RE247791 Поддерживаемые модели9420, 9520, 9620
16 - Адаптер R271742 Поддерживаемые модели9420, 9520, 9620 Примечание:(Не показано)
17 - Уплотнительное кольцо T143167 Поддерживаемые модели9420, 9520, 9620 Cab Serial No.032373-______
Наверх
Radio Kit, AM FM Weather Band CD Antenna, 2 Front Speakers - ST812198 ( Радио Кит, АМ-FM погода коллектива CD-антенна, 2 передних колонки - )
![Джон Дир 9120 Radio Kit, AM FM Weather Band CD Antenna, 2 Front Speakers Radio Kit, AM FM Weather Band CD Antenna, 2 Front Speakers]()
1 - Антенна H129596
2 - Фланец H129597
3 - Уголок L78041
4 - Радиоаппаратура RE575068 Примечание:SUB FOR RE334178
4 - Жгут пров. громкоговорит. RE165739
5 - Громкоговоритель RE37975 Количество:2
6 - Комплект антенны RE273124 Примечание:ORDER RE247791 and R271742
6 - Антенна RE247791
6 - Адаптер R271742 Примечание:(Не показано)
7 - Жгут проводов RE54020
8 - Кабель RE55196
9 - Корпус R106194 Примечание:R
9 - Корпус R106195 Примечание:Левый
10 - Стопорная шайба R106593
11 - Распорная втулка R106596
12 - Зажимная скоба R113280 Количество:8
13 - Гайка R115945 Количество:8 Примечание:ORDER R52130
13 - Стопорная гайка R52130 Количество:8
14 - Зажимная скоба R47474
15 - Пружина сжатия T31673
16 - Гайка 14M7152 Примечание:M10
17 - Стопорная гайка 14M7265 Количество:8 Примечание:M5
18 - Гайка 14M7297 Примечание:M5
19 - Гайка 14M7309 Примечание:M24
20 - Винт 21M7022 Примечание:M5 X 20
21 - Шайба 24M7138 Количество:8 Примечание:5.300 X 15 X 1 mm
22 - Винт 37H203 Количество:9
23 - Шайба 24M7096 Примечание:10.500 X 18 X 1.600 mm
24 - Комплект радиоприемника RE321112 Примечание:ORDER H129596, H129597, L78041, RE165739, RE575068, RE37975, RE273124, RE54020, RE55196, R106194, R106195, R106593, R106596, R113280, R115945, R47474, T31673, 14M7152, 14M7265, 14M7297, 14M7309, 21M7022, 24H1303, 24M7138 AND 37H203, SUB FOR RE289857
Наверх
Backup Alarm Kit - ST393144 ( Резервный Комплект Сигнализации - )
![Джон Дир 9120 Backup Alarm Kit Backup Alarm Kit]()
1 - Болт 03M7333 Количество:2 Поддерживаемые модели9120, 9220, 9320 Примечание:M10 X 110
2 - Болт 03M7305 Количество:4 Поддерживаемые модели9120, 9220, 9320 Примечание:M8 X 70
3 - Пластина R187576 Поддерживаемые модели9120, 9220, 9320
4 - Пластина R240470 Количество:2 Поддерживаемые модели9120, 9220, 9320 Примечание:SUB FOR R187577
5 - Шайба 24M7055 Количество:4 Поддерживаемые модели9120, 9220, 9320 Примечание:8.400 X 16 X 1.600 mm
6 - Стопорная гайка 14M7396 Количество:4 Поддерживаемые модели9120, 9220, 9320 Примечание:M8
7 - Предупр. сигнал движения AT78534 Поддерживаемые модели9120, 9220, 9320
8 - Шайба 24M7096 Количество:2 Поддерживаемые модели9120, 9220, 9320 Примечание:10.500 X 18 X 1.600 mm
9 - Стопорная гайка 14M7400 Количество:2 Поддерживаемые модели9120, 9220, 9320 Примечание:M10
10 - Жгут проводов кабины RE195536 Поддерживаемые модели9120, 9220, 9320
Наверх
Backup Alarm Kit - ST783687 ( Резервный Комплект Сигнализации - )
![Джон Дир 9120 Backup Alarm Kit Backup Alarm Kit]()
1 - Болт 03M7333 Количество:2 Поддерживаемые модели9420, 9520, 9620 Примечание:M10 X 110
2 - Болт 03M7305 Количество:4 Поддерживаемые модели9420, 9520, 9620 Примечание:M8 X 70
3 - Пластина R187576 Поддерживаемые модели9420, 9520, 9620
4 - Пластина R240470 Количество:2 Поддерживаемые модели9420, 9520, 9620 Примечание:SUB FOR R187577
5 - Шайба 24M7055 Количество:4 Поддерживаемые модели9420, 9520, 9620 Примечание:8.400 X 16 X 1.600 mm
6 - Стопорная гайка 14M7396 Количество:4 Поддерживаемые модели9420, 9520, 9620 Примечание:M8
7 - Предупр. сигнал движения AT78534 Поддерживаемые модели9420, 9520, 9620
8 - Шайба 24M7096 Количество:2 Поддерживаемые модели9420, 9520, 9620 Примечание:10.500 X 18 X 1.600 mm
9 - Стопорная гайка 14M7400 Количество:2 Поддерживаемые модели9420, 9520, 9620 Примечание:M10
10 - Жгут проводов кабины RE195536 Поддерживаемые модели9420, 9520, 9620
Наверх
Зарядное устройство аккумуляторных батарей, сотовый телефон USB и зарядное устройство планшетного компьютера - ST814962
![Джон Дир 9120 Зарядное устройство аккумуляторных батарей, сотовый телефон USB и зарядное устройство планшетного компьютера Зарядное устройство аккумуляторных батарей, сотовый телефон USB и зарядное устройство планшетного компьютера]()
1 - Комплект заглушек PM191-052901 Примечание:SUB FOR RE566705
Наверх
Alternator - ST393147 ( Альтернатор - )
![Джон Дир 9120 Alternator Alternator]()
1 - Стопорная гайка 14M7166 Поддерживаемые модели9120, 9220, 9320 Примечание:M8
2 - Шайба 12M7087 Поддерживаемые модели9120, 9220, 9320 Примечание:8.100 mm
3 - Генератор переменн. тока RE46608 Поддерживаемые модели9120, 9220, 9320 Примечание:(9120– ( – 011282); 9220– (– 0011174 ), 9320– (– 0011174 )) (140 AMP) (NIPPONDENSO NO 100211-6420)
3 - Генератор переменн. тока TY6762 Поддерживаемые модели9120, 9220, 9320 Примечание:(9120– ( – 011282); 9220– (– 0011174 ), 9320– (– 0011174 )) ORDER SE501380
3 - Генератор переменн. тока SE501380 Поддерживаемые модели9120, 9220, 9320 Примечание:(9120– ( – 011282); 9220– (– 0011174 ), 9320– (– 0011174 )) REMAN FOR TY6762 OR RE46608
3 - Генератор переменн. тока RE257541 Поддерживаемые модели9120, 9220, 9320 Примечание:(9120– (011283–); 9220– (0011175–), 9320– (0011175–)) (150 AMP) SC2; SUB FOR RE186320
3 - Генер. пер. тока восст. SE501837 Поддерживаемые модели9120, 9220, 9320 Примечание:(9120– (011283–); 9220– (0011175–), 9320– (0011175–)) REMAN FOR RE257541
Наверх
Alternator - ST783716 ( Альтернатор - )
![Джон Дир 9120 Alternator Alternator]()
1 - Стопорная гайка 14M7166 Поддерживаемые модели9420, 9520, 9620 Примечание:M8
2 - Шайба 12M7087 Поддерживаемые модели9420, 9520, 9620 Примечание:8.100 mm
3 - Генератор переменн. тока RE46608 Поддерживаемые модели9420, 9520, 9620
Примечание:(9420 - (–0011174), 9520 - (–0011174)) (140 AMP) (NIPPONDENSO NO 100211-6420)
3 - Генератор переменн. тока TY6762 Поддерживаемые модели9420, 9520, 9620
Примечание:(9420 - (–0011174), 9520 - (–0011174)) ORDER SE501380
3 - Генератор переменн. тока SE501380 Поддерживаемые модели9420, 9520, 9620
Примечание:(9420 - (–0011174), 9520 - (–0011174)) REMAN FOR TY6762 OR RE46608
3 - Генератор переменн. тока RE257541 Поддерживаемые модели9420, 9520, 9620
Примечание:(9420- (0011175–), 9520 - (0011175–)) (150 AMP) SC2; SUB FOR RE186320
3 - Генер. пер. тока восст. SE501837 Поддерживаемые модели9420, 9520, 9620
Примечание:(9420- (0011175–), 9520 - (0011175–)) REMAN FOR RE257541
Наверх
КРОНШТЕЙН ГЕНЕРАТОРА ПЕРЕМЕННОГО ТОКА - ST393148
![Джон Дир 9120 КРОНШТЕЙН ГЕНЕРАТОРА ПЕРЕМЕННОГО ТОКА КРОНШТЕЙН ГЕНЕРАТОРА ПЕРЕМЕННОГО ТОКА]()
1 - Винт с головкой 19H3217 Количество:2 Поддерживаемые модели9120 Примечание:3/8" X 1-3/4"
2 - Винт с головкой 19M8166 Поддерживаемые модели9120 Примечание:M10 X 110
3 - Кронштейн R127402 Поддерживаемые модели9120
4 - Пластина R504949 Поддерживаемые модели9120
5 - Кронштейн R127403 Поддерживаемые модели9120
6 - Стопорная шайба 12M7066 Поддерживаемые модели9120 Примечание:10 mm
7 - Гайка 14M7274 Поддерживаемые модели9120 Примечание:M10
8 - Генератор переменн. тока RE46608 Поддерживаемые модели9120 Tractor Serial No.______-011282 Примечание:(140 AMP), (NIPPONDENSO NO.100211-6420)
8 - Генератор переменн. тока TY6762 Поддерживаемые модели9120 Tractor Serial No.______-011282
8 - Мотор стартера SE501380 Поддерживаемые модели9120 Примечание:(REMAN FOR TY6762 OR RE46608)
8 - Генератор переменн. тока RE257541 Поддерживаемые модели9120 Tractor Serial No.011283-______ Примечание:(150 AMP), SC2(SUB FOR RE186320)
8 - Генер. пер. тока восст. SE501837 Поддерживаемые модели9120 Примечание:(REMAN FOR RE257541 )
9 - Распорная втулка R127155 Поддерживаемые модели9120
10 - Хомут R130551 Поддерживаемые модели9120
11 - Шайба R56397 Поддерживаемые модели9120
12 - Винт с головкой 19M7298 Поддерживаемые модели9120 Примечание:M8 X 35
13 - Винт с головкой 19H3217 Поддерживаемые модели9120 Примечание:3/8" X 1-3/4"
Наверх
КРОНШТЕЙН ГЕНЕРАТОРА ПЕРЕМЕННОГО ТОКА - ST393149
![Джон Дир 9120 КРОНШТЕЙН ГЕНЕРАТОРА ПЕРЕМЕННОГО ТОКА КРОНШТЕЙН ГЕНЕРАТОРА ПЕРЕМЕННОГО ТОКА]()
1 - Винт с головкой 19M7550 Поддерживаемые модели9220, 9320, 9420 Примечание:M10 X 35
2 - Шайба 24M7040 Поддерживаемые модели9220, 9320, 9420 Примечание:11 X 20 X 2 mm
3 - Регулировочный хомут R170091 Поддерживаемые модели9220, 9320, 9420
4 - Гайка 14M7274 Поддерживаемые модели9220, 9320, 9420 Примечание:M10
5 - Генератор переменн. тока RE46608 Поддерживаемые модели9220, 9320, 9420 Tractor Serial No.______-011174 Примечание:(140 AMP), (NIPPONDENSO NO.100211-6420)
5 - Генератор переменн. тока TY6762 Поддерживаемые модели9220, 9320, 9420 Tractor Serial No.______-011174
5 - Генератор переменн. тока SE501380 Поддерживаемые модели9220, 9320, 9420 Примечание:(REMAN FOR TY6762 OR RE46608)
5 - Генератор переменн. тока RE257541 Поддерживаемые модели9220, 9320, 9420 Tractor Serial No.011175-______ Примечание:(150 AMP), SC2(SUB FOR RE186320)
5 - Генер. пер. тока восст. SE501837 Поддерживаемые модели9220, 9320, 9420 Примечание:(REMAN FOR RE257541 )
6 - Шайба 24M7336 Поддерживаемые модели9220, 9320, 9420 Примечание:9 X 16 X 1.600 mm
7 - Винт с головкой 19M7513 Поддерживаемые модели9220, 9320, 9420 Примечание:M8 X 30
8 - Гайка 14M7274 Поддерживаемые модели9220, 9320, 9420 Примечание:M10
9 - Втулка H140461 Поддерживаемые модели9220, 9320, 9420
10 - Шайба 24M7040 Поддерживаемые модели9220, 9320, 9420 Примечание:11 X 20 X 2 mm
11 - Винт с головкой 19M8166 Поддерживаемые модели9220, 9320, 9420 Примечание:M10 X 110
Наверх
КРОНШТЕЙН ГЕНЕРАТОРА ПЕРЕМЕННОГО ТОКА - ST393150
![Джон Дир 9120 КРОНШТЕЙН ГЕНЕРАТОРА ПЕРЕМЕННОГО ТОКА КРОНШТЕЙН ГЕНЕРАТОРА ПЕРЕМЕННОГО ТОКА]()
1 - Винт с головкой 19M7550 Поддерживаемые модели9520 Примечание:M10 X 35
2 - Шайба 24M7040 Поддерживаемые модели9520 Примечание:11 X 20 X 2 mm
3 - Регулировочный хомут R170091 Поддерживаемые модели9520
4 - Гайка 14M7274 Поддерживаемые модели9520 Примечание:M10
5 - Генератор переменн. тока RE46608 Поддерживаемые модели9520 Tractor Serial No.______-011174 Примечание:(140 AMP), (NIPPONDENSO NO.100211-6420)
5 - Генератор переменн. тока TY6762 Поддерживаемые модели9520 Tractor Serial No.______-011174 Примечание:(ВОССТАНОВЛЕННЫЙ)
5 - Генератор переменн. тока RE257541 Поддерживаемые модели9520 Tractor Serial No.011175-______ Примечание:(SUB FOR RE186320)(150 AMP) SC2
5 - Генератор переменн. тока SE501380 Поддерживаемые модели9520 Примечание:(REMANUFACTURED FOR TY6762)
6 - Шайба 24M7336 Поддерживаемые модели9520 Примечание:9 X 16 X 1.600 mm
7 - Винт с головкой 19M7513 Поддерживаемые модели9520 Примечание:M8 X 30
8 - Гайка 14M7274 Поддерживаемые модели9520 Примечание:M10
9 - Втулка H140461 Поддерживаемые модели9520
10 - Шайба 24M7040 Поддерживаемые модели9520 Примечание:11 X 20 X 2 mm
11 - Винт с головкой 19M8166 Поддерживаемые модели9520 Примечание:M10 X 110
Наверх
ALTERNATOR BRACKET (9620) - ST393151 ( КРОНШТЕЙН ГЕНЕРАТОРА () - )
![Джон Дир 9120 ALTERNATOR BRACKET (9620) ALTERNATOR BRACKET (9620)]()
1 - Винт с головкой 19M7550 Поддерживаемые модели9620 Примечание:M10 X 35
2 - Шайба 24M7040 Поддерживаемые модели9620 Примечание:11 X 20 X 2 mm
3 - Кронштейн RE230733 Поддерживаемые модели9620 Tractor Serial No.______-021991 Примечание:(SUB RE236634)
3 - Кронштейн RE236634 Поддерживаемые модели9620 Tractor Serial No.021992-______
4 - Гайка 14M7274 Поддерживаемые модели9620 Примечание:M10
5 - Генератор переменн. тока RE257541 Поддерживаемые модели9620 Примечание:(SUB FOR RE186320)(150 AMP) SC2
5 - Генер. пер. тока восст. SE501837 Поддерживаемые модели9620 Примечание:(REMAN FOR RE257541)
6 - Шайба 24M7336 Поддерживаемые модели9620 Примечание:9 X 16 X 1.600 mm
7 - Винт с головкой 19M7513 Поддерживаемые модели9620 Примечание:M8 X 30
8 - Гайка 14M7274 Поддерживаемые модели9620 Примечание:M10
9 - Втулка H140461 Поддерживаемые модели9620
10 - Шайба 24M7040 Поддерживаемые модели9620 Примечание:11 X 20 X 2 mm
11 - Винт с головкой 19M8166 Поддерживаемые модели9620 Примечание:M10 X 110
Наверх
Alternator - ST393152 ( Альтернатор - )
![Джон Дир 9120 Alternator Alternator]()
1 - Комплект RE52026 Поддерживаемые модели9120, 9220, 9320
2 - Крышка R115289 Поддерживаемые модели9120, 9220, 9320
3 - Держатель угольной щетки RE52028 Поддерживаемые модели9120, 9220, 9320
4 - Регулятор RE51297 Поддерживаемые модели9120, 9220, 9320
5 - Ректификатор RE51298 Поддерживаемые модели9120, 9220, 9320
6 - Рама R115609 Поддерживаемые модели9120, 9220, 9320 Примечание:(Rear) ORDER RE46608 OR TY6762
7 - Ротор RE51299 Поддерживаемые модели9120, 9220, 9320
8 - Подшипник ....... Поддерживаемые модели9120, 9220, 9320 Примечание:ORDER RE46608 OR TY6762
9 - Рама RE51300 Поддерживаемые модели9120, 9220, 9320 Примечание:(Передний)
10 - Шкив R114844 Поддерживаемые модели9120, 9220, 9320
11 - Генератор переменн. тока RE46608 Поддерживаемые модели9120, 9220, 9320 Примечание:((-XXXXXX) 9120-011282; 9220, 9320, 9420, 9520-011174) (140 AMP) (NIPPONDENSO NO 100211-6420)
11 - Генератор переменн. тока TY6762 Поддерживаемые модели9120, 9220, 9320 Примечание:((-XXXXXX) 9120-011282; 9220, 9320, 9420, 9520-011174)
11 - Генер. пер. тока восст. SE501380 Поддерживаемые модели9120, 9220, 9320 Примечание:REMAN FOR TY6762 OR RE46608
Наверх
Alternator - ST783722 ( Альтернатор - )
![Джон Дир 9120 Alternator Alternator]()
1 - Комплект RE52026 Поддерживаемые модели9420, 9520, 9620
2 - Крышка R115289 Поддерживаемые модели9420, 9520, 9620
3 - Держатель угольной щетки RE52028 Поддерживаемые модели9420, 9520, 9620
4 - Регулятор RE51297 Поддерживаемые модели9420, 9520, 9620
5 - Ректификатор RE51298 Поддерживаемые модели9420, 9520, 9620
6 - Рама R115609 Поддерживаемые модели9420, 9520, 9620 Примечание:(Rear) ORDER RE46608 OR TY6762
7 - Ротор RE51299 Поддерживаемые модели9420, 9520, 9620
8 - Подшипник ....... Поддерживаемые модели9420, 9520, 9620 Примечание:ORDER RE46608 OR TY6762
9 - Рама RE51300 Поддерживаемые модели9420, 9520, 9620 Примечание:(Передний)
10 - Шкив R114844 Поддерживаемые модели9420, 9520, 9620
11 - Генератор переменн. тока RE46608 Поддерживаемые модели9420, 9520, 9620 Примечание:((-XXXXXX) 9120-011282; 9220, 9320, 9420, 9520-011174) (140 AMP) (NIPPONDENSO NO 100211-6420)
11 - Генератор переменн. тока TY6762 Поддерживаемые модели9420, 9520, 9620 Примечание:((-XXXXXX) 9120-011282; 9220, 9320, 9420, 9520-011174)
11 - Генер. пер. тока восст. SE501380 Поддерживаемые модели9420, 9520, 9620 Примечание:REMAN FOR TY6762 OR RE46608
Наверх
Starter Solenoid Switch (12-Volt) (John Deere™) - ST393154 ( Стартера Соленоида (Вольт) (Джон Дир?) - )
![Джон Дир 9120 Starter Solenoid Switch (12-Volt) (John Deere™) Starter Solenoid Switch (12-Volt) (John Deere™)]()
1 - Прокладка R104676 Поддерживаемые модели9120
2 - Винт R104646 Поддерживаемые модели9120
3 - Обвязной хомут H113196 Поддерживаемые модели9120
4 - Метка T146102 Поддерживаемые модели9120 Примечание:(Русский)
5 - Обвязной хомут R44302 Поддерживаемые модели9120 Посмотреть аналогичные детали
6 - Крышка RE45329 Поддерживаемые модели9120
7 - Предупредительные знаки T146106 Поддерживаемые модели9120 Примечание:(Испанский)
7 - Предупредительные знаки T146104 Поддерживаемые модели9120 Примечание:(Французский)
7 - Предупредительные знаки T146515 Поддерживаемые модели9120 Примечание:(Немецкий)
7 - Предупредительные знаки T146516 Поддерживаемые модели9120 Примечание:(Итальянский)
7 - Предупредительные знаки T146517 Поддерживаемые модели9120 Примечание:(ENGLISH-FRENCH)
8 - Переключатель RE42777 Поддерживаемые модели9120
9 - Соленоид RE45330 Поддерживаемые модели9120
Наверх
STARTING MOTOR (12V) (NIPPONDENSO) - ST393155 ( ЗАПУСК ДВИГАТЕЛЯ () (ТАКИХ) - )
![Джон Дир 9120 STARTING MOTOR (12V) (NIPPONDENSO) STARTING MOTOR (12V) (NIPPONDENSO)]()
1 - Фланцевая гайка E55662 Поддерживаемые модели9120
2 - Шайба 24H1303 Количество:2 Поддерживаемые модели9120 Примечание:13/32" X 11/16" X 0.065"
3 - Винт с головкой 19H3219 Количество:2 Поддерживаемые модели9120 Примечание:3/8" X 1-3/8"
4 - Метка T146102 Поддерживаемые модели9120 Примечание:(Русский)
5 - Обвязной хомут R96703 Поддерживаемые модели9120
6 - Комплект стартера двигат. RE70756 Поддерживаемые модели9120
7 - Комплект стартера двигат. RE70957 Поддерживаемые модели9120 Примечание:(MARKED RE69704 ) (ALSO ORDER RE70756)(ND228000-6530)
8 - Предупредительные знаки T146517 Поддерживаемые модели9120 Примечание:(ESPANOL)
8 - Предупредительные знаки T146104 Поддерживаемые модели9120 Примечание:(REANCAIS)
8 - Предупредительные знаки T146515 Поддерживаемые модели9120 Примечание:(DEUTSCH)
8 - Предупредительные знаки T146516 Поддерживаемые модели9120 Примечание:(ITALIANO)
8 - Предупредительные знаки T146517 Поддерживаемые модели9120 Примечание:(ENGLISH-FRANCAIS)
9 - Уплотнительное кольцо R135510 Поддерживаемые модели9120
10 - Муфта RE70487 Поддерживаемые модели9120
11 - Уплотнительное кольцо R135509 Поддерживаемые модели9120
12 - Переключатель RE70486 Поддерживаемые модели9120
13 - Жгут проводов RE71392 Поддерживаемые модели9120
14 - Шпилька R114130 Поддерживаемые модели9120
Наверх
STARTING MOTOR (DENSO) (12 VOLT) (9220,9320,9420) - ST393156 ( НАЧИНАЯ МОТОР (ДЕНСО) ( ВОЛЬТ) (,,) - )
![Джон Дир 9120 STARTING MOTOR (DENSO) (12 VOLT) (9220,9320,9420) STARTING MOTOR (DENSO) (12 VOLT) (9220,9320,9420)]()
1 - Комплект стартера двигат. RE515843 Поддерживаемые модели9220, 9320, 9420 Примечание:(12V), (DENSO)(MARKED RE506825)
2 - Винт 19M7813 Поддерживаемые модели9220, 9320, 9420 Примечание:M12 X 45
3 - Фланцевая гайка R518381 Количество:2 Поддерживаемые модели9220, 9320, 9420
4 - Провод заземления AR67069 Поддерживаемые модели9220, 9320, 9420
5 - Метка T146102 Поддерживаемые модели9220, 9320, 9420
6 - Фланцевая гайка 14M7299 Количество:2 Поддерживаемые модели9220, 9320, 9420 Примечание:M12
7 - Шпилька 42M7029 Количество:2 Поддерживаемые модели9220, 9320, 9420
Наверх
Starter Solenoid Switch (Denso) (12 Volt) (9220,9320,9420) - ST393157 ( Стартера Соленоида (Денсо) ( Вольт) (,,) - )
![Джон Дир 9120 Starter Solenoid Switch (Denso) (12 Volt) (9220,9320,9420) Starter Solenoid Switch (Denso) (12 Volt) (9220,9320,9420)]()
1 - Муфта RE515729 Поддерживаемые модели9220, 9320, 9420
2 - Переключатель RE515727 Поддерживаемые модели9220, 9320, 9420
3 - Крышка ....... Поддерживаемые модели9220, 9320, 9420 Примечание:(ORDER RE515734)
4 - Держатель угольной щетки RE515731 Поддерживаемые модели9220, 9320, 9420
5 - Щетка RE515730 Поддерживаемые модели9220, 9320, 9420
6 - Винт R515283 Поддерживаемые модели9220, 9320, 9420
.. - Комплект RE515754 Поддерживаемые модели9220, 9320, 9420 Примечание:(CONTAINS WASHERS, SCREWS AND NUTS)
Наверх
STARTING MOTOR (DENSO) (12 VOLT) (9520,9620) - ST393159 ( ЗАПУСК ДВИГАТЕЛЯ (ДЕНСО) ( ВОЛЬТ) (,) - )
![Джон Дир 9120 STARTING MOTOR (DENSO) (12 VOLT) (9520,9620) STARTING MOTOR (DENSO) (12 VOLT) (9520,9620)]()
1 - Комплект стартера двигат. RE515843 Поддерживаемые модели9520, 9620 Примечание:(12V) , (DENSO)(MARKED RE506825)
2 - Винт 19M7813 Поддерживаемые модели9520, 9620 Примечание:M12 X 45
3 - Фланцевая гайка R518381 Количество:2 Поддерживаемые модели9520, 9620
4 - Провод заземления AR67069 Поддерживаемые модели9520, 9620
5 - Метка T146102 Поддерживаемые модели9520, 9620
6 - Фланцевая гайка 14M7299 Количество:2 Поддерживаемые модели9520, 9620 Примечание:M12
7 - Шпилька 42M7029 Количество:2 Поддерживаемые модели9520, 9620
Наверх
Starter Solenoid Switch (Denso) (12 Volt) (9520, 9620) - ST393160 ( Стартера Соленоида (Денсо) ( Вольт) (, ) - )
![Джон Дир 9120 Starter Solenoid Switch (Denso) (12 Volt) (9520, 9620) Starter Solenoid Switch (Denso) (12 Volt) (9520, 9620)]()
1 - Муфта RE522853 Поддерживаемые модели9520, 9620 Примечание:(SUB FOR RE515729)
2 - Переключатель RE515727 Поддерживаемые модели9520, 9620
3 - Крышка ....... Поддерживаемые модели9520, 9620 Примечание:(ORDER RE515734)
4 - Держатель угольной щетки RE515731 Поддерживаемые модели9520, 9620
5 - Щетка RE515730 Поддерживаемые модели9520, 9620
6 - Винт R515283 Поддерживаемые модели9520, 9620
.. - Комплект RE515754 Поддерживаемые модели9520, 9620 Примечание:(CONTAINS WASHERS, SCREWS AND NUTS)
Наверх
STARTING MOTOR GROUND CABLE (9220,9320,9420) - ST393162 ( ЗАПУСК ДВИГАТЕЛЯ КАБЕЛЬ ЗАЗЕМЛЕНИЯ (,,) - )
![Джон Дир 9120 STARTING MOTOR GROUND CABLE (9220,9320,9420) STARTING MOTOR GROUND CABLE (9220,9320,9420)]()
1 - Стопорная шайба 12M7033 Поддерживаемые модели9220, 9320, 9420 Примечание:10.500 mm
2 - Провод заземления AR67069 Поддерживаемые модели9220, 9320, 9420 Примечание:482.500 mm (18.996"), (-)
3 - Винт с головкой 19M7938 Поддерживаемые модели9220, 9320, 9420 Примечание:M10 X 20
4 - Стопорная шайба 12H292 Поддерживаемые модели9220, 9320, 9420 Примечание:1/2"
5 - Кабель аккумулятора RE24124 Поддерживаемые модели9220, 9320, 9420 Примечание:(-)
6 - Стопорная шайба 12M7033 Поддерживаемые модели9220, 9320, 9420 Примечание:10.500 mm
7 - Гайка 14H1040 Поддерживаемые модели9220, 9320, 9420 Примечание:1/2"
Наверх
STARTING MOTOR GROUND CABLE (9520,9620) - ST393163 ( ЗАПУСК ДВИГАТЕЛЯ КАБЕЛЬ ЗАЗЕМЛЕНИЯ (,) - )
![Джон Дир 9120 STARTING MOTOR GROUND CABLE (9520,9620) STARTING MOTOR GROUND CABLE (9520,9620)]()
1 - Стопорная шайба 12M7033 Поддерживаемые модели9520, 9620 Примечание:10.500 mm
2 - Провод заземления AR67069 Поддерживаемые модели9520, 9620 Примечание:482.500 mm (18.996"), (-)
3 - Винт с головкой 19M7938 Поддерживаемые модели9520, 9620 Примечание:M10 X 20
4 - Стопорная шайба 12H292 Поддерживаемые модели9520, 9620 Примечание:1/2"
5 - Кабель аккумулятора RE24124 Поддерживаемые модели9520, 9620 Примечание:(-)
6 - Стопорная шайба 12M7033 Поддерживаемые модели9520, 9620 Примечание:10.500 mm
7 - Гайка 14H1040 Поддерживаемые модели9520, 9620 Примечание:1/2"
Наверх
BATTERY AND BATTERY CABLES - ST393164 ( БАТАРЕЯ И КАБЕЛИ БАТАРЕИ )
![Джон Дир 9120 BATTERY AND BATTERY CABLES BATTERY AND BATTERY CABLES]()
1 - Батарея влажной зарядки SWTY25879 Количество:3 Поддерживаемые модели9120, 9220, 9320 Примечание:(950 COLD CRANKING AMPS) ORDER TY25879 OR TY25879A
1 - Батарея сухой зарядки TY25879 Количество:2 Поддерживаемые модели9120 Примечание:(950 COLD CRANKING AMPS) 12 VOLT, SUB FOR TY6128
1 - Батарея сухой зарядки TY25879 Количество:3 Поддерживаемые модели9220, 9320 Примечание:(950 COLD CRANKING AMPS) 12 VOLT, SUB FOR TY6128
1 - Батарея влажной зарядки TY25879A Количество:2 Поддерживаемые модели9120 Примечание:(950 COLD CRANKING AMPS) 12 VOLT
1 - Батарея влажной зарядки TY25879A Количество:3 Поддерживаемые модели9220, 9320 Примечание:(950 COLD CRANKING AMPS) 12 VOLT
2 - Гайка 14M7274 Поддерживаемые модели9120, 9220, 9320 Примечание:M10
3 - Стопорная шайба 12M7033 Поддерживаемые модели9120, 9220, 9320 Примечание:10.500 mm
4 - Кабель аккумулятора RE70200 Поддерживаемые модели9120, 9220, 9320 Примечание:(-)
5 - Кабель аккумулятора RE193353 Поддерживаемые модели9120, 9220, 9320 Примечание:SUB RE227951 (+) (9120)
5 - Кабель аккумулятора RE227919 Поддерживаемые модели9120, 9220, 9320 Примечание:SUB FOR RE70199 (+) (9220, 9320, 9420, AND 9520)
6 - Мотор стартера ....... Поддерживаемые модели9120, 9220, 9320
7 - Узел электрич. разъема RE39659 Поддерживаемые модели9120, 9220, 9320 Примечание:USE WITH RE65103, RE69590 OR TY6730
7 - Клемма электр. разъема R135871 Поддерживаемые модели9120, 9220, 9320 Примечание:USE WITH RE70957
7 - Мотор стартера SE501453 Поддерживаемые модели9120, 9220, 9320 Примечание:REMANUFACTURED FOR TY6730
8 - Крышка R96066 Поддерживаемые модели9120, 9220, 9320
9 - Скоба R194708 Количество:2 Поддерживаемые модели9120, 9220, 9320
9 - Скоба R72659 Количество:2 Поддерживаемые модели9120, 9220, 9320
9 - Скоба R72659 Поддерживаемые модели9120, 9220, 9320 Примечание:(+)
10 - Винт с головкой 19M8011 Количество:2 Поддерживаемые модели9120, 9220, 9320 Примечание:M12 X 30
10 - Винт с головкой 19M8011 Поддерживаемые модели9120, 9220, 9320 Примечание:M12 X 30, (+)
.. - Кабель аккумулятора RE169115 Поддерживаемые модели9120, 9220, 9320 Примечание:(EUROPEAN VERSION) (9320, 9420, 9520)
Наверх
Battery and Battery Cables - ST783725 ( Батарея и кабели батареи )
![Джон Дир 9120 Battery and Battery Cables Battery and Battery Cables]()
1 - Батарея влажной зарядки SWTY25879 Количество:3 Поддерживаемые модели9420, 9520, 9620 Примечание:(950 COLD CRANKING AMPS) ORDER TY25879 OR TY25879A
1 - Батарея сухой зарядки TY25879 Количество:3 Поддерживаемые модели9420, 9520, 9620 Примечание:(950 COLD CRANKING AMPS) 12 VOLT, SUB FOR TY6128
1 - Батарея влажной зарядки TY25879A Количество:3 Поддерживаемые модели9420, 9520, 9620 Примечание:(950 COLD CRANKING AMPS) 12 VOLT
2 - Гайка 14M7274 Поддерживаемые модели9420, 9520, 9620 Примечание:M10
3 - Стопорная шайба 12M7033 Поддерживаемые модели9420, 9520, 9620 Примечание:10.500 mm
4 - Кабель аккумулятора RE70200 Поддерживаемые модели9420, 9520, 9620 Примечание:(-)
5 - Кабель аккумулятора RE193353 Поддерживаемые модели9420, 9520, 9620 Примечание:SUB RE227951(+) (9120)
5 - Кабель аккумулятора RE227919 Поддерживаемые модели9420, 9520, 9620 Примечание:SUB FOR RE70199(+) (9220, 9320, 9420, AND 9520)
6 - Мотор стартера ....... Поддерживаемые модели9420, 9520, 9620
7 - Узел электрич. разъема RE39659 Поддерживаемые модели9420, 9520, 9620 Примечание:USE WITH RE65103, RE69590 OR TY6730
7 - Клемма электр. разъема R135871 Поддерживаемые модели9420, 9520, 9620 Примечание:USE WITH RE70957
7 - Мотор стартера SE501453 Поддерживаемые модели9420, 9520, 9620 Примечание:REMANUFACTURED FOR TY6730
8 - Крышка R96066 Поддерживаемые модели9420, 9520, 9620
9 - Скоба R194708 Количество:2 Поддерживаемые модели9420, 9520, 9620
9 - Скоба R72659 Количество:2 Поддерживаемые модели9420, 9520, 9620
9 - Скоба R72659 Поддерживаемые модели9420, 9520, 9620 Примечание:(+)
10 - Винт с головкой 19M8011 Количество:2 Поддерживаемые модели9420, 9520, 9620 Примечание:M12 X 30
10 - Винт с головкой 19M8011 Поддерживаемые модели9420, 9520, 9620 Примечание:M12 X 30, (+)
.. - Кабель аккумулятора RE169115 Поддерживаемые модели9420, 9520, 9620 Примечание:(EUROPEAN VERSION) (9320, 9420, 9520)
Наверх
Right-Hand Fuel Tank Deck And Battery Box - ST783456 ( Правой Стороны Топливного Бака Палубы И Батареи - )
![Джон Дир 9120 Right-Hand Fuel Tank Deck And Battery Box Right-Hand Fuel Tank Deck And Battery Box]()
1 - Полоса R65514 Количество:4 Поддерживаемые модели9420, 9520, 9620
2 - Крышка R161699 Поддерживаемые модели9420, 9520, 9620
3 - Гайка 14M7273 Количество:4 Поддерживаемые модели9420, 9520, 9620 Примечание:M8
4 - Шайба 24M7298 Количество:5 Поддерживаемые модели9420, 9520, 9620 Примечание:8.400 X 25 X 2 mm
5 - Шаровой палец R97588 Количество:2 Поддерживаемые модели9420, 9520, 9620 Примечание:(SUB R237474)
6 - Газовый цилиндр RE234988 Поддерживаемые модели9420, 9520, 9620 Примечание:(SUB FOR RE190916)
7 - Платформа R128234 Поддерживаемые модели9420, 9520, 9620
7 - Платформа R168316 Поддерживаемые модели9420, 9520, 9620 Примечание:(ЕВРОПЕЙСКОЕ ИСПОЛНЕНИЕ)
8 - Болт 03M7191 Количество:5 Поддерживаемые модели9420, 9520, 9620 Примечание:M10 X 25
9 - Втулка 28H3396 Поддерживаемые модели9420, 9520, 9620 Примечание:0.364" X 0.540" X 1-3/8"
10 - Болт 03M7216 Поддерживаемые модели9420, 9520, 9620 Примечание:M8 X 50
11 - Стопорная гайка 14M7397 Поддерживаемые модели9420, 9520, 9620 Примечание:M6
12 - Шайба 24H1908 Поддерживаемые модели9420, 9520, 9620 Примечание:17/64" X 1-3/4" X 0.095"
13 - Болт R108221 Поддерживаемые модели9420, 9520, 9620
14 - Гайка 14M7274 5 Поддерживаемые модели9420, 9520, 9620 Примечание:M10
15 - Шайба 24M7040 5 Поддерживаемые модели9420, 9520, 9620 Примечание:11 X 20 X 2 mm
16 - Болт 03M7190 Количество:4 Поддерживаемые модели9420, 9520, 9620 Примечание:M10 X 20
17 - Крышка R128238 Поддерживаемые модели9420, 9520, 9620
18 - Гайка H143834 Количество:2 Поддерживаемые модели9420, 9520, 9620
19 - Шайба 28H3392 Поддерживаемые модели9420, 9520, 9620 Примечание:0.364" X 0.540" X 5/16"
20 - Болт 03M7185 Поддерживаемые модели9420, 9520, 9620 Примечание:M8 X 25
21 - Пластина R128710 Поддерживаемые модели9420, 9520, 9620
22 - Панель R128237 Поддерживаемые модели9420, 9520, 9620
23 - Винт 19M7806 Количество:2 Поддерживаемые модели9420, 9520, 9620 Примечание:M10 X 50
24 - Болт 03M7196 Количество:2 Поддерживаемые модели9420, 9520, 9620 Примечание:M10 X 50
25 - Опора R131851 Поддерживаемые модели9420, 9520, 9620
26 - Болт 03M7192 Количество:4 Поддерживаемые модели9420, 9520, 9620 Примечание:M10 X 30
Наверх