'
Каталог Запчастей John Deere :6830 Tractor (Engine 6068HL281,6068HL283) (Europe Edition) - PC4558 94 Рабочее место оператора, системы обогрева и кондиционирования воздуха
Перейти к другим разделам
Содержимое: Каталог Запчастей John Deere :6830 Tractor (Engine 6068HL281,6068HL283) (Europe Edition) - PC4558 94 Рабочее место оператора, системы обогрева и кондиционирования воздуха
ВОЗДУШНЫЙ ФИЛЬТР - ST68113
КОМПЛЕКТ, ВОЗДУШНЫЕ ФИЛЬТРЫ КАБИНЫ, С КОНДИЦИОНЕРОМ ВОЗДУХА (ФИЛЬТР С АКТИВИРОВАННЫМ УГЛЕМ) - ST68114
ДЕТАЛИ СИСТЕМЫ ЦИРКУЛЯЦИИ ВОЗДУХА, ЗАДНИЕ - ST68115
ОБОГРЕВ И ВЕНТИЛЯТОР - ST68865
СИСТЕМА КОНДИЦИОНИРОВАНИЯ ВОЗДУХА, ИСПАРИТЕЛЬ И ТЕПЛООБМЕННИК - ST67347
РЕСИВЕР-ОСУШИТЕЛЬ, РЕЛЕ ДАВЛЕНИЯ ДЛЯ КОНДИЦИОНЕРА ВОЗДУХА - ST68118
Компрессор, кондиционер воздуха - ST67349
LINES, AIR CONDITIONING - ST67350 ( ЛИНИИ, КОНДИЦИОНЕР - )
НИЖНИЕ ДЕТАЛИ СИСТЕМЫ ЦИРКУЛЯЦИИ ВОЗДУХА - ST68870
Детали системы циркуляции воздуха, опора управления - ST68871
ОРГАН УПРАВЛЕНИЯ КОНДИЦИОНЕРОМ И ОТОПИТЕЛЕМ - ST68123
КАБЕЛИ УПРАВЛЕНИЯ ДЛЯ ОТОПИТЕЛЯ И КОНДИЦИОНЕРА ВОЗДУХА - ST67354
Система кондиционирования воздуха — комплект для установки в полевых условиях - ST324892
ВОЗДУШНЫЙ ФИЛЬТР - ST68113
![Джон Дир 6830 ВОЗДУШНЫЙ ФИЛЬТР ВОЗДУШНЫЙ ФИЛЬТР]()
1 - Крышка AL153003 Количество:2
2 - Пружина растяжения L79306
3 - Крышка L110917
4 - Изолятор L150183
5 - Воздушный фильтр AL177184 Количество:2 Посмотреть аналогичные детали
Наверх
КОМПЛЕКТ, ВОЗДУШНЫЕ ФИЛЬТРЫ КАБИНЫ, С КОНДИЦИОНЕРОМ ВОЗДУХА (ФИЛЬТР С АКТИВИРОВАННЫМ УГЛЕМ) - ST68114
![Джон Дир 6830 КОМПЛЕКТ, ВОЗДУШНЫЕ ФИЛЬТРЫ КАБИНЫ, С КОНДИЦИОНЕРОМ ВОЗДУХА (ФИЛЬТР С АКТИВИРОВАННЫМ УГЛЕМ) КОМПЛЕКТ, ВОЗДУШНЫЕ ФИЛЬТРЫ КАБИНЫ, С КОНДИЦИОНЕРОМ ВОЗДУХА (ФИЛЬТР С АКТИВИРОВАННЫМ УГЛЕМ)]()
1 - Фильтр AL158986 Примечание:(Угольный фильтр)
2 - Возд. фильтр с акт. угл. L156225 Количество:2 Примечание:(ЗАКАЗЫВАТЬ ПАРОЙ)
3 - Возд. фильтр с акт. угл. ....... Количество:2 Примечание:(ORD AL158986)
4 - Предупредительные знаки L156544
Наверх
ДЕТАЛИ СИСТЕМЫ ЦИРКУЛЯЦИИ ВОЗДУХА, ЗАДНИЕ - ST68115
![Джон Дир 6830 ДЕТАЛИ СИСТЕМЫ ЦИРКУЛЯЦИИ ВОЗДУХА, ЗАДНИЕ ДЕТАЛИ СИСТЕМЫ ЦИРКУЛЯЦИИ ВОЗДУХА, ЗАДНИЕ]()
1 - Воздуховод AL158213 Примечание:(Черный) LH
2 - Воздуховод AL158212 Примечание:(Черный) RH
3 - Шайба L112291 Количество:2
4 - Воздуховод AL167420 Примечание:Левый
5 - Воздуховод AL167421 Примечание:R
6 - Фильтр L155288 Количество:2 Примечание:(С КОНДИЦИОНЕРОМ ВОЗДУХА) ORDER L214634
6 - Фильтр L214634 Количество:2 Примечание:(С КОНДИЦИОНЕРОМ ВОЗДУХА)
6 - Фильтрующий элемент L152026 Количество:2 Примечание:(БЕЗ КОНДИЦИОНЕРА ВОЗДУХА)
7 - Прокладка L151943 Примечание:Левый
8 - Прокладка L151944 Примечание:R
9 - Сальник L111703 Количество:2
10 - Винт L153130 Количество:4 Примечание:M8 X 30
11 - Шайба 24M7055 Количество:4 Примечание:8.400 X 16 X 1.600 mm
12 - Заглушка L152588 Количество:6
13 - Рукоятка L155631
14 - Коробка AL165422 Примечание:Левый
15 - Коробка AL165421 Примечание:R
16 - Кронштейн L150444 Количество:2
17 - Винт 37M7432 Количество:4
18 - Винт 19M7660 Количество:2 Примечание:M8 X 20, (10.9)
19 - Прокладка L150685
20 - Уплотнитель L59796 Количество:2 Примечание:LGTH= 1000MM (39-3/8")
21 - Винт L80023 Количество:2
22 - Шайба 24M7251 Количество:2 Примечание:6.400 X 18 X 1.600 mm
23 - Шайба L116644 Количество:2
24 - Прокладка L166743 Количество:2
25 - Сварочная гайка AL117519 Примечание:M8
Наверх
ОБОГРЕВ И ВЕНТИЛЯТОР - ST68865
![Джон Дир 6830 ОБОГРЕВ И ВЕНТИЛЯТОР ОБОГРЕВ И ВЕНТИЛЯТОР]()
1 - Винт L80023 7
2 - Прокладка L79884 Количество:2
3 - Вентилятор AL215704 Количество:2 Примечание:SUB FOR AL214942, AL110881
4 - Скоба L100406
5 - Резистивная цепь AL152449 Примечание:ORDER AL224589Посмотреть аналогичные детали
5 - Резистивная цепь AL224589 Посмотреть аналогичные детали
6 - Винт 37M7266 Количество:2
7 - Шайба 24M7139 Количество:8 Примечание:6.400 X 18 X 1.600 mm
8 - Винт с головкой 19M7286 Количество:8 Примечание:M6 X 25
9 - Трак L76254
10 - Шланговый зажим L207664 Количество:5 Примечание:SUB FOR L205098, AL80154 APPL
11 - Шланг L158673
12 - Винт 37M7284
13 - Винт с головкой 19M7162 Примечание:M8 X 16
14 - Фланцевая гайка 14M7416 Примечание:M8
15 - Кронштейн L102597
16 - Контр. клапан термостата AL75973 Примечание:ORDER AL222640
16 - Контр. клапан термостата AL222640
17 - Гайка L102357 Количество:8
18 - Заклепка L78561 Количество:2
19 - Воздуховод AL157452 Количество:2
20 - Шланг L102598
21 - Уплотнение L218263 Примечание:SUB FOR L79919 APPL
22 - Шланг AL116188
23 - Скоба L112280 Количество:2
24 - Колпачок L32394 Количество:2
25 - Фланцевая гайка 14M7416 Количество:2 Примечание:M8
26 - Кронштейн L155541 Количество:2
27 - Уплотнение L112548
28 - Уплотнитель L165436 Примечание:LGTH = 3700 mm
29 - Уплотнитель L59796 Примечание:UP
30 - Радиатор AL163865 Примечание:ORDER AL206301
30 - Радиатор AL206301
31 - Кожух AL116502
32 - Заглушка 99M7049
33 - Заглушка L76792
34 - Изолятор L155292 Количество:2
35 - Обвязной хомут R44302 Посмотреть аналогичные детали
36 - Скоба R50454
37 - Шайба 24M7251 Примечание:6.400 X 18 X 1.600 mm
38 - Винт 37M7361 Примечание:M6 X 16
39 - Обвязной хомут L206645 Количество:2
40 - Клемма электр. разъема 57M7116
41 - Винт 37M7042
Наверх
СИСТЕМА КОНДИЦИОНИРОВАНИЯ ВОЗДУХА, ИСПАРИТЕЛЬ И ТЕПЛООБМЕННИК - ST67347
![Джон Дир 6830 СИСТЕМА КОНДИЦИОНИРОВАНИЯ ВОЗДУХА, ИСПАРИТЕЛЬ И ТЕПЛООБМЕННИК СИСТЕМА КОНДИЦИОНИРОВАНИЯ ВОЗДУХА, ИСПАРИТЕЛЬ И ТЕПЛООБМЕННИК]()
1 - Винт 19M7657 Примечание:M8 X 25, (10.9)
2 - Уплотнительное кольцо R33259
3 - Трубка L113870 Количество:2
4 - Скоба L158828 Количество:2
5 - Шланг хладагента AL179098
5 - Шланг хладагента AL179099 Примечание:(С СИСТЕМОЙ ПНЕВМОТОРМОЗА ПРИЦЕПА)
6 - Датчик RE65814 Количество:2 Примечание:ORDER RE565200
6 - Датчик RE565200 Количество:2
7 - Уплотнительное кольцо R113050
8 - Стопор L157116
9 - Редукционный клапан AL219020 Примечание:SUB FOR AL160578
10 - Винт L175507 Количество:2 Примечание:M5 X 35
11 - Винт 37M7042 Количество:7
12 - Карман L157246
13 - Радиатор отопителя AL163862 Примечание:ORDER AL210817
13 - Радиатор отопителя AL219022 Примечание:SUB FOR AL210817
14 - Радиатор отопителя AL219021 Примечание:SUB FOR AL163863
15 - Изоляционная трубка L77706 Количество:2
16 - Трак L76254
17 - Кольцо P50883
18 - Пластина L157801
19 - Винт 19M7768 Примечание:M6 X 16
20 - Уплотнительное кольцо R10093 Количество:2
21 - Шланг AL179933
22 - Уплотнение L76256
23 - Уплотнение L114447
24 - Скоба L171496 Количество:2
25 - Скоба AL169295
26 - Стопор AL173762
27 - Винт с головкой 19M7557 Количество:2 Примечание:M10 X 16
28 - Шайба 24M7055 Количество:2 Примечание:8.400 X 16 X 1.600 mm
29 - Винт 19M7657 Примечание:M8 X 25
30 - Шайба 24M7096 Количество:2 Примечание:10.500 X 18 X 1.600 mm
31 - Карман L157933
32 - Термостат AZ50486
33 - Винт 37M7284 Количество:2
34 - Заклепка 16M7106 Количество:2 Примечание:4 mm
35 - Регулятор температуры AL175777
36 - Кронштейн L102597
37 - Винт 37M7266 Количество:2
.. - Кондиционер AL180674 Примечание:FI
.. - Комп. пневм. торм. приц. AL171494 Примечание:FI
Наверх
РЕСИВЕР-ОСУШИТЕЛЬ, РЕЛЕ ДАВЛЕНИЯ ДЛЯ КОНДИЦИОНЕРА ВОЗДУХА - ST68118
![Джон Дир 6830 РЕСИВЕР-ОСУШИТЕЛЬ, РЕЛЕ ДАВЛЕНИЯ ДЛЯ КОНДИЦИОНЕРА ВОЗДУХА РЕСИВЕР-ОСУШИТЕЛЬ, РЕЛЕ ДАВЛЕНИЯ ДЛЯ КОНДИЦИОНЕРА ВОЗДУХА]()
1 - Винт с головкой 19M7162 Примечание:M8 X 16
2 - Шайба 24M7298 Примечание:8.400 X 25 X 2 mm
3 - Скоба R72659
4 - Шайба 24M7047 Примечание:13 X 24 X 2.500 mm
5 - Гайка 14M7273 Примечание:M8
6 - Карман L153842
7 - Датчик AL168231 Примечание:(ORD W/ L151429)
8 - Уплотнительное кольцо L151429
9 - Уплотнительное кольцо R10093 Количество:2
10 - Фланцевая гайка 14M7303 Количество:2 Примечание:M6
11 - Расширит. бачок/осушитель AL220791 Примечание:SUB FOR AL163559
Наверх
Компрессор, кондиционер воздуха - ST67349
![Джон Дир 6830 Компрессор, кондиционер воздуха Компрессор, кондиционер воздуха]()
1 - Компрессор AL176858
2 - Муфта AL78494 Посмотреть аналогичные детали
3 - Винт с головкой 19M7691 Количество:4 Примечание:M8 X 90
4 - Шайба 24M7055 Количество:4 Примечание:8.400 X 16 X 1.600 mm
5 - Пружинный шплинт L115093 Количество:2
6 - Прокладка L79311
7 - Коллектор RE211997
8 - Винт 19M7660 Количество:4 Примечание:M8 X 20, (10.9)
9 - Кронштейн L167673
10 - Пружинный шплинт 34M7190 Количество:2 Примечание:14 X 14 mm
11 - Винт 19M7835 Количество:4 Примечание:M10 X 35
.. - Кондиционер AL181223 Примечание:FI
Наверх
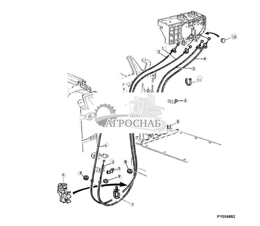
LINES, AIR CONDITIONING - ST67350 ( ЛИНИИ, КОНДИЦИОНЕР - )
![Джон Дир 6830 LINES, AIR CONDITIONING LINES, AIR CONDITIONING]()
1 - Стопор L168690
2 - Шайба 24M7055 Количество:8 Примечание:8.400 X 16 X 1.600 mm
3 - Уплотнительное кольцо R113050 Количество:2
4 - Уплотнительное кольцо R10093 Количество:2
5 - Уплотнитель L152663
6 - Скоба AL169296 Количество:2
7 - Винт 19M7657 Количество:3 Примечание:M8 X 25, (10.9)
8 - Шланг хладагента AL176192
8 - Шланг хладагента AL180760 Примечание:(С СИСТЕМОЙ ПНЕВМОТОРМОЗА ПРИЦЕПА) (SUB FOR AL176155)
9 - Шланг хладагента AL181720 Примечание:(SUB FOR AL180472)
10 - Скоба AL169295
11 - Винт с головкой 19M7139 Количество:2 Примечание:M8 X 20
12 - Стопор AL173762
13 - Гайка 14M7273 Количество:2 Примечание:M8
14 - Скоба R50454
15 - Винт с головкой 19M7162 Примечание:M8 X 16
16 - Скоба AL159725
17 - Обвязной хомут L169299 Количество:2
18 - Стопор L171880
.. - Комп. пневм. торм. приц. AL171494 Примечание:FI
Наверх
НИЖНИЕ ДЕТАЛИ СИСТЕМЫ ЦИРКУЛЯЦИИ ВОЗДУХА - ST68870
![Джон Дир 6830 НИЖНИЕ ДЕТАЛИ СИСТЕМЫ ЦИРКУЛЯЦИИ ВОЗДУХА НИЖНИЕ ДЕТАЛИ СИСТЕМЫ ЦИРКУЛЯЦИИ ВОЗДУХА]()
1 - Воздуховод AL157379 Примечание:R
2 - Воздуховод AL79017 Количество:2 Примечание:(ORD AL157378 LH OR AL157379 RH)
3 - Воздуховод AL157378 Примечание:Левый
4 - Воздуховод AL112221
5 - Прокладка L111859
6 - Стопорная гайка 14M7166 Количество:6 Примечание:M8
7 - Шайба 24M7260 Количество:6 Примечание:8.400 X 24 X 2 mm
Наверх
Детали системы циркуляции воздуха, опора управления - ST68871
![Джон Дир 6830 Детали системы циркуляции воздуха, опора управления Детали системы циркуляции воздуха, опора управления]()
1 - Жалюзи AL169048 Примечание:ORDER AL203217; SUB FOR AL75985
2 - Винт 37M7225
3 - Уголок L155069
4 - Гайка L39603 Количество:2
5 - Воздуховод L76268 Примечание:ORDER L175324; USE WITH AL169048
6 - Винт 37M7218 Количество:2
7 - Зажимная скоба L171140 Примечание:SUB FOR L79218 APPL
8 - Винт 37M7059 Количество:3 Примечание:M5 X 12
9 - Рычаг L78064
10 - Скоба L79942
11 - Уплотнитель L59796 Примечание:LGTH = 240 mm
12 - Уплотнитель ....... Примечание:CTL 400 mm, MF L165436
13 - Рычаг L155070
14 - Жалюзи AL203217
15 - Коллектор L175324 Примечание:USE WITH AL203217
Наверх
ОРГАН УПРАВЛЕНИЯ КОНДИЦИОНЕРОМ И ОТОПИТЕЛЕМ - ST68123
![Джон Дир 6830 ОРГАН УПРАВЛЕНИЯ КОНДИЦИОНЕРОМ И ОТОПИТЕЛЕМ ОРГАН УПРАВЛЕНИЯ КОНДИЦИОНЕРОМ И ОТОПИТЕЛЕМ]()
1 - Заглушка L166804 Примечание:(БЕЗ КОНДИЦИОНЕРА ВОЗДУХА)
2 - Тумблер/кулисный переключ. AL174669 Примечание:(С КОНДИЦИОНЕРОМ ВОЗДУХА)
3 - Ручка AL77502 Количество:3
4 - Метка L170932
5 - Заглушка L170931
6 - Пластина AL79675
7 - Ручка L80394 Количество:2
8 - Переключатель AL77714 Примечание:Cab Blower Fan Switch
9 - Крышка L80395
10 - Винт 37M7215 Количество:2
11 - Винт L80393 Количество:2
12 - Заглушка L155671 Количество:2 Примечание:(БЕЗ ПОТЕНЦИОМЕТРА ДЛЯ АВТОМАТИЧЕСКОГО РЕГУЛЯТОРА СКОРОСТИ)
Наверх
КАБЕЛИ УПРАВЛЕНИЯ ДЛЯ ОТОПИТЕЛЯ И КОНДИЦИОНЕРА ВОЗДУХА - ST67354
![Джон Дир 6830 КАБЕЛИ УПРАВЛЕНИЯ ДЛЯ ОТОПИТЕЛЯ И КОНДИЦИОНЕРА ВОЗДУХА КАБЕЛИ УПРАВЛЕНИЯ ДЛЯ ОТОПИТЕЛЯ И КОНДИЦИОНЕРА ВОЗДУХА]()
1 - Толкающе-буксир. кабель AL75977 Примечание:(ВЕРХНЯЯ ВОЗДУШНАЯ ЗАСЛОНКА) LGTH= 2500MM (98-27/64")
2 - Толкающе-буксир. кабель AL167660 Примечание:(ВОДЯНОЙ КЛАПАН) LGTH= 945MM (37-13/64")
3 - Толкающе-буксир. кабель AL76690 Примечание:(НИЖНЯЯ ВОЗДУШНАЯ ЗАСЛОНКА) LGTH= 2350MM (92-33/64")
4 - Толкающе-буксир. кабель AL82946 Примечание:(ТЕРМОРЕЛЕ) LGTH= 870MM (34-1/4")
5 - Зажимная скоба L57881 Количество:3
6 - Скоба L150304
7 - Скоба L153652
8 - Уплотнение L100644
9 - Уплотнение L112709 Количество:2
10 - Заглушка 99M7032 Примечание:(БЕЗ КОНДИЦИОНЕРА ВОЗДУХА)
11 - Обвязной хомут R44302 Посмотреть аналогичные детали
Наверх
Система кондиционирования воздуха — комплект для установки в полевых условиях - ST324892
![Джон Дир 6830 Система кондиционирования воздуха — комплект для установки в полевых условиях Система кондиционирования воздуха — комплект для установки в полевых условиях]()
1 - Кондиционер AL181223 Примечание:(БЕЗ СИСТЕМЫ ПНЕВМОТОРМОЗА ПРИЦЕПА) (ORD W/ AL180674, AL157596, L167673, AL176192) FI
1 - Кондиционер AL181223 Примечание:(WITH AIR TRAILER BRAKE SYSTEM) (ORD W/ AL180674, AL180760, L155538, R128659) FI
1 - Кондиционер AL181223 Примечание:(W/O AIR TRAILER BRAKE SYSTEM) (ORD W/ AL180674, AL176192, L153282, R128659) FI
Наверх