'
Каталог Запчастей John Deere :6830 Tractor (Engine 6068HL281,6068HL283) (Europe Edition) - PC4558 72 Селекторные клапаны управления
Перейти к другим разделам
Содержимое: Каталог Запчастей John Deere :6830 Tractor (Engine 6068HL281,6068HL283) (Europe Edition) - PC4558 72 Селекторные клапаны управления
БЛОК УПРАВЛЕНИЯ ПРИОРИТЕТ 3 (ГИДРОНАСОС 28 КУБ. СМ) - ST67127
Впускной клапан, приоритет 3, с системой PC (гидравлический насос 2835 см3) (644587 - ) - ST624156
КОМПЛЕКТ ШУМОИЗОЛЯЦИИ ДЛЯ УСТАНОВКИ В ПОЛЕВЫХ УСЛОВИЯХ (ГИДРОНАСОС 232835 КУБ. СМ) - ST68596
БЛОК УПРАВЛЕНИЯ ПРИОРИТЕТ 2 (ГИДРОНАСОС 45 КУБ. СМ) - ST67129
Блок управления приоритет 3 (гидронасос 2845 куб. см) - ST67130
Клапан, приоритет 2 + 3, с гидравлической системой PFC, с тормозом Power Fill - ST594870
Клапан, приоритет 2 + 3, с гидравлической системой PFC, с тормозом Power Fill, с TLS™ - ST594872
БЛОК КЛАПАНОВ, TLS - ST67840
КОРПУС РАСПОРНОЙ ВТУЛКИ С ВЫПУСКНЫМ ОТВЕРСТИЕМ СИСТЕМЫ ОТБОРА МОЩНОСТИ - ST67132
Клапан перегрузки, позиция I - ST478269
Клапан перегрузки, позиция II - ST487384
Клапан перегрузки, позиция III - ST482737
Клапан перегрузки, позиция IV - ST485610
Торцевая крышка, SCV, левая, без клапана сцепки - ST487090
Торцевая крышка, SCV, левая, с клапаном сцепки - ST487091
Торцевая крышка, позиция I, левая - ST487100
Торцевая крышка, позиция II, левая - ST487102
End Cover, WO Rear Hitch Valve, RH - ST487103 ( Крышка конца, горе задней навески клапан, резус - )
Торцевая крышка, позиция III, правая - ST487109
Торцевая крышка, позиция IV, правая - ST489889
КОМПЛЕКТЫ ДЛЯ УСТАНОВКИ В ПОЛЕВЫХ УСЛОВИЯХ — ВЫПУСКИ ОТВОДА МОЩНОСТИ ДЛЯ КОРПУСА РАСПОРНОЙ ВТУЛКИ - ST67133
КЛАПАН УПРАВЛЕНИЯ СЦЕПКОЙ С ШАГОВЫМ ДВИГАТЕЛЕМ (ГИДРОНАСОС 2835 КУБ. СМ) - ST67134
Клапан управления оси балансира с шаговым двигателем (гидравлический насос 45 куб. см) - ST67135
КРЕПЕЖНЫЕ ДЕТАЛИ ДЛЯ СЕЛЕКТОРНЫХ КЛАПАНОВ УПРАВЛЕНИЯ - ST67136
МЕХАНИЧЕСКИЙ СЕЛЕКТОРНЫЙ КЛАПАН УПРАВЛЕНИЯ (M-SCV) СЕРИЯ 100 - ST67846
Механический SCV, серия 100, положение I - ST478072
Mechanical SCV, 100 Series, Position II - ST480361 ( Механические ВСК, серия, положение II - )
Механический SCV, серия 100, положение III - ST482088
Механический клапан управления, M-SCV, серия 100, позиция IV - ST485529
МЕХАНИЧЕСКИЙ СЕЛЕКТОРНЫЙ КЛАПАН УПРАВЛЕНИЯ (M-SCV) СЕРИЯ 200 - ST68604
Механический SCV, серия 200, положение I - ST478076
Механический SCV, серия 200, положение II - ST480528
Механический SCV, серия 200, положение III - ST481057
Механический SCV, серия 200, положение IV - ST485530
МЕХАНИЧЕСКИЙ СЕЛЕКТОРНЫЙ КЛАПАН УПРАВЛЕНИЯ (M-SCV) СЕРИЯ 300 - ST67848
Механический SCV, серия 300, положение I - ST478082
Mechanical SCV, 300 Series, Position II - ST482084 ( Механические ВСК, серия, положение II - )
Механический SCV, серия 300, положение III - ST481316
Механический SCV, серия 300, положение IV - ST487148
Механический селекторный клапан управления (M-SCV) серия 350 - ST67140
Механический селекторный клапан управления (M-SCV) серия 350 - ST304687
Механический SCV, серия 350, положение I - ST478086
Механический клапан управления, M-SCV, серия 350, позиция II - ST481812
Механический SCV, серия 350, положение III - ST482085
Механический SCV, серия 350, положение IV - ST485724
КОМПЛЕКТ ДЛЯ ОБСЛУЖИВАНИЯ, КОМПЛЕКТ ТАРЕЛЬЧАТЫХ КЛАПАНОВ - ST67141
КОМПЛЕКТ ДЛЯ ОБСЛУЖИВАНИЯ, ОТВЕРСТИЯ ИЗМЕРЕНИЯ НАГРУЗКИ - ST67851
БЫСТРОСЪЕМНЫЕ СОЕДИНИТЕЛЬНЫЕ МУФТЫ (СТАНДАРТНЫЕ) - ST68609
БЫСТРОСЪЕМНЫЕ СОЕДИНИТЕЛЬНЫЕ МУФТЫ (DELUXE) - ST67144
ПЫЛЕЗАЩИТНЫЙ КОРПУС ДЛЯ БЫСТРОСЪЕМНЫХ МУФТ - ST67145
ДЕТАЛИ ОБРАТНОГО МАСЛОСЛИВА ДЛЯ БЫСТРОСЪЕМНЫХ МУФТ (DELUXE) - ST67146
ДЕТАЛИ ОБРАТНОГО МАСЛОСЛИВА ДЛЯ ПЫЛЕЗАЩИТНОГО КОРПУСА - ST67147
КРЕПЕЖНЫЕ ДЕТАЛИ ДЛЯ НЕЗАВИСИМЫХ КЛАПАНОВ УПРАВЛЕНИЯ (M-ICV) - ST67148
МЕХАНИЧЕСКИЙ КЛАПАН УПРАВЛЕНИЯ (M-ICV), ПРАВАЯ СТОРОНА ЦЕНТР КАБИНЫ - ST67149
МЕХАНИЧЕСКИЙ КЛАПАН УПРАВЛЕНИЯ (M-ICV), ПРАВАЯ СТОРОНА ЦЕНТР КАБИНЫ (ОДИНОЧНЫЕ ДЕТАЛИ) - ST67150
МАСЛОПРОВОДЫ ДЛЯ КЛАПАНА УПРАВЛЕНИЯ M-ICV, ПРАВАЯ СТОРОНА ЦЕНТР (КАБИНА) - ST67151
МАСЛОПРОВОДЫ ДЛЯ КЛАПАНА УПРАВЛЕНИЯ M-ICV ИЛИ E-ICV, ПРАВАЯ СТОРОНА ЦЕНТР (КАБИНА) - ST67152
ФИТИНГИ И ШЛАНГИ ДЛЯ КОМБИНИРОВАННОЙ МУФТЫ - ST67153
Гидравлическая быстроразъемная муфта, 8 отверстий, с соединителем - ST718917
Гидравлическая быстроразъемная муфта, 6 отверстий, с соединителем - ST719760
Гидравлический шланг, комбинированная муфта, передний погрузчик - ST752539
Гидравлические шлангифитинги, комбинированная муфта - ST752537
КОМПЛЕКТ РЕДУКТОРА ВАРИАТОРА РАСХОДА - ST67154
Рама, детали крепления, передний погрузчик - ST754647
БЛОК УПРАВЛЕНИЯ ПРИОРИТЕТ 3 (ГИДРОНАСОС 28 КУБ. СМ) - ST67127
![Джон Дир 6830 БЛОК УПРАВЛЕНИЯ ПРИОРИТЕТ 3 (ГИДРОНАСОС 28 КУБ. СМ) БЛОК УПРАВЛЕНИЯ ПРИОРИТЕТ 3 (ГИДРОНАСОС 28 КУБ. СМ)]()
1 - Винт с головкой 19M7407 Количество:6 Примечание:M8 X 25
2 - Крышка AL166754
3 - Комплект уплотнений AL172964 Примечание:ORDER AL207509
3 - Комплект уплотнений AL207509
4 - Крышка R77175
5 - Пр. быстрос. гидр. муфты AL80099
6 - Уплотнительное кольцо 51M7041 Примечание:11.300 X 2.200 mm
7 - Блок клапана AL177375 Serial No.______-644586
8 - Установочный штифт L110066 Количество:2 Примечание:SUB FOR 44M7131
9 - Гайка 14M7275 Количество:2 Примечание:M12
10 - Шпилька L169038 Количество:2
11 - Крышка L166468
12 - Винт 19M7657 Количество:2 Примечание:M8 X 25, (10.9)
13 - Уплотнительное кольцо 51M7052 Примечание:6.071 X 1.626 mm
14 - Уплотнительное кольцо 51M7040 Примечание:9.300 X 2.200 mm
15 - Крышка L205122 Примечание:(БЕЗ ГИДРАВЛИЧЕСКИХ ТОРМОЗОВ ПРИЦЕПА) , SUB FOR L170442
16 - Клапан AL177093
17 - Клапан AL180293
18 - Клапан AL177094 Примечание:(ORD AL204279)
18 - Клапан AL204279
19 - Клапан AL165597
20 - Клапан AL177095
21 - Редукционный клапан AL177096 Примечание:ORDER AL222498 OR AL209234
21 - Редукционный клапан AL222498 Примечание:(Для гидравлической системы PC)
21 - Редукционный клапан AL209234 Примечание:(Для гидравлической системы PFC)
22 - Клапан AL177097
23 - Жиклер L200607
24 - Жиклер L200608
25 - Жиклер L200364
26 - Фитинг L201891 Примечание:(С TLS)
27 - Обратный клапан AL206434 Примечание:(С TLS) SUB FOR AL169554
28 - Уплотнительное кольцо T77613 Количество:2 Примечание:(С TLS)
29 - Фитинг переходника 38H5009 Примечание:(С TLS)
30 - Уплотнительное кольцо T77857 Количество:2 Примечание:(С TLS)
31 - Коленчатый патрубок 61M5017 Примечание:(С TLS)
32 - Коленчатый патрубок 38H5017 Примечание:(С TLS)
33 - Уплотнительное кольцо 51M7043 Примечание:(С TLS) 15.300 X 2.200 mm
34 - Фитинг L173544 Примечание:(С TLS)
35 - Заглушка 99M7059 Количество:2
36 - Заглушка 99M7043 Количество:4
Наверх
Впускной клапан, приоритет 3, с системой PC (гидравлический насос 2835 см3) (644587 - ) - ST624156
![Джон Дир 6830 Впускной клапан, приоритет 3, с системой PC (гидравлический насос 2835 см3) (644587 Впускной клапан, приоритет 3, с системой PC (гидравлический насос 2835 см3) (644587]()
1 - Блок клапана AL205518 Примечание:ORDER AL227386
1 - Блок клапана AL227386
2 - Жиклер L200364 Количество:2
3 - Установочный винт L215978 Примечание:SUB FOR L200607 APPL
4 - Клапан AL177093
5 - Клапан AL165597
6 - Клапан AL177097
7 - Клапан AL204279
8 - Редукционный клапан AL177096 Примечание:ORDER AL222498
8 - Редукционный клапан AL222498
9 - Клапан AL177095
10 - Клапан AL180293
11 - Пробка сливного отверстия 15M7076 Количество:3
Наверх
КОМПЛЕКТ ШУМОИЗОЛЯЦИИ ДЛЯ УСТАНОВКИ В ПОЛЕВЫХ УСЛОВИЯХ (ГИДРОНАСОС 232835 КУБ. СМ) - ST68596
![Джон Дир 6830 КОМПЛЕКТ ШУМОИЗОЛЯЦИИ ДЛЯ УСТАНОВКИ В ПОЛЕВЫХ УСЛОВИЯХ (ГИДРОНАСОС 232835 КУБ. СМ) КОМПЛЕКТ ШУМОИЗОЛЯЦИИ ДЛЯ УСТАНОВКИ В ПОЛЕВЫХ УСЛОВИЯХ (ГИДРОНАСОС 232835 КУБ. СМ)]()
1 - Обратный клапан AL203014 Примечание:(ORD AL204279)
2 - Жиклер AL205619 Количество:6
3 - Уплотнительное кольцо 51M7041 Количество:6 Примечание:11.300 X 2.200 mm
4 - Золотник клапана AL200965
5 - Комплект для отверстий AL202663
Наверх
БЛОК УПРАВЛЕНИЯ ПРИОРИТЕТ 2 (ГИДРОНАСОС 45 КУБ. СМ) - ST67129
![Джон Дир 6830 БЛОК УПРАВЛЕНИЯ ПРИОРИТЕТ 2 (ГИДРОНАСОС 45 КУБ. СМ) БЛОК УПРАВЛЕНИЯ ПРИОРИТЕТ 2 (ГИДРОНАСОС 45 КУБ. СМ)]()
1 - Крышка R77175
2 - Пр. быстрос. гидр. муфты AL80099
3 - Уплотнительное кольцо 51M7041 Примечание:11.300 X 2.200 mm
4 - Крышка L170442 Примечание:NLA; ORDER L205122
4 - Крышка L205122
5 - Винт 19M7657 Количество:2 Примечание:M8 X 25, (10.9)
5 - Винт 19M9232 Примечание:(С ГИДРАВЛИЧЕСКИМ ТОРМОЗОМ ПРИЦЕПА) M8 X 50
6 - Уплотнительное кольцо 51M7052 Количество:2 Примечание:6.071 X 1.626 mm
7 - Уплотнительное кольцо 51M7040 Примечание:9.300 X 2.200 mm
8 - Корпус AL171579 Serial No.______-700073
8 - Клапан AL207640 Serial No.700074-______
9 - Корпус AL170827 Serial No.______-700073 Примечание:(С ГИДРАВЛИЧЕСКИМ ТОРМОЗОМ ПРИЦЕПА) (БЕЗ ОПЦИИ ПРИОРИТЕТА 2)
9 - Клапан AL207639 Serial No.700074-______ Примечание:(С ГИДРАВЛИЧЕСКИМ ТОРМОЗОМ ПРИЦЕПА) (БЕЗ ОПЦИИ ПРИОРИТЕТА 2)
10 - Клапан AL171584 Serial No.______-700073
10 - Клапан AL165597 Serial No.700074-______
11 - Уплотнительное кольцо 51M7052 Количество:3 Примечание:6.071 X 1.626 mm
12 - Уплотнительное кольцо 51M7040 Примечание:9.300 X 2.200 mm
13 - Крышка L167101
14 - Винт с головкой 19M8008 Количество:3 Примечание:M8 X 35
15 - Винт 19M8819 Количество:2 Примечание:M8 X 35
16 - Пробка сливного отверстия 15M7076 Примечание:(SUB FOR L41709 APPL )
17 - Контрольный клапан AL171583 Serial No.______-700073
17 - Контрольный клапан AL178658 Serial No.700074-______
18 - Винт L170303 Количество:2
19 - Корпус AL170829 Примечание:(БЕЗ ГИДРАВЛИЧЕСКИХ ТОРМОЗОВ ПРИЦЕПА) (БЕЗ ОПЦИИ ПРИОРИТЕТА 2)
20 - Фитинг переходника 38H5002 Количество:3
21 - Обратный клапан AL206434 Примечание:SUB FOR AL169554
22 - Фитинг переходника 38H5011
23 - Корпус AL174516 Serial No.______-700073 Примечание:FI
23 - Клапан BL15016 Serial No.700074-______
24 - Маслопровод AL201019 Примечание:(С TLS)
25 - Уплотнительное кольцо T77613
26 - Уплотнительное кольцо T77814
.. - Комплект уплотнений AL172754 Примечание:FOR KEY 8, 9
Наверх
Блок управления приоритет 3 (гидронасос 2845 куб. см) - ST67130
![Джон Дир 6830 Блок управления приоритет 3 (гидронасос 2845 куб. см) Блок управления приоритет 3 (гидронасос 2845 куб. см)]()
1 - Винт с головкой 19M7407 Количество:6 Примечание:M8 X 25
2 - Крышка AL166754
3 - Комплект уплотнений AL207509 Примечание:(SUB FOR AL172964)
4 - Пробка сливного отверстия 15M7076 Примечание:W/O ICV
5 - Крышка R77175 Количество:2
6 - Пр. быстрос. гидр. муфты AL80099 Количество:2
7 - Уплотнительное кольцо 51M7041 Примечание:11.300 X 2.200 mm
8 - Корпус AL207963 Примечание:(SUB FOR AL171580 OR AL200062 OR AL203741 OR AL206745)
9 - Клапан AL171584 Количество:2
10 - Пробка сливного отверстия 15M7078 Количество:2 Примечание:W/O ICV
11 - Установочный штифт L110066 Количество:2 Примечание:SUB FOR 44M7131
12 - Редукционный клапан AL201644 Примечание:(SUB FOR AL171582)
13 - Корпус AL171585
14 - Пробка сливного отверстия 15M7076 Количество:2
15 - Уплотнительное кольцо 51M7041 Примечание:11.300 X 2.200 mm, W/O ICV
16 - Гайка 14M7275 Количество:2 Примечание:M12
17 - Шпилька L169038 Количество:2
18 - Крышка L166468
19 - Уплотнительное кольцо 51M7047 Количество:2 Примечание:23.600 X 2.900 mm, W/O ICV
20 - Заглушка AL119831 Количество:3
21 - Заглушка 99M7059 Количество:2
22 - Заглушка 99M7043 Количество:4
.. - Комплект уплотнений AL172755 Примечание:FOR KEY 8
Наверх
Клапан, приоритет 2 + 3, с гидравлической системой PFC, с тормозом Power Fill - ST594870
![Джон Дир 6830 Клапан, приоритет 2 + 3, с гидравлической системой PFC, с тормозом Power Fill Клапан, приоритет 2 + 3, с гидравлической системой PFC, с тормозом Power Fill]()
1 - Клапан AL207590 Примечание:ORDER AL227259
1 - Клапан AL227259
2 - Клапан AL207638 Примечание:INCLUDES AL165597; USE WITH AL207754
2 - Клапан AL207640 Примечание:INCLUDES AL165597 AND AL178658; USE WITH AL227581
3 - Клапан AL165597 Количество:3
4 - Клапан AL207641 Примечание:ORDER AL227266; INCLUDES AL207754, AL207788, 15M7076, 51M7041, AL177096, (2) 51M7040, (2) AL165597 AND AL207509
4 - Клапан AL227266 Примечание:INCLUDES AL227581, AL226351, 15M7076, 51M7041, AL222498, (2) 51M7040, (2) AL165597 AND AL207509
5 - Контрольный клапан AL207754 Примечание:MARKED AL207754; USE WITH AL207590; SUB FOR AL180293 APPL
5 - Контрольный клапан AL227581 Примечание:MARKED AL227581; USE WITH AL227259
6 - Расходный гидр. клапан AL207788 Примечание:ORDER AL226351
6 - Расходный гидр. клапан AL226351
7 - Пробка сливного отверстия 15M7076
8 - Уплотнительное кольцо 51M7041 Примечание:11.300 X 2.200 mm
9 - Редукционный клапан AL177096 Примечание:(Для гидравлической системы PC) ORDER AL222498
9 - Редукционный клапан AL222498 Примечание:(Для гидравлической системы PC)
9 - Редукционный клапан AL209234 Примечание:(Для гидравлической системы PFC)
10 - Уплотнительное кольцо 51M7040 Количество:2 Примечание:9.300 X 2.200 mm
11 - Винт L170303 Количество:2
12 - Винт 19M8819 Количество:2 Примечание:M8 X 35
13 - Комплект уплотнений AL207509
14 - Контрольный клапан AL178658 Примечание:USE WITH AL207640
Наверх
Клапан, приоритет 2 + 3, с гидравлической системой PFC, с тормозом Power Fill, с TLS™ - ST594872
![Джон Дир 6830 Клапан, приоритет 2 + 3, с гидравлической системой PFC, с тормозом Power Fill, с TLS™ Клапан, приоритет 2 + 3, с гидравлической системой PFC, с тормозом Power Fill, с TLS™]()
1 - Клапан AL207592 Примечание:ORDER AL227264
1 - Клапан AL227264
2 - Клапан AL207640 Примечание:INCLUDES AL178658 AND AL165597; USE WITH AL178658
2 - Клапан AL229370 Примечание:INCLUDES AL222495 AND AL165597; USE WITH AL222495
3 - Клапан AL165597 Количество:3
4 - Контрольный клапан AL178658 Примечание:MARKED AL178658; USE WITH AL207592
4 - Контрольный клапан AL222495 Примечание:MARKED AL222495; USE WITH AL227264
5 - Клапан AL207641 Примечание:ORDER AL227266; INCLUDES AL207754, AL207788, 15M7076, 51M7041, AL177096, (2) 51M7040, (2) AL165597 AND AL207509
5 - Клапан AL227266 Примечание:INCLUDES AL227581, AL226351, 15M7076, 51M7041, AL222498, (2) 51M7040, (2) AL165597 AND AL207509
6 - Контрольный клапан AL207754 Примечание:MARKED AL207754; USE WITH AL207592; SUB FOR AL180293 APPL
6 - Контрольный клапан AL227581 Примечание:MARKED AL227581; USE WITH AL227264
7 - Расходный гидр. клапан AL207788 Примечание:ORDER AL226351
7 - Расходный гидр. клапан AL226351
8 - Пробка сливного отверстия 15M7076
9 - Уплотнительное кольцо 51M7041 Примечание:11.300 X 2.200 mm
10 - Клапан AL177096 Примечание:Для гидравлической системы PC ORDER AL222498
10 - Контрольный клапан AL222498 Примечание:Для гидравлической системы PC
10 - Редукционный клапан AL209234 Примечание:Для гидравлической системы PFC
11 - Уплотнительное кольцо 51M7040 Количество:2 Примечание:9.300 X 2.200 mm
12 - Винт L170303 Количество:2
13 - Винт 19M8819 Количество:2 Примечание:M8 X 35
14 - Комплект уплотнений AL207509
Наверх
БЛОК КЛАПАНОВ, TLS - ST67840
![Джон Дир 6830 БЛОК КЛАПАНОВ, TLS БЛОК КЛАПАНОВ, TLS]()
1 - Крышка L205122 Примечание:(БЕЗ ГИДРАВЛИЧЕСКОГО КЛАПАНА ТОРМОЗА ПРИЦЕПА) , SUB FOR L170442
2 - Уплотнительное кольцо 51M7041 Примечание:11.300 X 2.200 mm
3 - Пр. быстрос. гидр. муфты AL80099 Количество:2
4 - Крышка R77175 Количество:2
5 - Винт 19M8300 Количество:2 Примечание:M8 X 40
6 - Контр. клап. с гидропр. AL180492
7 - Винт 19M8926 Количество:2 Примечание:M8 X 65
Наверх
КОРПУС РАСПОРНОЙ ВТУЛКИ С ВЫПУСКНЫМ ОТВЕРСТИЕМ СИСТЕМЫ ОТБОРА МОЩНОСТИ - ST67132
![Джон Дир 6830 КОРПУС РАСПОРНОЙ ВТУЛКИ С ВЫПУСКНЫМ ОТВЕРСТИЕМ СИСТЕМЫ ОТБОРА МОЩНОСТИ КОРПУС РАСПОРНОЙ ВТУЛКИ С ВЫПУСКНЫМ ОТВЕРСТИЕМ СИСТЕМЫ ОТБОРА МОЩНОСТИ]()
1 - Гайка 14M7273 Количество:6 Примечание:M8
2 - Стержень L173498 Примечание:LGTH= 154.5MM
2 - Стержень L173500 Примечание:LGTH= 206.5MM
3 - Крышка L166468
4 - Корпус AL171838
5 - Крышка AL166754
6 - Шпилька L173495 Примечание:LGTH= 90.5MM
6 - Шпилька L173497 Примечание:LGTH= 142.5MM
7 - Пробка сливного отверстия 15M7077 Количество:2
8 - Уплотнительное кольцо 51M7045 Количество:2 Примечание:19.300 X 2.200 mm
9 - Пробка сливного отверстия 15M7076 Количество:3
10 - Уплотнительное кольцо 51M7041 Количество:3 Примечание:11.300 X 2.200 mm
11 - Комплект уплотнений AL172964 Примечание:ORDER AL207509
11 - Комплект уплотнений AL207509
Наверх
Клапан перегрузки, позиция I - ST478269
![Джон Дир 6830 Клапан перегрузки, позиция I Клапан перегрузки, позиция I]()
1 - Корпус AL206034
2 - Уплотнительное кольцо 51M7041 Количество:3 Примечание:11.300 X 2.200 mm
3 - Пробка сливного отверстия 15M7076 Количество:3
4 - Уплотнительное кольцо 51M7045 Количество:2 Примечание:19.300 X 2.200 mm
5 - Пробка сливного отверстия 15M7077 Количество:2
6 - Комплект уплотнений AL207509
7 - Комплект клапанов AL205619
8 - Комплект уплотнений AL207508
Наверх
Клапан перегрузки, позиция II - ST487384
![Джон Дир 6830 Клапан перегрузки, позиция II Клапан перегрузки, позиция II]()
Наверх
Клапан перегрузки, позиция III - ST482737
![Джон Дир 6830 Клапан перегрузки, позиция III Клапан перегрузки, позиция III]()
1 - Корпус AL206034 Примечание:INCLUDES AL207508
2 - Уплотнительное кольцо 51M7041 Количество:3 Примечание:11.300 X 2.200 mm
3 - Пробка сливного отверстия 15M7076 Количество:3
4 - Уплотнительное кольцо 51M7045 Количество:2 Примечание:19.300 X 2.200 mm
5 - Пробка сливного отверстия 15M7077 Количество:2
6 - Комплект уплотнений AL207509
7 - Комплект клапанов AL205619
8 - Комплект уплотнений AL207508
Наверх
Клапан перегрузки, позиция IV - ST485610
![Джон Дир 6830 Клапан перегрузки, позиция IV Клапан перегрузки, позиция IV]()
Наверх
Торцевая крышка, SCV, левая, без клапана сцепки - ST487090
![Джон Дир 6830 Торцевая крышка, SCV, левая, без клапана сцепки Торцевая крышка, SCV, левая, без клапана сцепки]()
1 - Крышка L206084
2 - Винт с головкой 19M7407 Количество:3 Примечание:M8 X 25
Наверх
Торцевая крышка, SCV, левая, с клапаном сцепки - ST487091
![Джон Дир 6830 Торцевая крышка, SCV, левая, с клапаном сцепки Торцевая крышка, SCV, левая, с клапаном сцепки]()
1 - Шпилька L173496 Количество:3
2 - Крышка L206084
3 - Гайка 14M7273 Количество:3 Примечание:M8
Наверх
Торцевая крышка, позиция I, левая - ST487100
![Джон Дир 6830 Торцевая крышка, позиция I, левая Торцевая крышка, позиция I, левая]()
1 - Крышка L206084
2 - Стержень L173498 Количество:3
3 - Гайка 14M7273 Количество:3 Примечание:M8
Наверх
Торцевая крышка, позиция II, левая - ST487102
![Джон Дир 6830 Торцевая крышка, позиция II, левая Торцевая крышка, позиция II, левая]()
1 - Крышка L206084
2 - Стержень L173500 Количество:3
3 - Гайка 14M7273 Количество:3 Примечание:M8
Наверх
End Cover, WO Rear Hitch Valve, RH - ST487103 ( Крышка конца, горе задней навески клапан, резус - )
![Джон Дир 6830 End Cover, WO Rear Hitch Valve, RH End Cover, WO Rear Hitch Valve, RH]()
1 - Крышка AL206035
2 - Комплект уплотнений AL207509
3 - Винт с головкой 19M7407 Количество:3 Примечание:M8 X 25
4 - Комплект уплотнений AL207508
Наверх
Торцевая крышка, позиция III, правая - ST487109
![Джон Дир 6830 Торцевая крышка, позиция III, правая Торцевая крышка, позиция III, правая]()
1 - Шпилька L173495 Количество:3
2 - Крышка AL206035
3 - Комплект уплотнений AL207509
4 - Гайка 14M7273 Количество:3 Примечание:M8
5 - Комплект уплотнений AL207508
Наверх
Торцевая крышка, позиция IV, правая - ST489889
![Джон Дир 6830 Торцевая крышка, позиция IV, правая Торцевая крышка, позиция IV, правая]()
1 - Шпилька L173497 Количество:3
2 - Крышка AL206035
3 - Комплект уплотнений AL207509
4 - Гайка 14M7273 Количество:3 Примечание:M8
5 - Комплект уплотнений AL207508
Наверх
КОМПЛЕКТЫ ДЛЯ УСТАНОВКИ В ПОЛЕВЫХ УСЛОВИЯХ — ВЫПУСКИ ОТВОДА МОЩНОСТИ ДЛЯ КОРПУСА РАСПОРНОЙ ВТУЛКИ - ST67133
![Джон Дир 6830 КОМПЛЕКТЫ ДЛЯ УСТАНОВКИ В ПОЛЕВЫХ УСЛОВИЯХ — ВЫПУСКИ ОТВОДА МОЩНОСТИ ДЛЯ КОРПУСА РАСПОРНОЙ ВТУЛКИ КОМПЛЕКТЫ ДЛЯ УСТАНОВКИ В ПОЛЕВЫХ УСЛОВИЯХ — ВЫПУСКИ ОТВОДА МОЩНОСТИ ДЛЯ КОРПУСА РАСПОРНОЙ ВТУЛКИ]()
1 - Уплотнительное кольцо 51M7041 Примечание:11.300 X 2.200 mm
2 - Гн. быстрос. гидр. муфты AL166181 Примечание:ORDER AL200979Посмотреть аналогичные детали
2 - Гн. быстрос. гидр. муфты AL200979 Посмотреть аналогичные детали
3 - Уплотнительное кольцо 51M7045 Примечание:19.300 X 2.200 mm
4 - Пр. быстрос. гидр. муфты AL176812
5 - Щиток от пыли L172750 Примечание:(Черный)
6 - Щиток от пыли L172646 Примечание:(Красный)
7 - Щиток от пыли L172647 Количество:2 Примечание:(ОРАНЖЕВЫЙ)
8 - Гн. быстрос. гидр. муфты AL170665 Количество:2
9 - Гн. быстрос. гидр. муфты AL170667
10 - Пр. быстрос. гидр. муфты AL170670
11 - Щиток от пыли L172648 Примечание:(Черный)
12 - Щиток от пыли L172757 Примечание:(Красный)
13 - Щиток от пыли L172650 Количество:2 Примечание:(ОРАНЖЕВЫЙ)
14 - Щиток от пыли L172756 Примечание:(Красный)
15 - Щиток от пыли L172645 Примечание:(Черный)
16 - Гн. быстрос. гидр. муфты AL170669
17 - Уплотнительное кольцо 51M7047 Количество:2 Примечание:23.600 X 2.900 mm
18 - Фитинг переходника 38H5005 Количество:2
19 - Уплотнительное кольцо T77858 Количество:2
20 - Уплотнительное кольцо T77613 Количество:2
21 - Фитинг переходника 38H5002 Количество:2
22 - Пр. быстрос. гидр. муфты AL170666 Количество:2
23 - Пр. быстрос. гидр. муфты AL170668
24 - Уплотнительное кольцо T77932 Количество:2
25 - Фитинг переходника 38H5004 Количество:2
26 - Гн. быстрос. гидр. муфты AL176823
27 - Щиток от пыли L171561 Примечание:(Черный)
28 - Щиток от пыли L172649 Примечание:(Красный)
29 - Пр. быстрос. гидр. муфты AL81368
30 - Гн. быстрос. гидр. муфты AL176806 Примечание:12.5MM / 1/2", FI
31 - Быстросъемн. гидр. муфта AL176296 Примечание:12.5MM / 1/2", FI
32 - Гн. быстрос. гидр. муфты AL176807 Примечание:20MM / 3/4", FI
33 - Гн. быстрос. гидр. муфты AL176297 Примечание:20MM / 3/4", FI
Наверх
КЛАПАН УПРАВЛЕНИЯ СЦЕПКОЙ С ШАГОВЫМ ДВИГАТЕЛЕМ (ГИДРОНАСОС 2835 КУБ. СМ) - ST67134
![Джон Дир 6830 КЛАПАН УПРАВЛЕНИЯ СЦЕПКОЙ С ШАГОВЫМ ДВИГАТЕЛЕМ (ГИДРОНАСОС 2835 КУБ. СМ) КЛАПАН УПРАВЛЕНИЯ СЦЕПКОЙ С ШАГОВЫМ ДВИГАТЕЛЕМ (ГИДРОНАСОС 2835 КУБ. СМ)]()
1 - Гайка 14M7273 Количество:3 Примечание:M8
2 - Шпилька L173496 Примечание:LGTH= 102.5MM
3 - Крышка L166468
4 - Крышка L168720
5 - Распорная втулка AL206741 Примечание:(КОРПУС ПРОСТАВКИ БЕЗ КЛАПАНА УПРАВЛЕНИЯ ОСЬЮ БАЛАНСИРА) SUB FOR AL173572
6 - Контрольный клапан AL205519 Примечание:SUB FOR AL173392, AL179190
7 - Электродвигатель AL181806 Примечание:(SUB FOR AL179188)
8 - Винт 19M8851 Количество:4 Примечание:M6 X 12
9 - Уплотнительное кольцо L171847
10 - Контр. клап. с гидропр. AL173276 Количество:2
11 - Клапан AL169210
12 - Комплект уплотнений AL175582
13 - Контрольный клапан AL206059 Примечание:SUB FOR AL173393
14 - Уплотнительное кольцо 51M7040 Примечание:9.300 X 2.200 mm
15 - Седло клапана L78964
16 - Тарельчатый клапан L167582
17 - Пружина сжатия L155935
18 - Фитинг L167583
19 - Фитинг AL114633 Примечание:FOR AL173393
19 - Фитинг AL206960 Примечание:FOR AL206059
20 - Комплект прокладок AL175581
21 - Комплект уплотнений AL172964 Примечание:NLA; ORDER AL207509
21 - Комплект уплотнений AL207509
22 - Пробка сливного отверстия 15M6643
23 - Шар T13624
24 - Комплект заглушек AL204034
Наверх
Клапан управления оси балансира с шаговым двигателем (гидравлический насос 45 куб. см) - ST67135
![Джон Дир 6830 Клапан управления оси балансира с шаговым двигателем (гидравлический насос 45 куб. см) Клапан управления оси балансира с шаговым двигателем (гидравлический насос 45 куб. см)]()
1 - Гайка 14M7273 Количество:3 Примечание:M8
2 - Шпилька L173496 Примечание:LGTH= 102.5MM
3 - Крышка L166468
4 - Крышка L168720
5 - Распорная втулка AL206741 Примечание:(Корпус распорной втулки без клапана управления оси балансира) (SUB FOR AL173572)
6 - Контрольный клапан AL205521 Примечание:(SUB FOR AL173274 OR AL179189)
7 - Электродвигатель AL181806 Примечание:NLA; ORDER AL209249, (SUB FOR AL179188)
7 - Электродвигатель AL209249
8 - Винт 19M8851 Количество:4 Примечание:M6 X 12
9 - Уплотнительное кольцо L171847
10 - Контр. клап. с гидропр. AL173276 Количество:2
11 - Клапан AL169210
12 - Комплект уплотнений AL175582
13 - Блок оси балансира AL173272 Примечание:(USE WITH AL179189)
13 - Блок оси балансира AL206747 Примечание:(USE WITH AL205521)
14 - Уплотнительное кольцо 51M7040 Примечание:9.300 X 2.200 mm
15 - Седло клапана L78964
16 - Тарельчатый клапан L167582
17 - Пружина сжатия L155935
18 - Фитинг L167583
19 - Пробка сливного отверстия 15M7077
20 - Комплект прокладок AL175581
21 - Комплект уплотнений AL207509 Примечание:(SUB FOR AL172964)
22 - Шар T13624
23 - Комплект заглушек AL204034
Наверх
КРЕПЕЖНЫЕ ДЕТАЛИ ДЛЯ СЕЛЕКТОРНЫХ КЛАПАНОВ УПРАВЛЕНИЯ - ST67136
![Джон Дир 6830 КРЕПЕЖНЫЕ ДЕТАЛИ ДЛЯ СЕЛЕКТОРНЫХ КЛАПАНОВ УПРАВЛЕНИЯ КРЕПЕЖНЫЕ ДЕТАЛИ ДЛЯ СЕЛЕКТОРНЫХ КЛАПАНОВ УПРАВЛЕНИЯ]()
1 - Гайка 14M7273 Количество:6 Примечание:M8
2 - Стержень L173498 Количество:3 Примечание:LGTH= 154.5MM
3 - Крышка L166468
4 - Шпилька L173495 Количество:3 Примечание:LGTH= 90.5MM
5 - Комплект уплотнений AL172964 Примечание:ORDER AL207509
5 - Комплект уплотнений AL207509
6 - Заглушка L102157 Примечание:MARKED IV
7 - Крышка AL166754
8 - Шпилька L173497 Количество:3 Примечание:LGTH= 142.5MM
9 - Стержень L173500 Количество:3 Примечание:LGTH= 206.5MM
10 - Заглушка L170555 Примечание:MARKED I
11 - Заглушка L170556 Примечание:MARKED II
12 - Заглушка L170557 Примечание:MARKED III
Наверх
МЕХАНИЧЕСКИЙ СЕЛЕКТОРНЫЙ КЛАПАН УПРАВЛЕНИЯ (M-SCV) СЕРИЯ 100 - ST67846
![Джон Дир 6830 МЕХАНИЧЕСКИЙ СЕЛЕКТОРНЫЙ КЛАПАН УПРАВЛЕНИЯ (M-SCV) СЕРИЯ 100 МЕХАНИЧЕСКИЙ СЕЛЕКТОРНЫЙ КЛАПАН УПРАВЛЕНИЯ (M-SCV) СЕРИЯ 100]()
1 - Селект. контрольный клап. AL174923 Tractor Serial No.______-644532 Примечание:(ORD AL202022) (SUB FOR AL172561)
1 - Селект. контрольный клап. AL202022 Tractor Serial No.644533-______ Примечание:(ORD AL206028)
1 - Селект. контрольный клап. AL206028
2 - Комплект уплотнений AL172964 Примечание:NLA; ORDER AL207509
2 - Комплект уплотнений AL207509
3 - Комплект стопора AL216674 Примечание:SUB FOR AL172971 APPL
4 - Комплект уплотнений AL203572 Примечание:NLA; ORDER AL207508, SUB FOR AL172963
4 - Комплект уплотнений AL207508
5 - Заглушка фитинга AL172974
6 - Комплект фланцев AL172966
7 - Комплект уплотнений AL203292 Количество:2 Примечание:(SUB FOR L170240)
8 - Заглушка L170555 Примечание:MARKED I
9 - Заглушка L170556 Примечание:MARKED II
10 - Заглушка L170557 Примечание:MARKED III
11 - Заглушка L102157 Примечание:MARKED IV
12 - Пружина сжатия L203820
13 - Комплект клапанов AL205619
.. - Селект. контрольный клап. AL180369 Tractor Serial No.______-644532 Примечание:(ВКЛЮЧАЕТ 1 M-SCV СЕРИИ 100 И 2 БЫСТРОСЪЕМНЫЕ МУФТЫ СТАНДАРТ) (ВКЛЮЧАЕТ ДЕТАЛИ ОБРАТНОГО МАСЛОСЛИВА) (В комплект также входят детали управления M SCV) FI, CNLA, (ORD AL204101)
.. - Селект. контрольный клап. AL204101 Tractor Serial No.644533-663415 Примечание:(ВКЛЮЧАЕТ 1 M-SCV СЕРИИ 100 И 2 БЫСТРОСЪЕМНЫЕ МУФТЫ СТАНДАРТ) (ВКЛЮЧАЕТ ДЕТАЛИ ОБРАТНОГО МАСЛОСЛИВА) (В комплект также входят детали управления M SCV) FI, NLA, (ORDERAL207607)
.. - Селект. контрольный клап. AL207607 Примечание:(ВКЛЮЧАЕТ 1 M-SCV СЕРИИ 100 И 2 БЫСТРОСЪЕМНЫЕ МУФТЫ СТАНДАРТ) (ВКЛЮЧАЕТ ДЕТАЛИ ОБРАТНОГО МАСЛОСЛИВА) (В комплект также входят детали управления M SCV) FI
Наверх
Механический SCV, серия 100, положение I - ST478072
![Джон Дир 6830 Механический SCV, серия 100, положение I Механический SCV, серия 100, положение I]()
1 - Селект. контрольный клап. AL206028
2 - Заглушка фитинга AL172974
3 - Комплект фланцев AL172966
4 - Комплект стопора AL216674 Примечание:SUB FOR AL172971 APPL
5 - Комплект уплотнений AL203292 Количество:2
6 - Комплект уплотнений AL207508
7 - Комплект уплотнений AL207509
8 - Пружина сжатия L203820
9 - Комплект клапанов AL205619
10 - Заглушка L170555 Примечание:Зеленая, положение I
Наверх
Mechanical SCV, 100 Series, Position II - ST480361 ( Механические ВСК, серия, положение II - )
![Джон Дир 6830 Mechanical SCV, 100 Series, Position II Mechanical SCV, 100 Series, Position II]()
1 - Селект. контрольный клап. AL206028
2 - Заглушка фитинга AL172974
3 - Комплект фланцев AL172966
4 - Комплект стопора AL216674 Примечание:SUB FOR AL172971 APPL
5 - Комплект уплотнений AL203292 Количество:2
6 - Комплект уплотнений AL207508
7 - Комплект уплотнений AL207509
8 - Пружина сжатия L203820
9 - Комплект клапанов AL205619
10 - Заглушка L170556 Примечание:(Синий) (Положение II)
Наверх
Механический SCV, серия 100, положение III - ST482088
![Джон Дир 6830 Механический SCV, серия 100, положение III Механический SCV, серия 100, положение III]()
1 - Селект. контрольный клап. AL206028
2 - Заглушка фитинга AL172974
3 - Комплект фланцев AL172966
4 - Комплект стопора AL216674 Примечание:SUB FOR AL172971 APPL
5 - Комплект уплотнений AL203292 Количество:2
6 - Комплект уплотнений AL207508
7 - Комплект уплотнений AL207509
8 - Пружина сжатия L203820
9 - Комплект клапанов AL205619
10 - Заглушка L170557 Примечание:(Коричневый) (Положение III)
Наверх
Механический клапан управления, M-SCV, серия 100, позиция IV - ST485529
![Джон Дир 6830 Механический клапан управления, M-SCV, серия 100, позиция IV Механический клапан управления, M-SCV, серия 100, позиция IV]()
1 - Селект. контрольный клап. AL206028
2 - Заглушка фитинга AL172974
3 - Комплект фланцев AL172966
4 - Комплект стопора AL216674 Примечание:SUB FOR AL172971 APPL
5 - Комплект уплотнений AL203292 Количество:2
6 - Комплект уплотнений AL207508
7 - Комплект уплотнений AL207509
8 - Пружина сжатия L203820
9 - Комплект клапанов AL205619
10 - Заглушка L102157 Примечание:(Черный) (Положение IV)
Наверх
МЕХАНИЧЕСКИЙ СЕЛЕКТОРНЫЙ КЛАПАН УПРАВЛЕНИЯ (M-SCV) СЕРИЯ 200 - ST68604
![Джон Дир 6830 МЕХАНИЧЕСКИЙ СЕЛЕКТОРНЫЙ КЛАПАН УПРАВЛЕНИЯ (M-SCV) СЕРИЯ 200 МЕХАНИЧЕСКИЙ СЕЛЕКТОРНЫЙ КЛАПАН УПРАВЛЕНИЯ (M-SCV) СЕРИЯ 200]()
1 - Селект. контрольный клап. AL174924 Tractor Serial No.______-644532 Примечание:ORD AL202023; SUB FOR AL172562
1 - Селект. контрольный клап. AL202023 Tractor Serial No.644533-663415 Примечание:W/O KEY 2
1 - Селект. контрольный клап. AL206029 Tractor Serial No.663416-______
2 - Ручка L169976
3 - Селект. контрольный клап. AL177612
4 - Селект. контрольный клап. AL178286
5 - Комплект уплотнений AL203572 Примечание:(SUB FOR AL172963)
6 - Комплект клапанов AL210168 Примечание:SUB FOR AL177614
7 - Кольц. упл. V-обр. сеч. L170240
8 - Комплект фланцев AL172966
9 - Заглушка фитинга AL172974
10 - Комплект клапанов AL172967
11 - Комплект уплотнений AL172964 Примечание:ORDER AL207509
11 - Комплект уплотнений AL207509
12 - Заглушка L170555 Примечание:MARKED I
13 - Заглушка L170556 Примечание:MARKED II
14 - Заглушка L170557 Примечание:MARKED III
15 - Заглушка L102157 Примечание:MARKED IV
.. - Селект. контрольный клап. AL170400 Tractor Serial No.______-644532 Примечание:(ВКЛЮЧАЕТ 1 M-SCV СЕРИИ 200 И 2 БЫСТРОСЪЕМНЫЕ МУФТЫ DELUXE) (ВКЛЮЧАЕТ ДЕТАЛИ ОБРАТНОГО МАСЛОСЛИВА) FI,CNLA,(ORD AL204102)
.. - Селект. контрольный клап. AL204102 Tractor Serial No.644533-663415 Примечание:(ВКЛЮЧАЕТ 1 M-SCV СЕРИИ 200 И 2 БЫСТРОСЪЕМНЫЕ МУФТЫ DELUXE) (ВКЛЮЧАЕТ ДЕТАЛИ ОБРАТНОГО МАСЛОСЛИВА) FI,(INCL KEYS 2-11,AL202023)
.. - Селект. контрольный клап. AL207609 Tractor Serial No.663416-______ Примечание:(ВКЛЮЧАЕТ 1 M-SCV СЕРИИ 200 И 2 БЫСТРОСЪЕМНЫЕ МУФТЫ DELUXE) (ВКЛЮЧАЕТ ДЕТАЛИ ОБРАТНОГО МАСЛОСЛИВА) FI
Наверх
Механический SCV, серия 200, положение I - ST478076
![Джон Дир 6830 Механический SCV, серия 200, положение I Механический SCV, серия 200, положение I]()
1 - Селект. контрольный клап. AL206029
2 - Комплект клапанов AL172967
3 - Заглушка фитинга AL172974
4 - Комплект фланцев AL172966
5 - Ручка AL177612
6 - Комплект клапанов AL210168 Примечание:SUB FOR AL177614
7 - Комплект стопора AL178286
8 - Комплект уплотнений AL203292
9 - Комплект уплотнений AL207508
10 - Комплект уплотнений AL207509
11 - Комплект клапанов AL205619
12 - Заглушка L170555 Примечание:Зеленая, положение I
13 - Ручка L169976
Наверх
Механический SCV, серия 200, положение II - ST480528
![Джон Дир 6830 Механический SCV, серия 200, положение II Механический SCV, серия 200, положение II]()
1 - Селект. контрольный клап. AL206029
2 - Комплект клапанов AL172967
3 - Заглушка фитинга AL172974
4 - Комплект фланцев AL172966
5 - Ручка AL177612
6 - Комплект клапанов AL210168 Примечание:SUB FOR AL177614
7 - Комплект стопора AL178286
8 - Комплект уплотнений AL203292
9 - Комплект уплотнений AL207508
10 - Комплект уплотнений AL207509
11 - Комплект клапанов AL205619
12 - Заглушка L170556 Примечание:(Синий) (Положение II)
13 - Ручка L169976
Наверх
Механический SCV, серия 200, положение III - ST481057
![Джон Дир 6830 Механический SCV, серия 200, положение III Механический SCV, серия 200, положение III]()
1 - Селект. контрольный клап. AL206029
2 - Комплект клапанов AL172967
3 - Заглушка фитинга AL172974
4 - Комплект фланцев AL172966
5 - Ручка AL177612
6 - Комплект клапанов AL210168 Примечание:SUB FOR AL177614
7 - Комплект стопора AL178286
8 - Комплект уплотнений AL203292
9 - Комплект уплотнений AL207508
10 - Комплект уплотнений AL207509
11 - Комплект клапанов AL205619
12 - Заглушка L170557 Примечание:(Коричневый) (Положение III)
13 - Ручка L169976
Наверх
Механический SCV, серия 200, положение IV - ST485530
![Джон Дир 6830 Механический SCV, серия 200, положение IV Механический SCV, серия 200, положение IV]()
1 - Селект. контрольный клап. AL206029
2 - Комплект клапанов AL172967
3 - Заглушка фитинга AL172974
4 - Комплект фланцев AL172966
5 - Ручка AL177612
6 - Комплект клапанов AL210168 Примечание:SUB FOR AL177614
7 - Комплект стопора AL178286
8 - Комплект уплотнений AL203292
9 - Комплект уплотнений AL207508
10 - Комплект уплотнений AL207509
11 - Комплект клапанов AL205619
12 - Заглушка L102157 Примечание:(Черный) (Положение IV)
13 - Ручка L169976
Наверх
МЕХАНИЧЕСКИЙ СЕЛЕКТОРНЫЙ КЛАПАН УПРАВЛЕНИЯ (M-SCV) СЕРИЯ 300 - ST67848
![Джон Дир 6830 МЕХАНИЧЕСКИЙ СЕЛЕКТОРНЫЙ КЛАПАН УПРАВЛЕНИЯ (M-SCV) СЕРИЯ 300 МЕХАНИЧЕСКИЙ СЕЛЕКТОРНЫЙ КЛАПАН УПРАВЛЕНИЯ (M-SCV) СЕРИЯ 300]()
1 - Селект. контрольный клап. AL174925 Tractor Serial No.______-644523 Примечание:W/O KEY 2, (ORD AL202024), (SUB FOR AL172963)
1 - Селект. контрольный клап. AL202024 Tractor Serial No.644524-______ Примечание:W/O KEY 2
2 - Ручка L169977
3 - Селект. контрольный клап. AL177612
4 - Комплект стопора AL178285
5 - Комплект уплотнений AL203572 Примечание:ORDER AL207508; SUB FOR AL172963
5 - Комплект уплотнений AL207508
6 - Ремонтный комплект AL177613 Примечание:ORDER AL207507
6 - Ремонтный комплект AL207507
7 - Кольц. упл. V-обр. сеч. L170240
8 - Комплект фланцев AL172966 Количество:2
9 - Заглушка фитинга AL172974
10 - Комплект клапанов AL172967 Количество:2
11 - Комплект уплотнений AL172964 Примечание:ORDER AL207509
11 - Комплект уплотнений AL207509
12 - Детали линии сборки AL172973
13 - Заглушка L170555 Примечание:MARKED I
14 - Заглушка L170556 Примечание:MARKED II
15 - Заглушка L170557 Примечание:MARKED III
16 - Заглушка L102157 Примечание:MARKED IV
17 - Пружина сжатия L203821
18 - Золотник клапана AL200965 Tractor Serial No.644524-______ Примечание:(FOR AL202024)
.. - Селект. контрольный клап. AL180371 Tractor Serial No.______-644578 Примечание:(ВКЛЮЧАЕТ 1 M-SCV СЕРИИ 300 И 2 БЫСТРОСЪЕМНЫЕ МУФТЫ DELUXE) (ВКЛЮЧАЕТ ДЕТАЛИ ОБРАТНОГО МАСЛОСЛИВА) FI, CNLA, (ORD AL204115)
.. - Селект. контрольный клап. AL204115 Примечание:(ВКЛЮЧАЕТ 1 M-SCV СЕРИИ 300 И 2 БЫСТРОСЪЕМНЫЕ МУФТЫ DELUXE) (ВКЛЮЧАЕТ ДЕТАЛИ ОБРАТНОГО МАСЛОСЛИВА) FI, NLA, ORDER AL205078
.. - Селект. контрольный клап. AL205078 Примечание:(ВКЛЮЧАЕТ 1 M-SCV СЕРИИ 300 И 2 БЫСТРОСЪЕМНЫЕ МУФТЫ DELUXE) (ВКЛЮЧАЕТ ДЕТАЛИ ОБРАТНОГО МАСЛОСЛИВА) FI,
Наверх
Механический SCV, серия 300, положение I - ST478082
![Джон Дир 6830 Механический SCV, серия 300, положение I Механический SCV, серия 300, положение I]()
1 - Клапан AL206036
2 - Комплект золотника AL204321 Количество:2
3 - Заглушка фитинга AL172974 Количество:2
4 - Обратный клапан AL200946
5 - Комплект фланцев AL172966
6 - Ручка AL177612
7 - Ремонтный комплект AL207507
8 - Комплект стопора AL203286
9 - Комплект уплотнений AL203292
10 - Комплект уплотнений AL207508
11 - Комплект уплотнений AL207509
12 - Обратный клапан AL180447 Количество:2
13 - Пружина сжатия L203821
14 - Комплект клапанов AL205619
15 - Ручка L169977 Количество:2
16 - Заглушка L170555 Примечание:(ЗЕЛЕНЫЙ) MARKED I
17 - Золотник клапана AL200965
Наверх
Mechanical SCV, 300 Series, Position II - ST482084 ( Механические ВСК, серия, положение II - )
![Джон Дир 6830 Mechanical SCV, 300 Series, Position II Mechanical SCV, 300 Series, Position II]()
1 - Клапан AL206036
2 - Комплект золотника AL204321 Примечание:ORDER AL214530
2 - Комплект золотника AL214530
3 - Заглушка фитинга AL172974
4 - Обратный клапан AL200946
5 - Комплект фланцев AL172966
6 - Ручка AL177612
7 - Ремонтный комплект AL207507
8 - Комплект стопора AL203286
9 - Комплект уплотнений AL203292
10 - Комплект уплотнений AL207508
11 - Комплект уплотнений AL207509
12 - Обратный клапан AL180447 Количество:2
13 - Пружина сжатия L203821
14 - Комплект клапанов AL205619
15 - Ручка L169977
16 - Заглушка L170556 Примечание:(СИНИЙ) MARKED II
17 - Золотник клапана AL200965
Наверх
Механический SCV, серия 300, положение III - ST481316
![Джон Дир 6830 Механический SCV, серия 300, положение III Механический SCV, серия 300, положение III]()
1 - Клапан AL206036
2 - Комплект золотника AL204321
3 - Заглушка фитинга AL172974
4 - Обратный клапан AL200946
5 - Комплект фланцев AL172966
6 - Ручка AL177612
7 - Ремонтный комплект AL207507
8 - Комплект стопора AL203286
9 - Комплект уплотнений AL203292
10 - Комплект уплотнений AL207508
11 - Комплект уплотнений AL207509
12 - Обратный клапан AL180447 Количество:2
13 - Пружина сжатия L203821
14 - Комплект клапанов AL205619
15 - Ручка L169977
16 - Заглушка L170557 Примечание:(КОРИЧНЕВЫЙ) MARKED III
17 - Золотник клапана AL200965
Наверх
Механический SCV, серия 300, положение IV - ST487148
![Джон Дир 6830 Механический SCV, серия 300, положение IV Механический SCV, серия 300, положение IV]()
1 - Клапан AL206036
2 - Комплект золотника AL204321 Количество:2
3 - Заглушка фитинга AL172974 Количество:2
4 - Обратный клапан AL200946
5 - Комплект фланцев AL172966
6 - Ручка AL177612
7 - Ремонтный комплект AL207507
8 - Комплект стопора AL203286
9 - Комплект уплотнений AL203292
10 - Комплект уплотнений AL207508
11 - Комплект уплотнений AL207509
12 - Обратный клапан AL180447 Количество:2
13 - Пружина сжатия L203821
14 - Комплект клапанов AL205619
15 - Ручка L169977
16 - Заглушка L102157 Примечание:Marked IV
17 - Золотник клапана AL200965
Наверх
Механический селекторный клапан управления (M-SCV) серия 350 - ST67140
![Джон Дир 6830 Механический селекторный клапан управления (M-SCV) серия 350 Механический селекторный клапан управления (M-SCV) серия 350]()
1 - Селект. контрольный клап. AL180448 Примечание:ORDER AL204735, W/O KEY 2
1 - Клапан AL204735 Tractor Serial No.______-663415
2 - Ручка L169977
3 - Ручка AL177612
4 - Комплект стопора AL178285
5 - Комплект уплотнений AL203572 Примечание:ORDER AL207508; SUB FOR AL172963
5 - Комплект уплотнений AL207508
6 - Ремонтный комплект AL177613 Примечание:ORDER AL207507
6 - Ремонтный комплект AL207507
7 - Кольц. упл. V-обр. сеч. L170240
8 - Комплект фланцев AL172966 Количество:2
9 - Заглушка фитинга AL172974
10 - Комплект клапанов AL172967 Количество:2 Tractor Serial No.______-644578
10 - Комплект золотника AL214530 Tractor Serial No.644579-______ Примечание:SUB FOR AL204321 APPL
11 - Комплект уплотнений AL172964 Примечание:ORDER AL207509
11 - Комплект уплотнений AL207509
12 - Детали линии сборки AL172973
13 - Заглушка L170555 Примечание:MARKED I
14 - Заглушка L170556 Примечание:MARKED II
15 - Заглушка L170557 Примечание:MARKED III
16 - Комплект переходников AL203293 Tractor Serial No.______-644578
17 - Обратный клапан AL180447 Количество:2
18 - Пружина сжатия L203821
19 - Золотник клапана AL200965 Tractor Serial No.644579-______
20 - Золотник клапана AL204988 Tractor Serial No.644579-______ Примечание:(ДЛЯ УМЕНЬШЕННОГО РАСХОДА ИЗМЕРЕНИЯ НАГРУЗКИ)
.. - Селект. контрольный клап. AL181054 Примечание:(ВКЛЮЧАЕТ 1 M-SCV СЕРИИ 350 И 2 БЫСТРОРАЗЪЕМНЫЕ МУФТЫ DELUXE) (ВКЛЮЧАЕТ 1 ПЫЛЕЗАЩИТНЫЙ КОРПУС И ДЕТАЛИ ОБРАТНОГО МАСЛОСЛИВА) (ВКЛЮЧАЕТ ОРГАН УПРАВЛЕНИЯ M-SCV) FI,CNLA,(ORD AL204115)
.. - Селект. контрольный клап. AL204115 Примечание:(ВКЛЮЧАЕТ 1 M-SCV СЕРИИ 350 И 2 БЫСТРОРАЗЪЕМНЫЕ МУФТЫ DELUXE) (ВКЛЮЧАЕТ 1 ПЫЛЕЗАЩИТНЫЙ КОРПУС И ДЕТАЛИ ОБРАТНОГО МАСЛОСЛИВА) (ВКЛЮЧАЕТ ОРГАН УПРАВЛЕНИЯ M-SCV) FI, CNLA, ORDER AL205078
.. - Селект. контрольный клап. AL205078 Tractor Serial No.______-663415 Примечание:(ВКЛЮЧАЕТ 1 M-SCV СЕРИИ 350 И 2 БЫСТРОРАЗЪЕМНЫЕ МУФТЫ DELUXE) (ВКЛЮЧАЕТ 1 ПЫЛЕЗАЩИТНЫЙ КОРПУС И ДЕТАЛИ ОБРАТНОГО МАСЛОСЛИВА) (ВКЛЮЧАЕТ ОРГАН УПРАВЛЕНИЯ M-SCV) FI, INCL KEYS 1-20
Наверх
Механический селекторный клапан управления (M-SCV) серия 350 - ST304687
![Джон Дир 6830 Механический селекторный клапан управления (M-SCV) серия 350 Механический селекторный клапан управления (M-SCV) серия 350]()
1 - Клапан AL206036 Tractor Serial No.663416-______ Примечание:W/O KEY 2
2 - Ручка L169977
3 - Ручка AL177612
4 - Комплект стопора AL178285 Примечание:NLA; ORDER AL203286
4 - Комплект стопора AL203286
5 - Комплект уплотнений AL203572 Примечание:NLA; ORDER AL207508, SUB FOR AL172963
5 - Комплект уплотнений AL207508
6 - Ремонтный комплект AL177613 Примечание:NLA; ORDER AL207507
6 - Ремонтный комплект AL207507
7 - Комплект уплотнений AL203292 Примечание:SUB FOR L170240
8 - Комплект фланцев AL172966 Количество:2
9 - Заглушка фитинга AL172974
10 - Комплект золотника AL214530 Количество:2 Примечание:SUB FOR AL204321 APPL
11 - Комплект уплотнений AL172964 Примечание:NLA; ORDER AL207509
11 - Комплект уплотнений AL207509
12 - Детали линии сборки AL172973 Примечание:NLA; ORDER AL200946
12 - Обратный клапан AL200946
13 - Заглушка L170555 Примечание:MARKED I
14 - Заглушка L170556 Примечание:MARKED II
15 - Заглушка L170557 Примечание:MARKED III
16 - Комплект переходников AL203293
17 - Обратный клапан AL180447 Количество:2
18 - Пружина сжатия L203821
19 - Золотник клапана AL200965
20 - Золотник клапана AL204988 Примечание:(ДЛЯ УМЕНЬШЕННОГО РАСХОДА ИЗМЕРЕНИЯ НАГРУЗКИ)
.. - Селект. контрольный клап. AL207613 Tractor Serial No.663416-______ Примечание:(ВКЛЮЧАЕТ 1 M-SCV СЕРИИ 350 И 2 БЫСТРОРАЗЪЕМНЫЕ МУФТЫ DELUXE) (ВКЛЮЧАЕТ 1 ПЫЛЕЗАЩИТНЫЙ КОРПУС И ДЕТАЛИ ОБРАТНОГО МАСЛОСЛИВА) (ВКЛЮЧАЕТ ОРГАН УПРАВЛЕНИЯ M-SCV) FI
Наверх
Механический SCV, серия 350, положение I - ST478086
![Джон Дир 6830 Механический SCV, серия 350, положение I Механический SCV, серия 350, положение I]()
1 - Клапан AL206036
2 - Комплект золотника AL214530 Количество:2 Примечание:SUB FOR AL204321 APPL
3 - Заглушка фитинга AL172974 Количество:2
4 - Обратный клапан AL200946
5 - Комплект фланцев AL172966
6 - Ручка AL177612
7 - Ремонтный комплект AL207507
8 - Комплект стопора AL203286
9 - Комплект уплотнений AL203292
10 - Комплект уплотнений AL207508
11 - Комплект уплотнений AL207509
12 - Обратный клапан AL180447 Количество:2
13 - Пружина сжатия L203821
14 - Комплект клапанов AL205619
15 - Ручка L169977 Количество:2
16 - Заглушка L170555 Примечание:(ЗЕЛЕНЫЙ) MARKED I
17 - Золотник клапана AL200965
Наверх
Механический клапан управления, M-SCV, серия 350, позиция II - ST481812
![Джон Дир 6830 Механический клапан управления, M-SCV, серия 350, позиция II Механический клапан управления, M-SCV, серия 350, позиция II]()
1 - Клапан AL206036
2 - Комплект золотника AL214530 Количество:2 Примечание:SUB FOR AL204321 APPL
3 - Заглушка фитинга AL172974 Количество:2
4 - Обратный клапан AL200946
5 - Комплект фланцев AL172966
6 - Ручка AL177612
7 - Ремонтный комплект AL207507
8 - Комплект стопора AL203286
9 - Комплект уплотнений AL203292
10 - Комплект уплотнений AL207508
11 - Комплект уплотнений AL207509
12 - Обратный клапан AL180447 Количество:2
13 - Пружина сжатия L203821
14 - Комплект клапанов AL205619
15 - Ручка L169977 Количество:2
16 - Заглушка L170556 Примечание:(СИНИЙ) MARKED II
17 - Золотник клапана AL200965
Наверх
Механический SCV, серия 350, положение III - ST482085
![Джон Дир 6830 Механический SCV, серия 350, положение III Механический SCV, серия 350, положение III]()
1 - Клапан AL206036
2 - Комплект золотника AL214530 Количество:2 Примечание:SUB FOR AL204321 APPL
3 - Заглушка фитинга AL172974 Количество:2
4 - Обратный клапан AL200946
5 - Комплект фланцев AL172966
6 - Ручка AL177612
7 - Ремонтный комплект AL207507
8 - Комплект стопора AL203286
9 - Комплект уплотнений AL203292
10 - Комплект уплотнений AL207508
11 - Комплект уплотнений AL207509
12 - Обратный клапан AL180447 Количество:2
13 - Пружина сжатия L203821
14 - Комплект клапанов AL205619
15 - Ручка L169977 Количество:2
16 - Заглушка L170557 Примечание:(КОРИЧНЕВЫЙ) MARKED III
17 - Золотник клапана AL200965
Наверх
Механический SCV, серия 350, положение IV - ST485724
![Джон Дир 6830 Механический SCV, серия 350, положение IV Механический SCV, серия 350, положение IV]()
1 - Клапан AL206036
2 - Комплект золотника AL214530 Количество:2 Примечание:SUB FOR AL204321 APPL
3 - Заглушка фитинга AL172974 Количество:2
4 - Обратный клапан AL200946
5 - Комплект фланцев AL172966
6 - Ручка AL177612
7 - Ремонтный комплект AL207507
8 - Комплект стопора AL203286
9 - Комплект уплотнений AL203292
10 - Комплект уплотнений AL207508
11 - Комплект уплотнений AL207509
12 - Обратный клапан AL180447 Количество:2
13 - Пружина сжатия L203821
14 - Комплект клапанов AL205619
15 - Ручка L169977 Количество:2
16 - Заглушка L102157 Примечание:Marked IV
17 - Золотник клапана AL200965
Наверх
КОМПЛЕКТ ДЛЯ ОБСЛУЖИВАНИЯ, КОМПЛЕКТ ТАРЕЛЬЧАТЫХ КЛАПАНОВ - ST67141
![Джон Дир 6830 КОМПЛЕКТ ДЛЯ ОБСЛУЖИВАНИЯ, КОМПЛЕКТ ТАРЕЛЬЧАТЫХ КЛАПАНОВ КОМПЛЕКТ ДЛЯ ОБСЛУЖИВАНИЯ, КОМПЛЕКТ ТАРЕЛЬЧАТЫХ КЛАПАНОВ]()
1 - Комплект AL181560 Количество:2 Примечание:FI
Наверх
КОМПЛЕКТ ДЛЯ ОБСЛУЖИВАНИЯ, ОТВЕРСТИЯ ИЗМЕРЕНИЯ НАГРУЗКИ - ST67851
![Джон Дир 6830 КОМПЛЕКТ ДЛЯ ОБСЛУЖИВАНИЯ, ОТВЕРСТИЯ ИЗМЕРЕНИЯ НАГРУЗКИ КОМПЛЕКТ ДЛЯ ОБСЛУЖИВАНИЯ, ОТВЕРСТИЯ ИЗМЕРЕНИЯ НАГРУЗКИ]()
1 - Комп. гидр. торм. приц. AL181569 Примечание:FI
Наверх
БЫСТРОСЪЕМНЫЕ СОЕДИНИТЕЛЬНЫЕ МУФТЫ (СТАНДАРТНЫЕ) - ST68609
![Джон Дир 6830 БЫСТРОСЪЕМНЫЕ СОЕДИНИТЕЛЬНЫЕ МУФТЫ (СТАНДАРТНЫЕ) БЫСТРОСЪЕМНЫЕ СОЕДИНИТЕЛЬНЫЕ МУФТЫ (СТАНДАРТНЫЕ)]()
1 - Гн. быстрос. гидр. муфты AL166181 Примечание:ORDER AL200979Посмотреть аналогичные детали
1 - Гн. быстрос. гидр. муфты AL200979 Посмотреть аналогичные детали
2 - Комплект уплотнений AL166745 Примечание:ORDER AL205022
3 - Комплект уплотнений AL112953 Примечание:USE WITH AL166181
4 - Уплотнительное кольцо 51M7045 Примечание:19.300 X 2.200 mm
5 - Крышка L112370 Примечание:USE WITH AL166181
6 - Колпачок L65410 Количество:2
7 - Комплект уплотнений AL205022 Примечание:Включает 10 уплотнительных колец и 10 опорных колец
Наверх
БЫСТРОСЪЕМНЫЕ СОЕДИНИТЕЛЬНЫЕ МУФТЫ (DELUXE) - ST67144
![Джон Дир 6830 БЫСТРОСЪЕМНЫЕ СОЕДИНИТЕЛЬНЫЕ МУФТЫ (DELUXE) БЫСТРОСЪЕМНЫЕ СОЕДИНИТЕЛЬНЫЕ МУФТЫ (DELUXE)]()
1 - Гн. быстрос. гидр. муфты AL210588 Примечание:Для положения SCV III ORDER (2) AL221083, (2) L218748, (2) L158630, INCL KEY 5, SUB FOR AL178991, AL202353
1 - Гн. быстрос. гидр. муфты AL210588 Количество:2 Примечание:Для положения SCV I+II ORDER (4) AL221083, (4) L218748, (4) L158630
2 - Гн. быстрос. гидр. муфты AL210587 Примечание:Для положения SCV III ORDER (2) AL221083, (2) L218748, (2) L158630, INCL KEY 5, SUB FOR AL178992, AL202354
2 - Гн. быстрос. гидр. муфты AL210587 Количество:2 Примечание:Для положения SCV I+II ORDER (4) AL221083, (4) L218748, (4) L158630
3 - Уплотнительное кольцо 51M7045 Примечание:19.300 X 2.200 mm
4 - Комплект уплотнений AL166745 Примечание:ORDER AL205022
5 - Комплект уплотнений AL223682 Примечание:SUB FOR AL173668
6 - Гн. быстрос. гидр. муфты AL221083 Количество:2 Посмотреть аналогичные детали
7 - Крышка L112370 Количество:2
8 - Гильза L218748 Количество:2
9 - Зажимная скоба L158630 Количество:2
10 - Комплект уплотнений AL205022 Примечание:Включает 10 уплотнительных колец и 10 опорных колец
Наверх
ПЫЛЕЗАЩИТНЫЙ КОРПУС ДЛЯ БЫСТРОСЪЕМНЫХ МУФТ - ST67145
![Джон Дир 6830 ПЫЛЕЗАЩИТНЫЙ КОРПУС ДЛЯ БЫСТРОСЪЕМНЫХ МУФТ ПЫЛЕЗАЩИТНЫЙ КОРПУС ДЛЯ БЫСТРОСЪЕМНЫХ МУФТ]()
1 - Крышка AL177680 Примечание:(ЗЕЛЕНЫЙ) MARKED I
1 - Крышка AL177681 Примечание:(СИНИЙ) MARKED II
1 - Крышка AL177682 Примечание:(КОРИЧНЕВЫЙ) MARKED III
1 - Крышка AL177683 Примечание:(ЧЕРНЫЙ) MARKED IV
2 - Уплотнение L170078
3 - Зажимная скоба L204223 Количество:2 Примечание:SUB FOR L167490
4 - Уплотнение L170077
5 - Зажимная скоба L158630 Примечание:(ДЛЯ СЪЕМНЫХ МУФТ (СТАНДАРТНЫЕ))
6 - Гильза L204224 Примечание:(ДЛЯ СЪЕМНЫХ МУФТ (СТАНДАРТНЫЕ)) SUB FOR L170081
7 - Заглушка L170555 Примечание:(ЗЕЛЕНЫЙ) MARKED I
8 - Заглушка L170556 Примечание:(СИНИЙ) MARKED II
9 - Заглушка L170557 Примечание:(КОРИЧНЕВЫЙ) MARKED III
10 - Заглушка L102157 Примечание:(ЧЕРНЫЙ) MARKED IV
11 - Винт L210923
Наверх
ДЕТАЛИ ОБРАТНОГО МАСЛОСЛИВА ДЛЯ БЫСТРОСЪЕМНЫХ МУФТ (DELUXE) - ST67146
![Джон Дир 6830 ДЕТАЛИ ОБРАТНОГО МАСЛОСЛИВА ДЛЯ БЫСТРОСЪЕМНЫХ МУФТ (DELUXE) ДЕТАЛИ ОБРАТНОГО МАСЛОСЛИВА ДЛЯ БЫСТРОСЪЕМНЫХ МУФТ (DELUXE)]()
1 - Скоба L112347
2 - Шланг ....... Примечание:LGTH= 42MM, (MF L65383)
3 - Фитинг шланга L61369
4 - Шланг ....... Примечание:LGTH= 400MM, (MF L65383)
5 - Шланг ....... Примечание:LGTH= 340MM, (MF L65383)
6 - Шланг ....... Примечание:LGTH= 70MM, (MF L65383)
7 - Шланг ....... Примечание:LGTH= 570MM, (MF L65383)
8 - Шланг ....... Примечание:LGTH= 340MM, (MF L65383)
9 - Фитинг переходника L78165
10 - Коленчатый патрубок L78340
11 - Уплотнительное кольцо T77814 Количество:2
12 - Шланг ....... Примечание:LGTH= 250MM, (MF L65383)
13 - Шланг ....... Примечание:LGTH= 380MM, (MF L65383)
14 - Шланг ....... Примечание:LGTH= 100MM, (MF L65383)
15 - Шланг ....... Примечание:LGTH= 70MM, (MF L65383)
16 - Шланг ....... Примечание:LGTH= 50MM, (MF L65382)
17 - Шланг ....... Примечание:LGTH= 150MM, (MF L65383)
.. - Шланг L65382 Примечание:LGTH= 10000MM
.. - Шланг L65383 Примечание:LGTH= 10000MM
Наверх
ДЕТАЛИ ОБРАТНОГО МАСЛОСЛИВА ДЛЯ ПЫЛЕЗАЩИТНОГО КОРПУСА - ST67147
![Джон Дир 6830 ДЕТАЛИ ОБРАТНОГО МАСЛОСЛИВА ДЛЯ ПЫЛЕЗАЩИТНОГО КОРПУСА ДЕТАЛИ ОБРАТНОГО МАСЛОСЛИВА ДЛЯ ПЫЛЕЗАЩИТНОГО КОРПУСА]()
1 - Уплотнительное кольцо T77814
2 - Заглушка L78338
3 - Коленчатый патрубок L78340
4 - Тройник L78339
5 - Зажимная скоба R56101
6 - Тройник L78133
7 - Шланг ....... Примечание:LGTH= 250MM, (MF L65382)
8 - Шланг ....... Примечание:LGTH= 440MM, (MF L65382)
9 - Шланг ....... Примечание:LGTH= 400MM, (MF L65382)
10 - Шланг ....... Примечание:LGTH= 850MM, (MF L65382)
11 - Шланг ....... Примечание:LGTH= 630MM, (MF L65382)
12 - Винт с головкой 19M6614 Количество:2 Примечание:M6 X 12
13 - Стопор L101446
14 - Гидравлический резервуар L100937
15 - Крышка L101404
.. - Шланг L65382 Примечание:LGTH= 10000MM
Наверх
КРЕПЕЖНЫЕ ДЕТАЛИ ДЛЯ НЕЗАВИСИМЫХ КЛАПАНОВ УПРАВЛЕНИЯ (M-ICV) - ST67148
![Джон Дир 6830 КРЕПЕЖНЫЕ ДЕТАЛИ ДЛЯ НЕЗАВИСИМЫХ КЛАПАНОВ УПРАВЛЕНИЯ (M-ICV) КРЕПЕЖНЫЕ ДЕТАЛИ ДЛЯ НЕЗАВИСИМЫХ КЛАПАНОВ УПРАВЛЕНИЯ (M-ICV)]()
1 - Винт с головкой 19M7402 Количество:2 Примечание:M10 X 25
2 - Кронштейн L167108
3 - Винт с головкой 19M8011 Количество:2 Примечание:M12 X 30
4 - Крышка L166468
5 - Гайка 14M7273 Примечание:M8
6 - Шпилька L173497 Количество:3 Примечание:LGTH= 142.5MM
7 - Стержень L169114 Количество:3 Примечание:LGTH= 189MM
8 - Шпилька 42M7069 Количество:2 Примечание:LGTH= 45MM
9 - Гайка 14M7275 Количество:2 Примечание:M12
Наверх
МЕХАНИЧЕСКИЙ КЛАПАН УПРАВЛЕНИЯ (M-ICV), ПРАВАЯ СТОРОНА ЦЕНТР КАБИНЫ - ST67149
![Джон Дир 6830 МЕХАНИЧЕСКИЙ КЛАПАН УПРАВЛЕНИЯ (M-ICV), ПРАВАЯ СТОРОНА ЦЕНТР КАБИНЫ МЕХАНИЧЕСКИЙ КЛАПАН УПРАВЛЕНИЯ (M-ICV), ПРАВАЯ СТОРОНА ЦЕНТР КАБИНЫ]()
1 - Селект. контрольный клап. AL178199 Tractor Serial No.______-644529 Примечание:(ORD AL202034)
1 - Селект. контрольный клап. AL202034 Tractor Serial No.644530-663409 Примечание:NLA; ORDER AL206041
1 - Селект. контрольный клап. AL206041 Tractor Serial No.663410-______
2 - Селект. контрольный клап. AL178198 Tractor Serial No.______-644529 Примечание:(ORD AL202033)
2 - Селект. контрольный клап. AL202033 Tractor Serial No.644530-663409 Примечание:NLA; ORDER AL206040
2 - Селект. контрольный клап. AL206040 Tractor Serial No.663410-______
3 - Селект. контрольный клап. AL172559 Tractor Serial No.______-644529 Примечание:(ORD AL202035)
3 - Селект. контрольный клап. AL202035 Tractor Serial No.644530-______ Примечание:ORDER AL226326
3 - Селект. контрольный клап. AL226326
4 - Уплотнительное кольцо 51M7045 Примечание:19.300 X 2.200 mm
5 - Заглушка фитинга L78975 Примечание:ALSO ORDER 51M7045
6 - Селект. контрольный клап. AL178203 Tractor Serial No.______-644529 Примечание:(ORD AL202036)
6 - Селект. контрольный клап. AL202036 Tractor Serial No.644530-663409 Примечание:NLA; ORDER AL207487
6 - Селект. контрольный клап. AL211998 Примечание:SUB FOR AL207487
7 - Селект. контрольный клап. AL178204 Tractor Serial No.______-644823 Примечание:(ORD AL202037)
7 - Селект. контрольный клап. AL202037 Tractor Serial No.644824-663409 Примечание:NLA; ORDER AL207488
7 - Селект. контрольный клап. AL211999 Tractor Serial No.663410-______ Примечание:SUB FOR AL207488
8 - Блок клапана AL172556 Примечание:USE WITH AL207487, AL207488
8 - Блок клапана AL212000 Примечание:INCLUDES 64M5022; USE WITH AL211998, AL211999
9 - Комплект уплотнений AL172964 Примечание:ORDER AL207509
9 - Комплект уплотнений AL207509
10 - Уплотнительное кольцо 51M7041 Примечание:11.300 X 2.200 mm
11 - Пробка сливного отверстия 15M7076
12 - Пробка сливного отверстия 64M5022
.. - Комплект клапанов AL179315 Tractor Serial No.______-644529 Примечание:INCL (2) M-ICV, FI, CNLA, (ORD AL204116)
.. - Детали линии сборки AL204116 Tractor Serial No.644530-663409 Примечание:INCL (2) M-ICV, FI, NLA; ORDER AL207614
.. - Маслопровод AL207614 Tractor Serial No.663410-______ Примечание:INCL (2) M-ICV, FI
.. - Комплект клапанов AL179316 Tractor Serial No.______-644823 Примечание:INCL (3) M-ICV, FI, CNLA, (ORD AL204117)
.. - Детали линии сборки AL204117 Tractor Serial No.644824-663409 Примечание:INCL (3) M-ICV, FI, NLA; ORDER AL207615
.. - Селект. контрольный клап. AL207615 Tractor Serial No.663410-______ Примечание:INCL (3) M-ICV, FI
.. - Комплект уплотнений AL207508 Примечание:USE WITH AL207487, AL207488, AL211998, AL211999, AL206041, AL206040, AL202035
98 - Комплект уплотнений AL209467 Примечание:USE WITH AL226326
Наверх
МЕХАНИЧЕСКИЙ КЛАПАН УПРАВЛЕНИЯ (M-ICV), ПРАВАЯ СТОРОНА ЦЕНТР КАБИНЫ (ОДИНОЧНЫЕ ДЕТАЛИ) - ST67150
![Джон Дир 6830 МЕХАНИЧЕСКИЙ КЛАПАН УПРАВЛЕНИЯ (M-ICV), ПРАВАЯ СТОРОНА ЦЕНТР КАБИНЫ (ОДИНОЧНЫЕ ДЕТАЛИ) МЕХАНИЧЕСКИЙ КЛАПАН УПРАВЛЕНИЯ (M-ICV), ПРАВАЯ СТОРОНА ЦЕНТР КАБИНЫ (ОДИНОЧНЫЕ ДЕТАЛИ)]()
1 - Селект. контрольный клап. AL178199 Tractor Serial No.______-644529 Примечание:(ORD AL202034)
1 - Селект. контрольный клап. AL202034 Tractor Serial No.644530-663409 Примечание:NLA; ORDER AL206041
1 - Селект. контрольный клап. AL206041 Tractor Serial No.663410-______
2 - Селект. контрольный клап. AL178198 Tractor Serial No.______-644529 Примечание:(ORD AL202033)
2 - Селект. контрольный клап. AL202033 Tractor Serial No.644530-663409 Примечание:NLA; ORDER AL206040
2 - Селект. контрольный клап. AL206040 Tractor Serial No.663410-______
3 - Селект. контрольный клап. AL172559 Tractor Serial No.______-644529 Примечание:(ORD AL202035)
3 - Селект. контрольный клап. AL202035 Tractor Serial No.644530-______ Примечание:ORDER AL226326
3 - Селект. контрольный клап. AL226326
4 - Комплект уплотнений AL172964 Примечание:NLA; ORDER AL207509
4 - Комплект уплотнений AL207509
5 - Комплект уплотнений AL203572 Примечание:NLA; ORDER AL207508, (SUB FOR AL172963)
5 - Комплект уплотнений AL207508 Примечание:USE WITH AL206041, AL206040, AL202035
5 - Комплект уплотнений AL209467 Примечание:USE WITH AL226326
6 - Заглушка фитинга AL172974
7 - Комплект стопора AL216673 Примечание:SUB FOR AL172970 APPL
8 - Кольц. упл. V-обр. сеч. L170240 Количество:2 Примечание:NLA; ORDER AL203292
8 - Комплект уплотнений AL203292 Количество:2
9 - Комплект фланцев AL172966
10 - Комплект золотника AL214529 Примечание:SUB FOR AL172967 APPL
11 - Комплект крышек AL176142 Примечание:ORDER AL172968
11 - Колпачок AL172968
12 - Контрольный клапан AZ65590 Количество:2 Примечание:USE WITH AL202035
12 - Комплект соленоида AL226699 Количество:2 Примечание:USE WITH AL226326
13 - Контрольный клапан AZ65592
14 - Контрольный клапан AZ65591 Примечание:USE WITH AL202035
14 - Соленоид AL226700 Примечание:USE WITH AL226326
15 - Пружина сжатия L203820
16 - Комплект клапанов AL205619 Количество:3
Наверх
МАСЛОПРОВОДЫ ДЛЯ КЛАПАНА УПРАВЛЕНИЯ M-ICV, ПРАВАЯ СТОРОНА ЦЕНТР (КАБИНА) - ST67151
![Джон Дир 6830 МАСЛОПРОВОДЫ ДЛЯ КЛАПАНА УПРАВЛЕНИЯ M-ICV, ПРАВАЯ СТОРОНА ЦЕНТР (КАБИНА) МАСЛОПРОВОДЫ ДЛЯ КЛАПАНА УПРАВЛЕНИЯ M-ICV, ПРАВАЯ СТОРОНА ЦЕНТР (КАБИНА)]()
1 - Уплотнительное кольцо 51M7099 Примечание:25 X 2.200 mm
2 - Уплотнительное кольцо 51M7098 Примечание:22 X 2 mm
3 - Скоба L157513
4 - Уплотнительное кольцо 51M7051 Примечание:26.600 X 2.900 mm
5 - Фитинг AL168499
6 - Скоба L167158 Количество:2
7 - Гидрошланг AL177276 Tractor Serial No.______-624890
8 - Гидрошланг AL177274
9 - Гидрошланг AL177275
10 - Коленчатый патрубок AL177222
11 - Уплотнительное кольцо 51M7102 Примечание:20 X 2 mm
12 - Фитинг L176163
13 - Уплотнительное кольцо 51M7041 Примечание:11.300 X 2.200 mm
14 - Уплотнительное кольцо T77858
15 - Стопор AL173394
16 - Скоба L167157 Количество:2
17 - Винт 19M8300 Количество:2 Примечание:M8 X 40
18 - Фитинг переходника 38H5002 Количество:6
19 - Гайка 14M7274 Количество:2 Примечание:M10
20 - Уплотнительное кольцо T77613
21 - Уплотнительное кольцо 51M7045 Примечание:19.300 X 2.200 mm
22 - Фитинг переходника 38H5121 Количество:2
23 - Маслопровод AL168941
24 - Маслопровод AL168942
25 - Маслопровод AL168943
26 - Защитный шланг L173567
27 - Стержень L156614 Количество:2
28 - Обратный клапан AL206434 Примечание:SUB FOR AL169554
29 - Гидрошланг AL201309 Tractor Serial No.624891-______ Примечание:(ДЛЯ КЛАПАНА СИСТЕМЫ ОТБОРА МОЩНОСТИ, ПОЗИЦИЯ III)
29 - Гидрошланг AL201310 Tractor Serial No.624891-______ Примечание:(ДЛЯ КЛАПАНА СИСТЕМЫ ОТБОРА МОЩНОСТИ, ПОЗИЦИЯ IV)
.. - Гидрошланг AL181107 Примечание:FI, CNLA, (ORD AL203510 OR AL203511)
.. - Комп. д/установки в поле AL203510 Tractor Serial No.______-663409 Примечание:(ДЛЯ КЛАПАНА СИСТЕМЫ ОТБОРА МОЩНОСТИ, ПОЗИЦИЯ III) FI
.. - Комп. д/установки в поле BL15004 Tractor Serial No.663410-______ Примечание:(ДЛЯ КЛАПАНА СИСТЕМЫ ОТБОРА МОЩНОСТИ, ПОЗИЦИЯ III) FI
.. - Комп. д/установки в поле AL203511 Tractor Serial No.______-663409 Примечание:(ДЛЯ КЛАПАНА СИСТЕМЫ ОТБОРА МОЩНОСТИ, ПОЗИЦИЯ IV) FI
.. - Комп. д/установки в поле BL15005 Tractor Serial No.663410-______ Примечание:(ДЛЯ КЛАПАНА СИСТЕМЫ ОТБОРА МОЩНОСТИ, ПОЗИЦИЯ IV) FI
Наверх
МАСЛОПРОВОДЫ ДЛЯ КЛАПАНА УПРАВЛЕНИЯ M-ICV ИЛИ E-ICV, ПРАВАЯ СТОРОНА ЦЕНТР (КАБИНА) - ST67152
![Джон Дир 6830 МАСЛОПРОВОДЫ ДЛЯ КЛАПАНА УПРАВЛЕНИЯ M-ICV ИЛИ E-ICV, ПРАВАЯ СТОРОНА ЦЕНТР (КАБИНА) МАСЛОПРОВОДЫ ДЛЯ КЛАПАНА УПРАВЛЕНИЯ M-ICV ИЛИ E-ICV, ПРАВАЯ СТОРОНА ЦЕНТР (КАБИНА)]()
1 - Уплотнительное кольцо 51M7099 Примечание:25 X 2.200 mm
2 - Уплотнительное кольцо 51M7098 Примечание:22 X 2 mm
3 - Скоба L157513
4 - Уплотнительное кольцо 51M7051 Примечание:26.600 X 2.900 mm
5 - Фитинг AL168499
6 - Скоба L167158 Количество:2
7 - Гидрошланг AL176187
8 - Гидрошланг AL168500
9 - Гидрошланг AL168502
10 - Фитинг AL168698
11 - Уплотнительное кольцо 51M7047 Примечание:23.600 X 2.900 mm
12 - Фитинг AL168699
13 - Уплотнительное кольцо 51M7041 Примечание:11.300 X 2.200 mm
14 - Уплотнительное кольцо T77858 Количество:2
15 - Стопор AL173394
16 - Скоба L167157 Количество:2
17 - Винт 19M8300 Количество:2 Примечание:M8 X 40
18 - Фитинг переходника 38H5002 Количество:6
19 - Гайка 14M7274 Количество:2 Примечание:M10
20 - Уплотнительное кольцо T77613 Количество:2
21 - Уплотнительное кольцо 51M7045 Примечание:19.300 X 2.200 mm
22 - Фитинг переходника 38H5121
23 - Маслопровод AL168941
24 - Маслопровод AL168942
25 - Маслопровод AL168943
26 - Защитный шланг L170901
27 - Стержень L156614 Количество:2
28 - Фитинг AL155400
29 - Уплотнительное кольцо 51M7102 Примечание:20 X 2 mm
.. - Маслопровод AL174937 Примечание:FI
Наверх
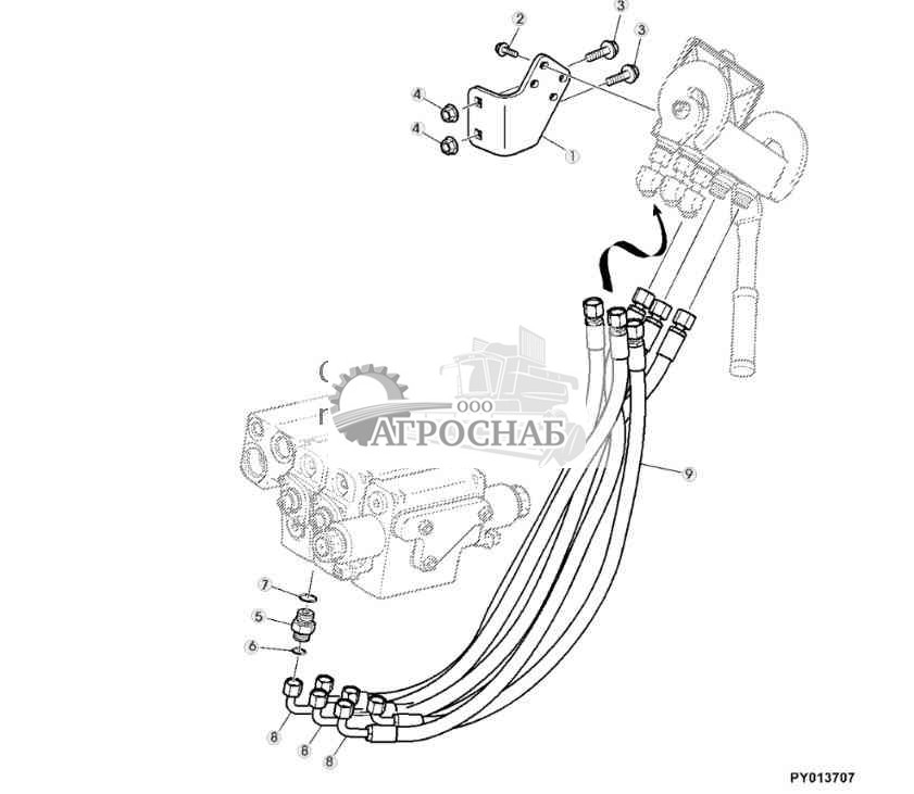
ФИТИНГИ И ШЛАНГИ ДЛЯ КОМБИНИРОВАННОЙ МУФТЫ - ST67153
![Джон Дир 6830 ФИТИНГИ И ШЛАНГИ ДЛЯ КОМБИНИРОВАННОЙ МУФТЫ ФИТИНГИ И ШЛАНГИ ДЛЯ КОМБИНИРОВАННОЙ МУФТЫ]()
1 - Кронштейн CC48378
2 - Винт 19M7866 Количество:4 Примечание:M8 X 20
3 - Винт 19M7790 Количество:2 Примечание:M12 X 35
4 - Фланцевая гайка 14M7299 Количество:2 Примечание:M12
5 - Фитинг переходника 38H5076
6 - Уплотнительное кольцо T77857
7 - Уплотнительное кольцо 51M7045 Примечание:19.300 X 2.200 mm
8 - Гидрошланг DC204884
9 - Гидрошланг DC204883
Наверх
Гидравлическая быстроразъемная муфта, 8 отверстий, с соединителем - ST718917
![Джон Дир 6830 Гидравлическая быстроразъемная муфта, 8 отверстий, с соединителем Гидравлическая быстроразъемная муфта, 8 отверстий, с соединителем]()
1 - Винт 19M7866 Количество:4 Примечание:M8 X 20
2 - Быстросъемн. гидр. муфта DC215396
Наверх
Гидравлическая быстроразъемная муфта, 6 отверстий, с соединителем - ST719760
![Джон Дир 6830 Гидравлическая быстроразъемная муфта, 6 отверстий, с соединителем Гидравлическая быстроразъемная муфта, 6 отверстий, с соединителем]()
1 - Винт 19M7866 Количество:4 Примечание:M8 X 20
Наверх
Гидравлический шланг, комбинированная муфта, передний погрузчик - ST752539
![Джон Дир 6830 Гидравлический шланг, комбинированная муфта, передний погрузчик Гидравлический шланг, комбинированная муфта, передний погрузчик]()
1 - Фитинг переходника 61M5076 Количество:4
2 - Коленчатый патрубок 61H1603 Количество:2
3 - Кронштейн AL210038
4 - Кронштейн AL210045
5 - Винт 19M7866 Количество:2 Примечание:M8 X 20
6 - Винт 19M7775 Количество:2 Примечание:M6 X 16
7 - Гидрошланг DC215823 Количество:4
8 - Обвязной хомут L203103
9 - Уплотнительное кольцо 51M7045 Количество:4 Примечание:19.300 X 2.200 mm
10 - Фитинг переходника 38H5076 Количество:4
11 - Уплотнительное кольцо T77857 Количество:4
12 - Жгут проводов DC214930
13 - Обвязной хомут R44302 Посмотреть аналогичные детали
Наверх
Гидравлические шлангифитинги, комбинированная муфта - ST752537
![Джон Дир 6830 Гидравлические шлангифитинги, комбинированная муфта Гидравлические шлангифитинги, комбинированная муфта]()
1 - Фитинг переходника 61M5076 Количество:6
2 - Коленчатый патрубок 61H1603 Количество:3
3 - Кронштейн AL210038
4 - Кронштейн AL210045
5 - Винт 19M7866 Количество:2 Примечание:M8 X 20
6 - Винт 19M7775 Количество:2 Примечание:M6 X 16
7 - Гидрошланг DC215823 Количество:6
8 - Обвязной хомут L203103
9 - Уплотнительное кольцо 51M7045 Количество:6 Примечание:19.300 X 2.200 mm
10 - Фитинг переходника 38H5076 Количество:6
11 - Уплотнительное кольцо T77857 Количество:6
12 - Жгут проводов DC214930
13 - Обвязной хомут R44302 Посмотреть аналогичные детали
Наверх
КОМПЛЕКТ РЕДУКТОРА ВАРИАТОРА РАСХОДА - ST67154
![Джон Дир 6830 КОМПЛЕКТ РЕДУКТОРА ВАРИАТОРА РАСХОДА КОМПЛЕКТ РЕДУКТОРА ВАРИАТОРА РАСХОДА]()
1 - Золотник клапана AL200965
2 - Клапан AL177096
3 - Уплотнительное кольцо 51M7041 Примечание:11.300 X 2.200 mm
4 - Комплект клапанов ....... Количество:6 Примечание:(ORD AL205619)
5 - Комплект клапанов AL205619
6 - Комплект для отверстий AL201347 Примечание:FI, INCL KEYS 1-4
Наверх
Рама, детали крепления, передний погрузчик - ST754647
![Джон Дир 6830 Рама, детали крепления, передний погрузчик Рама, детали крепления, передний погрузчик]()
1 - Рама W53989
2 - Рама W53990
3 - Кронштейн CC130837
4 - Винт 19M7790 Количество:2 Примечание:M12 X 35
5 - Винт 19M7894 4 Примечание:M20 X 70
6 - Фланцевая гайка 14M7474 Количество: 10 Примечание:M20
Наверх