Содержимое: Каталог Запчастей John Deere :315SK Backhoe Loader (Engine 4045HT054,4045HT086,4045TT096)(PIN 1T0315SK_ _C219607 - C277141) (PIN 1T0315SK_ _D229820 - D277141)(Russian) - PC11115 21 Главная гидравлическая система машины 2161 Насосы и приводы гидравлической системы
Главный гидравл. насос - ST702528
Главн. гидравл. трубопровод ( - 234969) - ST702924
Главн. гидравл. трубопровод (234970 - ) - ST723194
Гидравлика рулевого управления - ST703317
Датчик давления в автоматическом режиме холостого хода - ST702654
Гидравл. резервуар - ST702503
Фильтр гидравлического масла ( - 289785) - ST702507
Главный гидравл. насос - ST702528
![Джон Дир 315S Главный гидравл. насос Главный гидравл. насос]()
1 - Насос AT331223
2 - Сальник ....... Примечание:ORDER AT199930
3 - Защитное кольцо ....... Количество:2 Примечание:ORDER AT199930
4 - Сальник ....... Количество:2 Примечание:ORDER AT199930
5 - Сальник ....... Количество:2 Примечание:ORDER AT199930
6 - Клапан гидравл./сервоупр. AT332462 Примечание:Разгрузчик
6 - Комплект уплотнений AT199938
7 - Редукционный клапан AT317385 Примечание:2900 psi
7 - Пружина T164075 Примечание:Золотник разгрузчика
8 - Пробка сливного отверстия R27474
9 - Уплотнительное кольцо R26906 Примечание:19.177 X 2.464 mm (0.755" X 0.097")
9 - Обратный клапан AT347483 Примечание:SUB FOR AT180530
10 - Защитное кольцо ....... Количество:2 Примечание:ORDER AT199931
11 - Сальник ....... Количество:2 Примечание:ORDER AT199931
12 - Сальник ....... Количество:2 Примечание:ORDER AT199931
13 - Контроллер насоса/клапана AT386130 Примечание:с экраном
13 - Комплект уплотнений AT327149 Примечание:AT195143 NLA
13 - Уплотнительное кольцо T187815
13 - Катушка эл/магн. клапана AN302300
13 - Гайка T225291
14 - Шайба 24M7240 Количество:2 Примечание:13 X 25 X 3 mm
15 - Винт с головкой 19M7403 Количество:2 Примечание:M12 X 35
16 - Уплотнительное кольцо F37030242 Примечание:101.194 X 3.531 mm (3-63/64" X 0.139")
17 - Комплект уплотнений AT199930 Примечание:P330
18 - Комплект уплотнений AT199931 Примечание:P315
Наверх
Главн. гидравл. трубопровод ( - 234969) - ST702924
![Джон Дир 315S Главн. гидравл. трубопровод ( Главн. гидравл. трубопровод (]()
1 - Фитинг переходника 38H1164 Количество:3
2 - Уплотнительное кольцо T76938 Количество:3
3 - Уплотнительное кольцо R29936 Количество:3
4 - Гидрошланг AT357648 Примечание:Сваривать
5 - Гидрошланг AT343940 Примечание:Сваривать
6 - Всасывающий шланг AT323728
7 - Шланговый зажим AT308555 Количество:2
8 - Фитинг переходника 38H1216
9 - Уплотнительное кольцо T76938
10 - Уплотнительное кольцо R29936
11 - Тройник AT359124
12 - Уплотнительное кольцо R29936
13 - Уплотнительное кольцо T76938 Количество:2
14 - Фитинг переходника 38H1346 Количество:2
15 - Уплотнительное кольцо T76938 Количество:2
16 - Уплотнительное кольцо U17409 Количество:2
17 - Гидрошланг AT300759 Примечание:Сваривать
18 - Гидрошланг AT359220 Примечание:Сваривать
19 - Фитинг переходника 38H1160
20 - Уплотнительное кольцо T77613
21 - Уплотнительное кольцо R26448
22 - Шланг без конц. арматуры ....... Примечание:MAKE FROM T234306, CTL 670.56 mm (26.40 in)
23 - Фитинг шланга T190892
24 - Пробка сливного отверстия R27474
25 - Скоба T185826 Количество:3
26 - Уплотнительное кольцо R26906
27 - Скоба T102934
28 - Винт с головкой 19M7550 Примечание:M10 X 35
29 - Шайба 24M7239 Примечание:10.700 X 21 X 2.500 mm
30 - Гайка 14M7274 Примечание:M10
31 - Шланговый зажим T190669
32 - Обвязной хомут N189220
33 - Обвязной хомут H77698 Посмотреть аналогичные детали
34 - Шланг без конц. арматуры ....... Примечание:MAKE FROM TY22556, CTL 762.00 mm (30.00 in)
35 - Фитинг AT359007
36 - Фитинг T246610
37 - Шланговый зажим AT300153 Количество:4
38 - Гидрошланг AT324745 Примечание:Сваривать
39 - Фитинг переходника 38H1163
40 - Уплотнительное кольцо T77858
41 - Уплотнительное кольцо U12547
42 - Распорная втулка T186026
43 - Коленчатый патрубок 38H1005 Примечание:SUB FOR 38H1012
44 - Уплотнительное кольцо T77857
45 - Уплотнительное кольцо R26375 Примечание:SUB FOR R26906
46 - Фитинг переходника 38H1215
47 - Уплотнительное кольцо T77858
48 - Уплотнительное кольцо U12547
Наверх
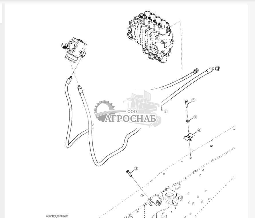
Главн. гидравл. трубопровод (234970 - ) - ST723194
![Джон Дир 315S Главн. гидравл. трубопровод (234970 Главн. гидравл. трубопровод (234970]()
1 - Фитинг переходника 38H1164 Количество:2
2 - Уплотнительное кольцо T76938 Количество:2 Примечание:23.520 X 1.780 mm (0.926" X 0.070")
3 - Уплотнительное кольцо R29936 Количество:2 Примечание:29.743 X 2.946 mm (1.171" X 0.116")
4 - Тройник AT359124
5 - Уплотнительное кольцо R29936 Примечание:29.743 X 2.946 mm (1.171" X 0.116")
6 - Уплотнительное кольцо T76938 Количество:2 Примечание:23.520 X 1.780 mm (0.926" X 0.070")
7 - Гидрошланг AT357648 Примечание:36.5252" X 1257 mm (49-1/2") X 36.5252", Сваривать
8 - Всасывающий шланг AT323728
9 - Шланговый зажим AT308555 Количество:2
10 - Фитинг переходника 38H1346 Количество:2
11 - Уплотнительное кольцо T76938 Количество:2 Примечание:23.520 X 1.780 mm (0.926" X 0.070")
12 - Уплотнительное кольцо U17409 Количество:2 Примечание:26.594 X 2.946 mm (1-3/64" X 0.116")
13 - Гидрошланг AT300759 Примечание:36.5252" X 869 mm (34-1/4") X 36.5252", Сваривать
14 - Гидрошланг AT359220 Примечание:36.5252" X 584 mm (23") X 36.5252", Сваривать
15 - Фитинг переходника 38H1160
16 - Уплотнительное кольцо T77613
17 - Уплотнительное кольцо R26448 Примечание:11.887 X 1.981 mm (0.468" X 5/64")
18 - Шланг без конц. арматуры ....... Примечание:MAKE FROM T234306, CTL 67.056 cm (26.40 in)
19 - Фитинг шланга T190892
20 - Пробка сливного отверстия R27474
21 - Уплотнительное кольцо R26906 Примечание:19.177 X 2.464 mm (0.755" X 0.097")
22 - Скоба T102934
23 - Винт с головкой 19M7550 Примечание:M10 X 35
24 - Шайба 24M7239 Примечание:10.700 X 21 X 2.500 mm
25 - Гайка 14M7274 Примечание:M10
26 - Шланговый зажим T190669
27 - Обвязной хомут N189220
28 - Шланг без конц. арматуры ....... Примечание:MAKE FROM TY22556, CTL 76.20 cm (30.00 in)
29 - Фитинг AT359007 Примечание:NLA, ORDER T246610 AND R29936
30 - Фитинг T246610
31 - Уплотнительное кольцо R29936 Примечание:29.743 X 2.946 mm (1.171" X 0.116")
32 - Шланговый зажим AT300153 Количество:4
33 - Гидрошланг AT324745 Примечание:30.1752" X 621 mm (24-1/2") X 30.1752", Сваривать
34 - Фитинг переходника 38H1163
35 - Уплотнительное кольцо T77858 Примечание:18.771 X 1.778 mm (0.739" X 0.070")
36 - Уплотнительное кольцо U12547 Примечание:23.470 X 2.946 mm (0.924" X 0.116")
37 - Фитинг переходника 38H1215
38 - Уплотнительное кольцо T77858 Примечание:18.771 X 1.778 mm (0.739" X 0.070")
39 - Уплотнительное кольцо U12547 Примечание:23.470 X 2.946 mm (0.924" X 0.116")
40 - Коленчатый патрубок 38H1005
41 - Уплотнительное кольцо R26375 Примечание:16.358 X 2.210 mm (0.644" X 0.087")
42 - Уплотнительное кольцо T77857 Примечание:12.421 X 1.778 mm (0.489" X 0.070")
43 - Шланговый зажим R191781 Количество:2
Наверх
Гидравлика рулевого управления - ST703317
![Джон Дир 315S Гидравлика рулевого управления Гидравлика рулевого управления]()
1 - Гидрошланг AT184951 Примечание:Определение нагрузки, ALSO ORDER 62H1042 AND T77613
1 - Фитинг переходника 62H1042 Примечание:-06
1 - Уплотнительное кольцо T77613
2 - Гидрошланг AT184952 Примечание:Давление системы рулевого управления, ALSO ORDER 62H1043 AND T77857
2 - Фитинг переходника 62H1043 Примечание:-08
2 - Уплотнительное кольцо T77857
3 - Винт с головкой 19M8637 Примечание:M10 X 40
4 - Скоба KV22609
5 - Шайба 24M7239 Примечание:10.700 X 21 X 2.500 mm
6 - Винт с головкой 19M8600 Примечание:M10 X 50
Наверх
Датчик давления в автоматическом режиме холостого хода - ST702654
![Джон Дир 315S Датчик давления в автоматическом режиме холостого хода Датчик давления в автоматическом режиме холостого хода]()
1 - Датчик AT386615
2 - Уплотнительное кольцо T70177 Примечание:11.887 X 1.981 mm (0.468" X 5/64")
Наверх
Гидравл. резервуар - ST702503
![Джон Дир 315S Гидравл. резервуар Гидравл. резервуар]()
1 - Гидравлический резервуар AT385528
2 - Уплотнительное кольцо R26375 Количество:3 Примечание:16.358 X 2.210 mm (0.644" X 0.087")
3 - Фитинг R39112 Количество:3
4 - Крышка заливной горловины AT376173
5 - Шланг без конц. арматуры ....... Примечание:MAKE FROM M87571, CTL 3.048 m (10.00 ft)
6 - Воздушный фильтр AT101565
7 - Шайба 24M7296 Количество:4 Примечание:10.500 X 30 X 2.500 mm
8 - Винт с головкой 19M8637 Количество:4 Примечание:M10 X 40
9 - Указатель уровня AT227279
10 - Сетчатый фильтр AT379244
Наверх
Фильтр гидравлического масла ( - 289785) - ST702507
![Джон Дир 315S Фильтр гидравлического масла ( Фильтр гидравлического масла (]()
1 - Винт 19M7785 Количество:4 Примечание:M10 X 25
2 - Корпус фильтра AT359005
3 - Переключатель давления AT361254 Примечание:Реле давления дифференциала, INCLUDES R26375 AND T186154
3 - Уплотнительное кольцо R26375 Примечание:16.358 X 2.210 mm (0.644" X 0.087"), Не показано
3 - Уплотнительное кольцо T186154 Примечание:Не показано
4 - Масляный фильтр AT367840 Примечание:Элемент, SUB FOR AT308274
Наверх