Содержимое: Каталог Запчастей John Deere :1450CWSWTS and 1550CWSWTS Combines (Maintenance Parts Catalog) European Edition - PC9643 125 CLEANING UNIT 
POWER SEPARATOR - ST549924 ( РАЗДЕЛИТЕЛЬ ПИТАНИЯ -  )
EXTENSION - ST549925 ( Расширение  )
EXTENSION - ST549926 ( Расширение  )
CLEANING SHOE SUSPENSION - ST549927 ( ЧИСТКА ПОДВЕСКИ ОБУВИ  )
CLEANING SHOE SUSPENSION - ST549928 ( ЧИСТКА ПОДВЕСКИ ОБУВИ  )
GRAIN PAN SHAFT AND SUSPENSION - ST549929 ( ЗЕРНО ПАН ВАЛА И ПОДВЕСКИ -  )
STRAW WALKERS - ST549930 ( СОЛОМОТРЯС -  )
STRAW WALKER - ST549931 ( СОЛОМОТРЯС -  )
 
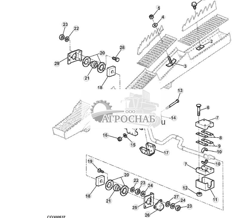
POWER SEPARATOR - ST549924 ( РАЗДЕЛИТЕЛЬ ПИТАНИЯ -  )
![POWER SEPARATOR - ST549924 40.jpg]()
1 - Винт с головкой 19M7162	Поддерживаемые модели1450CW, 1550CW	Serial No.______-060000	Примечание:M8 X 16	
2 - Стопорная гайка 14M7166	Поддерживаемые модели1450CW, 1550CW	Примечание:M8	
3 - Направляющая CQ10969	5	Поддерживаемые модели1450CW	Serial No.______-060000	
3 - Направляющая CQ10969	8	Поддерживаемые модели1550CW	Serial No.______-060000	
4 - Заклепка Z47466	Поддерживаемые модели1450CW, 1550CW	Serial No.060001-______	
5 - Втулка .......	Поддерживаемые модели1450CW, 1550CW	Serial No.060001-______	Примечание:NSEP (ORDER AZ101503)	
6 - Направляющая AZ101503	8	Поддерживаемые модели1450CW, 1550CW	Serial No.060001-______	Примечание:(INCL KEY 45)	
7 - Направляющая Z101844	Поддерживаемые модели1450CW, 1550CW	Serial No.060001-______	
8 - Шариковый подшипник DQ02624		Поддерживаемые модели1450CW, 1550CW	Serial No.______-060000	
8 - Шариковый подшипник JD39103	Количество:2	Поддерживаемые модели1450CW, 1550CW	Serial No.060001-______	
9 - Формован. фланцевый корпус S20093		Поддерживаемые модели1450CW, 1550CW	Serial No.______-060000	
9 - Формован. фланцевый корпус Z38395		Поддерживаемые модели1450CW, 1550CW	Serial No.060001-______	
10 - Винт с головкой 19M7166	Поддерживаемые модели1450CW, 1550CW	Примечание:M10 X 20	
11 - Шайба 24M7040	Поддерживаемые модели1450CW, 1550CW	Примечание:11 X 20 X 2 mm	
12 - Стопорная шайба 12M7067	Поддерживаемые модели1450CW, 1550CW	Serial No.______-060000	Примечание:12 mm	
12 - Стопорная шайба 12M7013	Поддерживаемые модели1450CW, 1550CW	Serial No.060001-______	Примечание:10.200 mm	
13 - Гайка 14M7274	Поддерживаемые модели1450CW, 1550CW	Примечание:M10	
Наверх
EXTENSION - ST549925 ( Расширение  )
![EXTENSION - ST549925 41.jpg]()
1 - Стержень Z47951	Поддерживаемые модели1450AL, 1450CW	
2 - Болт 03M7069	Поддерживаемые модели1450AL, 1450CW	Примечание:M8 X 35	
3 - Хомут CQ52846	Количество:2	Поддерживаемые модели1450AL, 1450CW	
4 - Стопор Z47953	Количество:4	Поддерживаемые модели1450AL, 1450CW	
5 - Стопорная шайба 12M7065	Поддерживаемые модели1450AL, 1450CW	Примечание:8 mm	
6 - Гайка-барашек 14M7020	Поддерживаемые модели1450AL, 1450CW	Примечание:M8	
Наверх
EXTENSION - ST549926 ( Расширение  )
![EXTENSION - ST549926 42.jpg]()
1 - Стержень Z47951	Поддерживаемые модели1550CW	
2 - Болт 03M7069	Поддерживаемые модели1550CW	Примечание:M8 X 35	
3 - Хомут CQ21310	Количество:4	Поддерживаемые модели1550CW	
4 - Корп. подшипн. без подш. CQ21309	Количество:8	Поддерживаемые модели1550CW	
5 - Стопорная шайба 12M7065	Поддерживаемые модели1550CW	Примечание:8 mm	
6 - Гайка-барашек 14M7020	Поддерживаемые модели1550CW	Примечание:M8	
Наверх
CLEANING SHOE SUSPENSION - ST549927 ( ЧИСТКА ПОДВЕСКИ ОБУВИ  )
![CLEANING SHOE SUSPENSION - ST549927 43.jpg]()
1 - Втулка P42100	Количество:6	Поддерживаемые модели1450AL, 1450CW, 1550CW	
2 - Направляющая AZ54780	Поддерживаемые модели1450AL, 1450CW, 1550CW	
3 - Пружинное кольцо 40M1861	Поддерживаемые модели1450AL, 1450CW, 1550CW	
4 - Стопорная гайка 14M7170	Поддерживаемые модели1450AL, 1450CW, 1550CW	Примечание:M16	
Наверх
CLEANING SHOE SUSPENSION - ST549928 ( ЧИСТКА ПОДВЕСКИ ОБУВИ  )
![CLEANING SHOE SUSPENSION - ST549928 44.jpg]()
1 - Втулка P49545	Количество:8	Поддерживаемые модели1450AL, 1450CW, 1550CW	
Наверх
GRAIN PAN SHAFT AND SUSPENSION - ST549929 ( ЗЕРНО ПАН ВАЛА И ПОДВЕСКИ -  )
![GRAIN PAN SHAFT AND SUSPENSION - ST549929 45.jpg]()
1 - Ось AZ30679	Поддерживаемые модели1550CW	Примечание:INCL KEYS 2	
1 - Ось DQ20676	Поддерживаемые модели1450AL, 1450CW	Примечание:INCL KEYS 2	
2 - Втулка Z37972	Поддерживаемые модели1450AL, 1450CW, 1550CW	
3 - Направляющая AZ54780	Количество:4	Поддерживаемые модели1450AL, 1450CW, 1550CW	
4 - Втулка P42100	Количество:4	Поддерживаемые модели1450AL, 1450CW, 1550CW	
Наверх
STRAW WALKERS - ST549930 ( СОЛОМОТРЯС -  )
![STRAW WALKERS - ST549930 46.jpg]()
1 - Винт Z47790	Поддерживаемые модели1450AL, 1450CW, 1550CW	Serial No.______-54550	
2 - Хомут CQ38643	Количество:60	Поддерживаемые модели1450AL, 1450CW	Serial No.______-54550	
2 - Хомут CQ38643	Количество:72	Поддерживаемые модели1550CW	Serial No.______-54550	
3 - Блокирующий зажим DQ08888	5	Поддерживаемые модели1450AL, 1450CW	Serial No.______-54550	
3 - Блокирующий зажим DQ08888	8	Поддерживаемые модели1550CW	Serial No.______-54550	
4 - Шайба Z26250	Поддерживаемые модели1450AL, 1450CW, 1550CW	Serial No.______-54550	
5 - Стопорная гайка 14M7165	Поддерживаемые модели1450AL, 1450CW, 1550CW	Serial No.______-54550	Примечание:M6	
6 - Болт Z40205	Поддерживаемые модели1450AL, 1450CW, 1550CW	Serial No.______-46296	
7 - Разъемный хомут Z41561	Количество:24	Поддерживаемые модели1550CW	Serial No.______-46296	
7 - Разъемный хомут Z41561	Количество:20	Поддерживаемые модели1450AL, 1450CW	Serial No.______-46296	
8 - Прокладка Z40787	Поддерживаемые модели1450AL, 1450CW, 1550CW	Serial No.______-46296	Примечание:TK=1.0 MM	
9 - Прокладка CQ05162	Поддерживаемые модели1450AL, 1450CW, 1550CW	Serial No.______-46296	Примечание:TK=0.3 MM	
10 - Корп. подшипн. без подш. CQ74491	Количество:24	Поддерживаемые модели1550CW	Примечание:(SUB FOR Z39428)	
10 - Корп. подшипн. без подш. CQ74491	Количество:20	Поддерживаемые модели1450AL, 1450CW	Примечание:(SUB FOR Z39428)	
11 - Ограждение CQ14776	Количество: 10	Поддерживаемые модели1450AL, 1450CW	Serial No.______-46296	
11 - Ограждение CQ14776	2	Поддерживаемые модели1550CW	Serial No.______-46296	
12 - Стопорная гайка 14M7167	Поддерживаемые модели1450AL, 1450CW, 1550CW	Примечание:M10	
13 - Винт с головкой 19M7325	Поддерживаемые модели1450AL, 1450CW, 1550CW	Serial No.46297-______	Примечание:M8 X 80	
14 - Разъемный хомут Z57754	Количество:24	Поддерживаемые модели1550CW	Serial No.46297-______	
14 - Разъемный хомут Z57754	Количество:20	Поддерживаемые модели1450AL, 1450CW	Serial No.46297-______	
15 - Шайба 24M7036	Поддерживаемые модели1450AL, 1450CW, 1550CW	Serial No.46297-______	Примечание:9 X 16 X 1.600 mm	
16 - Стопорная гайка 14M7166	Поддерживаемые модели1450AL, 1450CW, 1550CW	Serial No.46297-______	Примечание:M8	
17 - Опора Z56208	2	Поддерживаемые модели1550CW	Serial No.46297-______	
17 - Опора Z56208	Количество: 10	Поддерживаемые модели1450AL, 1450CW	Serial No.46297-______	
18 - Трак Z22701	Количество:4	Поддерживаемые модели1450AL, 1450CW, 1550CW	
19 - Болт 03M7098	Поддерживаемые модели1450AL, 1450CW, 1550CW	
20 - Фланец DQ15126	Количество:4	Поддерживаемые модели1450AL, 1450CW, 1550CW	
21 - Шариковый подшипник 13P1004	Количество:4	Поддерживаемые модели1450AL, 1450CW, 1550CW	
22 - Стопорная шайба 12M7066	Поддерживаемые модели1450AL, 1450CW, 1550CW	Примечание:10 mm	
23 - Гайка 14M7140	Поддерживаемые модели1450AL, 1450CW, 1550CW	Примечание:M10	
24 - Шайба 24M7040	Поддерживаемые модели1450AL, 1450CW, 1550CW	Примечание:11 X 20 X 2 mm	
25 - Опора CQ26896	Поддерживаемые модели1450AL, 1450CW, 1550CW	
26 - Ограждение Z38380	Поддерживаемые модели1550CW	Serial No.______-XXXXX	
26 - Ограждение Z47452	Поддерживаемые модели1450AL, 1450CW	Serial No.______-XXXXX	
27 - Шайба Z36140	Поддерживаемые модели1450AL, 1450CW, 1550CW	
28 - Винт с головкой 19M7167	Поддерживаемые модели1450AL, 1450CW, 1550CW	Примечание:M10 X 25	
29 - Опора CQ26841	Количество:2	Поддерживаемые модели1450AL, 1450CW, 1550CW	
Наверх
STRAW WALKER - ST549931 ( СОЛОМОТРЯС -  )
![STRAW WALKER - ST549931 47.jpg]()
1 - Решетка клав. соломотряса CQ26290	Поддерживаемые модели1450AL, 1450CW, 1550CW	Примечание:(LIP TYPE)	
1 - Решетка клав. соломотряса Z38552	Поддерживаемые модели1450AL, 1450CW	Примечание:(Модификация для риса)	
2 - Решетка клав. соломотряса CQ37598	Поддерживаемые модели1450AL, 1450CW, 1550CW	Примечание:(Базовое исполнение)	
2 - Решетка клав. соломотряса CQ32261	Поддерживаемые модели1450AL, 1450CW, 1550CW	Serial No.054551-______	Примечание:(Модификация для риса)	
2 - Решетка клав. соломотряса Z36520	Поддерживаемые модели1450AL, 1450CW, 1550CW	Примечание:(LIP TYPE)	
3 - Решетка клав. соломотряса CQ37599	Поддерживаемые модели1450AL, 1450CW, 1550CW	Примечание:(Базовое исполнение)	
3 - Решетка клав. соломотряса CQ64925	Поддерживаемые модели1450AL, 1450CW, 1550CW	Serial No.054551-______	Примечание:(Модификация для риса)	
3 - Сито CQ58820	Поддерживаемые модели1450AL, 1450CW, 1550CW	Serial No.054551-______	Примечание:(LIP TYPE)	
4 - Решетка клав. соломотряса Z53450	Поддерживаемые модели1450AL, 1450CW, 1550CW	Примечание:(Базовое исполнение)	
4 - Решетка клав. соломотряса CQ64923	Поддерживаемые модели1450AL, 1450CW, 1550CW	Serial No.054551-______	Примечание:(Модификация для риса)	
4 - Решето грубой очистки CQ58819	Поддерживаемые модели1450AL, 1450CW, 1550CW	Serial No.054551-______	Примечание:(LIP TYPE)	
5 - Решетка клав. соломотряса CQ40092	Поддерживаемые модели1450AL, 1450CW, 1550CW	Примечание:(Базовое исполнение)	
5 - Сито CQ64921	Поддерживаемые модели1450AL, 1450CW, 1550CW	Serial No.054551-______	Примечание:(Модификация для риса)	
5 - Решетка клав. соломотряса CQ58818	Поддерживаемые модели1450AL, 1450CW, 1550CW	Serial No.054551-______	Примечание:(LIP TYPE)	
Наверх