'
Каталог Запчастей John Deere :7250 Self-Propelled Forage Harvester (Worldwide Edition) - PC4608 71 Гидравлика — ProDrive™
Перейти к другим разделам
Содержимое: Каталог Запчастей John Deere :7250 Self-Propelled Forage Harvester (Worldwide Edition) - PC4608 71 Гидравлика — ProDrive™
HYDRAULIC PUMPS - GEAR TYPE - ST52298 ( ГИДРАВЛИЧЕСКИЕ НАСОСЫ - ТИП РЕДУКТОРА - )
Hydraulic Oil Tank Filter - ST293974 ( Гидравлический Фильтр Масляного Бака - )
Hydraulic Lines - TransmissionHydraulic Oil Cooler - ST52300 ( Гидравлические Линии - TransmissionHydraulic Масляный Радиатор - )
HYDRAULIC LINES AND TENSIONING CYLINDER - MAIN DRIVE AND KERNEL PROCESSOR - ST52301 ( ГИДРАВЛИЧЕСКИЕ ЛИНИИ И НАТЯЖЕНИЯ ЦИЛИНДРА ГЛАВНОГО ПРИВОДА И ПРОЦЕССОРА ЯДРА )
Клапан низкого давления - ST52302
HYDRAULIC HOSES - LOW PRESSURE VALVE - ST52303 ( ГИДРАВЛИЧЕСКИЕ ШЛАНГИ - КЛАПАН НИЗКОГО ДАВЛЕНИЯ )
HYDRAULIC HOSES - LOW PRESSURE VALVE - RESERVOIR - AXIAL PISTON PUMP - ST52304 ( ГИДРАВЛИЧЕСКИЕ ШЛАНГИ НИЗКОГО ДАВЛЕНИЯ КЛАПАН - РЕЗЕРВУАР - АКСИАЛЬНО-ПОРШНЕВОЙ НАСОС - )
HYDRAULIC HOSES - SPOUT ROTATION - PRODRIVE - ST52305 ( ГИДРАВЛИЧЕСКИЕ ШЛАНГИ - ВРАЩЕНИЕ ИЗЛИВА - ПРОДВИГАТЕЛИ - )
HYDRAULIC HOSES - SPOUT ROTATION - PRODRIVE - ST52306 ( ГИДРАВЛИЧЕСКИЕ ШЛАНГИ - ВРАЩЕНИЕ ИЗЛИВА - ПРОДВИГАТЕЛИ - )
Фильтр гидравлического масла - ST52307
Hydraulic Hoses Quick Coupler - ST52308 ( Гидравлических Шлангов Быстроразъемная Муфта - )
Маслоохладитель — шланги и возвратные линии - ST52309
HYDRAULIC LINES - TRIPLE HYDRAULIC PUMP - ST52310 ( ГИДРАВЛИЧЕСКИЕ ЛИНИИ - ТРОЙНОЙ ГИДРАВЛИЧЕСКИЙ НАСОС - )
ACCUMULATOR (AHC) FOR IVLOC™ TRANSMISSION - ST52311 ( АККУМУЛЯТОР (ПЖР) ДЛЯ IVLOC? ПЕРЕДАЧИ - )
ACCUMULATOR (HHC) FOR IVLOC TRANSMISSION WITH OPTIONAL HHC VALVE WITH LATERAL TILT - ST52312 ( ГИДРОАККУМУЛЯТОР (ННС) ДЛЯ ТРАНСМИССИИ IVLOC С ДОПОЛНИТЕЛЬНЫМ КЛАПАНОМ ННС С БОКОВЫМ НАКЛОНОМ - )
HYDRAULIC HOSES AND VALVE - WAGON DUMP (HIGH FLOW) WITH HIC VALVE - ST52313 ( ГИДРАВЛИЧЕСКИЕ ШЛАНГИ И КЛАПАН - САМОСВАЛ УНИВЕРСАЛ (ВЫСОКИЙ РАСХОД) С МКХ КЛАПАН - )
HYDRAULIC HOSES - NEUTRAL FLOW - ST52314 ( ГИДРАВЛИЧЕСКИЕ ШЛАНГИ - НЕЙТРАЛЬНЫЙ ПОТОК - )
HYDRAULIC HOSES - NEUTRAL FLOW - ST52315 ( ГИДРАВЛИЧЕСКИЕ ШЛАНГИ - НЕЙТРАЛЬНЫЙ ПОТОК - )
HYDRAULIC HOSES - MULTICOUPLER - ST52316 ( ГИДРАВЛИЧЕСКИЕ ШЛАНГИ - MULTICOUPLER - )
Фильтр гидравлического масла - ST52317
Hydraulic Lines, Transmission Oil Filter - ST52318 ( Гидравлические Линии, Масляного Фильтра Коробки Передач - )
Гидравлические соединения для гидравлического привода поворотного жалюзи радиатора - ST52319
Фильтр трансмиссионного масла - ST52320
HYDRAULIC PUMPS - GEAR TYPE - ST52298 ( ГИДРАВЛИЧЕСКИЕ НАСОСЫ - ТИП РЕДУКТОРА - )
![Джон Дир 7250 HYDRAULIC PUMPS HYDRAULIC PUMPS]()
1 - Гидравлический насос AXE11641 Примечание:(SUB FOR AZ71379) (INCL (4) HXE14317, AZ102070)
2 - Болт Z102541 Количество:4 Примечание:(FOR AZ71379) (ORD W/ 14M7274)
2 - Болт HXE14317 Количество:4 Примечание:(FOR AXE11641)
3 - Винт 19M8963 Примечание:M10 X 35
4 - Уплотнительное кольцо R82459 Количество:2
5 - Сальник AZ65992
6 - Гидравлический насос AZ102695 Serial No.______-509963 Примечание:(INCL (4) Z104112 , AZ101841, AZ101838, (2) L29371, (2) AZ65993, AZ25987)
6 - Гидравлический насос AZ103951 Serial No.509964-______ Примечание:(INCL (4) Z104509, AZ101841, AZ101838, (2) L29371, (2) AZ65993, AZ25987)
7 - Винт Z104112 Количество:4 Примечание:(FOR AZ102695)
7 - Шпилька Z104509 Количество:4 Примечание:(FOR AZ103951)
8 - Стопорная шайба 12M7013 Примечание:10.200 mm
9 - Сальник AZ101841
10 - Шайба 24M7056 Количество:2 Примечание:10.500 X 20 X 2 mm
11 - Комплект уплотнений AZ102070 Примечание:(FOR AZ71379, AXE11641)
12 - Комплект уплотнений AZ101838
13 - Комплект уплотнений AZ65993 Количество:2
.. - Уплотнительное кольцо L29371
.. - Сальник AZ25987
.. - Уплотнительное кольцо T78784
.. - Фитинг переходника 38H5248
Наверх
Hydraulic Oil Tank Filter - ST293974 ( Гидравлический Фильтр Масляного Бака - )
![Джон Дир 7250 Hydraulic Oil Tank Filter Hydraulic Oil Tank Filter]()
1 - Фланцевая гайка 14M7296 Количество:2 Примечание:M10
2 - Фланцевая гайка 14M7298 Количество:2 Примечание:M8
3 - Винт 19M7865 Количество:4 Примечание:M8 X 16
4 - Винт 19M7786 Количество:2 Примечание:M10 X 30
5 - Винт 19M7866 Количество:3 Примечание:M8 X 20
6 - Тройник 38H5108 Количество:2
7 - Уплотнительное кольцо 51M7047 Количество:2 Примечание:23.600 X 2.900 mm
8 - Датч. давл. транс. масла AZ55051 Примечание:FOR AZ58301
8 - Датч. зас. масл. фильтра AXE14141 Примечание:FOR AXE14475
9 - Корпус фильтра AZ58301 Примечание:SUB AXE14475
9 - Корпус фильтра AXE14475 Примечание:SUB FOR AZ58301
9 - Корпус фильтра AXE36062 Примечание:FOR AXE14475
9 - Стакан HXE59927 Примечание:FOR AXE14475
10 - Наливная горловина AZ72095
11 - Линия AZ72115
12 - Гидравлический резервуар AXE17384 Примечание:(SUB FOR AZ72159) (INCL KEYS 22, 23)
13 - Уплотнительное кольцо T77858 Количество:4
14 - Скоба Z21162 Количество:4
15 - Карман Z74985
16 - Гидрошланг Z82140
17 - Гидрошланг Z82141
18 - Заглушка AH18240
19 - Крышка заливной горловины AH209363 Примечание:SUB FOR AZ49144
20 - Сетчатый фильтр AH135064
21 - Наливная горловина AZ101809
22 - Уплотнительное кольцо U13639
23 - Заглушка AXE27235
24 - Фитинг переходника 38H1163
25 - Уплотнительное кольцо U12547
26 - Фитинг переходника 38H1165
27 - Уплотнительное кольцо T78612
28 - Тройник 38H1018 Примечание:(C гидравлическим приводом поворотного жалюзи радиатора C гидравлическим приводом поворотного жалюзи радиатора)
29 - Коленчатый патрубок 38H1006 Примечание:(W/ Electrical Rotary Radiator Screen Drive)
30 - Тройник 38H1032 Количество:2
31 - Уплотнительное кольцо T77932
32 - Уплотнительное кольцо R26906
33 - Тройник 38H1023
34 - Уплотнительное кольцо T77857
35 - Уплотнительное кольцо T77814
36 - Фитинг R39112
37 - Уплотнительное кольцо R26375
38 - Заглушка фитинга AT49216
39 - Уплотнительное кольцо R26448
40 - Фитинг переходника 38H1164
41 - Уплотнительное кольцо R29936
42 - Уплотнительное кольцо T76938
43 - Корпус фильтра AL112922 Примечание:FOR AZ58301
44 - Комплект прокладок AL114602
45 - Фильтрующий элемент AL112936 Примечание:FOR AZ58301Посмотреть аналогичные детали
45 - Комплект прокладок AL114602 Примечание:FOR AZ58301
45 - Масляный фильтр AL203060 Примечание:FOR AXE14475Посмотреть аналогичные детали
46 - Корпус фильтра AZ58302 Примечание:FOR AZ58301
47 - Уплотнительное кольцо 51M7041 Примечание:11.300 X 2.200 mm
48 - Пробка сливного отверстия R107768 Примечание:FOR AZ58301
49 - Загл. смотров. отверстия AZ23076
50 - Фитинг переходника 61H1165
51 - Тройник 61H1023
Наверх
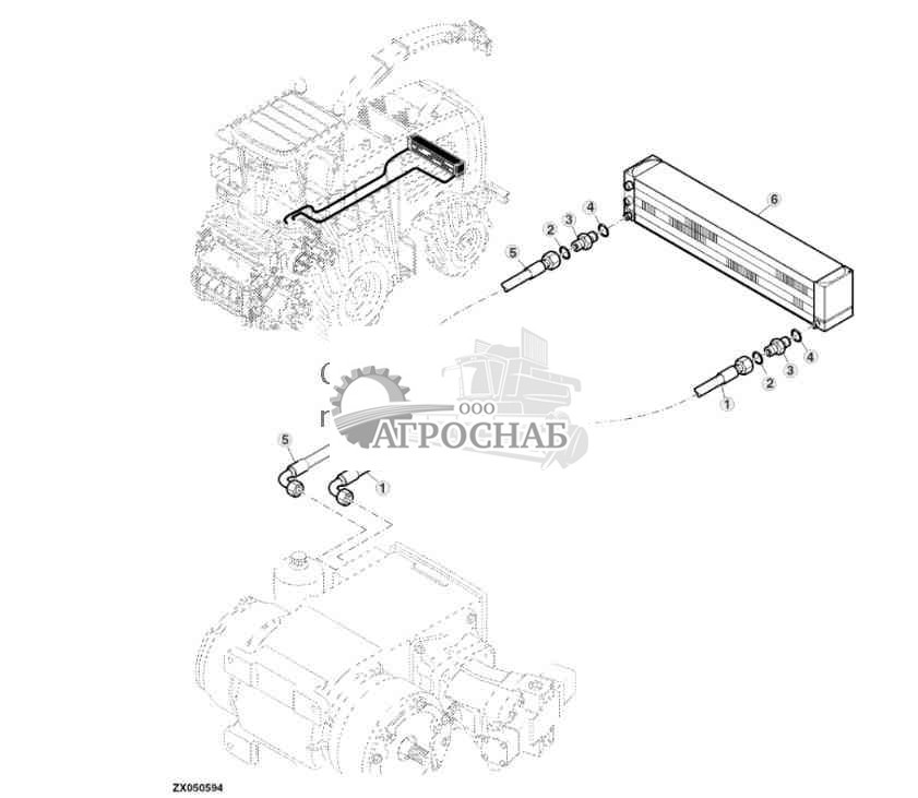
Hydraulic Lines - TransmissionHydraulic Oil Cooler - ST52300 ( Гидравлические Линии - TransmissionHydraulic Масляный Радиатор - )
![Джон Дир 7250 Hydraulic Lines Hydraulic Lines]()
1 - Гидрошланг AZ102210
2 - Уплотнительное кольцо T77857
3 - Фитинг переходника 38H5003
4 - Уплотнительное кольцо 51M7043 Примечание:15.300 X 2.200 mm
5 - Гидрошланг AZ102211
6 - Маслоохладитель AXE13421 Примечание:(SUB FOR AZ104576, AZ101634)
Наверх
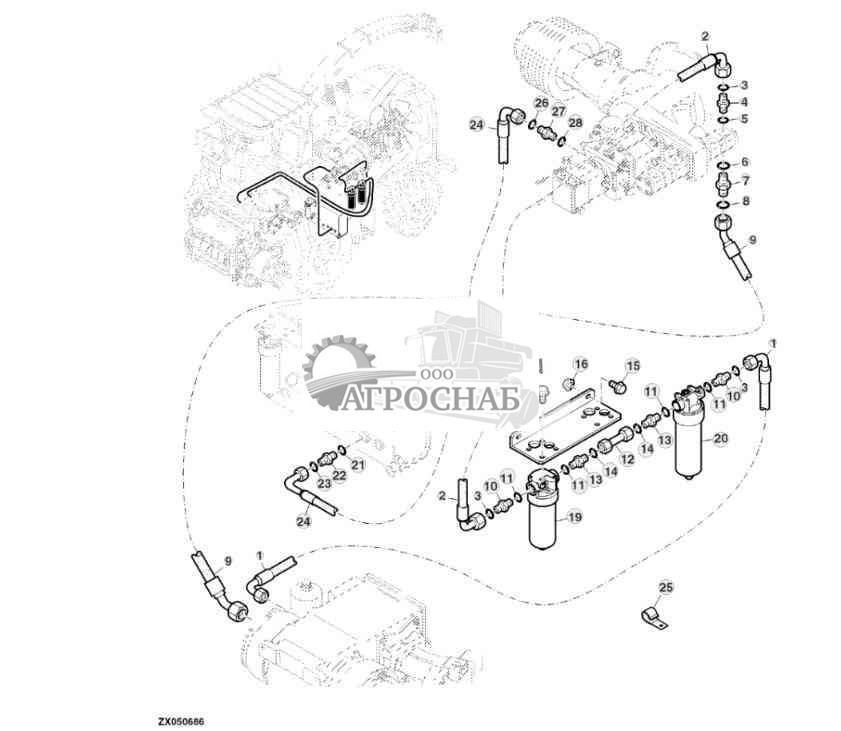
HYDRAULIC LINES AND TENSIONING CYLINDER - MAIN DRIVE AND KERNEL PROCESSOR - ST52301 ( ГИДРАВЛИЧЕСКИЕ ЛИНИИ И НАТЯЖЕНИЯ ЦИЛИНДРА ГЛАВНОГО ПРИВОДА И ПРОЦЕССОРА ЯДРА )
![Джон Дир 7250 HYDRAULIC LINES AND TENSIONING CYLINDER HYDRAULIC LINES AND TENSIONING CYLINDER]()
1 - Гидрошланг AZ102538
2 - Фитинг переходника 38H5002
3 - Уплотнительное кольцо T77858
4 - Уплотнительное кольцо 51M7041 Примечание:11.300 X 2.200 mm
5 - Уплотнительное кольцо T77613
6 - Фитинг переходника 38H1171
7 - Уплотнительное кольцо R26375
8 - Гайка 14M7143 Примечание:M24
9 - Стопорная шайба 12M1633 Примечание:24.500 mm
10 - Пружинный шплинт 24M7052
11 - Шайба 24M7046 Примечание:26 X 40 X 4 mm
12 - Пружинное кольцо 40M7195
13 - Крепление со штифтом Z49743
14 - Гидравлический цилиндр AZ61760
15 - Гидрошланг AZ103335
16 - Уплотнительное кольцо T77814
17 - Фитинг переходника AZ64410
18 - Уплотнительное кольцо 51M7040 Примечание:9.300 X 2.200 mm
19 - Коленчатый патрубок 38H1009
20 - Уплотнительное кольцо R26448
21 - Фланцевая гайка 14M7299 Примечание:M12
22 - Втулка Z77898
23 - Шайба 24M7180 Примечание:13 X 37 X 3 mm
24 - Винт 19M7819 Примечание:M12 X 90
25 - Крепление со штифтом Z77915
26 - Шайба 24M7114 Примечание:19 X 30 X 4 mm
27 - Пружинный стопорный штифт A15147
28 - Цилиндр AZ43606
29 - Шпилька Z79026
.. - Комплект уплотнений AZ42488 Примечание:(FOR AZ43606)
Наверх
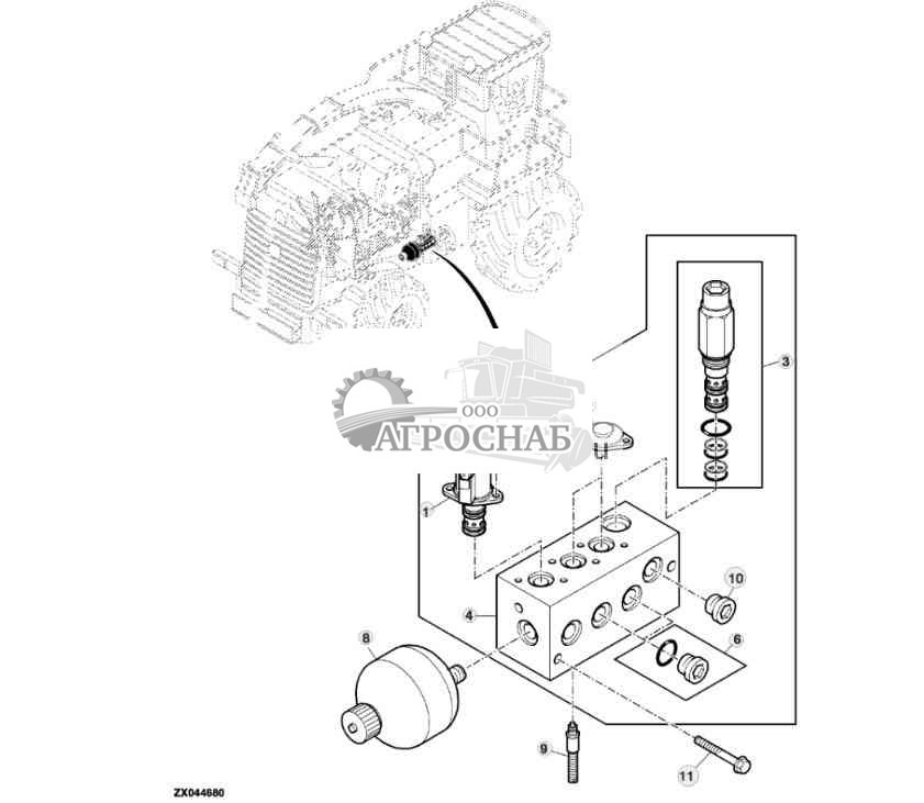
Клапан низкого давления - ST52302
![Джон Дир 7250 Клапан низкого давления Клапан низкого давления]()
1 - Электромагнитный клапан AZ71858 Serial No.______-511039
2 - Заглушка фитинга AZ102066 Количество:2 Serial No.______-511039
3 - Гидравл. нагнетат. клапан AZ102067 Serial No.______-511039
4 - Коллектор Z102538 Serial No.______-511039
5 - Винт с головкой Z102535 Количество:2 Serial No.______-511039
6 - Заглушка фитинга AZ102065 Serial No.______-511039
7 - Коллектор AZ101396 Serial No.______-511039
8 - Гидроаккумулятор AZ65473 Serial No.______-511039
9 - Переключатель давления AZ54729 Serial No.______-511039
10 - Отверстие Z103375 Serial No.______-511039 Примечание:ID = 0, 70 MM
10 - Жиклер Z102536 Serial No.______-511039 Примечание:ID = 0, 465 MM
10 - Жиклер Z102537 Serial No.______-511039 Примечание:ID = 0, 90MM
11 - Винт с головкой 19M8332 Количество:2 Serial No.______-511039 Примечание:M6 X 90
.. - Комплект уплотнений AZ102068 Serial No.______-511039 Примечание:(FOR AZ71858)
.. - Комплект уплотнений AZ102069 Serial No.______-511039 Примечание:(FOR AZ102067)
Наверх
HYDRAULIC HOSES - LOW PRESSURE VALVE - ST52303 ( ГИДРАВЛИЧЕСКИЕ ШЛАНГИ - КЛАПАН НИЗКОГО ДАВЛЕНИЯ )
![Джон Дир 7250 HYDRAULIC HOSES HYDRAULIC HOSES]()
1 - Гидрошланг AZ101928
2 - Уплотнительное кольцо T77858
3 - Фитинг переходника 38H5011
4 - Уплотнительное кольцо 51M7041 Примечание:11.300 X 2.200 mm
5 - Уплотнительное кольцо T77814
6 - Штуцерное соединение AH218190 Примечание:(INCLUDES T77814, R26375)
7 - Уплотнительное кольцо R26375
8 - Гидрошланг AZ64349
9 - Уплотнительное кольцо T77613
Наверх
HYDRAULIC HOSES - LOW PRESSURE VALVE - RESERVOIR - AXIAL PISTON PUMP - ST52304 ( ГИДРАВЛИЧЕСКИЕ ШЛАНГИ НИЗКОГО ДАВЛЕНИЯ КЛАПАН - РЕЗЕРВУАР - АКСИАЛЬНО-ПОРШНЕВОЙ НАСОС - )
![Джон Дир 7250 HYDRAULIC HOSES HYDRAULIC HOSES]()
1 - Гидрошланг AZ101908
2 - Уплотнительное кольцо T77858
3 - Фитинг переходника 38H5002
4 - Уплотнительное кольцо 51M7041 Примечание:11.300 X 2.200 mm
5 - Уплотнительное кольцо T77814
6 - Гидрошланг AZ102536
7 - Тройник 38H1040
8 - Гидрошланг AZ71422
9 - Фитинг Z81596 Количество:2
10 - Уплотнительное кольцо U17409 Количество:2
11 - Фитинг переходника 38H5004 Количество:2
12 - Уплотнительное кольцо 51M7045 Примечание:19.300 X 2.200 mm
13 - Уплотнительное кольцо T77932
14 - Гидрошланг AZ71423
15 - Гидрошланг AZ100919
16 - Корпус фильтра AXE14145 Примечание:SUB FOR AZ101152
16 - Корпус фильтра AXE36065 Примечание:FOR AXE14145
16 - Стакан HXE59927 Примечание:FOR AXE14145
16 - Масляный фильтр AL203060 Примечание:FOR AXE14145Посмотреть аналогичные детали
17 - Карман AZ101487
18 - Защитный шланг Z105774 Примечание:LGTH = 1200 mm
19 - Фитинг переходника 61M5004 Количество:2 Примечание:INCLUDES 38H5004, T77932, 51M7045
Наверх
HYDRAULIC HOSES - SPOUT ROTATION - PRODRIVE - ST52305 ( ГИДРАВЛИЧЕСКИЕ ШЛАНГИ - ВРАЩЕНИЕ ИЗЛИВА - ПРОДВИГАТЕЛИ - )
![Джон Дир 7250 HYDRAULIC HOSES HYDRAULIC HOSES]()
1 - Уплотнительное кольцо R28782
2 - Фитинг переходника 38H1159
3 - Уплотнительное кольцо T77814
4 - Гидрошланг AZ71719
5 - Уплотнительное кольцо R26906
6 - Фитинг переходника 38H1172
7 - Уплотнительное кольцо T77613
8 - Гидрошланг AZ62286
9 - Гидрошланг AZ58383
10 - Тройник 38H1030
11 - Тройник 38H5127
12 - Гидрошланг AZ71709
13 - Гидрошланг AZ71692
Наверх
HYDRAULIC HOSES - SPOUT ROTATION - PRODRIVE - ST52306 ( ГИДРАВЛИЧЕСКИЕ ШЛАНГИ - ВРАЩЕНИЕ ИЗЛИВА - ПРОДВИГАТЕЛИ - )
![Джон Дир 7250 HYDRAULIC HOSES HYDRAULIC HOSES]()
1 - Уплотнительное кольцо R28782
2 - Фитинг переходника 38H1159
3 - Уплотнительное кольцо T77814
4 - Гидрошланг AZ71719
5 - Уплотнительное кольцо R26906
6 - Фитинг переходника 38H1172
7 - Уплотнительное кольцо T77613
8 - Гидрошланг AZ62286
9 - Гидрошланг AZ58383
10 - Тройник 38H1030
11 - Тройник 38H5127
12 - Гидрошланг AZ71709
13 - Гидрошланг AZ71692
14 - Уплотнительное кольцо 51M7043 Количество:2 Примечание:15.300 X 2.200 mm
15 - Фитинг переходника 38H5012 Примечание:SUB FOR 38H1171
16 - Гидрошланг AZ101977
17 - Фитинг переходника 38H5002
18 - Уплотнительное кольцо 51M7041 Примечание:11.300 X 2.200 mm
19 - Уплотнительное кольцо T77858
20 - Жиклер Z101476 Количество:2 Примечание:ID = 2, 0 MM
20 - Жиклер Z101475 Количество:2 Примечание:ID = 1,5 MM
20 - Жиклер Z101473 Количество:2 Примечание:ID = 0,75 MM
21 - Коленчатый патрубок 38H5026
Наверх
Фильтр гидравлического масла - ST52307
![Джон Дир 7250 Фильтр гидравлического масла Фильтр гидравлического масла]()
1 - Корпус фильтра AZ101152 Примечание:SUB AXE14145
1 - Корпус фильтра AXE14145 Примечание:SUB FOR AZ101152
1 - Корпус фильтра AXE36065 Примечание:FOR AXE14145
1 - Стакан HXE59927 Примечание:FOR AXE14145
2 - Пробка сливного отверстия R107768
3 - Уплотнительное кольцо 51M7041 Примечание:11.300 X 2.200 mm
4 - Комплект прокладок AL114602 Примечание:FOR AZ101152
4 - Уплотнительное кольцо R151088 Примечание:FOR AXE14145
5 - Фильтрующий элемент AL112936 Примечание:FOR AZ101152Посмотреть аналогичные детали
5 - Масляный фильтр AL203060 Примечание:FOR AXE14145Посмотреть аналогичные детали
6 - Корпус фильтра AL112922 Примечание:FOR AZ101152
7 - Болт 19M7292
8 - Уголок Z101211 Количество:2
9 - Фитинг Z81596
Наверх
Hydraulic Hoses Quick Coupler - ST52308 ( Гидравлических Шлангов Быстроразъемная Муфта - )
![Джон Дир 7250 Hydraulic Hoses Quick Coupler Hydraulic Hoses Quick Coupler]()
1 - Гн. быстрос. гидр. муфты AZ64273
2 - Уплотнительное кольцо T77858
3 - Фитинг переходника 38H1174
4 - Уплотнительное кольцо T77857
5 - Гидрошланг AXE23318 Примечание:LGTH = 4500 mm, SUB FOR AZ102055
6 - Гидрошланг AZ101701
7 - Уплотнительное кольцо T77613
8 - Уплотнительное кольцо T77932
9 - Гидрошланг AZ101405
10 - Фитинг переходника 38H5004
11 - Уплотнительное кольцо 51M7045 Примечание:19.300 X 2.200 mm
12 - Гидрошланг AXE16685 Примечание:LGTH = 1230 mm, SUB FOR AZ102206
13 - Уплотнительное кольцо T76938
14 - Фитинг переходника 38H5006
15 - Уплотнительное кольцо 51M7048 Примечание:29.600 X 2.900 mm
16 - Фитинг переходника 61M5004 Примечание:INCLUDES 38H5004, T77932, 51M7045
.. - Комплект уплотнений AZ103383 Примечание:(FOR AZ64273)
Наверх
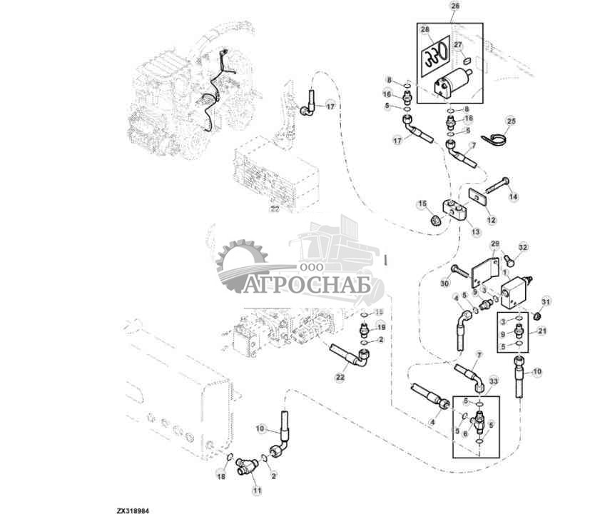
Маслоохладитель — шланги и возвратные линии - ST52309
![Джон Дир 7250 Маслоохладитель — шланги и возвратные линии Маслоохладитель — шланги и возвратные линии]()
1 - Гидрошланг AZ101276
2 - Гидрошланг AZ101275
3 - Уплотнительное кольцо T76938
4 - Фитинг переходника 38H1164
5 - Уплотнительное кольцо R29936
6 - Уплотнительное кольцо T77858
7 - Тройник 38H1531
8 - Фитинг переходника 38H1174
9 - Уплотнительное кольцо T77857 Количество:2
10 - Гидрошланг AZ101406
11 - Шланговый зажим AZ59875
12 - Винт с головкой 19M7691 Примечание:M8 X 90
13 - Фланцевая гайка 14M7298 Примечание:M8
14 - Уплотнительное кольцо 51M7048 Примечание:29.600 X 2.900 mm
15 - Тройник 38H5110
16 - Переходная втулка 38H1483
17 - Тройник 38H5122
18 - Трубная гайка 38H5082
19 - Фитинг Z74884
20 - Уплотнительное кольцо 51M7040 Примечание:9.300 X 2.200 mm
21 - Датчик темп. гидр. масла AH156144
22 - Уплотнительное кольцо R26286
23 - Гидрошланг AZ71689
24 - Уплотнительное кольцо 51M7045 Примечание:19.300 X 2.200 mm
25 - Фитинг переходника 38H5004
26 - Уплотнительное кольцо T77932
27 - Коленчатый патрубок 38H5019
28 - Фитинг переходника 38H5005
29 - Линия AZ72012
30 - Уплотнительное кольцо U12547
31 - Фитинг переходника 38H1163
32 - Обратный клапан AH118337
33 - Тройник 38H1532
34 - Маслопровод AZ102726
35 - Тройник 61M5122
36 - Тройник 61M5110
37 - Фитинг переходника 61M5004 Примечание:INCLUDES 38H5004, T77932, 51M7045
38 - Корпус электр. разъема 57M7850 Примечание:ORDER W/ R104701
Наверх
HYDRAULIC LINES - TRIPLE HYDRAULIC PUMP - ST52310 ( ГИДРАВЛИЧЕСКИЕ ЛИНИИ - ТРОЙНОЙ ГИДРАВЛИЧЕСКИЙ НАСОС - )
![Джон Дир 7250 HYDRAULIC LINES HYDRAULIC LINES]()
1 - Гидрошланг AZ71693
2 - Фитинг переходника 38H1161
3 - Уплотнительное кольцо T77857
4 - Уплотнительное кольцо R26375
5 - Гидрошланг AZ56610
6 - Гидрошланг AZ101699
7 - Фитинг переходника 38H1163
8 - Уплотнительное кольцо T77858
9 - Уплотнительное кольцо U12547
10 - Гидрошланг AZ56608
Наверх
ACCUMULATOR (AHC) FOR IVLOC™ TRANSMISSION - ST52311 ( АККУМУЛЯТОР (ПЖР) ДЛЯ IVLOC? ПЕРЕДАЧИ - )
![Джон Дир 7250 ACCUMULATOR (AHC) FOR IVLOC™ TRANSMISSION ACCUMULATOR (AHC) FOR IVLOC™ TRANSMISSION]()
1 - Клапан AZ51268
2 - Датч. давл. транс. масла RE272647 Примечание:SUB FOR RE204264 APPL
3 - Датч. давл.возд. в колл. ....... Примечание:(ORD RE272647)
4 - Уплотнительное кольцо ....... Примечание:(ORD RE272647)
5 - Заглушка R107799
6 - Клапан ....... Примечание:(ORD AZ51268)
7 - Электрическая обмотка AZ52004
8 - Уплотнительное кольцо R26375 Примечание:16.358 X 2.210 mm (0.644" X 0.087")
9 - Фитинг переходника 38H1161
10 - Уплотнительное кольцо T77857 Количество:9 Примечание:12.421 X 1.778 mm (0.489" X 0.070")
11 - Тройник 38H1031
12 - Гидрошланг AZ54447
13 - Гидрошланг AZ104155 Примечание:(SUB FOR AZ54448)
14 - Гидрошланг AZ54441
15 - Уплотнительное кольцо T77932 Количество:2 Примечание:15.596 X 1.778 mm (0.614" X 0.070")
16 - Фитинг переходника 38H1162 Количество:2
17 - Уплотнительное кольцо R26906 Количество:2 Примечание:19.177 X 2.464 mm (0.755" X 0.097")
18 - Коллектор .......
19 - Коленчатый патрубок 38H1005
20 - Уплотнительное кольцо T77613 Примечание:9.250 X 1.780 mm (0.364" X 0.070")
21 - Гидрошланг AZ54895
22 - Уплотнительное кольцо U12547 Примечание:23.470 X 2.946 mm (0.924" X 0.116")
23 - Фитинг переходника 38H1163
24 - Уплотнительное кольцо T77858 Примечание:18.771 X 1.778 mm (0.739" X 0.070")
25 - Гидрошланг AZ54897
26 - Фитинг переходника 38H1068 Количество:2
27 - Уплотнительное кольцо R29936
28 - Фитинг переходника 38H1164
29 - Гидроаккумулятор AZ61685
30 - Гидроаккумулятор AZ61684
31 - Гайка CC19416 Количество:2
32 - Уголок Z49220 Количество:2
33 - Фланцевая гайка 14M7299 Количество:4 Примечание:M12
34 - Винт 19M7788 Количество:4 Примечание:M12 X 25
35 - Уплотнительное кольцо R26286 Примечание:10.516 X 1.829 mm (0.414" X 0.072")
36 - Защитное кольцо E71998 Количество:2
37 - Уплотнительное кольцо R28776 Примечание:12.421 X 1.778 mm (0.489" X 0.070")
38 - Гайка ....... Примечание:(ORD AZ51268)
39 - Электромагнитный клапан AA35005 Примечание:INCL KEYS (2) 17, 37, 38
40 - Трубная заглушка Z65573
41 - Тройник 38H5108
42 - Уплотнительное кольцо 51M7047 Примечание:23.600 X 2.900 mm
43 - Уплотнительное кольцо T77858 Примечание:18.771 X 1.778 mm (0.739" X 0.070")
44 - Уголок H134183 Количество:2
45 - Болт 03M7184 Количество:4 Примечание:M8 X 20
46 - Фланцевая гайка 14M7298 Количество:4 Примечание:M8
47 - Тройник 38H1024
48 - Гидрошланг AXE17809 Примечание:(SUB FOR AZ101931)
49 - Уплотнительное кольцо T76938
50 - Фитинг переходника 38H1179
Наверх
ACCUMULATOR (HHC) FOR IVLOC TRANSMISSION WITH OPTIONAL HHC VALVE WITH LATERAL TILT - ST52312 ( ГИДРОАККУМУЛЯТОР (ННС) ДЛЯ ТРАНСМИССИИ IVLOC С ДОПОЛНИТЕЛЬНЫМ КЛАПАНОМ ННС С БОКОВЫМ НАКЛОНОМ - )
![Джон Дир 7250 ACCUMULATOR (HHC) FOR IVLOC TRANSMISSION WITH OPTIONAL HHC VALVE WITH LATERAL TILT ACCUMULATOR (HHC) FOR IVLOC TRANSMISSION WITH OPTIONAL HHC VALVE WITH LATERAL TILT]()
1 - Гидрошланг AZ103277
2 - Фитинг переходника 38H5003
3 - Уплотнительное кольцо 51M7043 Примечание:15.300 X 2.200 mm
4 - Гидрошланг AZ103560
5 - Фитинг переходника 38H5004
6 - Уплотнительное кольцо 51M7045 Примечание:19.300 X 2.200 mm
7 - Гидрошланг AZ103276
8 - Уплотнительное кольцо R26375 Примечание:16.358 X 2.210 mm (0.644" X 0.087")
9 - Болт 03M7184 Количество:4 Примечание:M8 X 20
10 - Уплотнительное кольцо T77857 Количество:9 Примечание:12.421 X 1.778 mm (0.489" X 0.070")
11 - Уголок H134183 Количество:2
12 - Уплотнительное кольцо 51M7047 Примечание:23.600 X 2.900 mm
13 - Тройник 38H5108
14 - Винт 19M7788 Количество:4 Примечание:M12 X 25
15 - Уплотнительное кольцо T77932 Количество:2 Примечание:15.596 X 1.778 mm (0.614" X 0.070")
16 - Фитинг переходника 38H1162 Количество:2
17 - Уплотнительное кольцо R26906 Количество:2 Примечание:19.177 X 2.464 mm (0.755" X 0.097")
18 - Фланцевая гайка 14M7299 Количество:4 Примечание:M12
19 - Уголок Z49220 Количество:2
20 - Гайка CC19416 Количество:2
21 - Фланцевая гайка 14M7298 Количество:4 Примечание:M8
22 - Гидроаккумулятор AZ61685 Количество:2
23 - Тройник 38H1024
24 - Уплотнительное кольцо T77858 Примечание:18.771 X 1.778 mm (0.739" X 0.070")
25 - Фитинг переходника 38H1068 Количество:2
26 - Фитинг переходника 38H1179
27 - Уплотнительное кольцо T76938 Количество:2
28 - Гидрошланг AXE17809 Примечание:(SUB FOR AZ101931)
29 - Фитинг переходника 38H1164
30 - Уплотнительное кольцо R29936
31 - Фитинг переходника 61H1179
Наверх
HYDRAULIC HOSES AND VALVE - WAGON DUMP (HIGH FLOW) WITH HIC VALVE - ST52313 ( ГИДРАВЛИЧЕСКИЕ ШЛАНГИ И КЛАПАН - САМОСВАЛ УНИВЕРСАЛ (ВЫСОКИЙ РАСХОД) С МКХ КЛАПАН - )
![Джон Дир 7250 HYDRAULIC HOSES AND VALVE HYDRAULIC HOSES AND VALVE]()
1 - Срывная муфта AE44756
2 - Винт 19M7803 Количество:2 Примечание:M8 X 70
3 - Фланцевая гайка 14M7298 Количество:4 Примечание:M8
4 - Уплотнительное кольцо T77932
5 - Фитинг переходника 38H1162 Количество:2
6 - Уплотнительное кольцо R26906 Количество:2
7 - Гидрошланг AZ67021
8 - Гидрошланг AZ67020
9 - Фитинг переходника 38H5010
10 - Коленчатый патрубок 38H5024
11 - Уплотнительное кольцо 51M7043 Примечание:15.300 X 2.200 mm
12 - Блок клапана AZ65034
13 - Уплотнительное кольцо 51M7045 Примечание:19.300 X 2.200 mm
14 - Фитинг переходника 38H5004 Количество:2
15 - Уплотнительное кольцо T77932
16 - Гидрошланг AZ67024
17 - Гидрошланг AZ67023
18 - Гидрошланг AZ103818
19 - Уголок Z81437
20 - Уголок Z81436
21 - Уплотнительное кольцо R26448
22 - Шайба 24M7036 Количество:4 Примечание:9 X 16 X 1.600 mm
23 - Винт с головкой 19M7298 Количество:4 Примечание:M8 X 35
24 - Винт 19M7867 Количество:2 Примечание:M8 X 25
25 - Фитинг переходника 38H1173
26 - Уплотнительное кольцо T77857
27 - Коленчатый патрубок 61M5024
28 - Фитинг переходника 61M5004 Количество:2 Примечание:INCLUDES 38H5004, T77932, 51M7045
Наверх
HYDRAULIC HOSES - NEUTRAL FLOW - ST52314 ( ГИДРАВЛИЧЕСКИЕ ШЛАНГИ - НЕЙТРАЛЬНЫЙ ПОТОК - )
![Джон Дир 7250 HYDRAULIC HOSES HYDRAULIC HOSES]()
1 - Гидрошланг AZ71693
2 - Гидрошланг AZ103561
3 - Коленчатый патрубок 38H1014
4 - Уплотнительное кольцо R26906 Количество:2
5 - Фитинг переходника 38H1161
6 - Уплотнительное кольцо R26375
7 - Уплотнительное кольцо T77857 Количество:2
8 - Уплотнительное кольцо T77858
9 - Уплотнительное кольцо T77932
10 - Фитинг переходника 38H1162
11 - Гидрошланг AZ54897
12 - Тройник 38H5108
13 - Уплотнительное кольцо 51M7047 Примечание:23.600 X 2.900 mm
Наверх
HYDRAULIC HOSES - NEUTRAL FLOW - ST52315 ( ГИДРАВЛИЧЕСКИЕ ШЛАНГИ - НЕЙТРАЛЬНЫЙ ПОТОК - )
![Джон Дир 7250 HYDRAULIC HOSES HYDRAULIC HOSES]()
1 - Гидрошланг AZ103561
2 - Уплотнительное кольцо 51M7045 Примечание:19.300 X 2.200 mm
3 - Фитинг переходника 38H5121
4 - Уплотнительное кольцо T77858
5 - Гидрошланг AZ54897
6 - Тройник 38H5108
7 - Уплотнительное кольцо 51M7047 Примечание:23.600 X 2.900 mm
8 - Фитинг переходника 38H5076
9 - Уплотнительное кольцо T77857 Количество:2
10 - Гидрошланг AZ101933
11 - Фитинг переходника 38H5003
12 - Уплотнительное кольцо 51M7043 Примечание:15.300 X 2.200 mm
Наверх
HYDRAULIC HOSES - MULTICOUPLER - ST52316 ( ГИДРАВЛИЧЕСКИЕ ШЛАНГИ - MULTICOUPLER - )
![Джон Дир 7250 HYDRAULIC HOSES HYDRAULIC HOSES]()
1 - Гидрошланг AZ61325
2 - Гидрошланг AZ71724
3 - Уплотнительное кольцо T77613
4 - Фитинг переходника 38H1171
5 - Уплотнительное кольцо R26375
6 - Фитинг переходника 38H5012
7 - Уплотнительное кольцо 51M7043 Примечание:15.300 X 2.200 mm
8 - Винт с головкой 19M7325 Количество:2 Примечание:M8 X 80
9 - Тройник 38H1030
10 - Диагностическая муфта RE60701
11 - Крышка R77175
12 - Корпус фильтра AXE14143 Примечание:SUB FOR AZ62824
12 - Корпус фильтра AXE36067 Примечание:FOR AXE14143
12 - Стакан AXE36571 Примечание:FOR AXE14143
13 - Уплотнительное кольцо U12547
14 - Фитинг переходника 38H1163
15 - Уплотнительное кольцо T77858
16 - Гидрошланг AZ102015
17 - Коленчатый патрубок 38H5129
18 - Уплотнительное кольцо 51M7047 Примечание:23.600 X 2.900 mm
19 - Гидравлический фильтр AZ62405
20 - Фитинг переходника AZ63314 Примечание:(SUB FOR 38H5005 APPL)
21 - Гидрошланг AZ59745
22 - Винт 19M7835 Примечание:M10 X 35
23 - Фитинг Z77291
24 - Уплотнительное кольцо A4730R
25 - Гидрошланг AZ59746
26 - Гидрошланг AZ59749
27 - Шланговый зажим AZ59875 Количество:2
Наверх
Фильтр гидравлического масла - ST52317
![Джон Дир 7250 Фильтр гидравлического масла Фильтр гидравлического масла]()
1 - Корпус фильтра AZ62824 Примечание:SUB AXE14143
1 - Корпус фильтра AXE14143 Примечание:SUB FOR AZ62824
1 - Корпус фильтра AXE36067 Примечание:USE WITH AXE14143
1 - Стакан AXE36571 Примечание:USE WITH AXE14143
2 - Переключатель давления AZ62795 Примечание:FOR AZ62824
2 - Датч. зас. масл. фильтра AXE14142 Примечание:FOR AXE14143
3 - Корпус фильтра AZ62825 Примечание:FOR AZ62824
4 - Уплотнительное кольцо Z48079 Примечание:FOR AZ62824
4 - Уплотнительное кольцо LCA34489 Примечание:FOR AXE14143
5 - Фильтрующий элемент AZ64238 Примечание:FOR AZ62824
5 - Комплект фильтра AXE14583 Примечание:FOR AXE14143
6 - Стакан AZ64239 Примечание:FOR AZ62824
7 - Карман Z78849 Примечание:FOR AZ62824
7 - Карман HXE20125 Примечание:FOR AXE14143
8 - Винт с головкой 19M7284 Количество:3 Примечание:M8 X 18
9 - Фланцевая гайка 14M7298 Количество:3 Примечание:M8
10 - Винт 19M7866 Количество:3 Примечание:M8 X 20
11 - Комплект фильтра AXE14583 Примечание:FOR AXE14143 (INCLUDES LCA34489)
Наверх
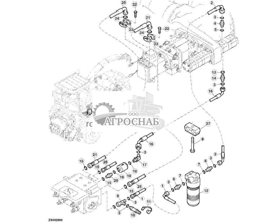
Hydraulic Lines, Transmission Oil Filter - ST52318 ( Гидравлические Линии, Масляного Фильтра Коробки Передач - )
![Джон Дир 7250 Hydraulic Lines, Transmission Oil Filter Hydraulic Lines, Transmission Oil Filter]()
1 - Гидрошланг AZ101911
2 - Гидрошланг AZ103611 Примечание:SUB FOR AZ101910
3 - Уплотнительное кольцо T77857
4 - Фитинг переходника 38H1161
5 - Уплотнительное кольцо R26375
6 - Уплотнительное кольцо U12547
7 - Фитинг переходника 38H1179
8 - Уплотнительное кольцо T76938
9 - Гидрошланг AZ71736
10 - Фитинг переходника 38H5181 Количество:2
11 - Уплотнительное кольцо 51M7047 Примечание:23.600 X 2.900 mm
12 - Маслопровод AZ101906
13 - Фитинг переходника 38H5152 Количество:2
14 - Уплотнительное кольцо T77932 Количество:2
15 - Винт 19M7785 Примечание:M10 X 25
16 - Фланцевая гайка 14M7296 Примечание:M10
17 - Винт 19M7865 Примечание:M8 X 16
18 - Карман Z102291
19 - Корпус фильтра AXE14146 Примечание:SUB FOR AZ101897
19 - Корпус фильтра AXE36064 Примечание:FOR AXE14146
19 - Стакан HXE59927 Примечание:FOR AXE14146
19 - Масляный фильтр AL203060 Примечание:FOR AXE14146Посмотреть аналогичные детали
20 - Корпус фильтра AXE14144 Примечание:SUB FOR AZ101002
21 - Уплотнительное кольцо T78612
22 - Фитинг переходника 38H1165
23 - Уплотнительное кольцо U13639 Количество:2
24 - Гидрошланг AZ71398
25 - Зажимная скоба AH96317
26 - Уплотнительное кольцо T78784 Примечание:37.821 X 1.778 mm (1.489" X 0.070")
27 - Фитинг переходника 38H5248
28 - Уплотнительное кольцо 51M7120 Примечание:44.600 X 2.900 mm
Наверх
Гидравлические соединения для гидравлического привода поворотного жалюзи радиатора - ST52319
![Джон Дир 7250 Гидравлические соединения для гидравлического привода поворотного жалюзи радиатора Гидравлические соединения для гидравлического привода поворотного жалюзи радиатора]()
1 - Редукционный клапан AZ102788
2 - Уплотнительное кольцо T77932 Количество:2
3 - Уплотнительное кольцо R26448
4 - Гидрошланг AZ103842 Примечание:LGTH = 300 mm
5 - Уплотнительное кольцо T77613
6 - Тройник 38H1023
7 - Гидрошланг AZ102872 Примечание:LGTH = 4500 mm
8 - Кольцевой уплотнитель Z74942 Количество:2
9 - Фитинг переходника 38H1160 Количество:2
10 - Гидрошланг AZ102878 Примечание:LGTH = 600 mm
11 - Тройник 38H1018
12 - Пластина H121168
13 - Скоба H120847 Количество:2
14 - Винт 19M7803 Примечание:M8 X 70
15 - Фланцевая гайка 14M7298 Примечание:M8
16 - Фитинг переходника AZ55287 Количество:2 Примечание:(INCL KEY 5 & 8)
17 - Гидрошланг AZ102876 Примечание:LGTH = 820 mm
18 - Уплотнительное кольцо R26906
19 - Фитинг переходника 38H1162
20 - Уплотнительное кольцо T77858 Количество:2
21 - Фитинг переходника 61H1160 Количество:2 Примечание:INCLUDES 38H1160, R26448, T77613
22 - Гидрошланг AZ102962 Примечание:LGTH = 750 mm
23 - Уплотнительное кольцо 51M7048 Количество:2 Примечание:29.600 X 2.900 mm
24 - Фитинг переходника 38H5013 Количество:2
25 - Обвязной хомут R44302 Посмотреть аналогичные детали
26 - Гидравлический мотор AZ102697 Примечание:(INCL SA15959, AZ102875)
27 - Шпонка вала SA15959 Примечание:5 X 5 X 16 mm
28 - Комплект уплотнений AZ102875 Примечание:USE WITH AZ102697
29 - Уголок Z105226
30 - Винт 19M7797 Количество:2 Примечание:M6 X 40
31 - Фланцевая гайка 14M7303 Количество:2 Примечание:M6
32 - Винт с головкой 19M7168 Примечание:M10 X 30
33 - Тройник 61H1023 Примечание:INCLUDES 38H1023, T77613
34 - Фитинг переходника 61M5013 Количество:2 Примечание:INCLUDES 38H5013, T77858, 51M7048
Наверх
Фильтр трансмиссионного масла - ST52320
![Джон Дир 7250 Фильтр трансмиссионного масла Фильтр трансмиссионного масла]()
1 - Корпус фильтра AZ101002 Примечание:SUB AXE14144
1 - Корпус фильтра AXE14144 Примечание:SUB FOR AZ101002
2 - Пробка сливного отверстия R107768 Примечание:FOR (AZ101002, AZ101897)
3 - Уплотнительное кольцо 51M7041 Примечание:11.300 X 2.200 mm, FOR (AZ101002, AZ101897)
4 - Корпус фильтра AZ58302 Примечание:FOR (AZ101002, AZ101897)
5 - Датч. давл. транс. масла AZ55051 Примечание:FOR AZ101002
5 - Датч. зас. масл. фильтра AXE14141 Примечание:FOR AXE14144
6 - Комплект прокладок AL114602
7 - Фильтрующий элемент AL112936 Примечание:FOR (AZ101002, AZ101897)Посмотреть аналогичные детали
7 - Масляный фильтр AL203060 Примечание:FOR (AXE14146)Посмотреть аналогичные детали
8 - Корпус фильтра AL112922 Примечание:FOR (AZ101002, AZ101897)
9 - Гидравлический фильтр AZ101897 Примечание:SUB AXE14146
9 - Корпус фильтра AXE14146 Примечание:SUB FOR AZ101897
10 - Гидравлический фильтр AXE14474
11 - Комплект фильтра AXE14584
Наверх