'
Каталог Запчастей John Deere :7250 Self-Propelled Forage Harvester (Worldwide Edition) - PC4608 60 Рулевое управление, тормоза и задний мост
Перейти к другим разделам
Содержимое: Каталог Запчастей John Deere :7250 Self-Propelled Forage Harvester (Worldwide Edition) - PC4608 60 Рулевое управление, тормоза и задний мост
Линии, тормоз  стравливание - ST52157
Brake Lines, Master Cylinder and Reservoir - ST52158 ( Тормозные магистрали, главный цилиндр и водохранилище -  )
Главный тормозной цилиндр - ST52159
Педаль тормоза, стояночный - ST52160
Педали тормоза - ST52161
Тормозной цилиндр - ST52163
Drum Brakes - ST52164 ( Барабанные Тормоза -  )
Гидравлические линии, рулевое управление - ST52165
Attachment, Basic Parts for Row Guidance, AutoTrac™ 8.5 T DANA Rear Axle - ST749657 ( Вложений, основных частей для указания строки, система Autotrac? 8.5 Т Даной задний мост -  )
HYDRAULIC LINES - STEERING - AUTOMATIC ROW GUIDANCE II - ST52166 ( ГИДРАВЛИЧЕСКИЕ ЛИНИИ - РУЛЕВОЕ УПРАВЛЕНИЕ - АВТОМАТИЧЕСКОЕ НАВЕДЕНИЕ СТРОКЕ II -  )
Насос рулевого управления - ST52167
STEERING UNIT SEAL-KIT - ST52168 ( РУЛЕВОЙ УЗЕЛ УПЛОТНЕНИЯ-КОМПЛЕКТ -  )
Задние колеса - ST52169
 
Линии, тормоз  стравливание - ST52157
![Джон Дир 7250 Линии, тормоз  стравливание  Линии, тормоз  стравливание]()
1 - Стопор Z65455		
2 - Штуцерное соединение AZ52225	Количество:4	
3 - Выпускной клапан AZ36462	Количество:2	
4 - Тормозная линия AZ51817		
5 - Тормозная линия AZ51818		
6 - Линия AZ51839		Примечание:Левый	
6 - Линия AZ51840		Примечание:R	
7 - Коленчатый патрубок AR26746	Количество:2	
8 - Уплотнительное кольцо R10093	Количество:2	
9 - Фитинг Z55026	Количество:2	
10 - Штуцерное соединение Z46001	Количество:2	
Наверх
Brake Lines, Master Cylinder and Reservoir - ST52158 ( Тормозные магистрали, главный цилиндр и водохранилище -  )
![Джон Дир 7250 Brake Lines, Master Cylinder and Reservoir  Brake Lines, Master Cylinder and Reservoir]()
1 - Бак AH215111		
2 - Мембрана H109254		
3 - Фланцевая гайка 14M7303	Количество:2	Примечание:M6	
4 - Уголок Z78177		
5 - Винт 19M7775	Количество:2	Примечание:M6 X 16	
6 - Гайка 14H832		Примечание:9/16"	
7 - Уплотнительное кольцо H127752		Примечание:7.645 X 1.778 mm (0.301" X 0.070")	
8 - Тормозная линия AZ63212		
9 - Тормозная линия AZ63180		
10 - Тормозная линия AZ63179		
11 - Переключатель AL67715		Посмотреть аналогичные детали	
12 - Контр. клап. с гидропр. AH209443		Примечание:ВЫПУСК ПРЕКРАЩЕН	
13 - Штуцерное соединение Z46001	Количество:2	
14 - Тормозная линия AZ63181		
15 - Тормозная линия AZ63182		
16 - Скоба R46414		
17 - Винт 19M7796	Количество:3	Примечание:M6 X 30	
18 - Пластина Z30667	Количество:3	
19 - Скоба Z34953	Количество:3	
20 - Стопорная гайка 14M7397	Количество:3	Примечание:M6	
Наверх
Главный тормозной цилиндр - ST52159
![Джон Дир 7250 Главный тормозной цилиндр  Главный тормозной цилиндр]()
1 - Сиденье .......	Количество:3	
2 - Устройство AH136305		
3 - Уплотнительное кольцо .......	Количество:2	
4 - Клапан .......	Количество:2	
5 - Пружина .......	Количество:2	
6 - Шар .......	Количество:2	
7 - Седло клапана .......	Количество:2	
8 - Сальник .......	Количество:2	
9 - Расходный гидр. клапан AH133126	Количество:2	
10 - Корпус .......		
11 - Пружина H141869	Количество:2	
12 - Уплотнительное кольцо .......	Количество:2	
13 - Подшипник .......	Количество:2	
14 - Тарельчатый клапан .......	Количество:2	
15 - Пружина .......	Количество:2	
16 - Уплотнительное кольцо .......	Количество:2	
17 - Пробка сливного отверстия H167988	Количество:2	
18 - Винт .......	Количество:2	
19 - Стопор .......	Количество:2	
20 - Пружина .......	Количество:2	
21 - Стопор .......	Количество:2	
22 - Маслосборник .......	Количество:2	
23 - Стопор .......	Количество:2	
24 - Поршень .......	Количество:2	
25 - Уплотнительное кольцо .......	Количество:2	
26 - Комплект поршней AH210231	Количество:2	
27 - Выпускной клапан R21612		
28 - Пружинное кольцо .......	Количество:2	
29 - Кожух .......	Количество:2	
30 - Стопор H81461	Количество:2	
31 - Комплект барабанов AH161485		
32 - Контр. клап. с гидропр. AH209443		Примечание:ВЫПУСК ПРЕКРАЩЕН	
33 - Болт .......		
.. - Комплект барабанов AH133128		
Наверх
Педаль тормоза, стояночный - ST52160
![Джон Дир 7250 Педаль тормоза, стояночный  Педаль тормоза, стояночный]()
1 - Изолятор H145847		
2 - Рукоять AH146492		
3 - Пружинный шплинт 34M7124		Примечание:8 X 30 mm	
4 - Пружинный шплинт 34M7116		Примечание:3 X 24 mm	
5 - Рама H140595		
6 - Втулка 28H1633	Количество:2	Примечание:0.364" X 0.540" X 1-9/16"	
7 - Педаль H152164		
8 - Храповый механизм H140746		
9 - Упор H140747		
10 - Переключатель AH140605		
11 - Винт H140692	Количество:3	
12 - Штифт H140708		
13 - Пластина H146327		
14 - Шайба H110232		
15 - Пружина растяжения R60730		
16 - Крючок H141069		
17 - Винт 19M7801	Количество:2	Примечание:M8 X 60	
18 - Пружина растяжения H124258		
19 - Болт H140715		
20 - Болт H140712		
21 - Пластина H140691		
22 - Винт 19M7867	Количество:2	Примечание:M8 X 25	
23 - Крепление со штифтом M43649		
24 - Шплинт 11M7059	Количество:5	Примечание:3.200 X 20 mm	
25 - Крепление со штифтом RV702A		
26 - Крепление со штифтом H109716	Количество:3	
27 - Уравнитель H140694	Количество:2	
28 - Кулиса H140695	Количество:2	
29 - Кулиса H140696	Количество:2	
30 - Скоба H140713		
31 - Пружина растяжения H104075		
32 - Втулка H105005	Количество:2	
33 - Винт 19M7866	Количество:5	Примечание:M8 X 20	
34 - Сальник H141422		
35 - Шайба 24M7207	Количество:2	Примечание:8.400 X 24 X 2 mm	
36 - Стопорная гайка E64256	Количество:2	
Наверх
Педали тормоза - ST52161
![Джон Дир 7250 Педали тормоза  Педали тормоза]()
1 - Опора H156514		Примечание:R	
1 - Опора H214155		Примечание:(FOR PRODRIVE) RH	
2 - Винт 19M7866	Количество:4	Примечание:M8 X 20	
3 - Опора H156513		Примечание:Левый	
3 - Опора H214154		Примечание:LH (A)	
4 - Винт 19M7784		Примечание:M10 X 20	
5 - Штифт H120389		
6 - Штифт H120388		
7 - Толкатель H124259	Количество:2	
7 - Шпилька H217617	Количество:2	Примечание:(Для Prodrive)	
8 - Пружина растяжения H124258	Количество:2	
9 - Гайка 14M7274	Количество:2	Примечание:M10	
10 - Крепление со штифтом 45M7118	Количество:2	Примечание:10 X 35 mm	
11 - Шайба 24M7028	Количество:2	Примечание:10.500 X 20 X 2 mm	
12 - Шплинт 11M7059	Количество:2	Примечание:3.200 X 20 mm	
13 - Вилка 54M4422	Количество:2	
14 - Педаль H172924		Примечание:Левый	
15 - Сальник H111234	Количество:2	Примечание:ВЫПУСК ПРЕКРАЩЕН	
16 - Втулка H105005	Количество:4	
17 - Пружинный шплинт 34H312		Примечание:1/4" X 1"	
18 - Пружина H95902		
19 - Хомут H99264		
20 - Педаль H172923		Примечание:R	
Наверх
Тормозной цилиндр - ST52163
![Джон Дир 7250 Тормозной цилиндр  Тормозной цилиндр]()
1 - Винт с головкой 19H2020	Количество:2	Примечание:5/16" X 1/2"	
2 - Кожух .......	Количество:2	Примечание:(KIT AH131045)	
3 - Поршень .......	Количество:2	Примечание:(KIT AH131045)	
4 - Сальник .......	Количество:2	Примечание:(KIT AH131045)	
5 - Пружина .......		Примечание:(KIT AH131045)	
6 - Комплект гидроцилиндров AH131045		Примечание:INCL KEYS 2-5	
7 - Выпускной клапан .......		
8 - Кулиса H140135	Количество:2	
9 - Комплект AH131048		Примечание:RH, Brake Cylinder	
9 - Комплект AH131049		Примечание:LH, Brake Cylinder	
10 - Комплект .......		
11 - Стопорная шайба 12M7032	Количество:2	Примечание:8.400 mm	
Наверх
Drum Brakes - ST52164 ( Барабанные Тормоза -  )
![Джон Дир 7250 Drum Brakes  Drum Brakes]()
1 - Пружинное кольцо .......		
2 - Шайба .......		
3 - Эксцентрик .......		
4 - Рычаг .......		
5 - Пружина .......		
6 - Болт .......		
7 - Комплект тормоза AH131058		Примечание:R	
7 - Комплект тормоза AH131059		Примечание:Левый	
8 - Пружина .......		Примечание:Up	
9 - Кулиса .......	Количество:2	
10 - Пружина .......	Количество:2	
11 - Пружина .......	Количество:2	Примечание:Low	
12 - Комплект пружин AH131051		
13 - Крышка .......		
14 - Штифт .......		
15 - Кабель .......		
16 - Направляющая .......		
17 - Пружина .......		
18 - Упор .......		
19 - Компл. деталей регулят. AH131054		Примечание:R	
19 - Компл. деталей регулят. AH131055		Примечание:Левый	
20 - КОЛЕСО  .......		
21 - Винт .......		
22 - Тормозной барабан CE18206	Количество:2	
23 - Кольцо B32564	Количество:2	
24 - Тормозная колодка AN278453		Примечание:PKG (4)	
25 - Винт с головкой 19M7597	Количество:5	Примечание:M20 X 50	
26 - Шайба N12679	Количество:5	
27 - Направляющая H133351	Количество:2	
28 - Пластина AH131062		
29 - Толкающе-буксир. кабель AZ41888		
30 - Тормоз AH143332		Примечание:Левый	
30 - Тормоз AH143331		Примечание:R	
31 - Скоба Z22067	
32 - Болт .......	
33 - Гайка .......	
34 - Комплект AH131048		Примечание:RH, Brake Cylinder	
34 - Комплект гидроцилиндров AH131049		Примечание:LH, Brake Cylinder	
35 - Винт с головкой 19H2020	Количество:2	Примечание:5/16" X 1/2"	
36 - Стопорная шайба 12M7032	Количество:2	Примечание:8.400 mm	
Наверх
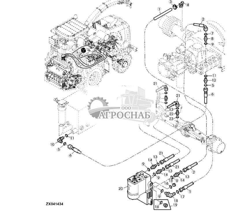
Гидравлические линии, рулевое управление - ST52165
![Джон Дир 7250 Гидравлические линии, рулевое управление  Гидравлические линии, рулевое управление]()
1 - Гидрошланг AZ58179		Примечание:LGTH = 3000 mm	
2 - Гидрошланг AZ56610		Примечание:LGTH = 2030 mm	
3 - Гидрошланг AZ54641	Количество:2	Примечание:LGTH = 5400 mm , (SUB FOR AZ61676)	
4 - Гидрошланг AZ56608		Примечание:LGTH = 840 mm	
5 - Скоба Z26822		
6 - Коленчатый патрубок AZ57393		Примечание:(For 4-Gear Length-Of-Cut Transmission)	
6 - Коленчатый патрубок AZ63982		Примечание:(Для трансмиссии IVT Length-Of-Cut)	
7 - Уплотнительное кольцо T77857	Примечание:12.421 X 1.778 mm (0.489" X 0.070")	
8 - Фитинг переходника 38H1161	Количество:4	
9 - Уплотнительное кольцо R26375	Количество:5	
10 - Фитинг переходника 38H1178		
11 - Уплотнительное кольцо T77858		Примечание:18.771 X 1.778 mm (0.739" X 0.070")	
12 - Уплотнительное кольцо U12547	Количество:2	Примечание:23.470 X 2.946 mm (0.924" X 0.116")	
13 - Фитинг переходника 38H1163		
14 - Уплотнительное кольцо T76938	Количество:2	
15 - Коленчатый патрубок 38H1007		
16 - Уплотнительное кольцо T77613	
17 - Фитинг переходника 38H5002	Количество:2	
18 - Уплотнительное кольцо 51M7041	Примечание:11.300 X 2.200 mm	
19 - Клапан AZ43166		
Наверх
Attachment, Basic Parts for Row Guidance, AutoTrac™ 8.5 T DANA Rear Axle - ST749657 ( Вложений, основных частей для указания строки, система Autotrac? 8.5 Т Даной задний мост -  )
![Джон Дир 7250 Attachment, Basic Parts for Row Guidance, AutoTrac™ 8.5 T DANA Rear Axle  Attachment, Basic Parts for Row Guidance, AutoTrac™ 8.5 T DANA Rear Axle]()
1 - Пульт управления BZ100194		
Наверх
HYDRAULIC LINES - STEERING - AUTOMATIC ROW GUIDANCE II - ST52166 ( ГИДРАВЛИЧЕСКИЕ ЛИНИИ - РУЛЕВОЕ УПРАВЛЕНИЕ - АВТОМАТИЧЕСКОЕ НАВЕДЕНИЕ СТРОКЕ II -  )
![Джон Дир 7250 HYDRAULIC LINES  HYDRAULIC LINES]()
1 - Гидрошланг AZ58179		
2 - Гидрошланг AZ56610		
3 - Скоба Z26822		
4 - Коленчатый патрубок AZ57393		Примечание:(FOR 4-GEAR LENGTH-OF-CUT TRANSMISSION)	
4 - Коленчатый патрубок AZ63982		Примечание:(Для трансмиссии IVT Length-Of-Cut)	
5 - Уплотнительное кольцо T76938	
6 - Гидрошланг AZ56608		
7 - Уплотнительное кольцо T77857	Примечание:12.421 X 1.778 mm (0.489" X 0.070")	
8 - Фитинг переходника 38H1161	
9 - Уплотнительное кольцо R26375	Примечание:16.358 X 2.210 mm (0.644" X 0.087")	
10 - Коленчатый патрубок 38H1007		
11 - Уплотнительное кольцо U12547	
12 - Фитинг переходника 38H1163	
13 - Уплотнительное кольцо T77613	
14 - Фитинг переходника 38H1171	
15 - Заглушка фитинга R27218		
16 - Уплотнительное кольцо R28782		
17 - Уплотнительное кольцо T77858	
18 - Коленчатый патрубок 38H1461		
19 - Заглушка фитинга U44115		
20 - Дозир. насос рул. упр. AZ104194		Примечание:(SUB FOR AZ71867)	
21 - Гидрошланг AZ54641	Количество:2	Примечание:(SUB FOR AZ61676)	
22 - Фитинг переходника 38H5002	Количество:2	
23 - Уплотнительное кольцо 51M7041	Количество:2	Примечание:11.300 X 2.200 mm	
Наверх
Насос рулевого управления - ST52167
![Джон Дир 7250 Насос рулевого управления  Насос рулевого управления]()
1 - Крышка Z31359		
2 - Винт с головкой 19M7925	Количество:6	Примечание:M8 X 45	
3 - Винт с головкой L36308		
4 - Пружинный шплинт Z31360		
5 - Клапан .......	Количество:2	Примечание:(ORD AZ43166)	
6 - Винт Z31364	Количество:2	
7 - Передача .......		Примечание:(ORD AL69629)	
8 - Распределитель Z60290		
9 - Прокладка L36307		
10 - Ведущий вал .......		Примечание:(ORD AL69629)	
11 - Крепление со штифтом Z31354		
12 - Станок AZ25154		Примечание:Комплект	
13 - Кольцо Z31353		
14 - Упорный подшипник AL36989		
15 - Защитное кольцо Z31455		Примечание:(KIT AL112819)	
16 - Шар H871R	Количество:2	
17 - Трубная заглушка Z31350		
18 - Шар Z31349		
19 - Уплотнительное кольцо Z31452		Примечание:(KIT AL112819)	
20 - Комплект штифта AL37593	Количество:2	
21 - Шайба Z31456	Количество:7	Примечание:(KIT AL112819)	
22 - Уплотнительное кольцо Z31454	Количество:2	Примечание:(KIT AL112819)	
23 - Уплотнительное кольцо Z31453		Примечание:(KIT AL112819)	
24 - Сальник Z31348		Примечание:(KIT AL112819)	
25 - Корпус .......		Примечание:(ORD AZ43166)	
26 - Золотник клапана .......		Примечание:(ORD AZ43166)	
27 - Гильза .......		Примечание:(ORD AZ43166)	
28 - Клапан AZ43166		Примечание:УЗЕЛ	
29 - Клапан AZ31301	Количество:2	
30 - Пружина сжатия Z51238		
31 - Перепускной клапан AZ33901		
32 - Рулевой вал AZ43334		Serial No.______-511364	
32 - Адаптер AXE11870		Serial No.511365-______	
33 - Винт 19M8533	Количество:4	Примечание:M10 X 25	
34 - Клапан .......		Примечание:(ORD AZ43166)	
.. - Передача AL69629		Примечание:KIT, INCL KEYS 7, 10	
.. - Комплект уплотнений AL112819		Примечание:INCL KEYS 15, 19, 21-24Посмотреть аналогичные детали	
Наверх
STEERING UNIT SEAL-KIT - ST52168 ( РУЛЕВОЙ УЗЕЛ УПЛОТНЕНИЯ-КОМПЛЕКТ -  )
![Джон Дир 7250 STEERING UNIT SEAL-KIT  STEERING UNIT SEAL-KIT]()
1 - Комплект уплотнений AL112819		Посмотреть аналогичные детали	
2 - Сальник Z31348	Количество:2	
3 - Защитное кольцо Z31455	Количество:2	
4 - Уплотнительное кольцо Z31452	Количество:2	
5 - Уплотнительное кольцо Z31453	Количество:2	
6 - Уплотнительное кольцо Z31454	Количество:4	
7 - Шайба Z31456	4	
Наверх
Задние колеса - ST52169
![Джон Дир 7250 Задние колеса  Задние колеса]()
1 - КОЛЕСО  AL167623	Количество:2	Примечание:(TIRE SIZE VF 520/60R28) DWL18 X 28, ET+66 / ET-77, MARKED AL167623	
1 - Обод AZ65233	Количество:2	Примечание:(FOR FOUR-WHEEL DRIVE) DW15L X 26, ET=0	
1 - Обод AZ65167	Количество:2	Примечание:(FOR FOUR-WHEEL DRIVE) DW15L X 26, ET+114	
1 - Обод AZ59306	Количество:2	Примечание:(FOR FOUR-WHEEL DRIVE) DW15L X 26, ET+69 / ET-80, NLA, ORDER KXE10235	
1 - Комплект колес KXE10235	Количество:2	Примечание:DW15LX26, ET+69	
1 - Обод AZ63460	Количество:2	Примечание:(FOR FOUR-WHEEL DRIVE) DW18L X 26, ET+25, ORDER KXE10167	
1 - Комплект колес KXE10167	Количество:2	Примечание:TW18LX26 ET+25	
1 - Обод AZ65287	Количество:2	Примечание:(FOR FOUR-WHEEL DRIVE) DW18L X 26, ET+69 / ET-80, ORDER KXE10166	
1 - Комплект колес KXE10166	Количество:2	Примечание:TW18LX26 ET-80	
1 - Обод AZ102512	Количество:2	Примечание:NLA, DW15L X 26, ET+155	
1 - Обод AXE14896		Примечание:DW18LX30 ET+45	
1 - Обод AXE24132	Количество:2	Примечание:DW18LX30 ET-137	
1 - Обод AXE24135	Количество:2	Примечание:TW18LX28 ET-120	
2 - Шина .......	Количество:2	Примечание:480/80-26 160A8, (FOR DW15LX26)	
2 - Шина .......	Количество:2	Примечание:480/80R26 160A8, (FOR DW15LX26)	
2 - Шина .......	Количество:2	Примечание:(TIRE SIZE VF 520/60R28) 540/65R28, 142 D MULTIBIB, B D T818, D AC65 OR A8 R9000 EVO (FOR DWL18X28)	
2 - Шина .......	Количество:2	Примечание:580/70R26 149A8, (FOR DW18LX26)	
2 - Шина .......	Количество:2	Примечание:540/65R30 IMP 168A8 AC65, (FOR DW18LX30 ET+45) (FOR DW18LX30 ET-137)	
2 - Шина .......	Количество:2	Примечание:600/65R28 IMP 168A8 AC65, (FOR TW18LX28 ET-120)	
3 - Шток вентиля шины AT25226	Количество:2	
4 - Винт 19H3546	6	Примечание:5/8" X 1-3/8"	
5 - Гайка AL156256	6	Примечание:(Для полного привода)	
6 - Шпилька ER126710	6	Примечание:(Для полного привода)	
Наверх