Содержимое: Каталог Запчастей John Deere :W650 Combine (PIN 1Z0W650XXXX110000-1Z0W650XXXX114999)(PIN 1JZW650XXXX110000-1JZW650XXXX114999)(Russian) - PC14155 OS Пост оператора OSG Система обогрева вентиляции кондиционирования воздуха
Крепежные детали сливного шланга кондиционера воздуха - ST828750
Воздушный компрессор, Final Tier 4 - ST817398
Компрессор кондиционера воздуха, Tier 2 - ST827505
Ресивер-осушитель кондиционера - ST822421
Каналы системы кондиционирования воздуха и системы обогрева - ST431462
Воздушный фильтр системы рециркуляции - ST828771
Модуль ОВКВ - ST828658
Жгут проводов кондиционера воздуха - ST696649
Трубопроводы и фитинги, обогреватель и система кондиционирования внутри кабины - ST828713
Крепежные детали сливного шланга кондиционера воздуха - ST828750
![Джон Дир W650 Крепежные детали сливного шланга кондиционера воздуха Крепежные детали сливного шланга кондиционера воздуха]()
1 - Обратный клапан H150385 Количество:2
2 - Зажимная скоба AH225364
3 - Обвязной хомут L206646
4 - Зажимная скоба AH225365 Количество:3
Наверх
Воздушный компрессор, Final Tier 4 - ST817398
![Джон Дир W650 Воздушный компрессор, Final Tier 4 Воздушный компрессор, Final Tier 4]()
1 - Компрессор AH236432
2 - Винт 19M7913 Количество:3 Примечание:M8 X 90
Наверх
Компрессор кондиционера воздуха, Tier 2 - ST827505
![Джон Дир W650 Компрессор кондиционера воздуха, Tier 2 Компрессор кондиционера воздуха, Tier 2]()
1 - Винт 19M7913 Количество:4 Примечание:M8 X 90
2 - Компрессор AH169875 Посмотреть аналогичные детали
2 - Хладагент DT5177
3 - Пружинный шплинт 34M7189 Количество:2 Примечание:11 X 8 mm
Наверх
Ресивер-осушитель кондиционера - ST822421
![Джон Дир W650 Ресивер-осушитель кондиционера Ресивер-осушитель кондиционера]()
1 - Расширит. бачок/осушитель AXE53638
2 - Скоба AR21842 Количество:2
Наверх
Каналы системы кондиционирования воздуха и системы обогрева - ST431462
![Джон Дир W650 Каналы системы кондиционирования воздуха и системы обогрева Каналы системы кондиционирования воздуха и системы обогрева]()
1 - Воздуховод L201874
2 - Датчик RE176393 Примечание:Температура окружающей среды
3 - Винт R224342 Количество:5
4 - Адаптер L201917 Количество:2
5 - Шланг L207220 Количество:2 Примечание:LGTH = 98 mm
6 - Шланговый зажим L207986 Количество:2
7 - Шланг L207988 Количество:2 Примечание:LGTH = 3300 mm
Наверх
Воздушный фильтр системы рециркуляции - ST828771
![Джон Дир W650 Воздушный фильтр системы рециркуляции Воздушный фильтр системы рециркуляции]()
1 - Крышка L203960
2 - Уплотнение R283703 Количество:2
3 - Фильтр L214634
4 - Крышка AXE39926
5 - Изолятор L204622
6 - Винт R224342 Количество:4
7 - Воздушный фильтр RE284091 Посмотреть аналогичные детали
8 - Изолятор L209388
Наверх
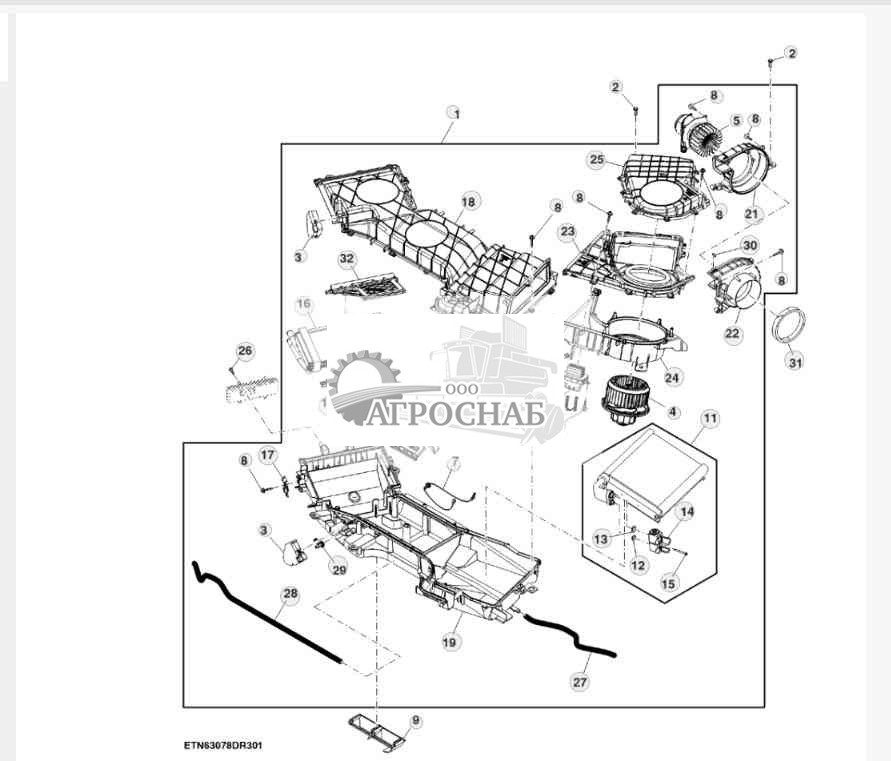
Модуль ОВКВ - ST828658
![Джон Дир W650 Модуль ОВКВ Модуль ОВКВ]()
1 - Кондиционер AXE53834 Примечание:SUB FOR AXE39924
2 - Винт R216839 2
3 - Пускатель AH219855 Количество:2
4 - Вентилятор AH235218
5 - Вентилятор AH235219
6 - Модуль AH235220
7 - Датчик AH235223
8 - Винт L205030 Количество:64
9 - Направляющая L210120
10 - Клапан AL203085
11 - Испаритель AL203086
12 - Уплотнительная шайба AH220424
13 - Уплотнительная шайба AH220426
14 - Клапан AL203088
15 - Винт H220863 Количество:2
16 - Обогреватель AL207333
17 - Скоба H220874
18 - Кожух L203214
19 - Кожух L203215
20 - Кожух L203216
21 - Кожух L203217
22 - Кожух L203218
23 - Кожух L203219
24 - Кожух L203220
25 - Кожух AXE39925
26 - Винт L207160 Количество:4
27 - Шланг L207192
28 - Шланг L207193
29 - Рычаг L203228
30 - Скоба L204984 Количество:2
31 - Сальник HXE63518
32 - Клапан AL203084
Наверх
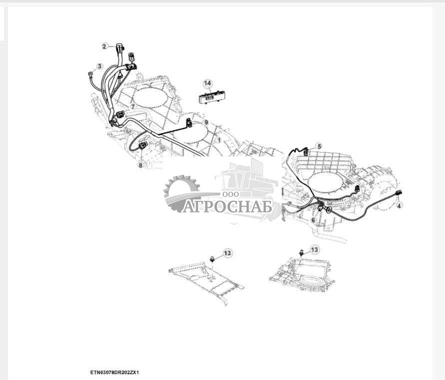
Жгут проводов кондиционера воздуха - ST696649
![Джон Дир W650 Жгут проводов кондиционера воздуха Жгут проводов кондиционера воздуха]()
1 - Жгут проводов AH235643 Примечание:HVAC
2 - Узел электрич. разъема 57M7697 Примечание:Cab Main Junction
2 - Клемма электр. разъема 57M7699
3 - Клемма электр. разъема 57M8866 Примечание:Ground
4 - Корпус электр. разъема 57M8556 Примечание:Fresh Air Temperature Sensor
5 - Корпус электр. разъема 57M9336 Примечание:Recirculation Air Temperature Sensor
6 - Корпус электр. разъема 57M9332 Примечание:Main Blower Motor
6 - Блок. устр. эл. разъема 57M9333
7 - Корпус электр. разъема 57M7260 Примечание:Temperature Door Actuator
7 - Узел электрич. разъема 57M7291
8 - Корпус электр. разъема 57M7260 Примечание:Mode Door Actuator
8 - Узел электрич. разъема 57M7291
9 - Корпус электр. разъема 57M9336 Примечание:Duct Temperature
10 - Узел электрич. разъема 57M7723 Примечание:Evaporator Temperature Sensor
11 - Корпус электр. разъема 57M10431 Примечание:Pressure Transducer
11 - Блок. устр. эл. разъема 57M8624
12 - Корпус электр. разъема 57M9961
12 - Блок. устр. эл. разъема 57M9962
13 - Датчик AH219847 Количество:2
14 - Контроллер машины AXE67276 Примечание:SUB FOR AXE10671
Наверх
Трубопроводы и фитинги, обогреватель и система кондиционирования внутри кабины - ST828713
![Джон Дир W650 Трубопроводы и фитинги, обогреватель и система кондиционирования внутри кабины Трубопроводы и фитинги, обогреватель и система кондиционирования внутри кабины]()
1 - Винт 19M8599 Примечание:M8 X 20
2 - Изолятор L112549
3 - Уплотнительная шайба AH222795
4 - Линия AL212334
5 - Линия AL212333
6 - Шланг хладагента AXE39544
7 - Зажимная скоба R199462
8 - Уплотнительная шайба L202827
9 - Кольцо P50883
10 - Уплотнительное кольцо R10093 Количество:2
11 - Датчик RE190340
12 - Линия AL207332
13 - Уплотнение L212630
14 - Зажимная скоба R232182
15 - Шланговый зажим H156922
16 - Шланговый зажим T184924
17 - Шланг L202891 Примечание:LGTH = 1385 mm
18 - Шланг L202892 Примечание:LGTH = 1363 mm
19 - Зажимная скоба L204310 Количество:3
20 - Уплотнительное кольцо R183409 Количество:2
Наверх