Содержимое: Каталог Запчастей John Deere :W650 Combine (PIN 1Z0W650XXXX110000-1Z0W650XXXX114999)(PIN 1JZW650XXXX110000-1JZW650XXXX114999)(Russian) - PC14155 CS Шасси и конструкция CSTR Гусеница
Навесное оборудование, гусеничная лесозаготовительная машина - ST829708
Ведущие валы гусениц - ST832519
Комплект для самостоятельной установки, гусеница лесозаготовительной машины, 26 дюймов - ST832787
Опоры и крепления, главная рама, левая гусеница - ST832826
Цилиндры и шланги гусеницы, 26 дюймов - ST832796
Качающийся мост, гусеница, левая сторона - ST876483
Ремень и колесо - ST832835
Мост среднего катка, гусеница - ST832840
Мост натяжного колеса, гусеница - ST832845
Задний мост, гусеница - ST832851
Крышка гусеницы, левая сторона - ST832853
Крышка гусеницы, правая сторона - ST832857
Качающийся мост, гусеница, правая сторона - ST876660
Бортовой редуктор гусеницы - ST832864
Фланцы гусениц - ST832869
Главная рама, гусеница, левая сторона - ST832871
Truss Rod, Harvester Track, Attachment - ST829710 ( Анкер, Комбайн Трека, Приложение - )
Навесное оборудование, гусеничная лесозаготовительная машина - ST829708
![Джон Дир W650 Навесное оборудование, гусеничная лесозаготовительная машина Навесное оборудование, гусеничная лесозаготовительная машина]()
1 - Навесной трак комбайна BXE10485
Наверх
Ведущие валы гусениц - ST832519
![Джон Дир W650 Ведущие валы гусениц Ведущие валы гусениц]()
1 - Гидрошланг AXE20784
2 - Фитинг переходника 38H1445
3 - Фитинг переходника 38H5011
4 - Фитинг AXE20786
5 - Уплотнительное кольцо T77814 Количество:2
6 - Уплотнительное кольцо 51M7041 Примечание:11.300 X 2.200 mm
7 - Быстросъемн. гидр. муфта AH128241
8 - Крышка HXE27261 Примечание:ORDER HXE98519
8 - Метка HXE98519
9 - Крышка HXE27260 Примечание:ORDER HXE98520
9 - Метка HXE98520
10 - Винт 19M7786 Количество:8 Примечание:M10 X 30
11 - Винт 19M8627 2 Примечание:M6 X 20
12 - Пружинное кольцо 40M7065 Количество:2
13 - Распорная втулка HXE27057 Количество:2
14 - Пластина AXE18950 Количество:2
15 - Пластина HXE27058 Количество:2
16 - Фланец HXE27063 Количество:2
17 - Подшипник AXE27123 Количество:2
18 - Крепежные детали AXE20404
19 - Универсальный ведущий вал AXE44827 Примечание:RH
20 - Ведущий вал AXE44829 Примечание:LH
21 - Винт 19M7843 Количество:8 Примечание:M16 X 35
22 - Пружинный шплинт 34M7051 Количество:2 Примечание:8 X 60 mm
23 - Винт с головкой 19M7903 Количество:5 Примечание:M24 X 120
24 - Винт 19M9055 Количество:6 Примечание:M24 X 100
25 - Шайба 24M7512 Количество:4 Примечание:31 X 56 X 4 mm
26 - Распорная втулка H163561 Количество:5
27 - Втулка H87691 Количество:2
28 - Штифт HXE27634 Количество:2
29 - Втулка HXE63792 Количество:2
30 - Гайка 14M7278 2 Примечание:M24
31 - Винт с головкой 19M7889 Количество:5 Примечание:M24 X 80
32 - Шплинт 11M7038 Количество:4 Примечание:6.300 X 40 mm
33 - Пластина HXE78652 Примечание:TK = 20 mm
34 - Уплотнительное кольцо R26375 Количество:2
35 - Уплотнительное кольцо R21722
Наверх
Комплект для самостоятельной установки, гусеница лесозаготовительной машины, 26 дюймов - ST832787
![Джон Дир W650 Комплект для самостоятельной установки, гусеница лесозаготовительной машины, 26 дюймов Комплект для самостоятельной установки, гусеница лесозаготовительной машины, 26 дюймов]()
1 - Навесной трак комбайна BXE10553
Наверх
Опоры и крепления, главная рама, левая гусеница - ST832826
![Джон Дир W650 Опоры и крепления, главная рама, левая гусеница Опоры и крепления, главная рама, левая гусеница]()
1 - Гайка 14M7278 Количество:4 Примечание:M24
2 - Фланцевая гайка 14M7291 Количество:24 Примечание:M16
3 - Фланцевая гайка 14M7296 Количество:8 Примечание:M10
4 - Фланцевая гайка 14M7298 Количество:8 Примечание:M8
5 - Фланцевая гайка 14M7299 Количество:6 Примечание:M12
6 - Винт 19M7786 Количество:8 Примечание:M10 X 30
7 - Винт 19M7789 Количество:6 Примечание:M12 X 30
8 - Винт 19M7794 Количество:46 Примечание:M16 X 50
9 - Винт 19M7867 6 Примечание:M8 X 25
10 - Винт 19M8206 Количество:8 Примечание:M16 X 45
11 - Винт с головкой 19M8288 Количество:4 Примечание:M24 X 90
12 - Винт 19M8946 Количество:36 Примечание:M12 X 70
13 - Шайба 24M7097 Количество:8 Примечание:17 X 28 X 2.500 mm
14 - Стопор AXE19211 Количество:8
15 - Опора AXE41234 Примечание:LH
15 - Опора AXE42726 Примечание:RH
16 - Опора AXE41233 Примечание:LH
16 - Опора AXE42727 Примечание:RH
17 - Метка CC40740 Количество:2
18 - Пластина HXE27193 Количество:8
19 - Втулка HXE27194 Количество:8
20 - Пластина HXE27198 Количество:4
21 - Штифт HXE27641 Количество:6
22 - Штифт HXE27643 Количество:8
23 - Метка Z59873 Количество:2
Наверх
Цилиндры и шланги гусеницы, 26 дюймов - ST832796
![Джон Дир W650 Цилиндры и шланги гусеницы, 26 дюймов Цилиндры и шланги гусеницы, 26 дюймов]()
1 - Фланцевая гайка 14M7298 Количество:6 Примечание:M8
2 - Фланцевая гайка 14M7303 Количество:28 Примечание:M6
3 - Винт 19M7797 Количество:32 Примечание:M6 X 40
4 - Винт 19M7866 6 Примечание:M8 X 20
5 - Винт с головкой 19M8017 Количество:4 Примечание:M12 X 20
6 - Винт 19M8040 Количество:4 Примечание:M6 X 60
7 - Винт 19M8069 Количество:24 Примечание:M6 X 55
8 - Фитинг переходника 38H5001 Количество:4
9 - Коленчатый патрубок 38H5017 Количество:2
10 - Коленчатый патрубок 38H5026 Количество:2
11 - Тройник 38H5029 Количество:2
12 - Коленчатый патрубок 38H5071 Количество:4
13 - Фитинг переходника 38H5076 Количество:4
14 - Коленчатый патрубок 38H5146 Количество:4
15 - Уплотнительное кольцо 51M7040 Количество:4 Примечание:9.300 X 2.200 mm
16 - Уплотнительное кольцо 51M7043 Количество: 10 Примечание:15.300 X 2.200 mm
17 - Уплотнительное кольцо 51M7045 Количество:8 Примечание:19.300 X 2.200 mm
18 - Гидрошланг AXE18991 Количество:4 Примечание:LGTH = 948 mm
19 - Гидрошланг AXE19012 Количество:2 Примечание:LGTH = 1706 mm
20 - Гидрошланг AXE19013 Количество:2 Примечание:LGTH = 1956 mm
21 - Гидрошланг AXE19014 Количество:2 Примечание:LGTH = 1902 mm
22 - Гидрошланг AXE19016 Количество:2 Примечание:LGTH = 804 mm
23 - Гидравлический цилиндр AXE49639 Количество:4 Примечание:SUB FOR AXE19017 APPL
23 - Комплект уплотнений AXE55277 Количество:4
24 - Гидравлический цилиндр AXE19018 Количество:6
25 - Гидравлический цилиндр AXE19019 Количество:2
25 - Комплект уплотнений AXE58208
26 - Ручной гидравл. клапан AXE54420 Примечание:LH, INCLUDES AXE54881, AXE54882, (2) AXE54988 AND (2) AXE55328; SUB FOR AXE19020 APPL
26 - Ручной гидравл. клапан AXE54421 Примечание:RH, INCLUDES AXE54881, AXE54882, (2) AXE54988 AND (2) AXE55328; SUB FOR AXE20576 APPL
27 - Блокирующий зажим AXE20777 4
28 - Скоба AXE20778 6
29 - Шайба HXE27187 Количество:4
30 - Пластина HXE27762 Примечание:LH
30 - Пластина HXE27201 Примечание:RH
31 - Пластина HXE30913 Количество:34
32 - Кронштейн HXE33104 Примечание:LH
32 - Кронштейн HXE33105 Примечание:RH
33 - Метка HXE99796 Примечание:LH, SUB FOR HXE33568 APPL
33 - Метка HXE99797 Примечание:RH, SUB FOR HXE33568 APPL
34 - Штифт HXE34156 Количество:2
35 - Метка L113583 Количество:4
36 - Щиток от пыли L172750 Количество:2
37 - Обвязной хомут R44302 2 Посмотреть аналогичные детали
38 - Скоба R72659 Количество:4
39 - Уплотнительное кольцо T77613 Количество:2
40 - Уплотнительное кольцо T77814 Количество:4
41 - Уплотнительное кольцо T77857 4
42 - Уплотнительное кольцо T77932 Количество:4
43 - Защитный шланг Z102342 Количество:2
44 - Гидроаккумулятор AXE54881 Количество:2
45 - Гидроаккумулятор AXE54882 Количество:2
46 - Быстроразъемная муфта AXE55328 Количество:4
47 - Индикатор давления AXE54988 Количество:4
.. - Пружинное кольцо HXE103402 Примечание:USE WITH AXE19018
.. - Шарнир HXE103422 Примечание:USE WITH AXE19018
.. - Направляющая HXE103423 Примечание:USE WITH AXE19019
.. - Шарнир HXE103424 Примечание:USE WITH AXE19019
.. - Пружинное кольцо HXE103425 Примечание:USE WITH AXE19019
.. - Пружинное кольцо HXE103426 Примечание:USE WITH AXE19019
.. - Поршень HXE103427 Примечание:USE WITH AXE19019
.. - Гидравлический цилиндр AXE58209 Примечание:USE WITH AXE19019
.. - Резиновая прокладка HXE97996 Примечание:USE WITH AXE49639
.. - Сапун HXE98005 Примечание:USE WITH AXE49639
.. - Шарнир HXE98078 Примечание:USE WITH AXE49639
.. - Пружинное кольцо HXE98079 Примечание:USE WITH AXE49639
.. - Направляющая HXE98080 Примечание:USE WITH AXE49639
Наверх
Качающийся мост, гусеница, левая сторона - ST876483
![Джон Дир W650 Качающийся мост, гусеница, левая сторона Качающийся мост, гусеница, левая сторона]()
1 - Винт 19M7786 Количество:8 Примечание:M10 X 30
2 - Винт 19M7824 Количество:40 Примечание:M16 X 60
3 - Пружинное кольцо 40M7194 Количество:2
4 - Ведущая звездочка AXE19025 Количество:2
5 - Фланец AXE19026 Количество:2
6 - Ступица AXE19028 Количество:2
7 - Подшипник AXE26371 Количество:2
8 - Контровочное кольцо AXE19032 Количество:2
9 - Колпачок CE21678 Количество:2
10 - Шайба HXE27232 Количество:2
11 - Сегменты звездочки HXE27233 Количество:2
12 - Кнопка HXE27252 Количество:2
13 - Сальник HXE32536 Количество:2
14 - Винт с головкой 19M7389 Примечание:M12 X 60
15 - Винт с головкой 19M7590 Примечание:M12 X 100
16 - Винт 19M7794 Количество:2 Примечание:M16 X 50
17 - Винт 19M7844 Количество:8 Примечание:M16 X 45
18 - Винт с головкой 19M7888 Примечание:M24 X 60
19 - Винт 19M8208 Количество:2 Примечание:M16 X 50
20 - Винт 19M8440 Количество:2 Примечание:M10 X 25
21 - Винт 19M8954 Количество:2 Примечание:M10 X 60
22 - Пружинное кольцо 40M1831 Количество:4
23 - Смазочная арматура 58M5573
24 - Смазочная арматура 58M5575
25 - Смазочная арматура 58M7012
26 - Смазочная арматура 58M7014 Количество:2
27 - Коромысло AXE46938
28 - Саморазм. втулка AXE26244
29 - Саморазм. втулка AXE26248 Количество:2
30 - Коромысло AXE45784
31 - Коромысло AXE45772
32 - Болт HXE27000
33 - Пластина HXE81138 Количество:3
34 - Пластина HXE79915 Количество:2
35 - Пластина HXE79909 Количество:2
36 - Болт HXE27157
37 - Болт HXE27158
38 - Шайба HXE27159
39 - Рукоять HXE27160
40 - Кнопка HXE27185
41 - Штифт HXE40603 Количество:2
42 - Заглушка HXE85081 Количество:2
Наверх
Ремень и колесо - ST832835
![Джон Дир W650 Ремень и колесо Ремень и колесо]()
1 - КОЛЕСО AXE48233 Количество:8
2 - Резиновый ремень трака HXE96954 Количество:2
3 - Винт HXE89050 52
4 - КОЛЕСО AXE48232 2
Наверх
Мост среднего катка, гусеница - ST832840
![Джон Дир W650 Мост среднего катка, гусеница Мост среднего катка, гусеница]()
1 - Винт 19M9197 2 Примечание:M5 X 25
2 - Винт 19M8395 Количество:24 Примечание:M12 X 40
3 - Винт 19M8818 Количество:6 Примечание:M8 X 60
4 - Коллектор AXE26370 Количество:6
5 - Шайба 24M7044 Количество:24 Примечание:13 X 20 X 2 mm
6 - Пластина HXE27025 2
7 - Пластина HXE27029 2
8 - Уплотнительное кольцо HXE27037 2
9 - Шланг Z68639 8
10 - Подшипник HXE41455 2
11 - Сальник AXE18942 2
12 - Кронштейн AXE19341 Количество:6 Примечание:ORDER AXE56778
12 - Кронштейн AXE56778 Количество:6
13 - Ось AXE19687 Количество:6
14 - Рукоять AXE19690 Количество:6
15 - Подшипник AXE26209 2
16 - Подшипник AXE26210 2
17 - Шайба HXE27026 2
18 - Шайба HXE27027 Количество:6
19 - Шайба HXE27028 Количество:6
20 - Крышка HXE27032 2
21 - Уплотнительное кольцо HXE27039 2
22 - Штифт HXE27042 Количество:6
23 - Кольцо HXE28757 2
24 - Уплотнительное кольцо HXE30370 2
25 - Втулка HXE41454 2
26 - Гайка HXE50441 2
27 - Шайба HXE50442 2
28 - Ступица HXE90288 2
29 - Штуцерное соединение AZ45067 8
Наверх
Мост натяжного колеса, гусеница - ST832845
![Джон Дир W650 Мост натяжного колеса, гусеница Мост натяжного колеса, гусеница]()
1 - Гайка 14M7415 2 Примечание:M12
2 - Пробка сливного отверстия 15M7087 Количество:4
3 - Винт 19M7862 Количество:32 Примечание:M6 X 20
4 - Винт с головкой 19M8979 Количество:4 Примечание:M20 X 60
5 - Шайба 24M7598 Количество:2 Примечание:22.840 X 37 X 8 mm
6 - Кольцевой уплотнитель 51M7014 Количество:4
7 - Смазочная арматура 58M5578 Количество:2
8 - Сальник AXE18935 Количество:4
9 - Ось AXE19660 Количество:2
10 - Ось AXE19674 Количество:2
11 - Подшипник AXE26082 Количество:4
12 - Подшипник AXE26083 Количество:4
13 - Устройство HXE26982 Количество:4
14 - Крышка HXE26986 Количество:4
15 - Болт HXE27000 Количество:2
16 - Штифт HXE27002 Количество:4
17 - Кольцо HXE28756 Количество:4
18 - Уплотнительное кольцо HXE30359 Количество:4
19 - Подшипник HXE41452 Количество:4
20 - Шайба HXE50439 Количество:4
21 - Гайка HXE50440 Количество:4
22 - Ступица HXE90287 Количество:4
Наверх
Задний мост, гусеница - ST832851
![Джон Дир W650 Задний мост, гусеница Задний мост, гусеница]()
1 - Пробка сливного отверстия 15M7087 Количество:4
2 - Винт 19M7862 Количество:32 Примечание:M6 X 20
3 - Винт 19M8730 2 Примечание:M16 X 80
4 - Шайба 24M7617 2 Примечание:17 X 30 X 3 mm
5 - Кольцевой уплотнитель 51M7014 Количество:4
6 - Сальник AXE18935 Количество:4
7 - Ось AXE56648 Количество:2
8 - Подшипник AXE26082 Количество:4
9 - Подшипник AXE26083 Количество:4
10 - Крышка HXE26986 Количество:4
11 - Штифт HXE100326 Количество:4
12 - Кольцо HXE28756 Количество:4
13 - Уплотнительное кольцо HXE30359 Количество:4
14 - Шайба HXE50439 Количество:4
15 - Гайка HXE50440 Количество:4
16 - Ступица HXE90287 Количество:4
Наверх
Крышка гусеницы, левая сторона - ST832853
![Джон Дир W650 Крышка гусеницы, левая сторона Крышка гусеницы, левая сторона]()
1 - Крышка HXE33078
2 - Винт 19M7866 Количество:3 Примечание:M8 X 20
3 - Крышка HXE29858
4 - Шайба 24M7095 Количество:2 Примечание:8.400 X 15 X 1.600 mm
5 - Крышка AXE35344
6 - Болт 03M7184 Количество:4 Примечание:M8 X 20
7 - Фланцевая гайка 14M7296 Количество:3 Примечание:M10
8 - Фланцевая гайка 14M7298 Количество:4 Примечание:M8
9 - Винт 19M7785 Количество:3 Примечание:M10 X 25
10 - Крышка HXE32799
11 - Кронштейн HXE32800
12 - Кронштейн HXE32801
Наверх
Крышка гусеницы, правая сторона - ST832857
![Джон Дир W650 Крышка гусеницы, правая сторона Крышка гусеницы, правая сторона]()
Наверх
Качающийся мост, гусеница, правая сторона - ST876660
![Джон Дир W650 Качающийся мост, гусеница, правая сторона Качающийся мост, гусеница, правая сторона]()
1 - Винт с головкой 19M7389 Примечание:M12 X 60
2 - Винт с головкой 19M7590 Примечание:M12 X 100
3 - Винт 19M7794 Количество:2 Примечание:M16 X 50
4 - Винт 19M7844 Количество:8 Примечание:M16 X 45
5 - Винт с головкой 19M7888 Примечание:M24 X 60
6 - Винт 19M8208 Количество:2 Примечание:M16 X 50
7 - Винт 19M8440 Количество:2 Примечание:M10 X 25
8 - Винт 19M8954 Количество:2 Примечание:M10 X 60
9 - Пружинное кольцо 40M1831 Количество:4
10 - Смазочная арматура 58M5573
11 - Смазочная арматура 58M5575
12 - Смазочная арматура 58M7012
13 - Смазочная арматура 58M7014 Количество:2
14 - Коромысло AXE48177
15 - Саморазм. втулка AXE26244
16 - Саморазм. втулка AXE26248 Количество:2
17 - Коромысло AXE48173
18 - Коромысло AXE26275
19 - Болт HXE27000
20 - Пластина HXE81138 Количество:3
21 - Пластина HXE79915 Количество:2
22 - Пластина HXE79909 Количество:2
23 - Болт HXE27157
24 - Болт HXE27158
25 - Шайба HXE27159
26 - Кнопка HXE27185
27 - Рукоять HXE28169
28 - Штифт HXE40603 Количество:2
Наверх
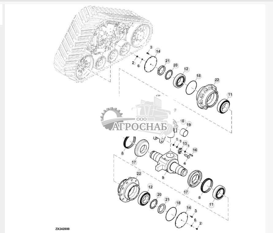
Бортовой редуктор гусеницы - ST832864
![Джон Дир W650 Бортовой редуктор гусеницы Бортовой редуктор гусеницы]()
1 - Редуктор DE30342 Количество:2 Примечание:LH and RH
2 - Заглушка фитинга RE46684 Количество:3
3 - Внутр. кольцо подшипника JD9078 Количество:2
4 - Наружн. кольцо подшипн. JD8255 Количество:2
5 - Штуцерное соединение DE20928
6 - Сальник DE20925
7 - Упорный подшипник DE20921
8 - Упорный подшипник DE20920
9 - Штифт с канавкой 25M3827 Количество:2 Примечание:3 X 8 mm
10 - Винт с гол. п/торц. кл. 19M9803 6 Примечание:M10 X 40
11 - Винт 19M7804 Количество:4 Примечание:M10 X 40
12 - Уплотнительное кольцо 51M7041 Количество:3 Примечание:11.300 X 2.200 mm
13 - Колпачок CE30643
14 - Корпус CE30642
15 - Корпус CE30641
16 - Ведущая шестерня CE30057 Примечание:Z = 15
17 - Прямозубая шестерня CE30043 Примечание:Z = 63
18 - Ось CE30041
19 - Уплотнительная шайба CE21681
20 - Стопорная гайка CE21680 Количество:2
21 - Колпачок CE21678
22 - Гильза CE21550
23 - Пружинное кольцо CE19689
24 - Пробка сливного отверстия R107768 Количество:3
25 - Сальник AZ42575
26 - Установочный штифт 44M7037 Количество:2
27 - Установочный штифт 44M7036 Количество:2
28 - Комплект прокладок DE30396
Наверх
Фланцы гусениц - ST832869
![Джон Дир W650 Фланцы гусениц Фланцы гусениц]()
1 - Установочный винт 22M7176 Количество:2 Примечание:M10 X 12
2 - Компл. деталей регулят. AXE18926 Количество:2
3 - Гайка 14M7276 Количество:2 Примечание:M16
4 - Винт с головкой 19M9336 Количество:2 Примечание:M16 X 120
5 - Фланец AXE60307 Примечание:RH, SUB FOR AXE19041
6 - Болт HXE27006 Количество:2
7 - Пластина HXE27270
8 - Саморазм. втулка AXE26046 Количество:2
9 - Болт HXE27021 Количество: 10
10 - Кольцо HXE30340 Количество:2
11 - Пружинный шплинт 34M7031 Количество:2 Примечание:5 X 24 mm
12 - Смазочная арматура 58M5575
13 - Пластина HXE58414
14 - Фланец AXE60276 Примечание:LH, SUB FOR AXE20378
15 - Пластина HXE27001
16 - Пластина HXE27003
17 - Гайка 14M7278 Количество:2 Примечание:M24
18 - Винт с головкой 19M7903 Количество:2 Примечание:M24 X 120
Наверх
Главная рама, гусеница, левая сторона - ST832871
![Джон Дир W650 Главная рама, гусеница, левая сторона Главная рама, гусеница, левая сторона]()
1 - Рама AXE35416 Количество:2 Примечание:ORDER AXE56483
1 - Рама AXE56483 Количество:2
2 - Винт 19M9055 Количество:4 Примечание:M24 X 100
3 - Шайба 24M7091 Количество:4 Примечание:26 X 44 X 4 mm
4 - Винт 19M7844 2 Примечание:M16 X 45
5 - Коромысло AXE18983 Количество:4
6 - Втулка Z101109 Количество:34
7 - Фланцевая гайка 14M7299 Количество:34 Примечание:M12
8 - Винт 19M8112 Количество:34 Примечание:M12 X 55
9 - Пружинное кольцо 40M7195 2
10 - Штифт HXE27188 Количество:6
11 - Винт с головкой 19M8017 Количество:8 Примечание:M12 X 20
12 - Шайба HXE27187 Количество:8
13 - Штифт HXE27186 Количество:2
14 - Карман HXE77157 6
15 - Винт 19M8341 Количество:48 Примечание:M12 X 45
16 - Пружинный шплинт 34M7160 Количество:6 Примечание:8 X 16 mm
17 - Ось HXE27191 Количество:2
18 - Уплотнительное кольцо HXE30769 2
19 - Ось HXE27190 Количество:6
20 - Стержень AXE39976 Количество:2
Наверх
Truss Rod, Harvester Track, Attachment - ST829710 ( Анкер, Комбайн Трека, Приложение - )
![Джон Дир W650 Truss Rod, Harvester Track, Attachment Truss Rod, Harvester Track, Attachment]()
1 - Навесной трак комбайна BXE10554
2 - Вилка AXE19480 Количество:2
3 - Стержень HXE27630
4 - Шайба HXE27631 Количество:3
5 - Гайка 14M7431 Количество:4 Примечание:M30
6 - Гайка HXE29661
7 - Пружинный шплинт 34M7042 Примечание:6 X 40 mm
Наверх