Содержимое: Каталог Запчастей John Deere :W650 Combine (PIN 1Z0W650XXXX110000-1Z0W650XXXX114999)(PIN 1JZW650XXXX110000-1JZW650XXXX114999)(Russian) - PC14155 CS Шасси и конструкция CSHY Гидравл. система
Вилка и тормозной шток главного тормозного цилиндра - ST823275
Вилка и тормозной шток главного тормозного цилиндра, ProDrive™ - ST828380
Тормозные магистрали, передний мост - ST826585
Тормозные магистрали, передний мост (для Франции) - ST826815
Клапан управления, 6 функций (1 из 2) - ST934991
Клапан управления, 6 функций (2 из 2) - ST935014
Гидравлический трубопровод клапана управления - ST832430
Клапан управления, 7 функций (1 из 2) - ST832435
Клапан управления, 7 функций (2 из 2) - ST804873
Гидравлический трубопровод клапана управления - ST832437
Клапан управления, 7 функций, HillMaster™ (1 из 2) - ST832438
Клапан управления, 7 функций, HillMaster™ (2 из 2) - ST829417
Клапан управления, 7 функций, HillMaster™ (1 из 2) - ST832446
Клапан управления, 7 функций, для тяжелых условий эксплуатации, HillMaster™ (2 из 2) - ST833711
Гидравлические возвратные трубопроводы, 2WD, без соломоразбрасывателя - ST831425
Гидравлические возвратные трубопроводы, 2WD, без соломоразбрасывателя, HillMaster™ - ST831433
Гидравлические возвратные трубопроводы, 4WD, с соломоразбрасывателем - ST831639
Гидравлические возвратные трубопроводы, 4WD, с соломоразбрасывателем, HillMaster™ - ST831438
Гидравлические возвратные трубопроводы, 4WD, без соломоразбрасывателя - ST832125
Гидравлические возвратные трубопроводы, 4WD, без соломоразбрасывателя, HillMaster™ - ST831680
Гидравлические шланги тормоза, ProDrive™ - ST832496
Шланги рулевого управления, 3-ступенчатая трансмиссия с механическим переключением передач - ST869022
Гидравлические шланги рулевого управления, правая сторона - ST831371
Гидравлические шланги рулевого управления, левая сторона, 4WD, HillMaster™ - ST831895
Гидравлические шланги рулевого управления, левая сторона, 4WD - ST831903
Гидравлические шланги рулевого управления, левая сторона, 2WD, HillMaster™ - ST831493
Гидравлические шланги рулевого управления, левая сторона, 2WD - ST831478
Гидравлический насос ProDrive™, HillMaster™ - ST912513
Главный гидравлический насос, ProDrive™, HillMaster™ - ST827936
Фитинги гидравлического насоса, ProDrive™, HillMaster™ - ST828603
Гидростатический насос ProDrive™ - ST912512
Главный гидравлический насос ProDrive™ - ST829554
Фитинги главного гидравлического насоса ProDrive™ - ST887775
Гидростатический насос, 3 скорости, трансмиссия с ручным переключением передач - ST830102
Главный гидравлический насос, трансмиссия с ручным переключением передач - ST867643
Компоненты гидравлического насоса, трансмиссия с ручным переключением передач (1 из 3) - ST867666
Компоненты гидравлического насоса, трансмиссия с ручным переключением передач (2 из 3) - ST867657
Компоненты гидравлического насоса, трансмиссия с ручным переключением передач (3 из 3) - ST867684
Питающий насос гидростатического привода, трансмиссия с ручным переключением передач - ST893405
Крышка насоса гидростатического бортового редуктора, трансмиссия с ручным переключением передач - ST867715
Клапан регулирования рабочего объема гидростатического привода, трансмиссия с ручным переключением передач - ST867721
Гидростатический насос, трансмиссия с кнопочным переключением передач, Final Tier 4 - ST833393
Главный гидростатический насос, трансмиссия с кнопочным переключением передач, Final Tier 4 - ST867652
Компоненты гидравлического насоса для трансмиссии с кнопочным переключением передач, Final Tier 4 (1 из 3) - ST867749
Компоненты гидравлического насоса для трансмиссии с кнопочным переключением передач, Final Tier 4 (2 из 3) - ST867756
Компоненты гидравлического насоса для трансмиссии с кнопочным переключением передач, Final Tier 4 (3 из 3) - ST867760
Питающий насос гидростатического привода для трансмиссии с кнопочным переключением передач, Final Tier 4 - ST867763
Крышка насоса гидростатического бортового редуктора для трансмиссии с кнопочным переключением передач, Final Tier 4 - ST867769
Клапан регулирования рабочего объема гидростатического привода для трансмиссии с кнопочным переключением передач, Final Tier 4 - ST867774
Гидростатический насос, трансмиссия с кнопочным переключением передач, Final Tier 4, HillMaster™ - ST833403
Главный гидростатический насос для трансмиссии с кнопочным переключением передач, Final Tier 4, HillMaster™ - ST867653
Компоненты гидравлического насоса для трансмиссии с кнопочным переключением передач, Final Tier 4, HillMaster™ (1 из 3) - ST867740
Компоненты гидравлического насоса для трансмиссии с кнопочным переключением передач, Final Tier 4, HillMaster™ (2 из 3) - ST867750
Компоненты гидравлического насоса для трансмиссии с кнопочным переключением передач, Final Tier 4, HillMaster™ (3 из 3) - ST867757
Питающий насос гидростатического привода для трансмиссии с кнопочным переключением передач, Final Tier 4, HillMaster™ - ST867762
Крышка насоса гидростатического бортового редуктора для трансмиссии с кнопочным переключением передач, Final Tier 4, HillMaster™ - ST867765
Клапан регулирования рабочего объема гидростатического привода для трансмиссии с кнопочным переключением передач, Final Tier 4, HillMaster™ - ST867772
Ограничитель хода, 20 кмч - ST829852
Ограничитель хода, 25 кмч - ST829844
Ограничитель хода, 30 кмч - ST830170
Гидравлический фильтр, ProDrive™ - ST830171
Гидростатический мотор, ProDrive™ с колесами - ST912491
Трансмиссия, двигатель гидростатического привода, 105 см?, 25 kmh - ST832267
Клапан гидростатического мотора - ST415557
Гидростатический мотор, ProDrive™ с гусеницами - ST912767
Hydrostatic Drive Hoses, Push Button Shift Transmission, 2WD, HillMaster™ - ST901248 ( Гидростатический Привод, Шланги, Кнопки Переключения Передач, , HillMaster? - )
Шланги заднего моста с трансмиссией с кнопочным переключением передач, 4WD, комплект для самостоятельной установки - ST933105
Шланги заднего моста с трансмиссией ProDrive™, 4WD, комплект для самостоятельной установки - ST934240
Шланги гидростатического привода, трансмиссия с кнопочным переключением передач, 4WD, HillMaster™ - ST901255
Hydrostatic Drive Hoses, ProDrive™ Transmission, 2WD, HillMaster™ - ST901292 ( Гидростатический Привод Шланги, Продвигатели? Передачи, HillMaster? - )
Шланги гидростатического привода, трансмиссия ProDrive™, 4WD, HillMaster™ - ST901295
Шланги гидростатического привода, трансмиссия с кнопочным переключением передач, 2WD - ST827783
Шланги гидростатического привода, трансмиссия с кнопочным переключением передач, 4WD - ST827707
Шланги гидростатического привода, ProDrive™, 2WD - ST830067
Шланги гидростатического привода, ProDrive™, 4WD - ST828635
Шланги гидростатического привода, 4WD - ST830733
Шланги гидростатического привода, 2WD - ST830736
Гидростатический мотор - ST919571
Гидравлические шланги, задний мост, ProDrive™ - ST828012
Гидравлические шланги, задний мост, ProDrive™ - ST828644
Гидравлические шланги заднего моста, трансмиссия с кнопочным переключением передач - ST828637
Гидравлические шланги заднего моста, трансмиссия с кнопочным переключением передач - ST830460
Клапан управления, HillMaster™ - ST828746
Приводы HillMaster™ - ST827917
Приводы HillMaster™, для тяжелых условий эксплуатации - ST832461
Гидравлические шланги, ProDrive™, HillMaster™ - ST901455
Гидравлические шланги, трансмиссия с кнопочным переключением передач, HillMaster™ - ST901514
Гидравлические шланги, передний мост, ProDrive™ - ST830271
Гидравлические шланги, передний мост, трансмиссия с кнопочным переключением передач, Tier 2 - ST847377
Гидравлические шланги, передний мост, трансмиссия с кнопочным переключением передач, Final Tier 4 - ST830313
Компоненты трубопровода, ProDrive™ - ST830347
Вилка и тормозной шток главного тормозного цилиндра - ST823275
![Джон Дир W650 Вилка и тормозной шток главного тормозного цилиндра Вилка и тормозной шток главного тормозного цилиндра]()
1 - Шплинт 11M7059 Количество:2 Примечание:3.200 X 20 mm
2 - Гайка 14M7274 Количество:2 Примечание:M10
3 - Шайба 24M7028 Количество:2 Примечание:10.500 X 20 X 2 mm
4 - Крепление со штифтом 45M7118 Количество:2 Примечание:10 X 35 mm
5 - Вилка H114330 Количество:2
6 - Шпилька H124259 Количество:2
Наверх
Вилка и тормозной шток главного тормозного цилиндра, ProDrive™ - ST828380
![Джон Дир W650 Вилка и тормозной шток главного тормозного цилиндра, ProDrive™ Вилка и тормозной шток главного тормозного цилиндра, ProDrive™]()
1 - Шплинт 11M7059 Количество:2 Примечание:3.200 X 20 mm
2 - Гайка 14M7274 Количество:2 Примечание:M10
3 - Шайба 24M7028 Количество:2 Примечание:10.500 X 20 X 2 mm
4 - Крепление со штифтом 45M7118 Количество:2 Примечание:10 X 35 mm
5 - Вилка H114330 Количество:2
Наверх
Тормозные магистрали, передний мост - ST826585
![Джон Дир W650 Тормозные магистрали, передний мост Тормозные магистрали, передний мост]()
1 - Болт 03M7290 Количество:2 Примечание:M6 X 30
2 - Фланцевая гайка 14M7303 Количество:5 Примечание:M6
3 - Скоба H112910 Количество:8
4 - Уплотнительное кольцо H127752 Количество:7
5 - Тормозная линия AXE44885
6 - Винт 19M7866 Примечание:M8 X 20
7 - Винт 19M7775 Количество:3 Примечание:M6 X 16
8 - Тормозная линия AXE44886
9 - Винт 37M7131 Количество:5 Примечание:M6 X 20
10 - Винт 37M7104 Количество:3 Примечание:M6 X 30
11 - Тормозная линия AXE17496
12 - Маслопровод AXE49000
13 - Маслопровод AXE48998
14 - Скоба H112911 Количество:3
15 - Опора AXE49952
16 - Маслопровод AXE49001
17 - Маслопровод AXE48999
18 - Гайка 14H832 Примечание:9/16"
19 - Бак AH215111
20 - Мембрана H109254
21 - Фланцевая гайка 14M7298 Примечание:M8
22 - Кронштейн HXE98685
23 - Зажимная скоба HXE123068 Количество:2
Наверх
Тормозные магистрали, передний мост (для Франции) - ST826815
![Джон Дир W650 Тормозные магистрали, передний мост (для Франции) Тормозные магистрали, передний мост (для Франции)]()
1 - Болт 03M7290 Количество:2 Примечание:M6 X 30
2 - Фланцевая гайка 14M7303 Количество:5 Примечание:M6
3 - Скоба H112910 Количество:8
4 - Уплотнительное кольцо H127752 Количество:7
5 - Тормозная линия AXE62246 Примечание:SUB FOR AXE44885 APPL
6 - Тройник AXE39394 Количество:2
7 - Винт 19M7775 Количество:3 Примечание:M6 X 16
8 - Тормозная линия AXE62247 Примечание:SUB FOR AXE44886 APPL
9 - Винт 37M7131 Количество:5 Примечание:M6 X 20
10 - Винт 37M7104 Количество:3 Примечание:M6 X 30
11 - Тормозная линия AXE17496
12 - Маслопровод AXE49000
13 - Маслопровод AXE48998
14 - Скоба H112911 Количество:3
15 - Уплотнительное кольцо T77814 Количество:2
16 - Маслопровод AXE49001
17 - Маслопровод AXE48999
18 - Гайка 14H832 Примечание:9/16"
19 - Бак AH215111
20 - Мембрана H109254
21 - Фланцевая гайка 14M7298 Примечание:M8
22 - Винт 19M7866 Примечание:M8 X 20
23 - Опора AXE49952
24 - Кронштейн HXE98685
25 - Зажимная скоба HXE123068 Количество:2
Наверх
Клапан управления, 6 функций (1 из 2) - ST934991
![Джон Дир W650 Клапан управления, 6 функций (1 из 2) Клапан управления, 6 функций (1 из 2)]()
1 - Винт с головкой 19M8166 Количество:2 Примечание:M10 X 110
2 - Расходный гидр. клапан AXE62077 Примечание:INCLUDES (2) AXE27413, HXE42668, HXE42663, HXE42681, HXE42664 AND HXE42682
3 - Стопорная шайба 12H302 Количество:2 Примечание:1/4"
4 - Винт с головкой 19M8453 Количество:2 Примечание:M5 X 8
5 - Фитинг переходника 38H5004
6 - Уплотнительное кольцо T77932
7 - Уплотнительное кольцо 51M7045 Примечание:19.300 X 2.200 mm
8 - Пробка сливного отверстия R107768
9 - Электромагн. гидр. клапан AXE27411
9 - Комплект уплотнений AXE27424
10 - Электромагн. гидр. клапан AXE27339
10 - Комплект уплотнений AXE27414
11 - Электромагн. гидр. клапан AXE27338
11 - Комплект уплотнений AXE25429
12 - Контрольный клапан AXE49309
12 - Комплект уплотнений AXE27424
13 - Электромагн. гидр. клапан AXE27415 Количество:3
13 - Комплект уплотнений AXE27425 Количество:3
14 - Обратный клапан AXE27416 Количество:4
14 - Комплект уплотнений AXE27424 Количество:4
15 - Редукционный клапан AXE70320
15 - Комплект уплотнений AXE27424
16 - Поршень AXE27421 Количество:2
17 - Электромагн. гидр. клапан AXE27420
17 - Комплект уплотнений AXE25429
18 - Жгут проводов AXE27422 Примечание:ORDER W/ 57M7534, 57M7620, 57M7666 AND 57M8165
19 - Гайка 57M8035
20 - Блок. устр. эл. разъема 57M9061
21 - Клемма электр. разъема N282069
22 - Катушка эл/магн. клапана AXE27423 Количество:8
23 - Жиклер HXE42668
24 - Жиклер HXE42664
25 - Крышка R77175
26 - Диагностическая муфта RE190805
27 - Катушка эл/магн. клапана AXE27435 Количество:2
28 - Заглушка фитинга RE46684
29 - Кронштейн HXE42669
30 - Редукционный клапан AXE56382
30 - Комплект уплотнений AXE27426
31 - Щиток HXE99525
32 - Уплотнительное кольцо 51M7041 Примечание:11.300 X 2.200 mm
33 - Фланцевая гайка 14M7296 Количество:2 Примечание:M10
Наверх
Клапан управления, 6 функций (2 из 2) - ST935014
![Джон Дир W650 Клапан управления, 6 функций (2 из 2) Клапан управления, 6 функций (2 из 2)]()
1 - Фитинг переходника 38H5011
2 - Уплотнительное кольцо 51M7041 Примечание:11.300 X 2.200 mm
3 - Уплотнительное кольцо T77814 Количество:2
4 - Фитинг переходника 38H5037 Количество:7
5 - Уплотнительное кольцо T77613 Количество:7
6 - Уплотнительное кольцо 51M7042 Количество:7 Примечание:13.300 X 2.200 mm
7 - Жиклер AXE27413 Количество:2
8 - Жиклер HXE42663
9 - Жиклер HXE42681
10 - Жиклер HXE42682
11 - Шайба ....... Примечание:Yellow
12 - Шайба H170523 Примечание:Green
13 - Шайба ....... Примечание:Red
14 - Шайба ....... Примечание:Orange
15 - Шайба H170526 Примечание:Light Blue
16 - Шайба H170527 Примечание:Blue
17 - Шайба ....... Примечание:White
18 - Коленчатый патрубок 38H5027
19 - Уплотнительное кольцо 51M7045 Количество:2 Примечание:19.300 X 2.200 mm
20 - Уплотнительное кольцо T77857
21 - Коленчатый патрубок 38H5018
22 - Уплотнительное кольцо T77932
Наверх
Гидравлический трубопровод клапана управления - ST832430
![Джон Дир W650 Гидравлический трубопровод клапана управления Гидравлический трубопровод клапана управления]()
1 - Гидрошланг AXE45225 Примечание:LGTH = 4780 mm
Наверх
Клапан управления, 7 функций (1 из 2) - ST832435
![Джон Дир W650 Клапан управления, 7 функций (1 из 2) Клапан управления, 7 функций (1 из 2)]()
1 - Винт с головкой 19M8166 Количество:2 Примечание:M10 X 110
2 - Расходный гидр. клапан AXE53340
3 - Стопорная шайба 12H302 Количество:2 Примечание:1/4"
4 - Винт 19M7887 Количество:2 Примечание:M5 X 10
5 - Коленчатый патрубок 38H5018
6 - Уплотнительное кольцо T77932
7 - Уплотнительное кольцо 51M7045 Количество:2 Примечание:19.300 X 2.200 mm
8 - Уплотнительное кольцо 51M7041 Примечание:11.300 X 2.200 mm
9 - Редукционный клапан AXE56382
9 - Комплект уплотнений AXE27426
10 - Электромагн. гидр. клапан AXE27411
10 - Комплект уплотнений AXE27424
11 - Электромагн. гидр. клапан AXE27339 Количество:2
11 - Комплект уплотнений AXE27414
12 - Электромагн. гидр. клапан AXE27338
12 - Комплект уплотнений AXE25429
13 - Контрольный клапан AXE49309
13 - Комплект уплотнений AXE27424
14 - Электромагн. гидр. клапан AXE27415 Количество:3
14 - Комплект уплотнений AXE27425
15 - Редукционный клапан AXE27417
15 - Комплект уплотнений AXE27424
16 - Электромагн. гидр. клапан AXE27420
16 - Комплект уплотнений AXE25429
17 - Поршень AXE27421 Количество:4
18 - Жгут проводов AXE27422
18 - Корпус электр. разъема 57M7534
18 - Узел электрич. разъема 57M7620
18 - Корпус электр. разъема 57M7666
18 - Клемма электр. разъема 57M8165
19 - Гайка 57M8035
20 - Блок. устр. эл. разъема 57M9061
21 - Клемма электр. разъема N282069
22 - Катушка эл/магн. клапана AXE27423 Количество:8
23 - Уплотнительное кольцо T77857
24 - Жиклер AXE27413 Количество:2
25 - Жиклер HXE42664
26 - Жиклер HXE42668
27 - Катушка эл/магн. клапана AXE27435 Количество:2
28 - Кронштейн HXE42669
29 - Крышка R77175
30 - Диагностическая муфта RE190805
31 - Заглушка фитинга RE46684
32 - Пробка сливного отверстия R107768
33 - Коленчатый патрубок 38H5027
34 - Редукционный клапан AXE50876
34 - Комплект уплотнений AXE27424
35 - Щиток HXE99525
36 - Фланцевая гайка 14M7296 Количество:2 Примечание:M10
37 - Фитинг переходника 38H5004
Наверх
Клапан управления, 7 функций (2 из 2) - ST804873
![Джон Дир W650 Клапан управления, 7 функций (2 из 2) Клапан управления, 7 функций (2 из 2)]()
1 - Фитинг переходника 38H5011
2 - Уплотнительное кольцо 51M7041 Примечание:11.300 X 2.200 mm
3 - Уплотнительное кольцо T77814
4 - Фитинг переходника 38H5037 Количество:7
5 - Уплотнительное кольцо T77613 Количество:7
6 - Уплотнительное кольцо 51M7042 Количество:7 Примечание:13.300 X 2.200 mm
7 - Обратный клапан AXE27416 Количество:6
8 - Обратный клапан AXE27418
9 - Жиклер HXE42663
10 - Жиклер HXE42666
11 - Жиклер HXE42667
12 - Шайба H170527 Примечание:(Синий)
13 - Шайба H170523 Примечание:(Зеленый)
14 - Шайба H170526 Примечание:(Красный Красный)
Наверх
Гидравлический трубопровод клапана управления - ST832437
![Джон Дир W650 Гидравлический трубопровод клапана управления Гидравлический трубопровод клапана управления]()
Наверх
Клапан управления, 7 функций, HillMaster™ (1 из 2) - ST832438
![Джон Дир W650 Клапан управления, 7 функций, HillMaster™ (1 из 2) Клапан управления, 7 функций, HillMaster™ (1 из 2)]()
1 - Винт с головкой 19M8166 Количество:2 Примечание:M10 X 110
2 - Расходный гидр. клапан AXE53341 Примечание:SUB FOR APPL AXE27429
3 - Стопорная шайба 12H302 Количество:2 Примечание:1/4"
4 - Винт 19M7887 Количество:2 Примечание:M5 X 10
5 - Коленчатый патрубок 38H5018
6 - Уплотнительное кольцо T77932
7 - Уплотнительное кольцо 51M7045 Количество:2 Примечание:19.300 X 2.200 mm
8 - Уплотнительное кольцо 51M7041 Примечание:11.300 X 2.200 mm
9 - Редукционный клапан AXE56382
9 - Комплект уплотнений AXE27426
10 - Электромагн. гидр. клапан AXE27411
10 - Комплект уплотнений AXE27424
11 - Электромагн. гидр. клапан AXE27339 Количество:2
11 - Комплект уплотнений AXE27414
12 - Электромагн. гидр. клапан AXE27338
12 - Комплект уплотнений AXE25429
13 - Контрольный клапан AXE49309
13 - Комплект уплотнений AXE27424
14 - Электромагн. гидр. клапан AXE27415 Количество:2
14 - Комплект уплотнений AXE27425
15 - Редукционный клапан AXE27417
15 - Комплект уплотнений AXE27424
16 - Электромагн. гидр. клапан AXE27420
16 - Комплект уплотнений AXE25429
17 - Поршень AXE27421 Количество:4
18 - Жгут проводов AXE27422
18 - Корпус электр. разъема 57M7534
18 - Узел электрич. разъема 57M7620
18 - Корпус электр. разъема 57M7666
18 - Клемма электр. разъема 57M8165
19 - Гайка 57M8035
20 - Блок. устр. эл. разъема 57M9061
21 - Клемма электр. разъема N282069
22 - Катушка эл/магн. клапана AXE27423 Количество:8
23 - Уплотнительное кольцо T77857
24 - Жиклер AXE27413 Количество:2
25 - Жиклер HXE42664
26 - Жиклер HXE42668
27 - Катушка эл/магн. клапана AXE27435 Количество:2
28 - Кронштейн HXE42669
29 - Крышка R77175
30 - Диагностическая муфта RE190805
31 - Заглушка фитинга RE46684
32 - Пробка сливного отверстия R107768
33 - Коленчатый патрубок 38H5027
34 - Редукционный клапан AXE50876
34 - Комплект уплотнений AXE27424
35 - Щиток HXE99525
36 - Фланцевая гайка 14M7296 Количество:2 Примечание:M10
Наверх
Клапан управления, 7 функций, HillMaster™ (2 из 2) - ST829417
![Джон Дир W650 Клапан управления, 7 функций, HillMaster™ (2 из 2) Клапан управления, 7 функций, HillMaster™ (2 из 2)]()
1 - Фитинг переходника 38H5011
2 - Уплотнительное кольцо 51M7041 Примечание:11.300 X 2.200 mm
3 - Уплотнительное кольцо T77814
4 - Фитинг переходника 38H5037 Количество:7
5 - Уплотнительное кольцо T77613 Количество:7
6 - Уплотнительное кольцо 51M7042 Количество:7 Примечание:13.300 X 2.200 mm
7 - Обратный клапан AXE27416 Количество:6
8 - Обратный клапан AXE27418
9 - Жиклер HXE42663
10 - Жиклер HXE42682 Примечание:SUB FOR HXE42681
11 - Жиклер HXE42680
12 - Шайба ....... Примечание:(Желтый)
13 - Шайба H170523 Примечание:(Зеленый)
14 - Шайба ....... Примечание:(Красный Красный)
15 - Шайба ....... Примечание:(Оранжевый)
16 - Шайба H170526 Примечание:(Голубой)
17 - Шайба H170527 Примечание:(Синий)
18 - Шайба ....... Примечание:(Белый)
Наверх
Клапан управления, 7 функций, HillMaster™ (1 из 2) - ST832446
![Джон Дир W650 Клапан управления, 7 функций, HillMaster™ (1 из 2) Клапан управления, 7 функций, HillMaster™ (1 из 2)]()
1 - Винт с головкой 19M8166 Количество:2 Примечание:M10 X 110
2 - Расходный гидр. клапан AXE53341 Примечание:SUB FOR APPL AXE27429
3 - Стопорная шайба 12H302 Количество:2 Примечание:1/4"
4 - Винт 19M7887 Количество:2 Примечание:M5 X 10
5 - Коленчатый патрубок 38H5018
6 - Уплотнительное кольцо T77932
7 - Уплотнительное кольцо 51M7045 Количество:2 Примечание:19.300 X 2.200 mm
8 - Уплотнительное кольцо 51M7041 Примечание:11.300 X 2.200 mm
9 - Редукционный клапан AXE27417 Количество:3
9 - Комплект уплотнений AXE27424 Количество:3
10 - Электромагн. гидр. клапан AXE27411
10 - Комплект уплотнений AXE27424
11 - Электромагн. гидр. клапан AXE27339
11 - Комплект уплотнений AXE27414
12 - Электромагн. гидр. клапан AXE27338
12 - Комплект уплотнений AXE25429
13 - Редукционный клапан AXE56382
13 - Комплект уплотнений AXE27426
14 - Электромагн. гидр. клапан AXE27415 Количество:3
14 - Комплект уплотнений AXE27425
15 - Щиток HXE99525
16 - Электромагн. гидр. клапан AXE27420
16 - Комплект уплотнений AXE25429
17 - Фланцевая гайка 14M7296 Количество:2 Примечание:M10
18 - Жгут проводов AXE27422
18 - Корпус электр. разъема 57M7534
18 - Узел электрич. разъема 57M7620
18 - Корпус электр. разъема 57M7666
18 - Клемма электр. разъема 57M8165
19 - Гайка 57M8035
20 - Блок. устр. эл. разъема 57M9061
21 - Клемма электр. разъема N282069
22 - Катушка эл/магн. клапана AXE27423 Количество:8
23 - Уплотнительное кольцо T77857
24 - Жиклер AXE27413 Количество:2
25 - Жиклер HXE42664
26 - Жиклер HXE42668
27 - Катушка эл/магн. клапана AXE27435
28 - Кронштейн HXE42669
29 - Крышка R77175
30 - Диагностическая муфта RE190805
31 - Заглушка фитинга RE46684
32 - Пробка сливного отверстия R107768
33 - Коленчатый патрубок 38H5027
34 - Контрольный клапан AXE49309
34 - Комплект уплотнений AXE27424
35 - Обратный клапан AXE27418 Количество:2
35 - Комплект уплотнений AXE27424 Количество:2
36 - Поршень AXE27421 Количество:3
37 - Редукционный клапан AXE50877
Наверх
Клапан управления, 7 функций, для тяжелых условий эксплуатации, HillMaster™ (2 из 2) - ST833711
![Джон Дир W650 Клапан управления, 7 функций, для тяжелых условий эксплуатации, HillMaster™ (2 из 2) Клапан управления, 7 функций, для тяжелых условий эксплуатации, HillMaster™ (2 из 2)]()
1 - Фитинг переходника 38H5011
2 - Уплотнительное кольцо 51M7041 Примечание:11.300 X 2.200 mm
3 - Уплотнительное кольцо T77814
4 - Фитинг переходника 38H5037 Количество:7
5 - Уплотнительное кольцо T77613 Количество:7
6 - Уплотнительное кольцо 51M7042 Количество:7 Примечание:13.300 X 2.200 mm
7 - Обратный клапан AXE27416 Количество:6
8 - Обратный клапан AXE27418
9 - Жиклер HXE42663
10 - Жиклер HXE42682
11 - Жиклер HXE42680
12 - Шайба ....... Примечание:(Желтый)
13 - Шайба H170523 Примечание:(Зеленый)
14 - Шайба ....... Примечание:(Красный Красный)
15 - Шайба ....... Примечание:(Оранжевый)
16 - Шайба H170526 Примечание:(Голубой)
17 - Шайба H170527 Примечание:(Синий)
18 - Шайба ....... Примечание:(Белый)
Наверх
Гидравлические возвратные трубопроводы, 2WD, без соломоразбрасывателя - ST831425
![Джон Дир W650 Гидравлические возвратные трубопроводы, 2WD, без соломоразбрасывателя Гидравлические возвратные трубопроводы, 2WD, без соломоразбрасывателя]()
1 - Кронштейн HXE100736 Количество:2
2 - Уплотнительное кольцо T77858 Количество:2
3 - Фитинг переходника 38H5270
4 - Уплотнительное кольцо T78612
5 - Уплотнительное кольцо T76938 Количество:3
6 - Масляная трубка AXE36851
7 - Скоба AN404683 Количество:2
8 - Скоба HXE38482 Количество:6
9 - Тройник 38H1002
10 - Кронштейн HXE100734
11 - Гидрошланг HXE102043 Примечание:LGTH = 448 mm
12 - Гидрошланг AXE42843 Примечание:LGTH = 780 mm
13 - Фитинг 38H1418 Количество:2
14 - Винт 19M8145 Количество:6 Примечание:M6 X 80
Наверх
Гидравлические возвратные трубопроводы, 2WD, без соломоразбрасывателя, HillMaster™ - ST831433
![Джон Дир W650 Гидравлические возвратные трубопроводы, 2WD, без соломоразбрасывателя, HillMaster™ Гидравлические возвратные трубопроводы, 2WD, без соломоразбрасывателя, HillMaster™]()
1 - Фитинг 38H1418
2 - Уплотнительное кольцо T77858 Количество:2
3 - Фитинг переходника 38H5270
4 - Уплотнительное кольцо T78612
5 - Уплотнительное кольцо T76938 Количество:3
6 - Масляная трубка AXE36851
7 - Кронштейн HXE100736 Количество:2
8 - Скоба HXE38482 Количество:6
9 - Тройник 38H1002
10 - Кронштейн HXE100734
11 - Гидрошланг HXE102043 Примечание:LGTH = 448 mm
12 - Гидрошланг AXE42843 Примечание:LGTH = 780 mm
13 - Маслопровод AXE49936
14 - Винт 19M8145 Количество:6 Примечание:M6 X 80
15 - Скоба AN404683 Количество:2
Наверх
Гидравлические возвратные трубопроводы, 4WD, с соломоразбрасывателем - ST831639
![Джон Дир W650 Гидравлические возвратные трубопроводы, 4WD, с соломоразбрасывателем Гидравлические возвратные трубопроводы, 4WD, с соломоразбрасывателем]()
1 - Тройник 38H1033
2 - Уплотнительное кольцо T77858 Количество:4
3 - Фитинг переходника 38H5270
4 - Уплотнительное кольцо T78612
5 - Уплотнительное кольцо T76938 Количество:3
6 - Масляная трубка AXE36851
7 - Кронштейн HXE100734
8 - Скоба HXE38482 Количество:6
9 - Тройник 38H1002
10 - Кронштейн HXE100736 Количество:2
11 - Гидрошланг HXE102043 Примечание:LGTH = 448 mm
12 - Гидрошланг AXE42843 Примечание:LGTH = 780 mm
13 - Фитинг 38H1418
14 - Винт 19M8145 Количество:6 Примечание:M6 X 80
15 - Скоба AN404683 Количество:2
Наверх
Гидравлические возвратные трубопроводы, 4WD, с соломоразбрасывателем, HillMaster™ - ST831438
![Джон Дир W650 Гидравлические возвратные трубопроводы, 4WD, с соломоразбрасывателем, HillMaster™ Гидравлические возвратные трубопроводы, 4WD, с соломоразбрасывателем, HillMaster™]()
1 - Тройник 38H1033
2 - Уплотнительное кольцо T77858 Количество:4
3 - Фитинг переходника 38H5270
4 - Уплотнительное кольцо T78612
5 - Уплотнительное кольцо T76938 Количество:3
6 - Масляная трубка AXE36851
7 - Кронштейн HXE100734
8 - Скоба HXE38482 Количество:6
9 - Тройник 38H1002
10 - Кронштейн HXE100736 Количество:2
11 - Гидрошланг HXE102043 Примечание:LGTH = 448 mm
12 - Гидрошланг AXE42843 Примечание:LGTH = 780 mm
13 - Маслопровод AXE49936
14 - Винт 19M8145 Количество:6 Примечание:M6 X 80
15 - Скоба AN404683 Количество:2
Наверх
Гидравлические возвратные трубопроводы, 4WD, без соломоразбрасывателя - ST832125
![Джон Дир W650 Гидравлические возвратные трубопроводы, 4WD, без соломоразбрасывателя Гидравлические возвратные трубопроводы, 4WD, без соломоразбрасывателя]()
1 - Скоба AN404683 Количество:2
2 - Уплотнительное кольцо T77858 Количество:2
3 - Фитинг переходника 38H5270
4 - Уплотнительное кольцо T78612
5 - Уплотнительное кольцо T76938 Количество:3
6 - Масляная трубка AXE36851
7 - Кронштейн HXE100736 Количество:2
8 - Скоба HXE38482 Количество:6
9 - Тройник 38H1002
10 - Кронштейн HXE100734 Количество:2
11 - Гидрошланг HXE102043 Примечание:LGTH = 448 mm
12 - Гидрошланг AXE42843 Примечание:LGTH = 780 mm
13 - Фитинг 38H1418
14 - Винт 19M8145 Количество:6 Примечание:M6 X 80
Наверх
Гидравлические возвратные трубопроводы, 4WD, без соломоразбрасывателя, HillMaster™ - ST831680
![Джон Дир W650 Гидравлические возвратные трубопроводы, 4WD, без соломоразбрасывателя, HillMaster™ Гидравлические возвратные трубопроводы, 4WD, без соломоразбрасывателя, HillMaster™]()
1 - Скоба AN404683 Количество:2
2 - Уплотнительное кольцо T77858 Количество:2
3 - Фитинг переходника 38H5270
4 - Уплотнительное кольцо T78612
5 - Уплотнительное кольцо T76938 Количество:3
6 - Масляная трубка AXE36851
7 - Кронштейн HXE100734
8 - Скоба HXE38482 Количество:6
9 - Тройник 38H1002
10 - Кронштейн HXE100736 Количество:2
11 - Гидрошланг HXE102043 Примечание:LGTH = 448 mm
12 - Гидрошланг AXE42843 Примечание:LGTH = 780 mm
13 - Маслопровод AXE49936
14 - Винт 19M8145 Количество:6 Примечание:M6 X 80
Наверх
Гидравлические шланги тормоза, ProDrive™ - ST832496
![Джон Дир W650 Гидравлические шланги тормоза, ProDrive™ Гидравлические шланги тормоза, ProDrive™]()
1 - Болт 03M7290 Количество:3 Примечание:M6 X 30
2 - Фланцевая гайка 14M7303 Количество:4 Примечание:M6
3 - Винт 37M7104 Количество:3 Примечание:M6 X 30
4 - Обратный клапан AXE38190
5 - Тройник 38H5123
6 - Уплотнительное кольцо 51M7041 Примечание:11.300 X 2.200 mm
7 - Уплотнительное кольцо T77613 Количество:9
8 - Гидроаккумулятор AH233055
9 - Фитинг переходника 38H1171
10 - Уплотнительное кольцо R26375
11 - Тройник 38H1031
12 - Уплотнительное кольцо T77857 Количество:3
13 - Гидрошланг AXE52391 Примечание:LGTH = 6165 mm, Return Valve to Reservoir
14 - Фитинг переходника 38H1067
15 - Уплотнительное кольцо R26448 Количество:2
16 - Фитинг переходника 38H1160
17 - Гайка CC19416
18 - Разъемный хомут R201229 Количество:7
19 - Маслопровод AXE48385 Примечание:Power Brake Body
20 - Маслопровод AXE78503 Примечание:Power Brake Axle; SUB FOR AXE48383
21 - Маслопровод AXE48431 Примечание:Power Brake Cab
22 - Маслопровод AXE48432 Примечание:Power Brake Cab
23 - Маслопровод AXE48384 Примечание:Power Brake Body
24 - Маслопровод AXE78502 Примечание:Power Brake Axle; SUB FOR AXE48382
25 - Гидрошланг AXE39563 Примечание:LGTH = 420 mm
26 - Гидрошланг AXE54012 Примечание:LGTH = 2460 mm, HIC to Valve
27 - Переходная втулка 38H1481
28 - Коленчатый патрубок 38H1095
29 - Скоба T72393
30 - Уплотнение Z105554
31 - Зажимная скоба AH77924
32 - Болт 03M7091 Примечание:M6 X 40
Наверх
Шланги рулевого управления, 3-ступенчатая трансмиссия с механическим переключением передач - ST869022
![Джон Дир W650 Шланги рулевого управления, 3-ступенчатая трансмиссия с механическим переключением передач Шланги рулевого управления, 3-ступенчатая трансмиссия с механическим переключением передач]()
1 - Коленчатый патрубок 38H1095
2 - Уплотнительное кольцо T77857
3 - Коленчатый патрубок 38H1096
4 - Уплотнительное кольцо T77932
5 - Зажимная скоба AH77884
6 - Гидрошланг AXE52292 Примечание:LGTH = 5800 mm
7 - Обвязной хомут H224073
8 - Винт 19M7866 Примечание:M8 X 20
9 - Фланцевая гайка 14M7298 Примечание:M8
10 - Гидрошланг AXE52293 Примечание:LGTH = 6060 mm
Наверх
Гидравлические шланги рулевого управления, правая сторона - ST831371
![Джон Дир W650 Гидравлические шланги рулевого управления, правая сторона Гидравлические шланги рулевого управления, правая сторона]()
1 - Зажимная скоба AH77884
2 - Гидрошланг AXE52293 Примечание:LGTH = 6060 mm
3 - Гидрошланг AXE52292 Примечание:LGTH = 5800 mm
4 - Фланцевая гайка 14M7298 Примечание:M8
5 - Винт 19M7866 Примечание:M8 X 20
6 - Обвязной хомут H224073 Количество:3
7 - Вертлюг AN209168
Наверх
Гидравлические шланги рулевого управления, левая сторона, 4WD, HillMaster™ - ST831895
![Джон Дир W650 Гидравлические шланги рулевого управления, левая сторона, 4WD, HillMaster™ Гидравлические шланги рулевого управления, левая сторона, 4WD, HillMaster™]()
1 - Фланцевая гайка 14M7298 Количество:3 Примечание:M8
2 - Винт 19M7799 Примечание:M8 X 45
3 - Винт 19M7801 Количество:2 Примечание:M8 X 60
4 - Винт 19M7866 Количество: 10 Примечание:M8 X 20
5 - Уплотнительное кольцо T77857 Количество:4
6 - Штуцерное соединение 38H1279
7 - Фитинг переходника 38H5003 Количество:2
8 - Уплотнительное кольцо 51M7043 Количество:2 Примечание:15.300 X 2.200 mm
9 - Штуцерное соединение 38H5236
10 - Уплотнительное кольцо T77613
11 - Скоба AH226096
12 - Зажимная скоба AH97280 Количество: 10
13 - Гидрошланг AXE49911 Примечание:LGTH = 7100 mm
14 - Гидрошланг AXE49912 Примечание:LGTH = 7145 mm
15 - Маслопровод AXE49913
16 - Маслопровод AXE49914
17 - Кронштейн H204362
18 - Скоба HXE57275 Количество:4
19 - Скоба HXE57312 Количество:2
20 - Крышка HXE57315 Количество:3
21 - Защитный шланг H234058
Наверх
Гидравлические шланги рулевого управления, левая сторона, 4WD - ST831903
![Джон Дир W650 Гидравлические шланги рулевого управления, левая сторона, 4WD Гидравлические шланги рулевого управления, левая сторона, 4WD]()
1 - Фланцевая гайка 14M7298 Количество:4 Примечание:M8
2 - Винт 19M7799 Примечание:M8 X 45
3 - Винт 19M7801 Количество:2 Примечание:M8 X 60
4 - Винт 19M7866 3 Примечание:M8 X 20
5 - Уплотнительное кольцо T77857 Количество:4
6 - Штуцерное соединение 38H1279
7 - Фитинг переходника 38H5003 Количество:2
8 - Уплотнительное кольцо 51M7043 Количество:2 Примечание:15.300 X 2.200 mm
9 - Штуцерное соединение 38H5236
10 - Уплотнительное кольцо T77613
11 - Винт 19M7865 Примечание:M8 X 16
12 - Зажимная скоба AH97280 5
13 - Гидрошланг AXE49911 Примечание:LGTH = 7100 mm
14 - Гидрошланг AXE49912 Примечание:LGTH = 7145 mm
15 - Маслопровод AXE49913
16 - Маслопровод AXE49914
17 - Кронштейн H204362
18 - Скоба HXE57275 Количество:4
19 - Скоба HXE57312 Количество:2
20 - Крышка HXE57315 Количество:3
21 - Винт 37M7092 Примечание:M8 X 16
22 - Защитный шланг H234058
Наверх
Гидравлические шланги рулевого управления, левая сторона, 2WD, HillMaster™ - ST831493
![Джон Дир W650 Гидравлические шланги рулевого управления, левая сторона, 2WD, HillMaster™ Гидравлические шланги рулевого управления, левая сторона, 2WD, HillMaster™]()
1 - Фланцевая гайка 14M7298 Количество:2 Примечание:M8
2 - Винт 19M7799 Количество:2 Примечание:M8 X 45
3 - Винт 19M7801 Примечание:M8 X 60
4 - Винт 19M7866 Количество: 10 Примечание:M8 X 20
5 - Уплотнительное кольцо T77857
6 - Фитинг переходника 38H5003
7 - Уплотнительное кольцо 51M7043 Количество:2 Примечание:15.300 X 2.200 mm
8 - Фитинг переходника 38H5012
9 - Уплотнительное кольцо T77613
10 - Скоба HXE57275 Количество:6
11 - Крышка HXE57315 Количество:3
12 - Кронштейн H204362
13 - Гидрошланг AXE38784 Примечание:LGTH = 7950 mm
14 - Зажимная скоба AH97280 Количество: 10
15 - Гидрошланг AXE38785 Примечание:LGTH = 7900 mm
16 - Скоба AH226096
17 - Защитный шланг H234058
Наверх
Гидравлические шланги рулевого управления, левая сторона, 2WD - ST831478
![Джон Дир W650 Гидравлические шланги рулевого управления, левая сторона, 2WD Гидравлические шланги рулевого управления, левая сторона, 2WD]()
1 - Фланцевая гайка 14M7298 Количество:3 Примечание:M8
2 - Винт 19M7799 Количество:2 Примечание:M8 X 45
3 - Винт 19M7801 Примечание:M8 X 60
4 - Винт 19M7866 3 Примечание:M8 X 20
5 - Уплотнительное кольцо T77857
6 - Фитинг переходника 38H5003
7 - Уплотнительное кольцо 51M7043 Количество:2 Примечание:15.300 X 2.200 mm
8 - Фитинг переходника 38H5012
9 - Уплотнительное кольцо T77613
10 - Скоба HXE57275 Количество:6
11 - Крышка HXE57315 Количество:3
12 - Кронштейн H204362
13 - Винт 37M7092 Примечание:M8 X 16
14 - Зажимная скоба AH97280 5
15 - Гидрошланг AXE38785 Примечание:LGTH = 7900 mm
16 - Винт 19M7865 Примечание:M8 X 16
17 - Гидрошланг AXE38784 Примечание:LGTH = 7950 mm
18 - Защитный шланг H234058
Наверх
Гидравлический насос ProDrive™, HillMaster™ - ST912513
![Джон Дир W650 Гидравлический насос ProDrive™, HillMaster™ Гидравлический насос ProDrive™, HillMaster™]()
1 - Контрольный клапан AXE56726
2 - Катушка эл/магн. клапана AXE13473 Количество:2
3 - Редукционный клапан AXE47892
3 - Комплект уплотнений AZ101132
4 - Редукционный клапан AXE47891
5 - Винт ....... Количество:4
6 - Кольцо T20779
7 - Фитинг переходника H235001
8 - Пружинное кольцо F39000393
9 - Уплотнительное кольцо R121424
10 - Защитное кольцо .......
11 - Винт с головкой и гайка Z103085 Количество:2
12 - Модуль .......
13 - Прокладка .......
14 - Прокладка .......
15 - Штифт .......
16 - Крышка .......
17 - Винт .......
18 - Сальник AXE49636
19 - Винт 19M7844 Количество:4 Примечание:M16 X 45
20 - Уплотнительное кольцо 51M7047 Количество:2 Примечание:23.600 X 2.900 mm
21 - Гидравлический насос AXE52145
22 - Сальник AXE41955
23 - Уплотнительное кольцо F37020162
24 - Винт 19M8328 Количество:4 Примечание:M10 X 25
25 - Комплект гаек AXE13484 Количество:2
26 - Уплотнительное кольцо Z103090 Количество:2
27 - Уплотнительное кольцо H35238 Примечание:29.820 X 2.616 mm (1.174" X 0.103")
28 - Уплотнительное кольцо H232373
29 - Гидравлический насос AXE58028
29 - Уплотнительное кольцо T12282
29 - Кольцевой уплотнитель Z103182
Наверх
Главный гидравлический насос, ProDrive™, HillMaster™ - ST827936
![Джон Дир W650 Главный гидравлический насос, ProDrive™, HillMaster™ Главный гидравлический насос, ProDrive™, HillMaster™]()
1 - Гидравлический насос AH229779
1 - Комплект уплотнений AH227025
2 - Прокладка HXE15477
3 - Уплотнительное кольцо .......
4 - Шлицевое соединение TCU13028 Количество:2
5 - Гидравлический насос AH228008
5 - Комплект уплотнений AE45928
6 - Шайба ....... Количество:3
7 - Уплотнительное кольцо .......
8 - Быстросъемн. гидр. муфта .......
9 - Крышка .......
10 - Сальник ....... Количество:4
11 - Винт ....... Количество:8
12 - Пластина .......
13 - Прокладка .......
14 - Прокладка .......
15 - Пластина .......
16 - Передача .......
17 - Передача .......
18 - Уплотнительное кольцо ....... Количество:2
19 - Установочный штифт ....... 4
20 - Корпус .......
21 - Корпус .......
22 - Ось .......
23 - Кнопка .......
24 - Уплотнительное кольцо ....... Количество:5
25 - Пластина ....... Количество:3
26 - Корпус .......
27 - Винт ....... Количество:8
28 - Шайба ....... Количество:2
29 - Уплотнительное кольцо E65288 Количество:2
30 - Распорная втулка E93316
31 - Винт ....... Количество:2
32 - Корпус .......
33 - Кнопка .......
34 - Передача .......
35 - Винт ....... Количество:4
36 - Шайба ....... Количество:4
37 - Корпус .......
38 - Винт ....... Количество:8
39 - Распорная втулка H229508
40 - Корпус .......
41 - Кнопка .......
42 - Ось .......
43 - Передача .......
44 - Передача .......
45 - Корпус .......
46 - Передача .......
47 - Корпус .......
48 - Передача .......
49 - Передача .......
50 - Корпус .......
51 - Комплект оборудования AH228034
52 - Гидравлический насос AXE57512
52 - Комплект уплотнений AH227563
53 - Кольцо MT1316 Количество:2
Наверх
Фитинги гидравлического насоса, ProDrive™, HillMaster™ - ST828603
![Джон Дир W650 Фитинги гидравлического насоса, ProDrive™, HillMaster™ Фитинги гидравлического насоса, ProDrive™, HillMaster™]()
1 - Маслопровод AXE68409 Примечание:SUB FOR AXE47620
2 - Кольцо T20779
3 - Клапан AXE43274
4 - Тройник 38H1466
5 - Уплотнительное кольцо T77932 Количество:3
6 - Уплотнительное кольцо T77857 Количество:5
7 - Уплотнительное кольцо R26906 Количество:3
8 - Уплотнительное кольцо 51M7043 Примечание:15.300 X 2.200 mm
9 - Уплотнительное кольцо T77613 Количество:4 Примечание:9.250 X 1.780 mm (0.364" X 0.070")
10 - Винт 19M7790 Количество:2 Примечание:M12 X 35
11 - Фитинг переходника 38H5012
12 - Редукционный клапан AH218493
13 - Фитинг переходника 38H1161 Количество:2
14 - Уплотнительное кольцо R26375 Количество:3
15 - Фитинг переходника 38H1068
16 - Коленчатый патрубок 38H1006 Количество:2
17 - Коленчатый патрубок 38H1037 Количество:2
18 - Уплотнительное кольцо U12547
19 - Тройник 38H5200 Количество:5
20 - Уплотнительное кольцо 51M7048 Примечание:29.600 X 2.900 mm
21 - Фланцевая гайка 14M7298 Количество:2 Примечание:M8
22 - Кронштейн HXE67970
23 - Уплотнительное кольцо T76938 Количество:8
24 - Коленчатый патрубок 38H1305
25 - Фитинг переходника 38H1196
26 - Уплотнительное кольцо T78612 Количество:2
27 - Уплотнительное кольцо R29936 Количество:6
28 - Фитинг переходника 38H1164 Количество:3
29 - Винт 19M8039 Количество:2 Примечание:M8 X 80
30 - Коленчатый патрубок 38H5027
31 - Уплотнительное кольцо 51M7045 Примечание:19.300 X 2.200 mm
32 - Уплотнительное кольцо 51M7049 Примечание:38.600 X 2.900 mm
33 - Коленчатый патрубок 38H5021
Наверх
Гидростатический насос ProDrive™ - ST912512
![Джон Дир W650 Гидростатический насос ProDrive™ Гидростатический насос ProDrive™]()
Наверх
Главный гидравлический насос ProDrive™ - ST829554
![Джон Дир W650 Главный гидравлический насос ProDrive™ Главный гидравлический насос ProDrive™]()
1 - Гидравлический насос AXE57512
2 - Прокладка HXE15477
3 - Уплотнительное кольцо .......
4 - Шлицевое соединение TCU13028 Количество:2
5 - Гидравлический насос AH228008
6 - Шайба ....... Количество:3
7 - Уплотнительное кольцо .......
8 - Быстросъемн. гидр. муфта .......
9 - Крышка .......
10 - Распорная втулка E93316 Количество:4
11 - Винт ....... Количество:8
12 - Пластина .......
13 - Прокладка .......
14 - Прокладка .......
15 - Пластина .......
16 - Передача .......
17 - Передача .......
18 - Уплотнительное кольцо ....... Количество:2
19 - Установочный штифт ....... 4
20 - Корпус .......
21 - Корпус .......
22 - Ось .......
23 - Кнопка .......
24 - Уплотнительное кольцо ....... Количество:5
25 - Пластина ....... Количество:3
26 - Корпус .......
27 - Винт ....... Количество:8
28 - Шайба ....... Количество:2
29 - Уплотнительное кольцо E65288 Количество:2
30 - Корпус .......
31 - Винт ....... Количество:2
32 - Корпус .......
33 - Кнопка .......
34 - Передача .......
35 - Винт ....... Количество:4
36 - Шайба ....... Количество:4
37 - Корпус .......
38 - Винт ....... Количество:8
39 - Распорная втулка H229508
40 - Корпус .......
41 - Кнопка .......
42 - Ось .......
43 - Передача .......
44 - Передача .......
45 - Корпус .......
46 - Передача .......
47 - Корпус .......
48 - Передача .......
49 - Передача .......
50 - Корпус .......
51 - Комплект оборудования AH228034
52 - Гидравлический насос AH228006
53 - Кольцо MT1316 Количество:2
53 - Комплект уплотнений AH228218
Наверх
Фитинги главного гидравлического насоса ProDrive™ - ST887775
![Джон Дир W650 Фитинги главного гидравлического насоса ProDrive™ Фитинги главного гидравлического насоса ProDrive™]()
1 - Винт 19M7844 Количество:4 Примечание:M16 X 45
2 - Фитинг переходника 38H5012
3 - Фланцевая гайка 14M7298 Количество:2 Примечание:M8
4 - Винт 19M8039 Количество:2 Примечание:M8 X 80
5 - Кронштейн HXE106216
6 - Фитинг переходника 38H1068
7 - Клапан AXE43274
8 - Фитинг переходника 38H1161 Количество:2
9 - Коленчатый патрубок 38H1006 Количество:2
10 - Фитинг переходника 38H1164 Количество:3
11 - Уплотнительное кольцо T77613 Примечание:9.250 X 1.780 mm (0.364" X 0.070")
12 - Фитинг переходника 38H1196
13 - Коленчатый патрубок 38H1305
14 - Редукционный клапан AH218493
15 - Винт 19M7790 Количество:2 Примечание:M12 X 35
16 - Кольцо T20779
17 - Коленчатый патрубок 38H5021
18 - Уплотнительное кольцо T77932 Количество:3
19 - Тройник 38H1466
20 - Уплотнительное кольцо R26906 Количество:3
21 - Уплотнительное кольцо T77857 Количество:5
22 - Уплотнительное кольцо 51M7043 Примечание:15.300 X 2.200 mm
23 - Уплотнительное кольцо R26375 Количество:3
24 - Уплотнительное кольцо T76938 Количество:8
25 - Уплотнительное кольцо U12547
26 - Уплотнительное кольцо 51M7049 Примечание:38.600 X 2.900 mm
27 - Уплотнительное кольцо R29936 Количество:6
28 - Уплотнительное кольцо T78612 Количество:2
29 - Коленчатый патрубок 38H1037 Количество:2
30 - Коленчатый патрубок 38H5027
31 - Уплотнительное кольцо 51M7045 Примечание:19.300 X 2.200 mm
32 - Маслопровод AXE68409 Примечание:SUB FOR AXE47620
33 - Тройник 38H5200 Количество:2
34 - Уплотнительное кольцо 51M7048 Примечание:29.600 X 2.900 mm
Наверх
Гидростатический насос, 3 скорости, трансмиссия с ручным переключением передач - ST830102
![Джон Дир W650 Гидростатический насос, 3 скорости, трансмиссия с ручным переключением передач Гидростатический насос, 3 скорости, трансмиссия с ручным переключением передач]()
1 - Болт 19M7791 Количество:4 Примечание:M12 X 40
2 - Винт 19H2922 Количество:2 Примечание:3/8" X 1-1/4"
3 - Уплотнительное кольцо R63308
4 - Гидравлический насос AXE73788 Примечание:SUB FOR AXE66085 OR AXE34362
4 - Комплект уплотнений AXE48419
5 - Насос AXE22919
5 - Гидравлич. насос восст. PG203340 Примечание:REMAN FOR AXE22919
6 - Уплотнительное кольцо HXE78107
7 - Шайба 24M7106 Количество:2 Примечание:10 X 18 X 2.500 mm
8 - Фитинг переходника 38H1160
9 - Уплотнительное кольцо T77613
10 - Уплотнительное кольцо R26448
11 - Фитинг переходника 38H1163 Количество:2
12 - Уплотнительное кольцо T77858 Количество:2
13 - Уплотнительное кольцо U12547 Количество:2
14 - Уплотнительное кольцо 51M7114 Примечание:32 X 2.500 mm
15 - Фланцевый фитинг HXE64809
16 - Шайба 12M7087 Количество:4 Примечание:8.100 mm
17 - Фитинг переходника 38H1164
18 - Уплотнительное кольцо T76938
19 - Уплотнительное кольцо R29936
20 - Фитинг переходника 38H5003
21 - Уплотнительное кольцо T77857
22 - Уплотнительное кольцо 51M7043 Количество:2 Примечание:15.300 X 2.200 mm
23 - Коленчатый патрубок 38H5018
24 - Уплотнительное кольцо 51M7045 Примечание:19.300 X 2.200 mm
25 - Уплотнительное кольцо T77932 Количество:2
26 - Коленчатый патрубок 38H5024
27 - Коленчатый патрубок 38H5149
28 - Уплотнительное кольцо T78612 Количество:2
29 - Уплотнительное кольцо 51M7048 Примечание:29.600 X 2.900 mm
30 - Фланцевый фитинг AXE33421
31 - Винт 19M8439 Количество:2 Примечание:M8 X 25
32 - Винт 19M8711 Количество:2 Примечание:M8 X 50
33 - Уплотнительное кольцо 51M7041 Примечание:11.300 X 2.200 mm
34 - Крышка R77175 Количество:2
35 - Рычаг HXE94906
36 - Пр. быстрос. гидр. муфты AL80099
37 - Шайба R42729 Количество:2
38 - Гайка 14M7272 Примечание:M6
39 - Гайка 14M7260 Количество:3 Примечание:M16
40 - Винт 19M7867 Количество:2 Примечание:M8 X 25
41 - Шайба 24M7241 Количество:3 Примечание:17 X 34 X 4 mm
42 - Шаровое соединение AH208684
43 - Опора H142045
44 - Стопорная гайка H168961
Наверх
Главный гидравлический насос, трансмиссия с ручным переключением передач - ST867643
![Джон Дир W650 Главный гидравлический насос, трансмиссия с ручным переключением передач Главный гидравлический насос, трансмиссия с ручным переключением передач]()
1 - Гидравлический насос AXE73788 Примечание:SUB FOR AXE66085 OR AXE34362
2 - Комплект уплотнений AXE48419
3 - Узел попер. рулевой тяги HXE84940 Количество:4
Наверх
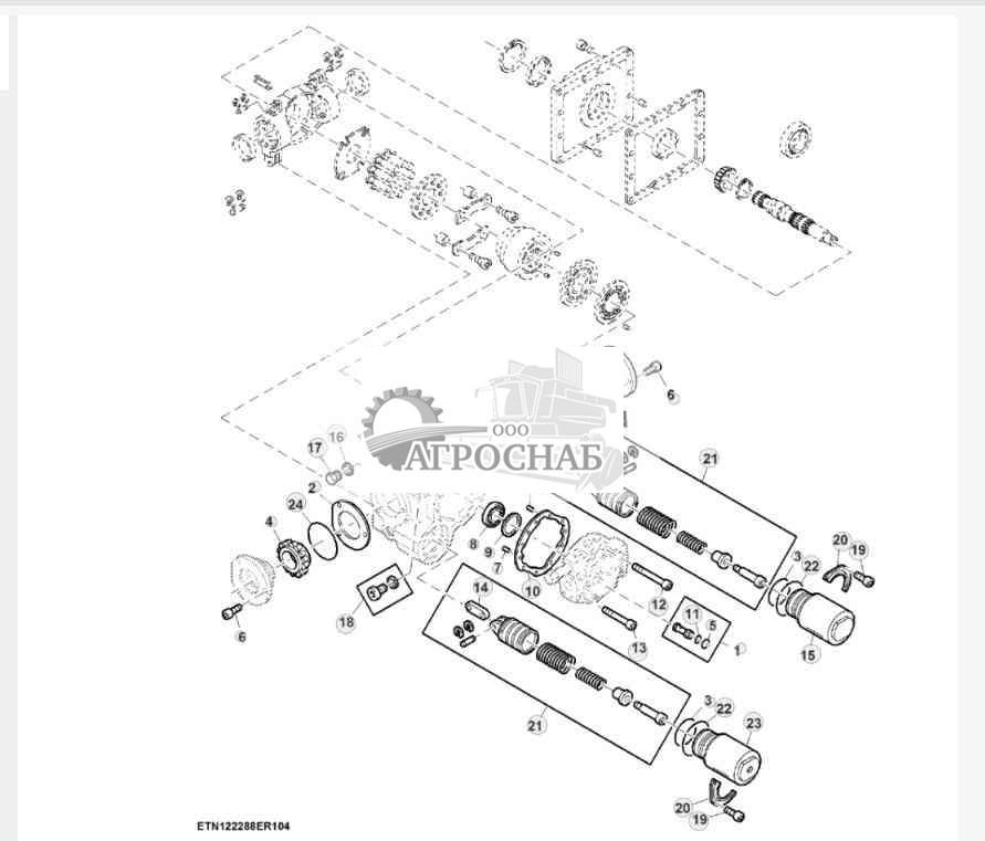
Компоненты гидравлического насоса, трансмиссия с ручным переключением передач (1 из 3) - ST867666
![Джон Дир W650 Компоненты гидравлического насоса, трансмиссия с ручным переключением передач (1 из 3) Компоненты гидравлического насоса, трансмиссия с ручным переключением передач (1 из 3)]()
1 - Крепление со штифтом N126603
2 - Пружинное кольцо M48000 Количество:2
3 - Пластина H138900
4 - Кулиса H229135
5 - Уплотнительное кольцо U15415
6 - Установочный штифт Z65085 Количество:2
7 - Пружина сжатия N191174
8 - Наружн. кольцо подшипн. JD9133 Количество:2
9 - Прокладка Z53122
10 - Поршень AZ51528
11 - Пластина Z65079
12 - Опора AZ42076
13 - Комплект гидроцилиндров AZ51529
14 - Пластина Z65106
15 - Поршень AZ51527
16 - Штифт H63271
17 - Ведущий вал AZ56794
18 - Наружн. кольцо подшипн. JD7297
19 - Сальник AZ56795 Количество:2
20 - Уплотнительное кольцо N196034
21 - Прокладка HXE139167 Примечание:SUB FOR H214789
22 - Уплотнительное кольцо T19832
23 - Пружинное кольцо T187712
Наверх
Компоненты гидравлического насоса, трансмиссия с ручным переключением передач (2 из 3) - ST867657
![Джон Дир W650 Компоненты гидравлического насоса, трансмиссия с ручным переключением передач (2 из 3) Компоненты гидравлического насоса, трансмиссия с ручным переключением передач (2 из 3)]()
1 - Обратный клапан AN122502 Количество:6
2 - Прокладка AH112680 Количество:2 Примечание:Включает 6 прокладок толщиной 0,051 мм (0,002 дюйма) и по 4 прокладки толщиной 0,127 мм (0,005 дюйма), 0,254 мм (0,010 дюйма), 0,381 мм (0,015 дюйма) и 0,635 мм (0,025 дюйма)
3 - Уплотнительное кольцо M4237T Количество:4
4 - Внутр. кольцо подшипника JD9076 Количество:2
5 - Защитное кольцо W23690
6 - Винт с головкой 19H2622 Количество:6 Примечание:1" X 4-1/4"
7 - Штифт H63271
8 - Подшипник AH65358
9 - Прокладка AH112678 Примечание:Включает 6 прокладок толщиной 0,076 мм (0,003 дюйма), 0,127 мм (0,005 дюйма), 0,254 мм (0,010 дюйма), 0,381 мм (0,015 дюйма), 0,508 мм (0,020 дюйма) и 0,762 мм (0,030 дюйма)
10 - Прокладка H214563
11 - Уплотнительное кольцо 32246
12 - Винт с головкой 19H2347 Количество:6 Примечание:7/16" X 3"
13 - Винт с головкой 19H1899 Количество:2 Примечание:7/16" X 2"
14 - Кулиса N126600 Количество:2
15 - Гильза AH112668
16 - Уплотнительное кольцо R28782
17 - Фитинг R51031 Количество:2
18 - Заглушка фитинга AN122518 Количество:2
19 - Винт 19H3176 Количество:2 Примечание:0.164" X 0.380"
20 - Стопор H115052 Количество:2
21 - Поршень AH112675 Количество:2
22 - Уплотнительное кольцо P48403 Количество:2
23 - Гильза AZ42198 Количество:2
23 - Крепление со штифтом AN274375
23 - Уплотнительное кольцо U15415
24 - Уплотнительное кольцо R152879 Количество:2
Наверх
Компоненты гидравлического насоса, трансмиссия с ручным переключением передач (3 из 3) - ST867684
![Джон Дир W650 Компоненты гидравлического насоса, трансмиссия с ручным переключением передач (3 из 3) Компоненты гидравлического насоса, трансмиссия с ручным переключением передач (3 из 3)]()
1 - Комплект пластин AH131392
Наверх
Питающий насос гидростатического привода, трансмиссия с ручным переключением передач - ST893405
![Джон Дир W650 Питающий насос гидростатического привода, трансмиссия с ручным переключением передач Питающий насос гидростатического привода, трансмиссия с ручным переключением передач]()
1 - Гидравлический насос AXE53647
2 - Штифт H63271
Наверх
Крышка насоса гидростатического бортового редуктора, трансмиссия с ручным переключением передач - ST867715
![Джон Дир W650 Крышка насоса гидростатического бортового редуктора, трансмиссия с ручным переключением передач Крышка насоса гидростатического бортового редуктора, трансмиссия с ручным переключением передач]()
1 - Карман H135215 Количество:2
2 - Уплотнительное кольцо R26906 Количество:2
3 - Золотник клапана H135214 Количество:2
4 - Заглушка AT184869 Количество:4
5 - Шайба H135213
6 - Уплотнительное кольцо R30903 Количество:4
7 - Игольчатый ролик H135212
8 - Игольчатый ролик H135695
9 - Пружина сжатия H135211
10 - Жиклер N126644
Наверх
Клапан регулирования рабочего объема гидростатического привода, трансмиссия с ручным переключением передач - ST867721
![Джон Дир W650 Клапан регулирования рабочего объема гидростатического привода, трансмиссия с ручным переключением передач Клапан регулирования рабочего объема гидростатического привода, трансмиссия с ручным переключением передач]()
1 - Контрольный клапан AH232683
2 - Рычаг H168988
3 - Прокладка N376361
4 - Переключатель AH218207
5 - Уплотнительное кольцо T77857
6 - Фитинг переходника AH221422
7 - Электромагнитный клапан AA35005
8 - Комплект золотника AH129284
9 - Уплотнительное кольцо R27166
10 - Винт N126641
11 - Болт AN122494
12 - Болт AN122499
13 - Ось AN193084
14 - Электрическая обмотка AN302557 Количество:2
15 - Пружинное кольцо M48000 Количество:2
16 - Гайка N223292 Количество:2
17 - Уплотнительное кольцо T77613
18 - Пружинный шплинт 34H311 Примечание:1/4" X 7/8"
19 - Уплотнительное кольцо R26448 Количество:2
20 - Заглушка фитинга R27218 Количество:2
21 - Уплотнительное кольцо A3917R
22 - Сальник H136163
23 - Стопорная шайба 12M7032 Примечание:8.400 mm
24 - Гайка 14H785 Примечание:5/16"
25 - Винт с головкой 19H1875 Количество:2 Примечание:5/16" X 1-3/4"
26 - Винт с головкой 19H1905 Количество:4 Примечание:5/16" X 1"
Наверх
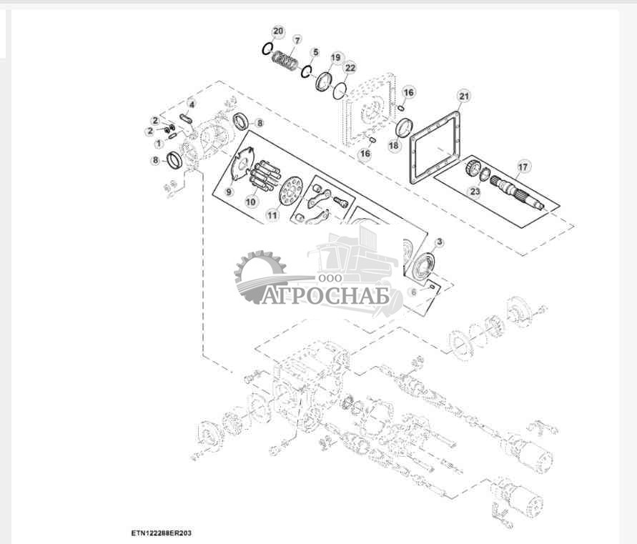
Гидростатический насос, трансмиссия с кнопочным переключением передач, Final Tier 4 - ST833393
![Джон Дир W650 Гидростатический насос, трансмиссия с кнопочным переключением передач, Final Tier 4 Гидростатический насос, трансмиссия с кнопочным переключением передач, Final Tier 4]()
1 - Болт 19M7791 Количество:4 Примечание:M12 X 40
2 - Шайба 12M7087 Количество:4 Примечание:8.100 mm
3 - Уплотнительное кольцо R63308
4 - Гидравлический насос AXE73788 Примечание:SUB FOR AXE66085 OR AXE34362
4 - Комплект уплотнений AXE48419
5 - Насос AXE16418
5 - Гидравлич. насос восст. PG203338 Примечание:REMAN FOR AXE16418
6 - Уплотнительное кольцо HXE78107
7 - Шайба 24M7106 Количество:2 Примечание:10 X 18 X 2.500 mm
8 - Винт 19H2922 Количество:2 Примечание:3/8" X 1-1/4"
9 - Фитинг переходника 38H1163 Количество:2
10 - Уплотнительное кольцо T77857
11 - Уплотнительное кольцо 51M7048 Примечание:29.600 X 2.900 mm
12 - Коленчатый патрубок 38H5018
13 - Уплотнительное кольцо T77932 Количество:2
14 - Уплотнительное кольцо 51M7045 Примечание:19.300 X 2.200 mm
15 - Фитинг переходника 38H5003 Количество:2
16 - Уплотнительное кольцо T77858 Количество:2
17 - Уплотнительное кольцо U12547 Количество:2
18 - Коленчатый патрубок 38H5149
19 - Фитинг переходника 38H1164
20 - Уплотнительное кольцо T76938
21 - Уплотнительное кольцо R29936
22 - Фитинг переходника 38H1160
23 - Уплотнительное кольцо T77613
24 - Уплотнительное кольцо R26448
25 - Коленчатый патрубок 38H5024
26 - Уплотнительное кольцо 51M7043 Количество:2 Примечание:15.300 X 2.200 mm
27 - Фланцевый фитинг AXE33421
28 - Винт 19M8439 Количество:2 Примечание:M8 X 25
29 - Винт 19M8711 Количество:2 Примечание:M8 X 50
30 - Уплотнительное кольцо 51M7114 Примечание:32 X 2.500 mm
31 - Уплотнительное кольцо T78612 Количество:2
32 - Фланцевый фитинг HXE64809
33 - Крышка R77175
34 - Уплотнительное кольцо 51M7041 Примечание:11.300 X 2.200 mm
35 - Рычаг HXE94906
36 - Шайба R42729 Количество:2
37 - Пр. быстрос. гидр. муфты AL80099
38 - Опора H142045
39 - Винт 19M7867 Количество:2 Примечание:M8 X 25
40 - Гайка 14M7272 Примечание:M6
41 - Шайба 24M7241 Количество:3 Примечание:17 X 34 X 4 mm
42 - Шаровое соединение AH208684
43 - Стопорная гайка H168961
44 - Гайка 14M7260 Количество:3 Примечание:M16
Наверх
Главный гидростатический насос, трансмиссия с кнопочным переключением передач, Final Tier 4 - ST867652
![Джон Дир W650 Главный гидростатический насос, трансмиссия с кнопочным переключением передач, Final Tier 4 Главный гидростатический насос, трансмиссия с кнопочным переключением передач, Final Tier 4]()
Наверх
Компоненты гидравлического насоса для трансмиссии с кнопочным переключением передач, Final Tier 4 (1 из 3) - ST867749
![Джон Дир W650 Компоненты гидравлического насоса для трансмиссии с кнопочным переключением передач, Final Tier 4 (1 из 3) Компоненты гидравлического насоса для трансмиссии с кнопочным переключением передач, Final Tier 4 (1 из 3)]()
1 - Крепление со штифтом N126603
2 - Пружинное кольцо M48000 Количество:2
3 - Пластина H138900
4 - Кулиса H229135
5 - Уплотнительное кольцо U15415
6 - Уплотнительное кольцо ....... Примечание:ORDER AN274375
7 - Крепление со штифтом ....... Количество:2 Примечание:ORDER AN274375
8 - Наружн. кольцо подшипн. JD9133 Количество:2
9 - Прокладка Z53122
10 - Поршень AZ51528
11 - Пластина Z65079
12 - Опора AZ42076
13 - Комплект гидроцилиндров AZ51529
14 - Пластина Z65106
15 - Поршень AZ51527
16 - Штифт H63271
17 - Ведущий вал AZ56794
18 - Пружинное кольцо T187712
19 - Подшипник ....... Примечание:ORDER AZ56794
20 - Пружина сжатия N191174
21 - Прокладка HXE139167 Примечание:SUB FOR APPL H214789
22 - Сальник AZ56795
23 - Наружн. кольцо подшипн. JD7297
24 - Уплотнительное кольцо R112857
25 - Уплотнительное кольцо N196034 Количество:2
26 - Пружинное кольцо N126612
27 - Установочный штифт Z65085 Количество:2
.. - Крепление со штифтом AN274375 Количество:2
Наверх
Компоненты гидравлического насоса для трансмиссии с кнопочным переключением передач, Final Tier 4 (2 из 3) - ST867756
![Джон Дир W650 Компоненты гидравлического насоса для трансмиссии с кнопочным переключением передач, Final Tier 4 (2 из 3) Компоненты гидравлического насоса для трансмиссии с кнопочным переключением передач, Final Tier 4 (2 из 3)]()
1 - Поршень AH112675 Количество:2
2 - Прокладка AH112680 Количество:2 Примечание:Включает 6 прокладок толщиной 0,051 мм (0,002 дюйма) и по 4 прокладки толщиной 0,127 мм (0,005 дюйма), 0,254 мм (0,010 дюйма), 0,381 мм (0,015 дюйма) и 0,635 мм (0,025 дюйма)
3 - Уплотнительное кольцо M4237T Количество:4
4 - Внутр. кольцо подшипника JD9076 Количество:2
5 - Обратный клапан AN122502 Количество:2
6 - Винт с головкой 19H2622 Количество:6 Примечание:1" X 4-1/4"
7 - Штифт H63271
8 - Подшипник AH65358
9 - Прокладка AH112678 Примечание:Включает 6 прокладок толщиной 0,076 мм (0,003 дюйма), 0,127 мм (0,005 дюйма), 0,254 мм (0,010 дюйма), 0,381 мм (0,015 дюйма), 0,508 мм (0,020 дюйма) и 0,762 мм (0,030 дюйма)
10 - Прокладка H214563
11 - Защитное кольцо W23690 Количество:6
12 - Винт с головкой 19H2347 Количество:6 Примечание:7/16" X 3"
13 - Винт с головкой 19H1899 Количество:2 Примечание:7/16" X 2"
14 - Кулиса N126600 Количество:2
15 - Уплотнительное кольцо ....... Количество:4 Примечание:ORDER AN274375
16 - Крепление со штифтом ....... Количество:2 Примечание:ORDER AN274375
17 - Поршень ....... Количество:2 Примечание:ORDER AH112675
18 - Пружина ....... Количество:2 Примечание:ORDER AH112675
19 - Стопор ....... Примечание:ORDER AH112675
20 - Винт с головкой ....... Примечание:ORDER AH112675
21 - Уплотнительное кольцо R152879 Количество:2
22 - Уплотнительное кольцо P48403 Количество:2
23 - Гильза AZ42198 Примечание:INCLUDES R26906, R51031
24 - Стопор H115052 Количество:2
25 - Винт 19H3176 Количество:6 Примечание:0.164" X 0.380"
26 - Заглушка фитинга AN122518 Примечание:INCLUDES R28782
27 - Фитинг R51031
28 - Уплотнительное кольцо R28782 Количество:3
29 - Гильза AH112668
30 - Уплотнительное кольцо 32246 Количество:2
.. - Крепление со штифтом AN274375 Количество:2
Наверх
Компоненты гидравлического насоса для трансмиссии с кнопочным переключением передач, Final Tier 4 (3 из 3) - ST867760
![Джон Дир W650 Компоненты гидравлического насоса для трансмиссии с кнопочным переключением передач, Final Tier 4 (3 из 3) Компоненты гидравлического насоса для трансмиссии с кнопочным переключением передач, Final Tier 4 (3 из 3)]()
1 - Комплект пластин AH131392
2 - Пластина .......
Наверх
Питающий насос гидростатического привода для трансмиссии с кнопочным переключением передач, Final Tier 4 - ST867763
![Джон Дир W650 Питающий насос гидростатического привода для трансмиссии с кнопочным переключением передач, Final Tier 4 Питающий насос гидростатического привода для трансмиссии с кнопочным переключением передач, Final Tier 4]()
1 - Гидравлический насос AXE14670
2 - Штифт H135706
3 - Уплотнительное кольцо H63289
4 - Уплотнительное кольцо U17409
5 - Редукционный клапан AXE12062
6 - Корпус ....... Примечание:ORDER AXE14670
7 - Втулка ....... Количество:2 Примечание:ORDER AXE14670
8 - Игольчатый подшипник ....... Примечание:ORDER AXE14670
9 - Уплотнительное кольцо H135570 Количество:2
10 - Распорная втулка ....... Примечание:ORDER AXE14670
11 - Крышка ....... Примечание:ORDER AXE14670
12 - Винт с головкой 19H1875 Количество:2 Примечание:5/16" X 1-3/4"
13 - Винт с гол. п/торц. кл. 19H4009 Количество:4 Примечание:5/16" X 3-3/4"
14 - Масляный насос ....... Примечание:ORDER AXE14670
15 - Шариковый подшипник ....... Примечание:ORDER AXE14670
16 - Пружинное кольцо ....... Количество:2 Примечание:ORDER AXE14670
17 - Уплотнительное кольцо P48347 Количество:2
18 - Корпус фильтра H171116
19 - Винт 19H3111 Количество:2 Примечание:3/8" X 1.380"
20 - Уплотнительное кольцо R26448 Количество:3
21 - Заглушка фитинга R27218
22 - Быстросъемн. гидр. муфта AH125760
23 - Крышка R77175
24 - Гидравлический фильтр AH128449
25 - Ведущий вал ....... Примечание:ORDER AXE14670
26 - Штифт H63271
27 - Прокладка H214962
28 - Прокладка ....... Примечание:ORDER AXE14670
29 - Втулка ....... Примечание:ORDER AXE14670
30 - Пружина ....... Примечание:ORDER AXE14670
31 - Уплотнительное кольцо ....... Примечание:ORDER AXE14670
32 - Заглушка ....... Примечание:ORDER AXE14670
33 - Гайка 14H785 Количество:2 Примечание:5/16"
Наверх
Крышка насоса гидростатического бортового редуктора для трансмиссии с кнопочным переключением передач, Final Tier 4 - ST867769
![Джон Дир W650 Крышка насоса гидростатического бортового редуктора для трансмиссии с кнопочным переключением передач, Final Tier 4 Крышка насоса гидростатического бортового редуктора для трансмиссии с кнопочным переключением передач, Final Tier 4]()
1 - Карман H135215 Количество:2
2 - Уплотнительное кольцо R26906 Количество:2
3 - Золотник клапана H135214 Количество:2
4 - Заглушка AT184869 Количество:4 Примечание:INCLUDES R30903
5 - Шайба H135213 Количество:2
6 - Уплотнительное кольцо R30903 Количество:4
7 - Игольчатый ролик H135212
8 - Игольчатый ролик H135695
9 - Пружина сжатия H135211 Количество:2
10 - Крышка ....... Примечание:ORDER AXE16418
11 - Жиклер N126644
11 - Насос AXE16418
Наверх
Клапан регулирования рабочего объема гидростатического привода для трансмиссии с кнопочным переключением передач, Final Tier 4 - ST867774
![Джон Дир W650 Клапан регулирования рабочего объема гидростатического привода для трансмиссии с кнопочным переключением передач, Final Tier 4 Клапан регулирования рабочего объема гидростатического привода для трансмиссии с кнопочным переключением передач, Final Tier 4]()
1 - Контрольный клапан AXE24925
2 - Корпус ....... Примечание:ORDER AH232683 OR AXE24925
3 - Втулка ....... Примечание:ORDER AH129284
4 - Шайба ....... Примечание:ORDER AH129284
5 - Пружина ....... Примечание:ORDER AH129284
6 - Стопор ....... Примечание:ORDER AH129284
7 - Винт с головкой ....... Примечание:ORDER AH129284
8 - Комплект золотника AH129284
9 - Уплотнительное кольцо R27166
10 - Винт N126641
11 - Болт AN122494
12 - Болт AN122499
13 - Ось AN193084
14 - Кулиса ....... Примечание:ORDER AH232683 OR AXE24925
15 - Пружинное кольцо M48000 Количество:2
16 - Кулиса ....... Примечание:ORDER AH232683 OR AXE24925
17 - Муфта ....... Примечание:ORDER AH232683 OR AXE24925
18 - Пружинный шплинт 34H311 Примечание:1/4" X 7/8"
19 - Уплотнительное кольцо R26448 Количество:2
20 - Заглушка фитинга R27218 Количество:2
21 - Уплотнительное кольцо A3917R
22 - Сальник H136163
23 - Стопорная шайба 12M7032 Примечание:8.400 mm
24 - Гайка 14H785 Примечание:5/16"
25 - Винт с головкой 19H1875 Количество:2 Примечание:5/16" X 1-3/4"
26 - Винт с головкой 19H1905 Количество:4 Примечание:5/16" X 1"
27 - Рычаг H168988
28 - Прокладка N376361
29 - Переключатель AH218207
30 - Уплотнительное кольцо T77857
31 - Фитинг переходника AH221422
32 - Уплотнительное кольцо T77613 Количество:2
33 - Электромагнитный клапан AA35005
34 - Электрическая обмотка AN302557
35 - Гайка N223292
36 - Клапан ....... Примечание:ORDER AXE24925
Наверх
Гидростатический насос, трансмиссия с кнопочным переключением передач, Final Tier 4, HillMaster™ - ST833403
![Джон Дир W650 Гидростатический насос, трансмиссия с кнопочным переключением передач, Final Tier 4, HillMaster™ Гидростатический насос, трансмиссия с кнопочным переключением передач, Final Tier 4, HillMaster™]()
1 - Болт 19M7791 Количество:4 Примечание:M12 X 40
2 - Уплотнительное кольцо R26448
3 - Уплотнительное кольцо R63308
4 - Гидравлический насос AH212540
4 - Комплект уплотнений AH214464
5 - Насос AXE16418
5 - Гидравлич. насос восст. PG203338 Примечание:REMAN FOR AXE16418
6 - Уплотнительное кольцо E65288
7 - Стопорная шайба 12H304 Количество:2 Примечание:3/8"
8 - Винт 19H2922 Количество:2 Примечание:3/8" X 1-1/4"
9 - Фитинг переходника 38H1161
10 - Уплотнительное кольцо T77857
11 - Уплотнительное кольцо R26375
12 - Коленчатый патрубок 38H1006 Количество:2
13 - Уплотнительное кольцо T77932 Количество:2
14 - Уплотнительное кольцо R26906 Количество:2
15 - Фитинг переходника 38H1163 Количество:2
16 - Уплотнительное кольцо T77858 Количество:2
17 - Уплотнительное кольцо U12547 Количество:3
18 - Коленчатый патрубок 38H1305
19 - Фитинг переходника 38H1164 Количество:3
20 - Уплотнительное кольцо T76938 Количество:4
21 - Уплотнительное кольцо R29936 Количество:3
22 - Фитинг переходника 38H1160
23 - Уплотнительное кольцо T77613
24 - Рычаг HXE94906
25 - Стопорная гайка H168961
26 - Опора H142045
27 - Винт 19M7867 Количество:2 Примечание:M8 X 25
28 - Гайка 14M7260 Количество:3 Примечание:M16
29 - Шаровое соединение AH208684
30 - Шайба 24M7241 Количество:3 Примечание:17 X 34 X 4 mm
31 - Гайка 14M7272 Примечание:M6
Наверх
Главный гидростатический насос для трансмиссии с кнопочным переключением передач, Final Tier 4, HillMaster™ - ST867653
![Джон Дир W650 Главный гидростатический насос для трансмиссии с кнопочным переключением передач, Final Tier 4, HillMaster™ Главный гидростатический насос для трансмиссии с кнопочным переключением передач, Final Tier 4, HillMaster™]()
1 - Прокладка HXE15477
2 - Гидравлический насос AXE57451 Примечание:SUB FOR AH212540
2 - Комплект уплотнений AH214464
3 - Комплект оборудования AH214333
4 - Гидравлический насос AXE57452 Примечание:SUB FOR AH214330 APPL
4 - Комплект уплотнений AH214464 Примечание:INCLUDES M48869, H80821
5 - Гидравлический насос AH214329
5 - Комплект уплотнений AH214463 Примечание:INCLUDES M48869, H80821
6 - Шайба M48869 Количество:2
7 - Крышка R77175
8 - Быстросъемн. гидр. муфта AH125760
9 - Установочный штифт H116213 2
10 - Уплотнительное кольцо H80821 Количество:6
11 - Уплотнительное кольцо R26448
11 - Комплект уплотнений AH162145
11 - Комплект уплотнений AH214335 Примечание:INCLUDES M48869
Наверх
Компоненты гидравлического насоса для трансмиссии с кнопочным переключением передач, Final Tier 4, HillMaster™ (1 из 3) - ST867740
![Джон Дир W650 Компоненты гидравлического насоса для трансмиссии с кнопочным переключением передач, Final Tier 4, HillMaster™ (1 из 3) Компоненты гидравлического насоса для трансмиссии с кнопочным переключением передач, Final Tier 4, HillMaster™ (1 из 3)]()
1 - Крепление со штифтом N126603
2 - Пружинное кольцо M48000 Количество:2
3 - Пластина H138900
4 - Кулиса H229135
5 - Уплотнительное кольцо U15415
6 - Уплотнительное кольцо ....... Примечание:ORDER AN274375
7 - Крепление со штифтом ....... Количество:2 Примечание:ORDER AN274375
8 - Наружн. кольцо подшипн. JD9133 Количество:2
9 - Прокладка Z53122
10 - Поршень AZ51528
11 - Пластина Z65079
12 - Опора AZ42076
13 - Комплект гидроцилиндров AZ51529
14 - Пластина Z65106
15 - Поршень AZ51527
16 - Штифт H63271
17 - Ведущий вал AZ56794 Количество:2
18 - Пружинное кольцо T187712
19 - Подшипник ....... Примечание:ORDER AZ56794
20 - Пружина сжатия N191174
21 - Прокладка HXE139167 Примечание:SUB FOR APPL H214789
22 - Сальник AZ56795
23 - Наружн. кольцо подшипн. JD7297
24 - Уплотнительное кольцо R112857
25 - Уплотнительное кольцо N196034
26 - Пружинное кольцо N126612
27 - Установочный штифт Z65085 Количество:2
.. - Крепление со штифтом AN274375 Количество:2
Наверх
Компоненты гидравлического насоса для трансмиссии с кнопочным переключением передач, Final Tier 4, HillMaster™ (2 из 3) - ST867750
![Джон Дир W650 Компоненты гидравлического насоса для трансмиссии с кнопочным переключением передач, Final Tier 4, HillMaster™ (2 из 3) Компоненты гидравлического насоса для трансмиссии с кнопочным переключением передач, Final Tier 4, HillMaster™ (2 из 3)]()
1 - Поршень AH112675 Количество:2
2 - Прокладка AH112680 Количество:2 Примечание:Включает 6 прокладок толщиной 0,051 мм (0,002 дюйма) и по 4 прокладки толщиной 0,127 мм (0,005 дюйма), 0,254 мм (0,010 дюйма), 0,381 мм (0,015 дюйма) и 0,635 мм (0,025 дюйма)
3 - Уплотнительное кольцо M4237T Количество:4
4 - Внутр. кольцо подшипника JD9076 Количество:2
5 - Обратный клапан AN122502 Количество:2
6 - Винт с головкой 19H2622 Количество:6 Примечание:1" X 4-1/4"
7 - Штифт H63271
8 - Подшипник AH65358
9 - Прокладка AH112678 Примечание:Включает 6 прокладок толщиной 0,076 мм (0,003 дюйма), 0,127 мм (0,005 дюйма), 0,254 мм (0,010 дюйма), 0,381 мм (0,015 дюйма), 0,508 мм (0,020 дюйма) и 0,762 мм (0,030 дюйма)
10 - Прокладка H214563
11 - Защитное кольцо W23690 Количество:2
12 - Винт с головкой 19H2347 Количество:6 Примечание:7/16" X 3"
13 - Винт с головкой 19H1899 Количество:2 Примечание:7/16" X 2"
14 - Кулиса N126600 Количество:2
15 - Уплотнительное кольцо ....... Количество:4 Примечание:ORDER AN274375
16 - Крепление со штифтом ....... Количество:2 Примечание:ORDER AN274375
17 - Поршень ....... Количество:2 Примечание:ORDER AH112675
18 - Пружина ....... Количество:2 Примечание:ORDER AH112675
19 - Стопор ....... Примечание:ORDER AH112675
20 - Винт с головкой ....... Примечание:ORDER AH112675
21 - Уплотнительное кольцо R152879 Количество:2
22 - Уплотнительное кольцо P48403 Количество:2
23 - Гильза AZ42198 Примечание:INCLUDES R26906, R51031
24 - Стопор H115052 Количество:2
25 - Винт 19H3176 Количество:6 Примечание:0.164" X 0.380"
26 - Заглушка фитинга AN122518 Примечание:INCLUDES R28782
27 - Фитинг R51031
28 - Уплотнительное кольцо R28782
29 - Гильза AH112668
30 - Уплотнительное кольцо 32246 Количество:2
30 - Крепление со штифтом AN274375 Количество:2
Наверх
Компоненты гидравлического насоса для трансмиссии с кнопочным переключением передач, Final Tier 4, HillMaster™ (3 из 3) - ST867757
![Джон Дир W650 Компоненты гидравлического насоса для трансмиссии с кнопочным переключением передач, Final Tier 4, HillMaster™ (3 из 3) Компоненты гидравлического насоса для трансмиссии с кнопочным переключением передач, Final Tier 4, HillMaster™ (3 из 3)]()
Наверх
Питающий насос гидростатического привода для трансмиссии с кнопочным переключением передач, Final Tier 4, HillMaster™ - ST867762
![Джон Дир W650 Питающий насос гидростатического привода для трансмиссии с кнопочным переключением передач, Final Tier 4, HillMaster™ Питающий насос гидростатического привода для трансмиссии с кнопочным переключением передач, Final Tier 4, HillMaster™]()
Наверх
Крышка насоса гидростатического бортового редуктора для трансмиссии с кнопочным переключением передач, Final Tier 4, HillMaster™ - ST867765
![Джон Дир W650 Крышка насоса гидростатического бортового редуктора для трансмиссии с кнопочным переключением передач, Final Tier 4, HillMaster™ Крышка насоса гидростатического бортового редуктора для трансмиссии с кнопочным переключением передач, Final Tier 4, HillMaster™]()
1 - Карман H135215 Количество:2
2 - Уплотнительное кольцо R26906 Количество:2
3 - Золотник клапана H135214 Количество:2
4 - Заглушка AT184869 Количество:4 Примечание:INCLUDES R30903
5 - Шайба H135213 Количество:2
6 - Уплотнительное кольцо R30903 Количество:3
7 - Игольчатый ролик H135212
8 - Игольчатый ролик H135695
9 - Пружина сжатия H135211 Количество:2
10 - Крышка ....... Примечание:ORDER AXE16418
11 - Жиклер N126644
11 - Насос AXE16418
Наверх
Клапан регулирования рабочего объема гидростатического привода для трансмиссии с кнопочным переключением передач, Final Tier 4, HillMaster™ - ST867772
![Джон Дир W650 Клапан регулирования рабочего объема гидростатического привода для трансмиссии с кнопочным переключением передач, Final Tier 4, HillMaster™ Клапан регулирования рабочего объема гидростатического привода для трансмиссии с кнопочным переключением передач, Final Tier 4, HillMaster™]()
Наверх
Ограничитель хода, 20 кмч - ST829852
![Джон Дир W650 Ограничитель хода, 20 кмч Ограничитель хода, 20 кмч]()
1 - Колпачок AXE30210
2 - Пружинный шплинт 34M7173 Количество:4 Примечание:3 X 10 mm
3 - Хомут AXE30211
4 - Уплотнительное кольцо R26906 Количество:2
Наверх
Ограничитель хода, 25 кмч - ST829844
![Джон Дир W650 Ограничитель хода, 25 кмч Ограничитель хода, 25 кмч]()
Наверх
Ограничитель хода, 30 кмч - ST830170
![Джон Дир W650 Ограничитель хода, 30 кмч Ограничитель хода, 30 кмч]()
Наверх
Гидравлический фильтр, ProDrive™ - ST830171
![Джон Дир W650 Гидравлический фильтр, ProDrive™ Гидравлический фильтр, ProDrive™]()
1 - Фитинг переходника 38H1329
2 - Уплотнительное кольцо T77932
3 - Уплотнительное кольцо U12547 Количество:3
4 - Коленчатый патрубок 38H1013 Количество:2
5 - Уплотнительное кольцо T77857 Количество:2
6 - Винт 19M7785 Количество:4 Примечание:M10 X 25
7 - Гидравлический фильтр AH128449
8 - Гидравлический фильтр AXE48835 Примечание:Filter Head Assembly
9 - Корпус фильтра AH227847
10 - Переключатель AXE48833
11 - Уплотнительное кольцо R26448
12 - Уплотнительное кольцо R27976
13 - Гидравл. нагнетат. клапан AH128451
Наверх
Гидростатический мотор, ProDrive™ с колесами - ST912491
![Джон Дир W650 Гидростатический мотор, ProDrive™ с колесами Гидростатический мотор, ProDrive™ с колесами]()
1 - Винт 19M7844 Количество:4 Примечание:M16 X 45
2 - Кольцо F432530
3 - Золотниковый клапан AXE61875
4 - Кольцевой уплотнитель Z103182 Количество:2
5 - Уплотнительное кольцо 51M7048 Примечание:29.600 X 2.900 mm
6 - Датчик скор. вращ. кол. AZ63242
7 - Винт 19M8666 Количество:2 Примечание:M6 X 16
8 - Коленчатый патрубок 38H1097
9 - Фитинг переходника 38H5013
10 - Уплотнительное кольцо T77858 Количество:2
11 - Уплотнительное кольцо T56238 Количество:2
12 - Быстроразъемная муфта H129525
13 - Мотор AXE58029 Примечание:INCLUDES AXE40737
13 - Комплект уплотнений AXE40737
14 - Контрольный клапан AXE40757
15 - Жиклер H234178
16 - Комплект гаек AXE13484
17 - Винт с головкой и гайка Z103085
18 - Уплотнительное кольцо Z103090
19 - Катушка эл/магн. клапана AXE13480
20 - Пружинное кольцо M41029
21 - Фитинг T58477
22 - Сальник AH232277
23 - Уплотнительное кольцо T80037
24 - Уплотнительное кольцо U15973
25 - Уплотнительное кольцо N310542
Наверх
Трансмиссия, двигатель гидростатического привода, 105 см?, 25 kmh - ST832267
![Джон Дир W650 Трансмиссия, двигатель гидростатического привода, 105 см?, 25 kmh Трансмиссия, двигатель гидростатического привода, 105 см?, 25 kmh]()
1 - Мотор AXE15826
1 - Гидравлич. мотор восст. PG203341
2 - Расходный гидр. клапан AH141811
3 - Винт с головкой 19H2347 Количество:6 Примечание:7/16" X 3"
4 - Винт с головкой 19H1899 Количество:2 Примечание:7/16" X 2"
5 - Регулировочный хомут Z65083 Количество:2
6 - Фланцевая гайка 14M7299 Количество:4 Примечание:M12
7 - Прокладка H135702
8 - Прокладка AH112678
9 - Сальник AZ56795
10 - Подшипник AH65358
11 - Пластина H138901
12 - Пластина .. Примечание:ORDER AXE15826
13 - Комплект гидроцилиндров .. Примечание:ORDER AXE15826
14 - Опора ... Примечание:ORDER AXE15826
15 - Пластина .. Примечание:ORDER AXE15826
16 - Поршень .. Примечание:ORDER AXE15826
17 - Прокладка .. Примечание:ORDER AXE15826
18 - Поршень .. Примечание:ORDER AXE15826
19 - Коленчатый патрубок 38H1007
20 - Ведущий вал AZ56818
21 - Комплект пластин AH131392
22 - Уплотнительное кольцо T77858
23 - Уплотнительная шайба H135571 Количество:2
24 - Винт 19H3192 Количество:2 Примечание:5/16" X 3"
25 - Установочный штифт H64813
26 - Трубная заглушка 15H558 Примечание:1/8"
27 - Пробка сливного отверстия R27175
28 - Уплотнительное кольцо U12547
29 - Пружинное кольцо N126612
30 - Винт с головкой 19H2228 Количество:4 Примечание:3/8" X 4"
31 - Уплотнительное кольцо R26448 Количество:2
32 - Быстросъемн. гидр. муфта AH125760 Количество:2
33 - Крышка R77175 Количество:2
34 - Штифт H63271 Количество:5
35 - Комплект уплотнений AN272356
36 - Уплотнительное кольцо R63308
37 - Наружн. кольцо подшипн. JD7297
38 - Кольцо H117461
39 - Винт .. Количество:4 Примечание:ORDER AXE15826
40 - Пластина .......
41 - Пружина сжатия N191174
42 - Уплотнительное кольцо N196034
43 - Уплотнительное кольцо U15415
Наверх
Клапан гидростатического мотора - ST415557
![Джон Дир W650 Клапан гидростатического мотора Клапан гидростатического мотора]()
1 - Пробка сливного отверстия R27175 Количество:2
2 - Уплотнительное кольцо R26906 Количество:2
3 - Пружина ....... Количество:2
4 - Клапан N126654 Количество:2
5 - Втулка N128541
6 - Комплект клапанов AH131308 Примечание:(A)
7 - Защитное кольцо U40729 Количество:2
8 - Уплотнительное кольцо N130510 Количество:2
9 - Сальник AN272356
10 - Уплотнительное кольцо R28782 Количество:3
11 - Редукционный клапан AN122497 Примечание:(B)
12 - Уплотнительное кольцо U17409
13 - Уплотнительное кольцо U15192 Количество:2
14 - Уплотнительное кольцо H63289
15 - Редукционный клапан AZ51504 Количество:2 Примечание:(C)
16 - Шайба U17402 Количество:2
17 - Фитинг R51031 Количество:3
18 - Винт с головкой 19H2228 Количество:4 Примечание:3/8" X 4"
19 - Расходный гидр. клапан AH141811
20 - Уплотнительное кольцо U12547 Количество:3
Наверх
Гидростатический мотор, ProDrive™ с гусеницами - ST912767
![Джон Дир W650 Гидростатический мотор, ProDrive™ с гусеницами Гидростатический мотор, ProDrive™ с гусеницами]()
1 - Винт 19M7844 Количество:4 Примечание:M16 X 45
2 - Кольцо F432530
3 - Золотниковый клапан AXE61875 Примечание:Клапан промывки
4 - Кольцевой уплотнитель Z103182 Количество:2
5 - Уплотнительное кольцо 51M7048 Примечание:29.600 X 2.900 mm
6 - Датчик скор. вращ. кол. AZ63242
7 - Винт 19M8666 Количество:2 Примечание:M6 X 16
8 - Коленчатый патрубок 38H1097
9 - Фитинг переходника 38H5013
10 - Уплотнительное кольцо T77858 Количество:2
11 - Уплотнительное кольцо T56238 Количество:2
12 - Быстроразъемная муфта H129525
13 - Гидравлический мотор AXE60527 Примечание:Гидростатический, 150 куб. см. переменного рабочего объема, боковые отверстия, INCLUDES AXE40737, U15973, N310542 AND T80037
13 - Комплект уплотнений AXE40737
14 - Контрольный клапан AXE40757
15 - Жиклер H234178
16 - Комплект гаек AXE13484
17 - Винт с головкой и гайка Z103085
18 - Уплотнительное кольцо Z103090
19 - Катушка эл/магн. клапана AXE13480
20 - Пружинное кольцо M41029
21 - Фитинг T58477
22 - Сальник AH232277
23 - Кронштейн HXE119913
24 - Изолятор HXE126093
25 - Винт 19M7804 Количество:4 Примечание:M10 X 40
26 - Уплотнительное кольцо T80037
27 - Уплотнительное кольцо U15973
28 - Уплотнительное кольцо N310542
Наверх
Hydrostatic Drive Hoses, Push Button Shift Transmission, 2WD, HillMaster™ - ST901248 ( Гидростатический Привод, Шланги, Кнопки Переключения Передач, , HillMaster? - )
![Джон Дир W650 Hydrostatic Drive Hoses, Push Button Shift Transmission, 2WD, HillMaster™ Hydrostatic Drive Hoses, Push Button Shift Transmission, 2WD, HillMaster™]()
1 - Винт 19M7866 Количество:5 Примечание:M8 X 20
2 - Шланговый зажим AH230729 Количество:26
3 - Зажимная скоба AH77869 Количество:3
4 - Шайба H159104 Количество:7
5 - Гидрошланг AXE44433 Примечание:LGTH = 4850 mm
6 - Гидрошланг AXE36181
7 - Уплотнительное кольцо T78313 Количество:4
8 - Фланцевый фитинг T107068 Количество:8
9 - Болт 03M7183 Количество:6 Примечание:M8 X 16
10 - Гидрошланг AXE45534 Примечание:LGTH = 4720 mm
11 - Винт 19M8039 9 Примечание:M8 X 80
12 - Фланцевая гайка 14M7298 1 Примечание:M8
13 - Винт 19M8317 Примечание:M8 X 40
14 - Винт 19M7913 Количество:7 Примечание:M8 X 90
15 - Кронштейн AXE49692 Количество:3
16 - Болт 19M7791 6 Примечание:M12 X 40
17 - Зажимная скоба AH90990
18 - Распорная втулка HXE30219
19 - Кронштейн HXE96889 Количество:5
20 - Зажимная скоба T27550 Количество:2
Наверх
Шланги заднего моста с трансмиссией с кнопочным переключением передач, 4WD, комплект для самостоятельной установки - ST933105
![Джон Дир W650 Шланги заднего моста с трансмиссией с кнопочным переключением передач, 4WD, комплект для самостоятельной установки Шланги заднего моста с трансмиссией с кнопочным переключением передач, 4WD, комплект для самостоятельной установки]()
1 - Задний мост BXE10852 Примечание:Компоненты на отдельных стр.
Наверх
Шланги заднего моста с трансмиссией ProDrive™, 4WD, комплект для самостоятельной установки - ST934240
![Джон Дир W650 Шланги заднего моста с трансмиссией ProDrive™, 4WD, комплект для самостоятельной установки Шланги заднего моста с трансмиссией ProDrive™, 4WD, комплект для самостоятельной установки]()
1 - Задний мост BXE10854 Примечание:Компоненты на отдельных стр.
Наверх
Шланги гидростатического привода, трансмиссия с кнопочным переключением передач, 4WD, HillMaster™ - ST901255
![Джон Дир W650 Шланги гидростатического привода, трансмиссия с кнопочным переключением передач, 4WD, HillMaster™ Шланги гидростатического привода, трансмиссия с кнопочным переключением передач, 4WD, HillMaster™]()
1 - Фланцевая гайка 14M7298 Количество:8 Примечание:M8
2 - Винт 19M7913 Количество:6 Примечание:M8 X 90
3 - Винт 19M8039 4 Примечание:M8 X 80
4 - Шланговый зажим AH230729 Количество:20
5 - Болт 03M7183 Количество:2 Примечание:M8 X 16
6 - Болт 19M7791 Количество:40 Примечание:M12 X 40
7 - Винт 19M7866 Количество:4 Примечание:M8 X 20
8 - Винт 19M7784 Количество:2 Примечание:M10 X 20
9 - Кронштейн HXE73344
10 - Зажимная скоба AH77869 Количество:3
11 - Шайба H159104 Количество:6
12 - Уплотнительное кольцо T78313 Количество: 10
13 - Зажимная скоба AH90990
14 - Фланцевый фитинг T107068 Количество:20
15 - Гидрошланг AXE36767 Примечание:LGTH = 1120 mm
16 - Гидрошланг AXE36843 Примечание:LGTH = 3920 mm
17 - Гидрошланг AXE36845 Примечание:LGTH = 3980 mm
18 - Гидрошланг AXE36769 Примечание:LGTH = 810 mm
19 - Гидрошланг AXE45534 Примечание:LGTH = 4720 mm
20 - Распределитель HXE84340
21 - Кронштейн HXE96889 Количество:4
22 - Винт 19M8317 Примечание:M8 X 40
23 - Зажимная скоба T27550
24 - Распорная втулка HXE30219
25 - Винт 19M8319 Примечание:M8 X 50
26 - Втулка H140460
Наверх
Hydrostatic Drive Hoses, ProDrive™ Transmission, 2WD, HillMaster™ - ST901292 ( Гидростатический Привод Шланги, Продвигатели? Передачи, HillMaster? - )
![Джон Дир W650 Hydrostatic Drive Hoses, ProDrive™ Transmission, 2WD, HillMaster™ Hydrostatic Drive Hoses, ProDrive™ Transmission, 2WD, HillMaster™]()
1 - Винт 19M7913 Количество:7 Примечание:M8 X 90
2 - Винт 19M8039 9 Примечание:M8 X 80
3 - Шланговый зажим AH230729 Количество:26
4 - Болт 19M7791 6 Примечание:M12 X 40
5 - Фланцевая гайка 14M7298 1 Примечание:M8
6 - Винт 19M7866 Количество:5 Примечание:M8 X 20
7 - Уплотнительное кольцо T78313 Количество:4
8 - Шайба H159104 Количество:7
9 - Болт 03M7183 Количество:6 Примечание:M8 X 16
10 - Фланцевый фитинг T107068 Количество:8
11 - Зажимная скоба AH77869 Количество:3
12 - Гидрошланг AXE36770
13 - Гидрошланг AXE36771
14 - Гидрошланг AXE43415 Примечание:LGTH = 5350 mm
15 - Винт 19M8317 Примечание:M8 X 40
16 - Кронштейн AXE49692 Количество:3
17 - Зажимная скоба AH90990
18 - Распорная втулка HXE30219
19 - Кронштейн HXE96889 Количество:5
20 - Зажимная скоба T27550 Количество:2
21 - Обвязной хомут H224073 Количество:2
22 - Вертлюг AN209168
Наверх
Шланги гидростатического привода, трансмиссия ProDrive™, 4WD, HillMaster™ - ST901295
![Джон Дир W650 Шланги гидростатического привода, трансмиссия ProDrive™, 4WD, HillMaster™ Шланги гидростатического привода, трансмиссия ProDrive™, 4WD, HillMaster™]()
1 - Фланцевая гайка 14M7298 Количество:8 Примечание:M8
2 - Винт 19M7913 Количество:6 Примечание:M8 X 90
3 - Винт 19M8039 4 Примечание:M8 X 80
4 - Шланговый зажим AH230729 Количество:20
5 - Винт 19M7784 Количество:2 Примечание:M10 X 20
6 - Винт 19M7866 Количество:4 Примечание:M8 X 20
7 - Болт 19M7791 Количество:40 Примечание:M12 X 40
8 - Шайба H159104 Количество:6
9 - Уплотнительное кольцо T78313 Количество: 10
10 - Фланцевый фитинг T107068 Количество:20
11 - Болт 03M7183 Количество:2 Примечание:M8 X 16
12 - Зажимная скоба AH77869 Количество:3
13 - Гидрошланг AXE37449
14 - Гидрошланг AXE43415 Примечание:LGTH = 5350 mm
15 - Гидрошланг AXE37448 Примечание:LGTH = 860 mm
16 - Гидрошланг AXE36774
17 - Гидрошланг AXE36773 Примечание:LGTH = 4040 mm
18 - Уплотнительное кольцо 51M7041 Количество:2 Примечание:11.300 X 2.200 mm
19 - Трубная заглушка L41709 Количество:2
20 - Распределитель HXE84340
21 - Винт 19M8317 Примечание:M8 X 40
22 - Кронштейн HXE73344
23 - Зажимная скоба AH90990
24 - Распорная втулка HXE30219
25 - Кронштейн HXE96889 Количество:4
26 - Зажимная скоба T27550
27 - Вертлюг AN209168
28 - Обвязной хомут H224073 Количество:2
29 - Втулка H140460
30 - Винт 19M8319 Примечание:M8 X 50
Наверх
Шланги гидростатического привода, трансмиссия с кнопочным переключением передач, 2WD - ST827783
![Джон Дир W650 Шланги гидростатического привода, трансмиссия с кнопочным переключением передач, 2WD Шланги гидростатического привода, трансмиссия с кнопочным переключением передач, 2WD]()
1 - Фланцевая гайка 14M7298 1 Примечание:M8
2 - Болт 19M7791 6 Примечание:M12 X 40
3 - Винт 19M7866 Количество:5 Примечание:M8 X 20
4 - Винт 19M7913 Количество:5 Примечание:M8 X 90
5 - Винт 19M8039 Количество:21 Примечание:M8 X 80
6 - Шланговый зажим AH230729 Количество:26
7 - Гидрошланг AXE36181 Примечание:LGTH = 5060 mm
8 - Гидрошланг AXE44433 Примечание:LGTH = 4870 mm
9 - Зажимная скоба AH77869 Количество:4
10 - Шайба H159104 Количество:5
11 - Фланцевый фитинг T107068 Количество:8
12 - Болт 03M7183 Количество:6 Примечание:M8 X 16
13 - Уплотнительное кольцо T78313 Количество:4
14 - Гидрошланг AXE45534 Примечание:LGTH = 4720 mm
15 - Кронштейн AXE49692 Количество:3
16 - Винт 19M7897 Примечание:M8 X 35
17 - Зажимная скоба AH90990
18 - Распорная втулка HXE30219
19 - Кронштейн HXE96889 Количество:5
20 - Зажимная скоба T27550 Количество:2
Наверх
Шланги гидростатического привода, трансмиссия с кнопочным переключением передач, 4WD - ST827707
![Джон Дир W650 Шланги гидростатического привода, трансмиссия с кнопочным переключением передач, 4WD Шланги гидростатического привода, трансмиссия с кнопочным переключением передач, 4WD]()
1 - Винт 19M7866 Количество:4 Примечание:M8 X 20
2 - Болт 03M7183 Количество:2 Примечание:M8 X 16
3 - Шланговый зажим AH230729 Количество:20
4 - Гидрошланг AXE36767 Примечание:LGTH = 1120 mm
5 - Гидрошланг AXE36769 Примечание:LGTH = 810 mm
6 - Гидрошланг AXE36843 Примечание:LGTH = 4000 mm
7 - Гидрошланг AXE36845 Примечание:LGTH = 4120 mm
8 - Кронштейн HXE73344
9 - Зажимная скоба AH77869 Количество:4
10 - Шайба H159104 Количество:4
11 - Фланцевый фитинг T107068 Количество:20
12 - Винт 19M8317 Примечание:M8 X 40
13 - Уплотнительное кольцо T78313 Количество: 10
14 - Гидрошланг AXE45534 Примечание:LGTH = 4720 mm
15 - Болт 19M7791 Количество:40 Примечание:M12 X 40
16 - Распределитель HXE84340
17 - Винт 19M8039 6 Примечание:M8 X 80
18 - Винт 19M7913 Количество:4 Примечание:M8 X 90
19 - Зажимная скоба AH90990
20 - Фланцевая гайка 14M7298 Количество:8 Примечание:M8
21 - Винт 19M7784 Количество:2 Примечание:M10 X 20
22 - Распорная втулка HXE30219
23 - Кронштейн HXE96889 Количество:4
24 - Зажимная скоба T27550
25 - Винт 19M8319 Примечание:M8 X 50
26 - Втулка H140460
Наверх
Шланги гидростатического привода, ProDrive™, 2WD - ST830067
![Джон Дир W650 Шланги гидростатического привода, ProDrive™, 2WD Шланги гидростатического привода, ProDrive™, 2WD]()
1 - Фланцевая гайка 14M7298 1 Примечание:M8
2 - Болт 19M7791 6 Примечание:M12 X 40
3 - Винт 19M7866 Количество:5 Примечание:M8 X 20
4 - Винт 19M7913 Количество:5 Примечание:M8 X 90
5 - Винт 19M8039 Количество:21 Примечание:M8 X 80
6 - Шланговый зажим AH230729 Количество:26
7 - Гидрошланг AXE36771 Примечание:LGTH = 5000 mm
8 - Гидрошланг AXE36770 Примечание:LGTH = 5030 mm
9 - Зажимная скоба AH77869 Количество:4
10 - Шайба H159104 Количество:5
11 - Фланцевый фитинг T107068 Количество:8
12 - Болт 03M7183 Количество:6 Примечание:M8 X 16
13 - Уплотнительное кольцо T78313 Количество:4
14 - Гидрошланг AXE43415 Примечание:LGTH = 5350 mm
15 - Кронштейн AXE49692 Количество:3
16 - Винт 19M8317 Примечание:M8 X 40
17 - Зажимная скоба AH90990
18 - Распорная втулка HXE30219
19 - Кронштейн HXE96889 Количество:5
20 - Зажимная скоба T27550 Количество:2
Наверх
Шланги гидростатического привода, ProDrive™, 4WD - ST828635
![Джон Дир W650 Шланги гидростатического привода, ProDrive™, 4WD Шланги гидростатического привода, ProDrive™, 4WD]()
1 - Винт 19M7866 Количество:4 Примечание:M8 X 20
2 - Болт 03M7183 Количество:2 Примечание:M8 X 16
3 - Шланговый зажим AH230729 Количество:20
4 - Гидрошланг AXE37449 Примечание:LGTH = 930 mm
5 - Гидрошланг AXE37448 Примечание:LGTH = 860 mm
6 - Гидрошланг AXE36773 Примечание:LGTH = 4040 mm
7 - Гидрошланг AXE36774 Примечание:LGTH = 4200 mm
8 - Кронштейн HXE73344
9 - Зажимная скоба AH77869 Количество:4
10 - Шайба H159104 Количество:4
11 - Фланцевый фитинг T107068 Количество:20
12 - Винт 19M8317 Примечание:M8 X 40
13 - Уплотнительное кольцо T78313 Количество: 10
14 - Гидрошланг AXE43415 Примечание:LGTH = 5350 mm
15 - Болт 19M7791 Количество:40 Примечание:M12 X 40
16 - Распределитель HXE84340
17 - Винт 19M8039 6 Примечание:M8 X 80
18 - Винт 19M7913 Количество:4 Примечание:M8 X 90
19 - Зажимная скоба AH90990
20 - Фланцевая гайка 14M7298 Количество:8 Примечание:M8
21 - Винт 19M7784 Количество:2 Примечание:M10 X 20
22 - Трубная заглушка L41709 Количество:2
23 - Уплотнительное кольцо 51M7041 Количество:2 Примечание:11.300 X 2.200 mm
24 - Распорная втулка HXE30219
25 - Кронштейн HXE96889 Количество:4
26 - Зажимная скоба T27550
27 - Винт 19M8319 Примечание:M8 X 50
28 - Втулка H140460
Наверх
Шланги гидростатического привода, 4WD - ST830733
![Джон Дир W650 Шланги гидростатического привода, 4WD Шланги гидростатического привода, 4WD]()
1 - Винт 19M7866 Количество:4 Примечание:M8 X 20
2 - Болт 03M7183 Количество:2 Примечание:M8 X 16
3 - Шланговый зажим AH230729 Количество:20
4 - Гидрошланг AXE37449 Примечание:LGTH = 930 mm
5 - Гидрошланг AXE37448 Примечание:LGTH = 860 mm
6 - Гидрошланг AXE36773 Примечание:LGTH = 4040 mm
7 - Гидрошланг AXE44709 Примечание:LGTH = 4190 mm
8 - Кронштейн HXE73344
9 - Зажимная скоба AH77869 Количество:4
10 - Шайба H159104 Количество:4
11 - Фланцевый фитинг T107068 Количество:20
12 - Винт 19M8317 Примечание:M8 X 40
13 - Уплотнительное кольцо T78313 1
14 - Гидрошланг AXE43415 Примечание:LGTH = 5350 mm
15 - Болт 19M7791 Количество:40 Примечание:M12 X 40
16 - Распределитель HXE84340
17 - Винт 19M8039 6 Примечание:M8 X 80
18 - Винт 19M7913 Количество:4 Примечание:M8 X 90
19 - Зажимная скоба AH90990
20 - Фланцевая гайка 14M7298 Количество:8 Примечание:M8
21 - Винт 19M7784 Количество:2 Примечание:M10 X 20
22 - Трубная заглушка L41709 Количество:2
23 - Уплотнительное кольцо 51M7041 Количество:2 Примечание:11.300 X 2.200 mm
24 - Коллектор HXE77815
25 - Винт 19M7818 Количество:4 Примечание:M12 X 80
26 - Распорная втулка HXE30219
27 - Кронштейн HXE96889 Количество:4
28 - Зажимная скоба T27550
29 - Винт 19M8319 Примечание:M8 X 50
30 - Втулка H140460
Наверх
Шланги гидростатического привода, 2WD - ST830736
![Джон Дир W650 Шланги гидростатического привода, 2WD Шланги гидростатического привода, 2WD]()
1 - Фланцевая гайка 14M7298 1 Примечание:M8
2 - Болт 19M7791 6 Примечание:M12 X 40
3 - Винт 19M7866 Количество:5 Примечание:M8 X 20
4 - Винт 19M7913 Количество:5 Примечание:M8 X 90
5 - Винт 19M8039 Количество:21 Примечание:M8 X 80
6 - Шланговый зажим AH230729 Количество:26
7 - Гидрошланг AXE36771 Примечание:LGTH = 5000 mm
8 - Гидрошланг AXE44497 Примечание:LGTH = 5100 mm
9 - Зажимная скоба AH77869 Количество:4
10 - Шайба H159104 Количество:5
11 - Фланцевый фитинг T107068 Количество:8
12 - Болт 03M7183 Количество:6 Примечание:M8 X 16
13 - Уплотнительное кольцо T78313 Количество:5
14 - Гидрошланг AXE43415 Примечание:LGTH = 5350 mm
15 - Кронштейн AXE49692 Количество:3
16 - Винт 19M8317 Примечание:M8 X 40
17 - Коллектор HXE77815
18 - Винт 19M7818 Количество:4 Примечание:M12 X 80
19 - Зажимная скоба AH90990
20 - Распорная втулка HXE30219
21 - Кронштейн HXE96889 Количество:5
22 - Зажимная скоба T27550 Количество:2
Наверх
Гидростатический мотор - ST919571
![Джон Дир W650 Гидростатический мотор Гидростатический мотор]()
1 - Винт с головкой 19M8969 Количество:4 Примечание:M18 X 60
2 - Шайба 24M7318 Количество:4 Примечание:19 X 34 X 3 mm
3 - Кольцевой уплотнитель Z103182
4 - Фитинг переходника 38H5013
5 - Пружинное кольцо 40M7115
6 - Винт 19M8666 Количество:2 Примечание:M6 X 16
7 - Уплотнительное кольцо T56238
8 - Контрольный клапан AXE40757
9 - Катушка эл/магн. клапана AXE13480
10 - Винт с головкой и гайка Z103085
11 - Уплотнительное кольцо Z103090
12 - Комплект гаек AXE13484
13 - Золотниковый клапан AXE61876
14 - Датчик скор. вращ. кол. AZ63242
15 - Жиклер H234178
16 - Уплотнительное кольцо T56238
17 - Фитинг T58477
18 - Мотор AXE58030
18 - Комплект уплотнений AXE40737
19 - Щиток HXE129887 Примечание:SUB FOR HXE79015
20 - Уплотнительное кольцо T77858
21 - Уплотнительное кольцо 51M7048 Примечание:29.600 X 2.900 mm
22 - Сальник AH232277
23 - Уплотнительное кольцо U15973
24 - Уплотнительное кольцо N310542
25 - Уплотнительное кольцо T80037
Наверх
Гидравлические шланги, задний мост, ProDrive™ - ST828012
![Джон Дир W650 Гидравлические шланги, задний мост, ProDrive™ Гидравлические шланги, задний мост, ProDrive™]()
1 - Болт 19M7791 Количество:8 Примечание:M12 X 40
2 - Винт 19M8039 6 Примечание:M8 X 80
3 - Шланговый зажим AH230729 6
4 - Гидрошланг AXE43461 Примечание:LGTH = 2345 mm
5 - Зажимная скоба T27550 Количество:3
6 - Кронштейн AXE56824
7 - Фланцевый фитинг T107068 Количество:4
8 - Кронштейн AXE56925
9 - Уплотнительное кольцо T78313 Количество:2
10 - Винт 19M7866 1 Примечание:M8 X 20
11 - Фланцевая гайка 14M7298 Количество:3 Примечание:M8
12 - Гидрошланг AXE57094 Примечание:LGTH = 3305 mm
13 - Кронштейн AXE48904
14 - Винт 19M7868 Примечание:M8 X 30
15 - Уголок Z61852
16 - Втулка N61709
17 - Винт 19M8317 Примечание:M8 X 40
18 - Гидрошланг AXE57095 Примечание:LGTH = 3655 mm
19 - Гайка H158135 Количество:6
20 - Винт 19M8291 Количество:2 Примечание:M8 X 35
21 - Вертлюг AN209168
22 - Обвязной хомут H224073 Количество:2
Наверх
Гидравлические шланги, задний мост, ProDrive™ - ST828644
![Джон Дир W650 Гидравлические шланги, задний мост, ProDrive™ Гидравлические шланги, задний мост, ProDrive™]()
1 - Болт 19M7791 Количество:8 Примечание:M12 X 40
2 - Винт 19M8039 6 Примечание:M8 X 80
3 - Шланговый зажим AH230729 6
4 - Гидрошланг AXE44835 Примечание:LGTH = 2400 mm
5 - Кронштейн AXE56824
6 - Кронштейн AXE56925
7 - Фланцевый фитинг T107068 Количество:4
8 - Гидрошланг AXE57094 Примечание:LGTH = 3305 mm
9 - Уплотнительное кольцо T78313 Количество:2
10 - Винт 19M7866 Количество: 10 Примечание:M8 X 20
11 - Фланцевая гайка 14M7298 Количество:3 Примечание:M8
12 - Гидрошланг AXE57095 Примечание:LGTH = 3655 mm
13 - Кронштейн AXE48904
14 - Винт 19M7868 Примечание:M8 X 30
15 - Уголок Z61852
16 - Втулка N61709
17 - Винт 19M8317 Примечание:M8 X 40
18 - Гайка H158135 Количество:6
19 - Зажимная скоба T27550 Количество:3
20 - Винт 19M8291 Количество:2 Примечание:M8 X 35
21 - Вертлюг AN209168
22 - Обвязной хомут H224073 Количество:2
Наверх
Гидравлические шланги заднего моста, трансмиссия с кнопочным переключением передач - ST828637
![Джон Дир W650 Гидравлические шланги заднего моста, трансмиссия с кнопочным переключением передач Гидравлические шланги заднего моста, трансмиссия с кнопочным переключением передач]()
1 - Болт 19M7791 Количество:8 Примечание:M12 X 40
2 - Винт 19M8039 6 Примечание:M8 X 80
3 - Шланговый зажим AH230729 6
4 - Гидрошланг AXE43461 Примечание:LGTH = 2345 mm
5 - Зажимная скоба T27550 Количество:3
6 - Кронштейн AXE56824
7 - Фланцевый фитинг T107068 Количество:4
8 - Кронштейн AXE56925
9 - Уплотнительное кольцо T78313 Количество:2
10 - Винт 19M7866 Количество: 10 Примечание:M8 X 20
11 - Фланцевая гайка 14M7298 Количество:3 Примечание:M8
12 - Гидрошланг AXE57123 Примечание:LGTH = 3610 mm
13 - Кронштейн AXE48904
14 - Винт 19M7868 Примечание:M8 X 30
15 - Уголок Z61852
16 - Втулка N61709
17 - Винт 19M8317 Примечание:M8 X 40
18 - Гидрошланг AXE57122 Примечание:LGTH = 3375 mm
19 - Гайка H158135 Количество:6
20 - Винт 19M8291 Количество:2 Примечание:M8 X 35
21 - Вертлюг AN209168
22 - Обвязной хомут H224073 Количество:2
Наверх
Гидравлические шланги заднего моста, трансмиссия с кнопочным переключением передач - ST830460
![Джон Дир W650 Гидравлические шланги заднего моста, трансмиссия с кнопочным переключением передач Гидравлические шланги заднего моста, трансмиссия с кнопочным переключением передач]()
1 - Болт 19M7791 Количество:8 Примечание:M12 X 40
2 - Винт 19M8039 6 Примечание:M8 X 80
3 - Шланговый зажим AH230729 6
4 - Гидрошланг AXE44835 Примечание:LGTH = 2400 mm
5 - Зажимная скоба T27550 Количество:3
6 - Кронштейн AXE56824
7 - Фланцевый фитинг T107068 Количество:4
8 - Гайка H158135 Количество:6
9 - Уплотнительное кольцо T78313 Количество:2
10 - Винт 19M7866 1 Примечание:M8 X 20
11 - Фланцевая гайка 14M7298 Количество:3 Примечание:M8
12 - Кронштейн AXE56925
13 - Кронштейн AXE48904
14 - Винт 19M7868 Примечание:M8 X 30
15 - Уголок Z61852
16 - Втулка N61709
17 - Винт 19M8317 Примечание:M8 X 40
18 - Гидрошланг AXE57123 Примечание:LGTH = 3375 mm
19 - Гидрошланг AXE57122 Примечание:LGTH = 3610 mm
20 - Винт 19M8291 Количество:2 Примечание:M8 X 35
21 - Вертлюг AN209168
22 - Обвязной хомут H224073 Количество:2
Наверх
Клапан управления, HillMaster™ - ST828746
![Джон Дир W650 Клапан управления, HillMaster™ Клапан управления, HillMaster™]()
1 - Клапан AZ102522 Количество:2
1 - Комплект уплотнений AZ102524 Количество:2
2 - Катушка эл/магн. клапана AT333814 Количество:3
3 - Клапан AZ102527
3 - Комплект уплотнений AZ102528
4 - Электромагнитный клапан AZ102525
4 - Комплект уплотнений AZ102526
5 - Катушка эл/магн. клапана AT333808
6 - Шайба 24M7207 Количество:4 Примечание:8.400 X 24 X 2 mm
7 - Клапан AZ102532
7 - Комплект уплотнений AZ102533
8 - Винт 19M7657 Количество:4 Примечание:M8 X 25
9 - Электромагн. гидр. клапан W51732
10 - Трубная заглушка A73181 Количество:9
11 - Заглушка A73182
12 - Клапан AZ102529
12 - Комплект уплотнений AZ102530
13 - Уплотнительное кольцо R26906
14 - Фитинг переходника 38H1162
15 - Уплотнительное кольцо T77932
16 - Поршень Z103204 Количество:2
17 - Кронштейн Z103208
18 - Крышка R77175
19 - Быстросъемн. гидр. муфта AH125760
20 - Уплотнительное кольцо R26448
21 - Клапан AZ102531 Количество:2
21 - Комплект уплотнений AZ102526 Количество:2
22 - Фитинг переходника 38H1161 Количество:4
23 - Уплотнительное кольцо T77857 Количество:4
24 - Уплотнительное кольцо R26375 Количество:4
25 - Кронштейн HXE44400
26 - Шайба W51727
27 - Уплотнительное кольцо R26906
28 - Уплотнительное кольцо T77858
29 - Фитинг переходника 38H1193
30 - Винт 19M7866 Количество:6 Примечание:M8 X 20
31 - Фланцевая гайка 14M7298 Количество:6 Примечание:M8
32 - Кронштейн HXE100023
33 - Шайба W51729
34 - Электромагн. гидр. клапан AXE37827
35 - Стопор RE580931 Количество:2
36 - Электромагн. гидр. клапан Z103507
Наверх
Приводы HillMaster™ - ST827917
![Джон Дир W650 Приводы HillMaster™ Приводы HillMaster™]()
1 - Тройник 38H1023 Количество:2
2 - Уплотнительное кольцо R26448 Количество:6
3 - Уплотнительное кольцо T77613 Количество:8
4 - Фитинг переходника 38H1160 Количество:2
5 - Фитинг переходника 38H1161 Количество:4
6 - Уплотнительное кольцо T77857 Количество:5
7 - Уплотнительное кольцо R26375 Количество:4
8 - Гидравлический цилиндр AZ52815 Количество:2
8 - Комплект прокладок AZ64187 Количество:2
9 - Гидравлический цилиндр AZ55532
9 - Комплект гидроцилиндров AZ64241
10 - Коленчатый патрубок 38H1004 Количество:2
11 - Гидравлический цилиндр AZ55623
11 - Комплект гидроцилиндров AZ64242
12 - Коленчатый патрубок 38H1314
Наверх
Приводы HillMaster™, для тяжелых условий эксплуатации - ST832461
![Джон Дир W650 Приводы HillMaster™, для тяжелых условий эксплуатации Приводы HillMaster™, для тяжелых условий эксплуатации]()
1 - Тройник 38H5067 Количество:2
2 - Уплотнительное кольцо R26448 Количество:2
3 - Уплотнительное кольцо T77613 Количество:8
4 - Фитинг переходника 38H1160 Количество:2
5 - Фитинг переходника 38H1161 Количество:4
6 - Уплотнительное кольцо T77857 Количество:4
7 - Уплотнительное кольцо R26375 Количество:4
8 - Гидравлический цилиндр AZ52815 Количество:2
8 - Комплект прокладок AZ64187
9 - Гидравлический цилиндр AXE39051
9 - Комплект уплотнений AXE48417
10 - Коленчатый патрубок 38H5016 Количество:2
11 - Гидравлический цилиндр AXE52795
11 - Комплект уплотнений AXE53181
12 - Уплотнительное кольцо 51M7041 Количество:4 Примечание:11.300 X 2.200 mm
Наверх
Гидравлические шланги, ProDrive™, HillMaster™ - ST901455
![Джон Дир W650 Гидравлические шланги, ProDrive™, HillMaster™ Гидравлические шланги, ProDrive™, HillMaster™]()
1 - Винт 19M7865 Количество:4 Примечание:M8 X 16
2 - Гидрошланг AXE74072 Примечание:LGTH = 1605 mm, SUB FOR AXE62936; Cylinder to Hydro Motor ProDrive™
3 - Зажимная скоба AH97280 Количество:5
4 - Скоба R50454 Количество:4
5 - Гидрошланг AXE63687 Примечание:LGTH = 1945 mm, Hydraulic Valve to Cylinder
6 - Винт 37M7092 Примечание:M8 X 16
7 - Болт 03M7221 Количество:3 Примечание:M6 X 16
8 - Зажимная скоба AH77884 Количество:2
9 - Гидрошланг AXE43549 Примечание:LGTH = 5620 mm, Hydraulic Valve to Cylinder
10 - Обвязной хомут H224073
11 - Скоба R46414
12 - Маслопровод AXE74030 Примечание:SUB FOR AXE62894
13 - Винт 19M7866 Количество:5 Примечание:M8 X 20
14 - Винт 19M8317 Количество:3 Примечание:M8 X 40
15 - Гидрошланг AXE63686 Примечание:LGTH = 2230 mm, Hydraulic Valve to Cylinder
16 - Скоба HXE59899 Количество:6
17 - Фланцевая гайка 14M7298 Количество:9 Примечание:M8
18 - Винт 19M7796 Количество:3 Примечание:M6 X 30
19 - Обвязной хомут H77698 Количество:3 Посмотреть аналогичные детали
20 - Гидрошланг AXE74032 Количество:2 Примечание:LGTH = 510 mm, SUB FOR AXE37988; Hydraulic Hose Cylinder
21 - Гайка T78716 Количество:5
22 - Шайба H159104
23 - Болт 03M7091 Примечание:M6 X 40
24 - Гайка T81029 Количество:2
25 - Распорная втулка HXE30219 Количество:2
26 - Кронштейн HXE114620
27 - Гидрошланг AXE56027 Примечание:LGTH = 3505 mm, Master to Slave Cylinder
28 - Крышка HXE59900 Количество:3
29 - Втулка N61709 Количество:2
30 - Фланцевая гайка 14M7303 Количество:4 Примечание:M6
31 - Гидрошланг AXE57356 Примечание:LGTH = 1950 mm, HillMaster™ Valve to Pump
32 - Гидрошланг AXE43548 Примечание:LGTH = 5120 mm, Hydraulic Valve to Cylinder
33 - Маслопровод AXE42683
34 - Зажимная скоба AH96317 Количество:2
35 - Гидрошланг AXE56028 Примечание:LGTH = 3000 mm, Master to Slave Cylinder
36 - Скоба H75541
37 - Крышка HXE57315 Количество:2
38 - Гидрошланг AXE63685 Примечание:LGTH = 2130 mm, Hydraulic Valve to Cylinder
39 - Винт 19M7868 Примечание:M8 X 30
40 - Гидрошланг AXE57354 Примечание:LGTH = 2940 mm, Pressure HillMaster™ Valve
41 - Винт 19M7799 Количество:2 Примечание:M8 X 45
42 - Скоба H168854 Количество:2
43 - Скоба HXE57312 Количество:4
44 - Скоба R49921 Количество:5
45 - Гидрошланг AXE67665 Количество:4 Примечание:LGTH = 423 mm, Hydraulic Hose Cylinder
46 - Маслопровод AXE67769
47 - Маслопровод AXE67666
48 - Маслопровод AXE74031 Примечание:SUB FOR AXE67668
49 - Уплотнительное кольцо T77857 5
50 - Тройник 38H1532
51 - Уплотнительное кольцо T77858
52 - Коленчатый патрубок 38H1393 Количество:2
53 - Уплотнительное кольцо T77613 Количество:6
54 - Коленчатый патрубок 38H1323 Количество:4
55 - Тройник 38H1031
56 - Фитинг переходника 38H1275
57 - Тройник 38H1030
Наверх
Гидравлические шланги, трансмиссия с кнопочным переключением передач, HillMaster™ - ST901514
![Джон Дир W650 Гидравлические шланги, трансмиссия с кнопочным переключением передач, HillMaster™ Гидравлические шланги, трансмиссия с кнопочным переключением передач, HillMaster™]()
1 - Винт 19M7865 Количество:4 Примечание:M8 X 16
2 - Гидрошланг AXE74196 Примечание:LGTH = 1175 mm, SUB FOR AXE62937; Cylinder to Hydro Motor PBST
3 - Зажимная скоба AH97280 Количество:5
4 - Скоба R50454 Количество:4
5 - Гидрошланг AXE63687 Примечание:LGTH = 1945 mm, Hydraulic Valve to Cylinder
6 - Винт 37M7092 Примечание:M8 X 16
7 - Болт 03M7221 Количество:3 Примечание:M6 X 16
8 - Зажимная скоба AH77884 Количество:2
9 - Гидрошланг AXE43549 Примечание:LGTH = 5620 mm, Hydraulic Valve to Cylinder
10 - Обвязной хомут H224073
11 - Скоба R46414
12 - Маслопровод AXE74030 Примечание:SUB FOR AXE62894
13 - Винт 19M7866 Количество:6 Примечание:M8 X 20
14 - Винт 19M8317 Количество:3 Примечание:M8 X 40
15 - Гидрошланг AXE63686 Примечание:LGTH = 2230 mm, Hydraulic Valve to Cylinder
16 - Скоба HXE59899 Количество:6
17 - Фланцевая гайка 14M7298 Количество: 10 Примечание:M8
18 - Винт 19M7796 Количество:3 Примечание:M6 X 30
19 - Обвязной хомут H77698 Количество:3 Посмотреть аналогичные детали
20 - Гидрошланг AXE74032 Количество:2 Примечание:LGTH = 510 mm, SUB FOR AXE37988; Hydraulic Hose Cylinder
21 - Гайка T78716 Количество:5
22 - Шайба H159104
23 - Болт 03M7091 Примечание:M6 X 40
24 - Гайка T81029 Количество:2
25 - Распорная втулка HXE30219 Количество:2
26 - Кронштейн HXE114620
27 - Гидрошланг AXE56027 Примечание:LGTH = 3505 mm, Master to Slave Cylinder
28 - Крышка HXE59900 Количество:3
29 - Втулка N61709 Количество:2
30 - Фланцевая гайка 14M7303 Количество:4 Примечание:M6
31 - Гидрошланг AXE57356 Примечание:LGTH = 1950 mm, HillMaster™ Valve to Pump
32 - Гидрошланг AXE43548 Примечание:LGTH = 5120 mm, Hydraulic Valve to Cylinder
33 - Маслопровод AXE42683
34 - Зажимная скоба AH96317 Количество:2
35 - Гидрошланг AXE56028 Примечание:LGTH = 3000 mm, Master to Slave Cylinder
36 - Скоба H75541
37 - Крышка HXE57315 Количество:2
38 - Гидрошланг AXE63685 Примечание:LGTH = 2130 mm, Hydraulic Valve to Cylinder
39 - Винт 19M7868 Примечание:M8 X 30
40 - Гидрошланг AXE57354 Примечание:LGTH = 2940 mm, Pressure HillMaster™ Valve
41 - Винт 19M7799 Количество:2 Примечание:M8 X 45
42 - Скоба H168854 Количество:2
43 - Скоба HXE57312 Количество:4
44 - Скоба R49921 Количество:5
45 - Гидрошланг AXE67665 Количество:4 Примечание:LGTH = 423 mm, Hydraulic Hose Cylinder
46 - Маслопровод AXE67769
47 - Маслопровод AXE67666
48 - Маслопровод AXE67668
49 - Уплотнительное кольцо T77857 5
50 - Тройник 38H1532
51 - Уплотнительное кольцо T77858
52 - Коленчатый патрубок 38H1393 Количество:2
53 - Уплотнительное кольцо T77613 Количество:6
54 - Коленчатый патрубок 38H1323 Количество:4
55 - Тройник 38H1031
56 - Фитинг переходника 38H1275
57 - Тройник 38H1030
58 - Уголок Z61852
Наверх
Гидравлические шланги, передний мост, ProDrive™ - ST830271
![Джон Дир W650 Гидравлические шланги, передний мост, ProDrive™ Гидравлические шланги, передний мост, ProDrive™]()
1 - Коленчатый патрубок 38H5018
2 - Уплотнительное кольцо 51M7045 Примечание:19.300 X 2.200 mm
3 - Уплотнительное кольцо T77932
4 - Фитинг переходника 38H5037
5 - Уплотнительное кольцо T77613 Количество:2
6 - Уплотнительное кольцо 51M7042 Примечание:13.300 X 2.200 mm
7 - Фитинг переходника 38H5181
8 - Уплотнительное кольцо T77857
9 - Уплотнительное кольцо 51M7047 Примечание:23.600 X 2.900 mm
10 - Гидравлический мотор AXE15516
10 - Комплект уплотнений AXE15959
11 - Уплотнительное кольцо E65288
12 - Маслопровод AXE37881
13 - Уголок Z61852 Количество:4
14 - Распорная втулка HXE30219 Количество:2
15 - Винт 19M7866 2 Примечание:M8 X 20
16 - Гидрошланг AXE39352 Примечание:LGTH = 1320 mm
17 - Зажимная скоба AH77869 Количество:3
18 - Гидрошланг AXE43412 Примечание:LGTH = 4910 mm
19 - Гидрошланг AXE39353 Примечание:LGTH = 2120 mm
20 - Зажимная скоба AH77884 2
21 - Гидрошланг AXE43413 Примечание:LGTH = 5820 mm
22 - Гидрошланг AXE43637 Примечание:LGTH = 5900 mm
23 - Болт 03M7091 Количество:2 Примечание:M6 X 40
24 - Винт 19M7785 Количество:2 Примечание:M10 X 25
25 - Коленчатый патрубок 38H1094
26 - Фланцевая гайка 14M7303 Примечание:M6
27 - Фланцевая гайка 14M7298 Количество:8 Примечание:M8
28 - Гидрошланг AXE50297 Примечание:LGTH = 1340 mm
29 - Кронштейн H204362 Количество:2
30 - Винт 19M8331 Количество:2 Примечание:M8 X 20
31 - Винт 37M7092 Примечание:M8 X 16
32 - Распорная втулка Z104269
33 - Вертлюг AN209168 Количество:2
34 - Обвязной хомут H224073 Количество:4
35 - Пластина HXE91125
36 - Болт 03M7307 Количество:2 Примечание:M10 X 25
37 - Фланцевая гайка 14M7296 Количество:2 Примечание:M10
38 - Скоба T72393
39 - Винт 37M7096 Примечание:M8 X 35
40 - Скоба H168854
Наверх
Гидравлические шланги, передний мост, трансмиссия с кнопочным переключением передач, Tier 2 - ST847377
![Джон Дир W650 Гидравлические шланги, передний мост, трансмиссия с кнопочным переключением передач, Tier 2 Гидравлические шланги, передний мост, трансмиссия с кнопочным переключением передач, Tier 2]()
1 - Кронштейн H204362
2 - Винт 37M7092 Примечание:M8 X 16
3 - Скоба AH226096 Количество: 10
4 - Уголок Z61852
5 - Винт 37M7096 Примечание:M8 X 35
6 - Вертлюг AN209168 Количество:3
7 - Скоба R49921
8 - Гидрошланг AXE56696
9 - Обвязной хомут H224073 Количество:6
10 - Фланцевая гайка 14M7298 Количество:7 Примечание:M8
11 - Винт 19M7866 1 Примечание:M8 X 20
12 - Гидрошланг AXE56695
13 - Тройник 38H1030 Количество:2
14 - Распорная втулка Z104269
15 - Гидрошланг AXE43738
16 - Уплотнительное кольцо T77613 Количество:4
17 - Скоба H168854
Наверх
Гидравлические шланги, передний мост, трансмиссия с кнопочным переключением передач, Final Tier 4 - ST830313
![Джон Дир W650 Гидравлические шланги, передний мост, трансмиссия с кнопочным переключением передач, Final Tier 4 Гидравлические шланги, передний мост, трансмиссия с кнопочным переключением передач, Final Tier 4]()
1 - Скоба AH226096 Количество: 10
2 - Винт 19M7866 2 Примечание:M8 X 20
3 - Гидрошланг AXE43738 Примечание:LGTH = 5280 mm
4 - Гидрошланг AXE43740 Примечание:LGTH = 6005 mm
5 - Гидрошланг AXE43739 Примечание:LGTH = 5852 mm
6 - Кронштейн H204362
7 - Тройник 38H1030 Количество:2
8 - Уплотнительное кольцо T77613 Количество:4
9 - Фланцевая гайка 14M7298 Количество:3 Примечание:M8
10 - Винт 37M7092 Примечание:M8 X 16
11 - Уголок Z61852
12 - Вертлюг AN209168 Количество:3
13 - Обвязной хомут H224073 Количество:6
14 - Распорная втулка Z104269
15 - Винт 37M7096 Примечание:M8 X 35
16 - Скоба AH78237
17 - Скоба R49921
18 - Скоба H168854
Наверх
Компоненты трубопровода, ProDrive™ - ST830347
![Джон Дир W650 Компоненты трубопровода, ProDrive™ Компоненты трубопровода, ProDrive™]()
1 - Фланцевая гайка 14M7303 Количество:2 Примечание:M6
2 - Винт 19M8321 Количество:2 Примечание:M6 X 45
3 - Тройник 38H1032
4 - Уплотнительное кольцо T77932 Количество:5
5 - Уплотнительное кольцо R26375 Количество:4
6 - Уплотнительное кольцо T77857 Количество:5
7 - Фитинг переходника 38H1161 Количество:3
8 - Уплотнительное кольцо R26906
9 - Фитинг переходника 38H1162
10 - Тройник 38H5069
11 - Маслопровод AXE15969
12 - Фитинг 38H1317
13 - Коленчатый патрубок 38H1404
14 - Уплотнительное кольцо U12547
15 - Фитинг переходника 38H5280
16 - Уплотнительное кольцо 51M7049 Примечание:38.600 X 2.900 mm
17 - Уплотнительное кольцо T78612 Количество:2
18 - Обратный клапан AH226091
19 - Маслопровод AXE15930
20 - Кронштейн HXE75468
Наверх