Содержимое: Каталог Запчастей John Deere :W650 Combine (PIN 1Z0W650XXXX110000-1Z0W650XXXX114999)(PIN 1JZW650XXXX110000-1JZW650XXXX114999)(Russian) - PC14155 CS Шасси и конструкция CSDV Приводы и силовые установки
Торсионный демпфер - ST823074
Картер коробки передач двигателя, двигатели Tier 2 объемом 6,8 L - ST826858
Сцепление картера коробки передач двигателя, двигатели Tier 2 объемом 6,8 L - ST867498
Корпус картера коробки передач двигателя, двигатели Tier 2 объемом 6,8 L - ST867499
Клапан картера коробки передач двигателя, двигатели Tier 2 объемом 6,8 L - ST867500
Фильтр картера коробки передач двигателя, двигатели Tier 2 объемом 6,8 L - ST867511
Дифференциал картера коробки передач двигателя, двигатели Tier 2 объемом 6,8 L (1 из 4) - ST867512
Дифференциал картера коробки передач двигателя, двигатели Tier 2 объемом 6,8 L (2 из 4) - ST867513
Дифференциал картера коробки передач двигателя, двигатели Tier 2 объемом 6,8 L (3 из 4) - ST867517
Дифференциал картера коробки передач двигателя, двигатели Tier 2 объемом 6,8 L (4 из 4) - ST867520
Картер коробки передач двигателя, Tier 2 и Final Tier 4 - ST824153
Сцепление картера коробки передач двигателя, Tier 2 и Final Tier 4 - ST867426
Корпус картера коробки передач двигателя, Tier 2 и Final Tier 4 - ST867429
Клапан картера коробки передач двигателя, Tier 2 и Final Tier 4 - ST867432
Фильтр картера коробки передач двигателя, Tier 2 и Final Tier 4 - ST867438
Дифференциал картера коробки передач двигателя, Tier 2 и Final Tier 4 (1 из 4) - ST867441
Дифференциал картера коробки передач двигателя, Tier 2 и Final Tier 4 (2 из 4) - ST867446
Дифференциал картера коробки передач двигателя, Tier 2 и Final Tier 4 (3 из 4) - ST867467
Дифференциал картера коробки передач двигателя, Tier 2 и Final Tier 4 (4 из 4) - ST867468
Редуктор вала отбора мощности, ProDrive™ (1 из 8) - ST824135
Редуктор вала отбора мощности, ProDrive™ (2 из 8) - ST865818
Редуктор вала отбора мощности, ProDrive™ (3 из 8) - ST865844
Редуктор вала отбора мощности, ProDrive™ (4 из 8) - ST865850
Редуктор вала отбора мощности, ProDrive™ (5 из 8) - ST865860
Редуктор вала отбора мощности, ProDrive™ (6 из 8) - ST865988
Клапан регулировки давления главного редуктора, ProDrive™ (7 из 8) - ST865889
Редуктор вала отбора мощности, масляный фильтр и шланги, ProDrive™ (8 из 8) - ST865884
Направляющая привода ремня выгрузного шнека - ST824299
Электромагнитная муфта жатки и основной промежуточный вал - ST940429
Карданный шарнир и приводной вал основного промежуточного вала Карданный шарнир и приводной вал основного промежуточного вала - ST821263
Редуктор главного промежуточного вала - ST940376
Торсионный демпфер - ST823074
![Джон Дир W650 Торсионный демпфер Торсионный демпфер]()
1 - Шлицевое соединение AH168456
2 - Шариковый подшипник JD7147
3 - Шайба R42729 Количество:6
4 - Винт R57725 Количество:6
Наверх
Картер коробки передач двигателя, двигатели Tier 2 объемом 6,8 L - ST826858
![Джон Дир W650 Картер коробки передач двигателя, двигатели Tier 2 объемом 6,8 L Картер коробки передач двигателя, двигатели Tier 2 объемом 6,8 L]()
1 - Редуктор DE31156
Наверх
Сцепление картера коробки передач двигателя, двигатели Tier 2 объемом 6,8 L - ST867498
![Джон Дир W650 Сцепление картера коробки передач двигателя, двигатели Tier 2 объемом 6,8 L Сцепление картера коробки передач двигателя, двигатели Tier 2 объемом 6,8 L]()
1 - Муфта DE20480
2 - Винт 19M7786 Количество:6 Примечание:M10 X 30
3 - Винт 19M7863 Количество:8 Примечание:M6 X 25
4 - Пружинное кольцо 40M7090
5 - Диск муфты AH125490 Количество:4
6 - Пружинное кольцо CE17940
7 - Ведущий вал CE31624
8 - Сальник AH209644
9 - Прокладка CE20231
10 - Корпус DE20127
11 - Трубная заглушка 15H559 Примечание:1/4"
12 - Сиденье R68824
13 - Шар 400R Посмотреть аналогичные детали
14 - Штифт H111474
15 - Шариковый подшипник JD8676
16 - Кольцо R204520
17 - Шайба R76937
18 - Кольцевой уплотнитель R77764 Количество:2
19 - Пружинное кольцо T14323
20 - Круглый стопор T49676
21 - Пружинное кольцо T50409
22 - Тарельчатая пружина T50415 Количество:5
23 - Шайба T62508
24 - Пластина T70309 Количество:4
25 - Ступица CE17885
26 - Барабан CE17886
27 - Поршень CE17887
28 - Шайба CE17900
29 - Ступица DE18734
30 - Ступица CE17884
31 - Шайба R76674 Количество:2
32 - Корпус DE20926
33 - Прокладка H125354
34 - Винт 19M7835 Количество:6 Примечание:M10 X 35
Наверх
Корпус картера коробки передач двигателя, двигатели Tier 2 объемом 6,8 L - ST867499
![Джон Дир W650 Корпус картера коробки передач двигателя, двигатели Tier 2 объемом 6,8 L Корпус картера коробки передач двигателя, двигатели Tier 2 объемом 6,8 L]()
1 - Корпус DE30763
2 - Винт 37H26 Количество:4 Примечание:0.116" X 1/4"
3 - Крышка H127159
4 - Винт 19M7866 Количество:8 Примечание:M8 X 20
5 - Стопорная гайка H137328 Количество:2
6 - Зажимная скоба AH90990
7 - Прокладка H126792
8 - Колпачок CE21567
9 - Винт 19M7868 Количество:4 Примечание:M8 X 30
10 - Труба DE30518
11 - Фитинг переходника CE30927
12 - Уплотнительное кольцо 51M7049 Примечание:38.600 X 2.900 mm
13 - Труба CE21585
14 - Пробка сливного отверстия R27474
15 - Уплотнительное кольцо R26906
16 - Уплотнительное кольцо CE20304
17 - Фильтр CE19990
18 - Желоб H130140
19 - Фланцевая гайка 14M7299 Количество:4 Примечание:M12
20 - Болт 19M7791 Количество:4 Примечание:M12 X 40
21 - Винт с головкой 19H2000 Количество:2 Примечание:3/4" X 5"
22 - Винт с головкой 19H1782 Количество:2 Примечание:3/4" X 2-1/4"
23 - Шайба 24M7242 Количество:4 Примечание:21.400 X 42 X 5 mm
24 - Щуп AXE15696
Наверх
Клапан картера коробки передач двигателя, двигатели Tier 2 объемом 6,8 L - ST867500
![Джон Дир W650 Клапан картера коробки передач двигателя, двигатели Tier 2 объемом 6,8 L Клапан картера коробки передач двигателя, двигатели Tier 2 объемом 6,8 L]()
1 - Клапан DE20475
2 - Переключатель давления AXE13616
3 - Клапан DE19753
4 - Клапан AXE58691
5 - Заглушка фитинга CE21285
6 - Уплотнительное кольцо 51M7044 Количество:3 Примечание:17.300 X 2.200 mm
7 - Заглушка фитинга DE31894 Примечание:SUB FOR DE30008
8 - Заглушка фитинга CE34286 Примечание:SUB FOR CE30032
9 - Пружина H89241
10 - Уплотнительное кольцо R28776 Количество:3
11 - Клапан CE31174 Количество:3
12 - Диагностическая муфта RE190805
13 - Заглушка фитинга RE46684 Количество:3
14 - Пробка сливного отверстия R107768 Количество:3
15 - Уплотнительное кольцо 51M7041 Количество:5 Примечание:11.300 X 2.200 mm
16 - Винт T204128 Количество:4
17 - Корпус CE20143
18 - Заглушка фитинга CE21284
19 - Прокладка R33521 Примечание:TK = 0.762 mm
20 - Пружина сжатия CE31802
21 - Пружина сжатия CE30443
22 - Фитинг переходника AXE54504
23 - Прокладка CE30048
24 - Крышка R77175
25 - Винт 19M7979 Количество:7 Примечание:M8 X 55
26 - Фитинг переходника 38H5002
27 - Уплотнительное кольцо T77613
28 - Тройник 38H5030
29 - Уплотнительное кольцо T77932 Количество:4
30 - Уплотнительное кольцо 51M7045 Примечание:19.300 X 2.200 mm
31 - Фитинг переходника 38H5152 Количество:2
32 - Уплотнительное кольцо 51M7047 Количество:2 Примечание:23.600 X 2.900 mm
33 - Датчик темп. охл. жидк. RE537637
Наверх
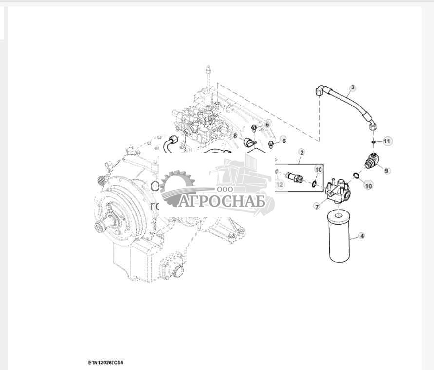
Фильтр картера коробки передач двигателя, двигатели Tier 2 объемом 6,8 L - ST867511
![Джон Дир W650 Фильтр картера коробки передач двигателя, двигатели Tier 2 объемом 6,8 L Фильтр картера коробки передач двигателя, двигатели Tier 2 объемом 6,8 L]()
1 - Линия DE30875
2 - Фитинг переходника DE30872
3 - Гидрошланг DE20938 Примечание:LGTH = 355 mm
4 - Гидравлический фильтр AH128449
5 - Кронштейн CE19693
6 - Винт 19M7784 Количество:4 Примечание:M10 X 20
7 - Гидравлический фильтр AXE48835
8 - Зажимная скоба AH90990
9 - Коленчатый патрубок 38H1013
10 - Уплотнительное кольцо U12547 Количество:2
11 - Уплотнительное кольцо T77857
12 - Уплотнительное кольцо T77932
Наверх
Дифференциал картера коробки передач двигателя, двигатели Tier 2 объемом 6,8 L (1 из 4) - ST867512
![Джон Дир W650 Дифференциал картера коробки передач двигателя, двигатели Tier 2 объемом 6,8 L (1 из 4) Дифференциал картера коробки передач двигателя, двигатели Tier 2 объемом 6,8 L (1 из 4)]()
1 - Винт 19M7805 Количество:5 Примечание:M10 X 45
2 - Винт 19M7835 Количество:6 Примечание:M10 X 35
3 - Шпонка вала 26H105 Примечание:3/8" X 2-1/8"
4 - Передача DE18571 Примечание:Z = 26 / 35
5 - Стопорная шайба H110800
6 - Стопорная шайба H110801
7 - Стопорная гайка H122650 Количество:2
8 - Корпус H125733
9 - Прокладка H125734 Примечание:TK = 0.08 mm
10 - Прокладка H125735 Примечание:TK = 0.13 mm
11 - Прокладка H125736 Примечание:TK = 0.25 mm
12 - Прокладка H125737 Примечание:TK = 0.5 mm
13 - Корпус H125738
14 - Прокладка H125740 Примечание:TK = 0.08 mm
15 - Прокладка H125741 Примечание:TK = 0.13 mm
16 - Прокладка H125742 Примечание:TK = 0.25 mm
17 - Прокладка H125743 Примечание:TK = 0.5 mm
18 - Маслосборник H125837
19 - Внутр. кольцо подшипника JD8162
20 - Наружн. кольцо подшипн. JD8206 Количество:2
21 - Внутр. кольцо подшипника JD9007
22 - Внутр. кольцо подшипника JD9075
23 - Наружн. кольцо подшипн. JD9132
24 - Уплотнительное кольцо R72032
25 - Ось AH139118
26 - Втулка R43305
Наверх
Дифференциал картера коробки передач двигателя, двигатели Tier 2 объемом 6,8 L (2 из 4) - ST867513
![Джон Дир W650 Дифференциал картера коробки передач двигателя, двигатели Tier 2 объемом 6,8 L (2 из 4) Дифференциал картера коробки передач двигателя, двигатели Tier 2 объемом 6,8 L (2 из 4)]()
1 - Фланцевая гайка 14M7296 Количество:4 Примечание:M10
2 - Винт 19M7811 Количество:2 Примечание:M10 X 90
3 - Винт 19M7835 Количество:6 Примечание:M10 X 35
4 - Коническая шестерня DE20283 Примечание:Z = 34 / 56
5 - Шпонка вала 26H105 Примечание:3/8" X 2-1/8"
6 - Прокладка L29044 Примечание:TK = 0.5 mm
7 - Сальник AT28975
8 - Наружн. кольцо подшипн. CE18403
9 - Корпус CE20785
10 - Конич. роликов. подшипник DE18609
11 - Сальник DE21028
12 - Ступица H101878
13 - Прокладка H119028 Примечание:TK = 0.08 mm
14 - Прокладка H119029 Примечание:TK = 0.13 mm
15 - Прокладка H119030 Примечание:TK = 0.25 mm
16 - Прокладка H119031 Примечание:TK = 0.5 mm
17 - Прокладка H125740 Примечание:TK = 0.08 mm
18 - Прокладка H125741 Примечание:TK = 0.13 mm
19 - Прокладка H125742 Примечание:TK = 0.25 mm
20 - Прокладка H125743 Примечание:TK = 0.5 mm
21 - Уплотнительное кольцо H125838
22 - Прокладка L29043 Примечание:TK = 0.25 mm
23 - Внутр. кольцо подшипника JD8162 Количество:2
24 - Наружн. кольцо подшипн. JD8206 Количество:2
25 - Пружинное кольцо P46770
26 - Прокладка L29041 Примечание:TK = 0.08 mm
27 - Прокладка L29042 Примечание:TK = 0.13 mm
28 - Винт 19M7786 Количество:2 Примечание:M10 X 30
29 - Направляющая HXE23497
Наверх
Дифференциал картера коробки передач двигателя, двигатели Tier 2 объемом 6,8 L (3 из 4) - ST867517
![Джон Дир W650 Дифференциал картера коробки передач двигателя, двигатели Tier 2 объемом 6,8 L (3 из 4) Дифференциал картера коробки передач двигателя, двигатели Tier 2 объемом 6,8 L (3 из 4)]()
1 - Винт 19M7790 Количество:7 Примечание:M12 X 35
2 - Винт 19M7863 Количество:8 Примечание:M6 X 25
3 - Скоба AH130222
4 - Сальник AH209644
5 - Зажимная скоба AH96317
6 - Прокладка CE17450 Примечание:TK = 0.08 mm
7 - Прокладка CE17451 Примечание:TK = 0.13 mm
8 - Прокладка CE17452 Примечание:TK = 0.25 mm
9 - Прокладка CE17453 Примечание:TK = 0.5 mm
10 - Корпус CE17844
11 - Стопорная шайба H110800
12 - Стопорная шайба H110801
13 - Стопорная гайка H122650 Количество:2
14 - Прокладка H125356
15 - Уплотнительное кольцо H125839
16 - Корпус H148769
17 - Наружн. кольцо подшипн. JD8206
18 - Внутр. кольцо подшипника JD9007
19 - Внутр. кольцо подшипника JD9075
20 - Наружн. кольцо подшипн. JD9132
Наверх
Дифференциал картера коробки передач двигателя, двигатели Tier 2 объемом 6,8 L (4 из 4) - ST867520
![Джон Дир W650 Дифференциал картера коробки передач двигателя, двигатели Tier 2 объемом 6,8 L (4 из 4) Дифференциал картера коробки передач двигателя, двигатели Tier 2 объемом 6,8 L (4 из 4)]()
1 - Шкив CE18550
2 - Шкив CE31865
3 - Стопорная гайка H165447
4 - Шайба 24H1668 Примечание:1-17/64" X 2-1/4" X 0.134"
5 - Кнопка H153524
6 - Ось CE20120
7 - Шариковый подшипник AH151653
8 - Винт 19M8306 Количество:4 Примечание:M12 X 50
9 - Формован. фланцевый корпус H174410
10 - Смазочная арматура JD7797
Наверх
Картер коробки передач двигателя, Tier 2 и Final Tier 4 - ST824153
![Джон Дир W650 Картер коробки передач двигателя, Tier 2 и Final Tier 4 Картер коробки передач двигателя, Tier 2 и Final Tier 4]()
1 - Редуктор DE30945
Наверх
Сцепление картера коробки передач двигателя, Tier 2 и Final Tier 4 - ST867426
![Джон Дир W650 Сцепление картера коробки передач двигателя, Tier 2 и Final Tier 4 Сцепление картера коробки передач двигателя, Tier 2 и Final Tier 4]()
Наверх
Корпус картера коробки передач двигателя, Tier 2 и Final Tier 4 - ST867429
![Джон Дир W650 Корпус картера коробки передач двигателя, Tier 2 и Final Tier 4 Корпус картера коробки передач двигателя, Tier 2 и Final Tier 4]()
1 - Корпус DE30763
2 - Винт 37H26 Количество:4 Примечание:0.116" X 1/4"
3 - Крышка H127159
4 - Винт 19M7866 Количество:8 Примечание:M8 X 20
5 - Стопорная гайка H137328 Количество:2
6 - Зажимная скоба AH90990
7 - Прокладка H126792
8 - Колпачок CE21567
9 - Винт 19M7868 Количество:4 Примечание:M8 X 30
10 - Труба DE30518
11 - Фитинг переходника CE30927
12 - Уплотнительное кольцо 51M7049 Примечание:38.600 X 2.900 mm
13 - Труба CE21585
14 - Пробка сливного отверстия R27474
15 - Уплотнительное кольцо R26906
16 - Уплотнительное кольцо CE20304
17 - Фильтр CE19990
18 - Желоб H130140
19 - Фланцевая гайка 14M7299 Количество:4 Примечание:M12
20 - Болт 19M7791 Количество:4 Примечание:M12 X 40
21 - Винт с головкой 19M7968 Количество:2 Примечание:M20 X 130
22 - Винт с головкой 19M8224 Количество:2 Примечание:M20 X 60
23 - Шайба 24M7242 Количество:4 Примечание:21.400 X 42 X 5 mm
24 - Щуп AXE15696
Наверх
Клапан картера коробки передач двигателя, Tier 2 и Final Tier 4 - ST867432
![Джон Дир W650 Клапан картера коробки передач двигателя, Tier 2 и Final Tier 4 Клапан картера коробки передач двигателя, Tier 2 и Final Tier 4]()
1 - Клапан DE20475
2 - Переключатель давления AXE13616
3 - Клапан DE19753
4 - Клапан AXE58691
5 - Заглушка фитинга CE21285
6 - Уплотнительное кольцо 51M7044 Количество:3 Примечание:17.300 X 2.200 mm
7 - Заглушка фитинга DE31894 Примечание:SUB FOR DE30008
8 - Заглушка фитинга CE34286 Примечание:SUB FOR CE30032
9 - Пружина H89241
10 - Уплотнительное кольцо R28776 Количество:3
11 - Клапан CE31174 Количество:3
12 - Диагностическая муфта RE190805
13 - Заглушка фитинга RE46684 Количество:3
14 - Пробка сливного отверстия R107768 Количество:3
15 - Уплотнительное кольцо 51M7041 Количество:5 Примечание:11.300 X 2.200 mm
16 - Винт T204128 Количество:4
17 - Корпус CE20143
18 - Заглушка фитинга CE21284
19 - Прокладка R33521 Примечание:TK = 0.030mm
20 - Пружина сжатия CE31802
21 - Пружина сжатия CE30443
22 - Фитинг переходника AXE54504
23 - Прокладка CE30048
24 - Крышка R77175
25 - Винт 19M7979 Количество:7 Примечание:M8 X 55
26 - Фитинг переходника 38H5002
27 - Уплотнительное кольцо T77613
28 - Тройник 38H5030
29 - Уплотнительное кольцо T77932 Количество:4
30 - Уплотнительное кольцо 51M7045 Примечание:19.300 X 2.200 mm
31 - Фитинг переходника 38H5152 Количество:2
32 - Уплотнительное кольцо 51M7047 Количество:2 Примечание:23.600 X 2.900 mm
33 - Датчик темп. охл. жидк. RE537637
Наверх
Фильтр картера коробки передач двигателя, Tier 2 и Final Tier 4 - ST867438
![Джон Дир W650 Фильтр картера коробки передач двигателя, Tier 2 и Final Tier 4 Фильтр картера коробки передач двигателя, Tier 2 и Final Tier 4]()
Наверх
Дифференциал картера коробки передач двигателя, Tier 2 и Final Tier 4 (1 из 4) - ST867441
![Джон Дир W650 Дифференциал картера коробки передач двигателя, Tier 2 и Final Tier 4 (1 из 4) Дифференциал картера коробки передач двигателя, Tier 2 и Final Tier 4 (1 из 4)]()
1 - Винт 19M7805 Количество:5 Примечание:M10 X 45
2 - Винт 19M7835 Количество:6 Примечание:M10 X 35
3 - Шпонка вала 26H105 Примечание:3/8" X 2-1/8"
4 - Передача DE19182 Примечание:Z = 23 / 34
5 - Стопорная шайба H110800
6 - Стопорная шайба H110801
7 - Стопорная гайка H122650 Количество:2
8 - Корпус H125733
9 - Прокладка H125734 Примечание:TK = 0.08 mm
10 - Прокладка H125735 Примечание:TK = 0.13 mm
11 - Прокладка H125736 Примечание:TK = 0.25 mm
12 - Прокладка H125737 Примечание:TK = 0.5 mm
13 - Корпус H125738
14 - Прокладка H125740 Примечание:TK = 0.08 mm
15 - Прокладка H125741 Примечание:TK = 0.13 mm
16 - Прокладка H125742 Примечание:TK = 0.25 mm
17 - Прокладка H125743 Примечание:TK = 0.5 mm
18 - Маслосборник H125837
19 - Внутр. кольцо подшипника JD8162
20 - Наружн. кольцо подшипн. JD8206 Количество:2
21 - Внутр. кольцо подшипника JD9007
22 - Внутр. кольцо подшипника JD9075
23 - Наружн. кольцо подшипн. JD9132
24 - Уплотнительное кольцо R72032
25 - Ось AH139118
26 - Втулка R43305
Наверх
Дифференциал картера коробки передач двигателя, Tier 2 и Final Tier 4 (2 из 4) - ST867446
![Джон Дир W650 Дифференциал картера коробки передач двигателя, Tier 2 и Final Tier 4 (2 из 4) Дифференциал картера коробки передач двигателя, Tier 2 и Final Tier 4 (2 из 4)]()
1 - Фланцевая гайка 14M7296 Количество:2 Примечание:M10
2 - Винт 19M7811 Количество:2 Примечание:M10 X 90
3 - Винт 19M7835 Количество:6 Примечание:M10 X 35
4 - Передача DE18718 Примечание:Z = 37 / 56
5 - Шпонка вала 26H105 Примечание:3/8" X 2-1/8"
6 - Прокладка L29044 Примечание:TK = 0.50 mm
7 - Сальник AT28975
8 - Наружн. кольцо подшипн. CE18403
9 - Корпус CE20785
10 - Конич. роликов. подшипник DE18609
11 - Сальник DE21028
12 - Ступица H101878
13 - Прокладка H119028 Примечание:TK = 0.08 mm
14 - Прокладка H119029 Примечание:TK = 0.13 mm
15 - Прокладка H119030 Примечание:TK = 0.25 mm
16 - Прокладка H119031 Примечание:TK = 0.5 mm
17 - Прокладка H125740 Примечание:TK = 0.08 mm
18 - Прокладка H125741 Примечание:TK = 0.13 mm
19 - Прокладка H125742 Примечание:TK = 0.25 mm
20 - Прокладка H125743 Примечание:TK = 0.5 mm
21 - Уплотнительное кольцо H125838
22 - Прокладка L29043 Примечание:TK = 0.25 mm
23 - Внутр. кольцо подшипника JD8162 Количество:2
24 - Наружн. кольцо подшипн. JD8206 Количество:2
25 - Пружинное кольцо P46770
26 - Прокладка L29041 Примечание:TK = 0.08 mm
27 - Прокладка L29042 Примечание:TK = 0.13 mm
Наверх
Дифференциал картера коробки передач двигателя, Tier 2 и Final Tier 4 (3 из 4) - ST867467
![Джон Дир W650 Дифференциал картера коробки передач двигателя, Tier 2 и Final Tier 4 (3 из 4) Дифференциал картера коробки передач двигателя, Tier 2 и Final Tier 4 (3 из 4)]()
Наверх
Дифференциал картера коробки передач двигателя, Tier 2 и Final Tier 4 (4 из 4) - ST867468
![Джон Дир W650 Дифференциал картера коробки передач двигателя, Tier 2 и Final Tier 4 (4 из 4) Дифференциал картера коробки передач двигателя, Tier 2 и Final Tier 4 (4 из 4)]()
1 - Шкив CE18581
2 - Шкив CE31865
3 - Стопорная гайка H165447
4 - Шайба 24H1668 Примечание:1-17/64" X 2-1/4" X 0.134"
5 - Кнопка H153524
6 - Ось CE20120
7 - Шариковый подшипник AH151653
8 - Винт 19M8306 Количество:4 Примечание:M12 X 50
9 - Формован. фланцевый корпус H174410
10 - Смазочная арматура JD7797
Наверх
Редуктор вала отбора мощности, ProDrive™ (1 из 8) - ST824135
![Джон Дир W650 Редуктор вала отбора мощности, ProDrive™ (1 из 8) Редуктор вала отбора мощности, ProDrive™ (1 из 8)]()
1 - Фланцевая гайка 14M7299 Количество:4 Примечание:M12
2 - Болт 19M7791 Количество:4 Примечание:M12 X 40
3 - Винт с головкой 19M7968 Количество:2 Примечание:M20 X 130
4 - Винт с головкой 19M8224 Количество:2 Примечание:M20 X 60
5 - Шайба 24M7242 Количество:4 Примечание:21.400 X 42 X 5 mm
6 - Редуктор DE30946
7 - Щуп AXE15696
8 - Датчик темп. охл. жидк. RE537637
Наверх
Редуктор вала отбора мощности, ProDrive™ (2 из 8) - ST865818
![Джон Дир W650 Редуктор вала отбора мощности, ProDrive™ (2 из 8) Редуктор вала отбора мощности, ProDrive™ (2 из 8)]()
1 - Стопорная гайка H165447
2 - Шайба 24H1668 Примечание:1-17/64" X 2-1/4" X 0.134"
3 - Шкив CE31865 Количество:4
4 - Винт 19M8306 Примечание:M12 X 50
5 - Формован. фланцевый корпус H174410
6 - Кнопка H153524
7 - Ось CE20120
8 - Винт 19M7811 Количество:6 Примечание:M10 X 90
9 - Винт 19M7835 Примечание:M10 X 35
10 - Корпус CE20785
11 - Сальник DE21028
12 - Ступица H101878 Количество:2
13 - Фланцевая гайка 14M7296 Примечание:M10
14 - Смазочная арматура JD7797
15 - Шкив CE18581
16 - Шариковый подшипник AH151653
.. - Редуктор DE30946
Наверх
Редуктор вала отбора мощности, ProDrive™ (3 из 8) - ST865844
![Джон Дир W650 Редуктор вала отбора мощности, ProDrive™ (3 из 8) Редуктор вала отбора мощности, ProDrive™ (3 из 8)]()
1 - Конич. роликов. подшипник DE18609
2 - Наружн. кольцо подшипн. CE18403
3 - Прокладка L29041 Примечание:TK = 0.08 mm
3 - Прокладка L29042 Примечание:TK = 0.13 mm
3 - Прокладка L29043 Примечание:TK = 0.25 mm
3 - Прокладка L29044 Примечание:TK = 0.50 mm
4 - Ось AH139118
5 - Втулка R43305
6 - Корпус DE30763
7 - Винт 19M7866 Количество: 10 Примечание:M8 X 20
8 - Крышка DE20792
9 - Желоб H130140
10 - Стопорная гайка H137328 Количество:2
11 - Передача DE18718 Примечание:Z = 37 / 56
12 - Шпонка вала 26H105 Примечание:3/8" X 2-1/8"
13 - Внутр. кольцо подшипника JD8162
14 - Наружн. кольцо подшипн. JD8206
15 - Сальник AT28975
16 - Уплотнительное кольцо H125838
17 - Прокладка H125740 Примечание:TK = 0.08 mm
17 - Прокладка H125741 Примечание:TK = 0.13 mm
17 - Прокладка H125742 Примечание:TK = 0.25 mm
17 - Прокладка H125743 Примечание:TK = 0.50 mm
18 - Шайба 24M7242 Количество:4 Примечание:21.400 X 42 X 5 mm
19 - Винт с головкой 19M8224 Количество:2 Примечание:M20 X 60
20 - Болт 19M7791 Количество:4 Примечание:M12 X 40
21 - Фланцевая гайка 14M7299 Количество:4 Примечание:M12
22 - Зажимная скоба AH90990 Количество:2
23 - Пробка сливного отверстия R27474 Количество:2
24 - Уплотнительное кольцо R26906 Количество:2
25 - Уплотнительное кольцо R26375 Количество:2
26 - Сапун AH20868
27 - Заглушка фитинга H126026 Количество:2
28 - Пружинное кольцо P46770
.. - Редуктор DE30946
Наверх
Редуктор вала отбора мощности, ProDrive™ (4 из 8) - ST865850
![Джон Дир W650 Редуктор вала отбора мощности, ProDrive™ (4 из 8) Редуктор вала отбора мощности, ProDrive™ (4 из 8)]()
1 - Шпонка вала 26H105 Примечание:3/8" X 2-1/8"
2 - Прокладка H125740 Примечание:TK = 0.08 mm
2 - Прокладка H125741 Примечание:TK = 0.13 mm
2 - Прокладка H125742 Примечание:TK = 0.25 mm
2 - Прокладка H125743 Примечание:TK = 0.50 mm
3 - Передача DE19182
4 - Внутр. кольцо подшипника JD8162 Количество:2
5 - Наружн. кольцо подшипн. JD8206 Количество:2
6 - Прокладка H119028 Примечание:TK = 0.08 mm
6 - Прокладка H119029 Примечание:TK = 0.13 mm
6 - Прокладка H119030 Примечание:TK = 0.25 mm
6 - Прокладка H119031 Примечание:TK = 0.50 mm
7 - Прокладка H125354
8 - Винт 19M7835 Количество:6 Примечание:M10 X 35
9 - Сальник AH207314 Количество:6
10 - Корпус H125733
.. - Редуктор DE30946
Наверх
Редуктор вала отбора мощности, ProDrive™ (5 из 8) - ST865860
![Джон Дир W650 Редуктор вала отбора мощности, ProDrive™ (5 из 8) Редуктор вала отбора мощности, ProDrive™ (5 из 8)]()
1 - Тарельчатая пружина T50415 Количество:5
2 - Шайба T62508
3 - Винт 19M7863 Количество:8 Примечание:M6 X 25
4 - Шайба CE17900
5 - Пружинное кольцо CE17940
6 - Ведущий вал CE31624
7 - Барабан CE17886
8 - Кольцевой уплотнитель R77764 Количество:2
9 - Шайба R76937
10 - Поршень CE17887
11 - Сиденье R68824
12 - Шар 400R Посмотреть аналогичные детали
13 - Штифт H111474
14 - Трубная заглушка 15H559 Примечание:1/4"
15 - Корпус DE20127
16 - Кольцо R204520
.. - Редуктор DE30946
17 - Шариковый подшипник JD8676
18 - Пружинное кольцо T14323
19 - Прокладка CE20231
20 - Пружинное кольцо 40M7090
21 - Корпус DE20926
22 - Круглый стопор T49676
23 - Пружинное кольцо T50409
24 - Пластина T70309 Количество:4
25 - Диск муфты AH125490 Количество:4
26 - Ступица DE18734
27 - Ступица CE17885
28 - Шайба R76674 Количество:2 Примечание:71.500 X 85 X 1.570 mm (2.815" X 3.346" X 1/16")
29 - Винт 19M7786 Количество:6 Примечание:M10 X 30
30 - Муфта DE20480
31 - Ступица CE17884
Наверх
Редуктор вала отбора мощности, ProDrive™ (6 из 8) - ST865988
![Джон Дир W650 Редуктор вала отбора мощности, ProDrive™ (6 из 8) Редуктор вала отбора мощности, ProDrive™ (6 из 8)]()
1 - Передача DE18718 Примечание:Z = 37 / 56
2 - Внутр. кольцо подшипника JD9075
3 - Наружн. кольцо подшипн. JD9132
4 - Уплотнительное кольцо H125839
5 - Прокладка CE17450 Примечание:TK = 0.08 mm
6 - Прокладка CE17451 Примечание:TK = 0.13 mm
7 - Прокладка CE17452 Примечание:TK = 0.25 mm
8 - Прокладка CE17453 Примечание:TK = 0.50 mm
9 - Винт 19M7790 Количество:7 Примечание:M12 X 35
10 - Зажимная скоба AH96317
11 - Корпус CE17844
12 - Внутр. кольцо подшипника JD9007 Количество:2
13 - Стопорная шайба CE34370 Количество:2
14 - Стопорная гайка H122650 Количество:4
15 - Стопорная шайба H110801 Количество:2
16 - Корпус H148769
17 - Сальник AH158595
18 - Прокладка H125356
19 - Скоба AH130222
20 - Корпус CE21677
21 - Винт с головкой 19M8499 Количество:5 Примечание:M10 X 60
22 - Передача DE19182 Примечание:Z = 23 / 34
23 - Труба CE21586
24 - Щуп AXE15696
25 - Винт 19M7868 Количество:4 Примечание:M8 X 30
26 - Маслосборник H125837
27 - Уплотнительное кольцо R72032
28 - Прокладка H125734 Примечание:TK = 0.08 mm
29 - Прокладка H125735 Примечание:TK = 0.13 mm
30 - Прокладка H125736 Примечание:TK = 0.25 mm
31 - Прокладка H125737 Примечание:TK = 0.50 mm
32 - Наружн. кольцо подшипн. JD8206 Количество:2
33 - Уплотнительное кольцо CE20304
34 - Винт 37H26 Количество:4 Примечание:0.116" X 1/4"
35 - Фильтр CE19990
36 - Прокладка H126792
37 - Колпачок CE21567
38 - Шайба 24M7028 Количество:5 Примечание:10.500 X 20 X 2 mm
39 - Винт 19M7863 Примечание:M6 X 25
40 - Шпонка вала 26H105 Примечание:3/8" X 2-1/8"
41 - Уплотнительное кольцо T28004
42 - Уплотнительное кольцо A4730R
Наверх
Клапан регулировки давления главного редуктора, ProDrive™ (7 из 8) - ST865889
![Джон Дир W650 Клапан регулировки давления главного редуктора, ProDrive™ (7 из 8) Клапан регулировки давления главного редуктора, ProDrive™ (7 из 8)]()
1 - Клапан DE30977
2 - Фитинг переходника 38H5002
3 - Уплотнительное кольцо 51M7041 Количество:5 Примечание:11.300 X 2.200 mm
4 - Уплотнительное кольцо T77613
5 - Тройник 38H5030
6 - Уплотнительное кольцо 51M7045 Примечание:19.300 X 2.200 mm
7 - Уплотнительное кольцо T77932 Количество:4
8 - Фитинг переходника 38H5152
9 - Уплотнительное кольцо 51M7047 Количество:2 Примечание:23.600 X 2.900 mm
10 - Переключатель давления AXE13616
11 - Корпус CE20143
12 - Клапан DE19753
13 - Клапан AXE58691 Примечание:SUB FOR DE20754
14 - Заглушка фитинга CE21285
15 - Уплотнительное кольцо 51M7044 Количество:3 Примечание:17.300 X 2.200 mm
16 - Заглушка фитинга CE21284
17 - Заглушка фитинга DE31894 Примечание:SUB FOR DE30008
18 - Заглушка фитинга CE34286 Примечание:SUB FOR CE30032
19 - Пружина H89241
20 - Уплотнительное кольцо R28776 Количество:3
21 - Прокладка R33521 Примечание:TK = 0.762 mm
22 - Пружина сжатия CE30443
23 - Клапан CE31174 Количество:3
24 - Заглушка фитинга RE46684 Количество:3
25 - Диагностическая муфта RE190805
26 - Фитинг переходника AXE54504
27 - Пружина сжатия CE31802
28 - Винт T204128 Количество:4
29 - Прокладка CE30048
30 - Корпус DE30763
31 - Фитинг переходника CE31933
32 - Винт 19M7979 Количество:7 Примечание:M8 X 55
33 - Пробка сливного отверстия R107768 Количество:3
34 - Крышка R77175
.. - Редуктор DE30946
Наверх
Редуктор вала отбора мощности, масляный фильтр и шланги, ProDrive™ (8 из 8) - ST865884
![Джон Дир W650 Редуктор вала отбора мощности, масляный фильтр и шланги, ProDrive™ (8 из 8) Редуктор вала отбора мощности, масляный фильтр и шланги, ProDrive™ (8 из 8)]()
1 - Переключатель AXE48833
2 - Уплотнительное кольцо R27976
3 - Гидрошланг DE20938
4 - Гидравлический фильтр AXE48835
5 - Гидравлический фильтр AH128449
6 - Кронштейн CE19693
7 - Винт 19M7784 Количество:4 Примечание:M10 X 20
8 - Зажимная скоба AH90990
9 - Корпус фильтра AH227847
10 - Гидравл. нагнетат. клапан AH128451
11 - Уплотнительное кольцо R26448
12 - Линия DE30875
13 - Труба CE21586
14 - Уплотнительное кольцо T77857
15 - Коленчатый патрубок 38H1013
16 - Уплотнительное кольцо U12547 Количество:2
17 - Фитинг переходника DE30872
18 - Уплотнительное кольцо T77932
19 - Труба DE30481
20 - Фитинг переходника CE30927
21 - Уплотнительное кольцо 51M7049 Примечание:38.600 X 2.900 mm
.. - Редуктор DE30946
Наверх
Направляющая привода ремня выгрузного шнека - ST824299
![Джон Дир W650 Направляющая привода ремня выгрузного шнека Направляющая привода ремня выгрузного шнека]()
1 - Фланцевая гайка 14M7296 Количество:2 Примечание:M10
2 - Винт 19M7786 Количество:2 Примечание:M10 X 30
3 - Опора AXE69906 Примечание:SUB FOR AXE56747
Наверх
Электромагнитная муфта жатки и основной промежуточный вал - ST940429
![Джон Дир W650 Электромагнитная муфта жатки и основной промежуточный вал Электромагнитная муфта жатки и основной промежуточный вал]()
1 - Фланцевая гайка 14M7296 Количество:2 Примечание:M10
2 - Винт 19M7784 Количество:2 Примечание:M10 X 20
3 - Винт 19M7827 Количество:2 Примечание:M16 X 80
4 - Винт 19M7835 Количество:4 Примечание:M10 X 35
5 - Шайба 24H1668 Примечание:1-17/64" X 2-1/4" X 0.134"
6 - Шпонка вала 26H105 Примечание:3/8" X 2-1/8", USE WITH AXE40586
7 - Шпонка вала 26H114 Примечание:1/2" X 2-3/4"
8 - Опора AXE12469
9 - Гайка 14H809 Примечание:1/2"
10 - Шайба Z73563 Количество:2
11 - Корпус H175874
12 - Стопорная гайка H165447
13 - Смазочная арматура JD7797
14 - Держатель угольной щетки AH162068
15 - Распорная втулка Z64078 Количество:2
16 - Ведущий вал AXE69945 Примечание:SUB FOR AXE40586
17 - Подшипник с корпусом AZ100352
18 - Шариковый подшипник JD10017
19 - Смазочная арматура JD7788
20 - Эксцентр. контров. кольцо JD8668
21 - Хомут H134773
22 - Втулка H148132 Количество:4
23 - Стопор H148133 Количество:4
24 - Шайба P50456 Количество:2
25 - Трак Z104266
26 - Шпонка вала HXE130625 Примечание:USE WITH AXE69945
Наверх
Карданный шарнир и приводной вал основного промежуточного вала Карданный шарнир и приводной вал основного промежуточного вала - ST821263
![Джон Дир W650 Карданный шарнир и приводной вал основного промежуточного вала Карданный шарнир и приводной вал основного промежуточного вала Карданный шарнир и приводной вал основного промежуточного вала Карданный шарнир и приводной вал основного промежуточного вала]()
1 - Стопорная гайка 14M7400 Количество:8 Примечание:M10
2 - Винт 19M7835 Количество:8 Примечание:M10 X 35
3 - Ведущий вал AXE52692 Примечание:SUB FOR AH170775
4 - Узел крестов. и подшипн. AH170776 Количество:2
5 - Вилка универсал. шарнира H176777
6 - Универсальный шарнир H176778
Наверх
Редуктор главного промежуточного вала - ST940376
![Джон Дир W650 Редуктор главного промежуточного вала Редуктор главного промежуточного вала]()
1 - Сальник AH137771
2 - Сальник AH137772
3 - Передача DE30138
4 - Шпонка вала 26H105 Примечание:3/8" X 2-1/8"
5 - Корпус CE18400
6 - Сальник E56866
7 - Прокладка H114226 Примечание:TK = 0.08 mm
8 - Прокладка H114227 Примечание:TK = 0.13 mm
9 - Прокладка H114228 Примечание:TK = 0.25 mm
10 - Стопорная шайба H118919
11 - Стопорная шайба H118920
12 - Прокладка H118927 Примечание:TK = 0.5 mm
13 - Уплотнительное кольцо H125838 Количество:2
14 - Корпус H126564
15 - Стопор H129844
16 - Редуктор H145001
17 - Ступица H176385
18 - Крышка H75267
19 - Наружн. кольцо подшипн. JD7292
20 - Внутр. кольцо подшипника JD7378
21 - Внутр. кольцо подшипника JD7395
22 - Наружн. кольцо подшипн. JD7418 Посмотреть аналогичные детали
23 - Смазочная арматура JD7797
24 - Наружн. кольцо подшипн. JD8210
25 - Наружн. кольцо подшипн. JD8255
26 - Внутр. кольцо подшипника JD9078
27 - Гайка N139123
28 - Прокладка T34354 Примечание:TK = 0.0508 mm
29 - Прокладка T34355 Примечание:TK = 0.127 mm
30 - Прокладка T34356 Примечание:TK = 0.254 mm
31 - Фитинг 15H3 Примечание:1/2"
32 - Винт 19M7786 1 Примечание:M10 X 30
33 - Винт 19M7807 Примечание:M10 X 60
34 - Винт 19M7866 Количество:4 Примечание:M8 X 20
35 - Штифт с канавкой 25M3827 Количество:2 Примечание:3 X 8 mm
36 - Ниппель с резьбой 29H217 Примечание:1/2"
37 - Щуп AH141022
38 - Внутр. кольцо подшипника R120461
39 - Уплотнительное кольцо A4540R
40 - Муфта AXE64277
41 - Винт 19M7788 Количество:4 Примечание:M12 X 25
42 - Зажимная скоба AH77279
43 - Ступица HXE68930
44 - Пружинное кольцо 40M7048
45 - Жгут проводов AH134207
Наверх