10118 - 325J Backhoe Loader (Russian) - 25Sep18

3362 Управляющий клапан и клапан удержания нагрузки

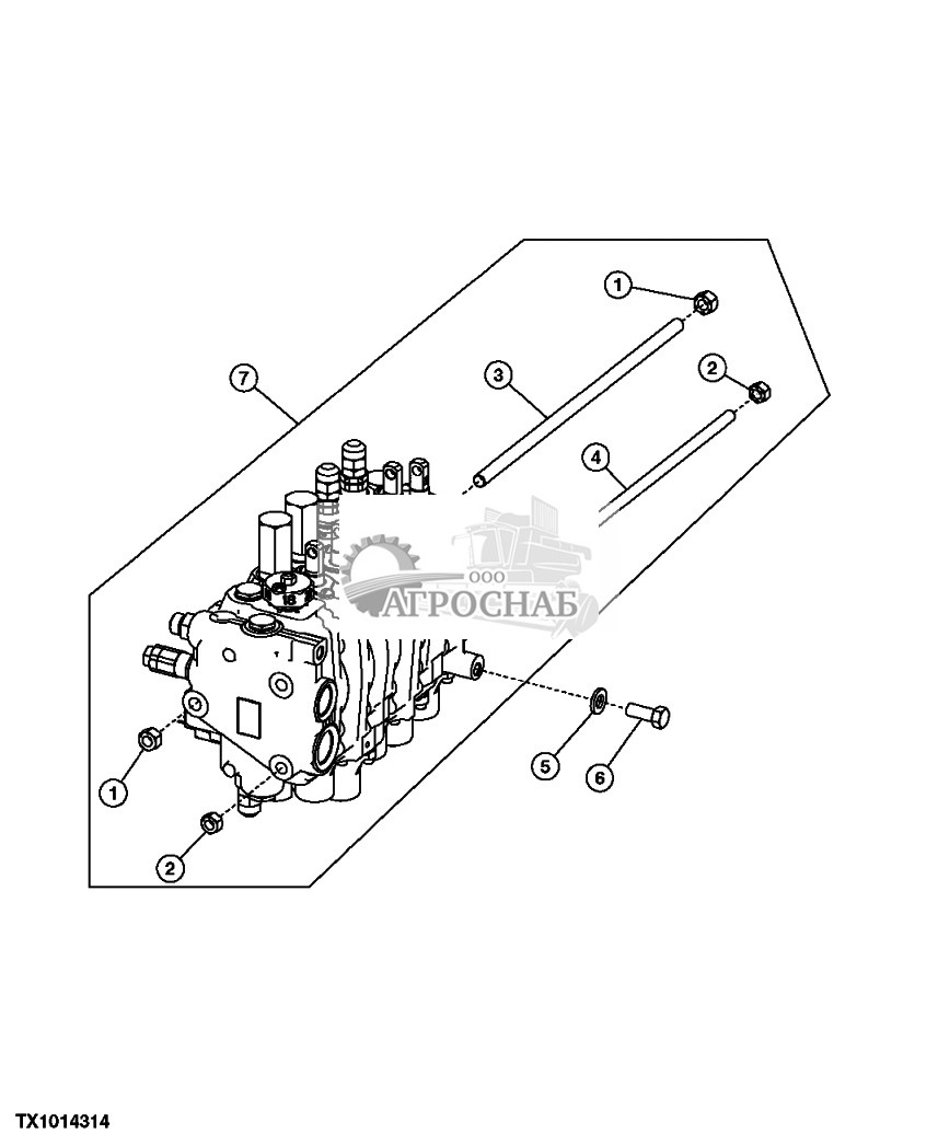
Контрольный клапан обратной лопаты

key PART NO. PART NAME QTY SERIAL NO. REMARKS
1 14H865 Гайка 2 1/2"
2 14H807 Гайка 4 7/16"
3 T140700 Стержень 1 6-функциональный
4 T118697 Стержень 2 6-функциональный
5 24M7240 Шайба 3 13 X 25 X 3 mm
6 19M8011 Винт с головкой 3 M12 X 30
7 AT300587 Контрольный клапан 1 См. решение 100904 6-функционал ьный с селективным управлением р асходом, детали на отдельной стр .

Секция приоритетного впуска с предохранительным клапаном измерения нагрузки ( - 217841)

key PART NO. PART NAME QTY SERIAL NO. REMARKS
1 AT191768 Золотник клапана 1
2 T76502 Фитинг 1
3 R26906 Уплотнительное кольцо 3
4 ...... Золотниковый клапан 1
5 T118685 Уплотнительное кольцо 1
6 ...... Корпус 1
7 T152374 Пружина 1
8 T160613 Заглушка 1
9 ...... Тарельчатый клапан 1
10 ...... Пружина сжатия 1
key PART NO. PART NAME QTY SERIAL NO. REMARKS
11 ...... Винт 1
12 ...... Кольцо 2
13 ...... Гайка 1
14 ...... Гайка 1
15 AT168671 Редукционный клапан 1 Определение нагрузки
16 38H1174 Фитинг переходника 1
17 T77857 Уплотнительное кольцо 2
18 ...... Уплотнительное кольцо 1
19 ...... Уплотнительное кольцо 1
20 ...... Пружина 1
key PART NO. PART NAME QTY SERIAL NO. REMARKS
21 ...... Защитное кольцо 1
22 ...... Уплотнительное кольцо 1
23 ...... Защитное кольцо 1
24 ...... Поршень 1
25 ...... Пружина 1
26 ...... Тарельчатый клапан 1
27 ...... Пружина 1
28 AT340275 Редукционный клапан 1 (3625 PSI)
29 R27218 Заглушка фитинга 1
30 R26448 Уплотнительное кольцо 1
key PART NO. PART NAME QTY SERIAL NO. REMARKS
31 AT314538 Комплект уплотнений 1 22.23 MM (7/8"), Предохранительный клапан
32 AT280406 Комплект уплотнений 1 Золотник

Секция приоритетного впуска без предохранительного клапана измерения нагрузки (217842 - )

key PART NO. PART NAME QTY SERIAL NO. REMARKS
1 AT386733 Контр. клап. с гидропр. 1 Требуется 38H1005, R26375, AND T 77857 Приоритетная секция впуска
AT280406 Комплект уплотнений 1
2 T76502 Фитинг 1
3 R26906 Уплотнительное кольцо 3 19.177 X 2.464 mm (0.755" X 0.097")
4 T160613 Заглушка 1
5 T152374 Пружина 1
6 T118685 Уплотнительное кольцо 1 88.494 X 3.531 mm (3-31/64" X 0.139")
7 T77857 Уплотнительное кольцо 2 12.421 X 1.778 mm (0.489" X 0.070")
8 38H1174 Фитинг переходника 1
9 AT340275 Редукционный клапан 1 243.04 bar (3525 psi)
key PART NO. PART NAME QTY SERIAL NO. REMARKS
AT314538 Комплект уплотнений 1 22.23 mm (0.875 in), П редохранительный клапан
10 AT386615 Датчик 1 Датчик давления функции автоматич еского включения оборотов холостог о хода Серия K AND Серия L Тольк о
11 T70177 Уплотнительное кольцо 1 Серия K AND Серия L Только

Секция распределителя стрелы

key PART NO. PART NAME QTY SERIAL NO. REMARKS
1 AT301783 Контр. клап. с гидропр. 1 Секция стрелы
2 AT171403 Редукционный клапан 1 148.24 bar (2150 psi)
4 AT301447 Редукционный клапан 1 379.21 bar (5500 psi) 26.99 mm (1.0625 in), Без антикавитационного клапана
5 AT301487 Редукционный клапан 1 379.21 bar (5500 psi) 26.99 mm (1.0625 in), Антикавитационный
6 T118866 Корпус 1
7 T118867 Пружина 1
8 AT178363 Редукционный клапан 1
9 ...... Уплотнительное кольцо 1 NLA, ORDER AT314539
10 ...... Защитное кольцо 1 NLA, ORDER AT314539
11 T118681 Уплотнительное кольцо 1 23.470 X 2.946 mm (0.924" X 0.116")
key PART NO. PART NAME QTY SERIAL NO. REMARKS
12 T104773 Винт с головкой 2 6.350 X 12.700 mm (1/4" X 1/2")
13 T81524 Пластина 2
14 ...... Сальник 2 NLA, ORDER AT444015
15 ...... Сальник 2 NLA, ORDER AT444015
16 T81538 Тарельчатый клапан 1
17 T81539 Пружина 1
18 T118685 Уплотнительное кольцо 1 88.494 X 3.531 mm (3-31/64" X 0.139")
19 AT178371 Комплект уплотнений 1 Проверка самопроизвольного движения
20 T201424 Заглушка 1
21 R26906 Уплотнительное кольцо 1 19.177 X 2.464 mm (0.755" X 0.097")
key PART NO. PART NAME QTY SERIAL NO. REMARKS
22 R111238 Пружина сжатия 1
23 T81540 Стопор 2
24 T160518 Пружина сжатия 1
25 R30903 Уплотнительное кольцо 1 6.071 X 1.626 mm (0.239" X 0.064")
26 T160519 Винт 1
27 T118808 Колпачок 1
28 19H3554 Винт 2 1/4" X 0.880"
31 T107887 Уплотнительное кольцо 2 17.170 X 1.778 mm (0.676" X 0.070")
32 ...... Защитное кольцо 2 NLA, ORDER AT300801
33 T118681 Уплотнительное кольцо 2 23.470 X 2.946 mm (0.924" X 0.116")
key PART NO. PART NAME QTY SERIAL NO. REMARKS
34 R63548 Уплотнительное кольцо 1 9.246 X 1.778 mm (0.364" X 0.070")
35 ...... Пружина 1 NLA, ORDER AT300801
36 ...... Уплотнительное кольцо 1 NLA, ORDER AT300801
37 AT444015 Комплект уплотнений 1 Не включает R30903
38 AT300801 Комплект уплотнений 1 Уплотнение и пружина
39 AT314539 Комплект уплотнений 1 26.99 mm (1.0625 in), П редохранительный клапан

Секция распределителя ковша

key PART NO. PART NAME QTY SERIAL NO. REMARKS
1 AT301782 Золотниковый клапан 1 Секция клапана ковша
2 AT301527 Редукционный клапан 2 317.16 bar (4600 psi) 26.99 mm (1.0625 in), Антикавитационный
3 AT307332 Заглушка 1 4-функциональный, 5-функциональный
4 ...... Сальник 2 NLA, ORDER AT444015
5 ...... Сальник 2 NLA, ORDER AT444015
6 T81538 Тарельчатый клапан 1
7 T81539 Пружина 1
8 T118685 Уплотнительное кольцо 1 88.494 X 3.531 mm (3-31/64" X 0.139")
9 T81540 Стопор 2
10 T160518 Пружина сжатия 1
key PART NO. PART NAME QTY SERIAL NO. REMARKS
11 T81541 Винт 1
12 T118808 Колпачок 1
13 19H3554 Винт 2 1/4" X 0.880"
14 T81524 Пластина 1
15 T118681 Уплотнительное кольцо 1 23.470 X 2.946 mm (0.924" X 0.116")
16 ...... Защитное кольцо 1 NLA, ORDER AT300801
17 T107887 Уплотнительное кольцо 1 17.170 X 1.778 mm (0.676" X 0.070")
18 21H1352 Винт 2 1/4" X 3/8"
19 T81524 Пластина 1
20 AT444015 Комплект уплотнений 1 Золотник
key PART NO. PART NAME QTY SERIAL NO. REMARKS
21 AT300801 Комплект уплотнений 1

Секция клапана ограничения нагрузки

key PART NO. PART NAME QTY SERIAL NO. REMARKS
1 AT301784 Золотник клапана 1 со сквозным масляным каналом П ятая функция Шестая функция Сед ьмая функция Секция длины хода
2 AT171404 Редукционный клапан 1 327.50 bar (4750 psi) 22.23 mm (.875.00 in)
5 AT303954 Редукционный клапан 1 26.99 mm (1.0625 in) 262.00 bar (3800 psi), Без антикавитационного клапана
6 AT301751 Редукционный клапан 1 26.99 mm (1.0625 in) 262.00 bar (3800 psi), Антикавитационный
7 T104773 Винт с головкой 2 6.350 X 12.700 mm (1/4" X 1/2")
8 T81524 Пластина 2
9 T160702 Наконечник 1
10 R30903 Уплотнительное кольцо 1 6.071 X 1.626 mm (0.239" X 0.064")
11 ...... Сальник 2 NLA, ORDER AT444015
12 ...... Сальник 2 NLA, ORDER AT444015
key PART NO. PART NAME QTY SERIAL NO. REMARKS
13 T81538 Тарельчатый клапан 1
14 T81539 Пружина 1
15 T118685 Уплотнительное кольцо 1 88.494 X 3.531 mm (3-31/64" X 0.139")
16 T81540 Стопор 2
17 T160518 Пружина сжатия 1
18 T81541 Винт 1
19 T118808 Колпачок 1
20 19H3554 Винт 2 1/4" X 0.880"
22 AT194687 Комплект 1 Проверка самопроизвольного движения
23 T201424 Заглушка 1
key PART NO. PART NAME QTY SERIAL NO. REMARKS
24 R26906 Уплотнительное кольцо 1 19.177 X 2.464 mm (0.755" X 0.097")
25 R111238 Пружина сжатия 1
26 T67425 Гайка 1
27 ...... Уплотнительное кольцо 2 NLA, ORDER AT314538 OR AT314539
28 T67424 Гайка 1
29 T183756 Сальник 1
30 ...... Уплотнительное кольцо 1 NLA, ORDER AT300801
32 R63548 Уплотнительное кольцо 1 9.246 X 1.778 mm (0.364" X 0.070")
33 T107887 Уплотнительное кольцо 2 17.170 X 1.778 mm (0.676" X 0.070")
34 ...... Защитное кольцо 2
key PART NO. PART NAME QTY SERIAL NO. REMARKS
35 T118681 Уплотнительное кольцо 2 23.470 X 2.946 mm (0.924" X 0.116")
36 ...... Пружина 1 NLA, ORDER AT300801
37 AT444015 Комплект уплотнений 1 Золотник
38 AT314538 Комплект уплотнений 1 22.23 mm (0.875.00 in), Предохранительный клапан
AT314539 Комплект уплотнений 1 26.99 mm (1.0625 in), П редохранительный клапан
39 AT300801 Комплект уплотнений 1 USE WITH AT303954
41 AT301749 Комплект уплотнений 1

Секция распределителя механизма вращения

key PART NO. PART NAME QTY SERIAL NO. REMARKS
1 AT170221 Золотниковый клапан 1
2 T104773 Винт с головкой 2 6.350 X 12.700 mm (1/4" X 1/2")
3 T81524 Пластина 2
4 T160702 Наконечник 1
5 R30903 Уплотнительное кольцо 2
6 ...... Золотниковый клапан 1
7 ...... Сальник 2
8 ...... Сальник 2
9 T81538 Тарельчатый клапан 1
10 T81539 Пружина 1
key PART NO. PART NAME QTY SERIAL NO. REMARKS
11 T118685 Уплотнительное кольцо 1
12 ...... Корпус 1
13 T81540 Стопор 2
14 T160518 Пружина сжатия 1
15 T160519 Винт 1
16 T118808 Колпачок 1
18 19H3554 Винт 2 1/4" X 0.880"
19 ...... Редукционный клапан 2 3800 psi.
20 T118866 Корпус 1
21 T118867 Пружина 1
key PART NO. PART NAME QTY SERIAL NO. REMARKS
22 ...... Пружинное кольцо 1
23 ...... Уплотнительное кольцо 1
24 ...... Защитное кольцо 1
25 ...... Уплотнительное кольцо 1
26 ...... Пружина 1
27 T118681 Уплотнительное кольцо 1
28 ...... Шайба 1
29 ...... Шайба 1
30 ...... Гильза 1
31 ...... Тарельчатый клапан 1
key PART NO. PART NAME QTY SERIAL NO. REMARKS
32 ...... Шайба 1
33 ...... Шайба 1
34 ...... Винт 1
35 ...... Защитное кольцо 1
36 AT178362 Комплект уплотнений 1 Предохранительный клапан
37 AT314538 Комплект уплотнений 1 7/8 in. , Предохранительный клапан
AT314539 Комплект уплотнений 1 1 1/16 in. , Предохранительный клапан
38 AT280406 Комплект уплотнений 1 Золотник

Секция клапана управления выдвижением

key PART NO. PART NAME QTY SERIAL NO. REMARKS
1 AT191704 Золотник клапана 1 Пятая функция Шестая функция
2 T104773 Винт с головкой 2 6.350 X 12.700 mm (1/4" X 1/2")
3 T81524 Пластина 2
4 ...... Сальник 1 NLA, ORDER AT444015
5 ...... Сальник 1 NLA, ORDER AT444015
6 T81540 Стопор 1
7 T160518 Пружина сжатия 1
8 T81540 Стопор 1
9 T81541 Винт 1
10 T118808 Колпачок 1
key PART NO. PART NAME QTY SERIAL NO. REMARKS
11 19H3554 Винт 2 1/4" X 0.880"
12 T152406 Тарельчатый клапан 1
13 T152407 Пружина 1
14 AT83174 Заглушка фитинга 2
15 T183757 Сальник 1
16 AT444015 Комплект уплотнений 1 Золотник

Секция клапана селективного управления расходом

key PART NO. PART NAME QTY SERIAL NO. REMARKS
1 AT192384 Золотник клапана 1 Одностороннее селектив ное управление расходом
2 AT190234 Редукционный клапан 1 2900 psi
4 AT192385 Ручной клапан 1 9, 13, 16, 18, 22, 25 g pm, Настройка расхода
5 T160663 Сердечник 1
6 14H786 Гайка 1 1/4"
7 14H785 Гайка 1 5/16"
8 R26906 Уплотнительное кольцо 3 19.177 X 2.464 mm (0.755" X 0.097")
9 R10093 Уплотнительное кольцо 1 7.645 X 1.778 mm (0.301" X 0.070")
10 T118685 Уплотнительное кольцо 1 88.494 X 3.531 mm (3-31/64" X 0.139")
11 T184356 Пружина 1
key PART NO. PART NAME QTY SERIAL NO. REMARKS
12 T76502 Фитинг 1
13 AT174923 Электромагнитный клапан 1 NLA, ORDER AH209120 AND AT333807
AT178475 Комплект уплотнений 1 USE WITH AT174923 Электромагнитный клапан
AH209120 Золотниковый клапан 1 Картридж SUB FOR AT174923 INCLUDES Гайка
AH209121 Комплект уплотнений 1 SUB FOR AT178475
AT333807 Катушка эл/магн. клапана 1
14 T184271 Тарельчатый клапан 1
15 T160520 Пружина 1
16 T160613 Заглушка 1
17 T183756 Сальник 1
key PART NO. PART NAME QTY SERIAL NO. REMARKS
18 T150961 Уплотнительное кольцо 2 13.995 X 1.778 mm (0.551" X 0.070")
19 T67424 Гайка 1
20 T67425 Гайка 1
21 AT314538 Комплект уплотнений 1 0.875 in, Предохранительный клапан

Комплект клапана стабилизации качания

key PART NO. PART NAME QTY SERIAL NO. REMARKS
1 AT400923 Клапан 1 Комплект стабилизации качания WHOLE GOODS
2 AT434080 Клапан 1 Отверстия для фитингов с метрической рез ьбой ALSO ORDER 61M5035 SUB FOR AT312944
3 38H1004 Коленчатый патрубок 2
4 R26448 Уплотнительное кольцо 2
5 T77613 Уплотнительное кольцо 2 9.250 X 1.780 mm (0.364" X 0.070")
6 AT312919 Гидрошланг 1 9/16" X 551 mm (21-3/4") X 9/16"
7 AT400974 Гидрошланг 1 17.4752" X 590 mm (23-1/4") X 13/16"
8 38H1024 Тройник 2
9 R26375 Уплотнительное кольцо 2
10 T77857 Уплотнительное кольцо 4 12.421 X 1.778 mm (0.489" X 0.070")
key PART NO. PART NAME QTY SERIAL NO. REMARKS
11 24M7238 Шайба 4 8.700 X 17 X 2 mm
12 19M7663 Винт с головкой 2 M8 X 70
13 14M7273 Гайка 2 M8
14 38H1481 Переходная втулка 2 235589 -
15 T77613 Уплотнительное кольцо 2 235589 -
16 61M5035 Коленчатый патрубок 2 Не показано