Содержимое: Каталог Запчастей John Deere :315SL Backhoe Loader (Engine 4045HT086, 4045TT096)(PIN 1T0315SL_ _C273920-)(PIN 1T0315SL_ _D273920- )(Russian) - PC11327 09 Система рулевого управления 0910 Ручное рулевое управление

Наклон рулевой колонки ( - 329327) - ST820099

Наклон рулевой колонки (329328 - ) - ST924104

Гидравлический клапан рулевого управления с рабочим объемом 9,7 куб. дюйма ( - 329327) - ST820100

Гидравлический клапан рулевого управления с рабочим объемом 9,7 куб. дюйма (329328 - ) - ST924010

Гидравлический клапан рулевого управления с рабочим объемом 119,6 мл (7,3 куб. дюйма) ( - 329327) - ST835275

Гидравлический клапан рулевого управления с рабочим объемом 119,6 мл (7,3 куб. дюйма) (329328 - ) - ST924293

Гидравлическая система рулевого управления без механического привода на передние колеса ( - 329327) - ST818876

Гидравлическая система рулевого управления без механического привода на передние колеса (329328 - ) - ST923993

Гидравлика рулевого управления с механическим приводом на передние колеса ( - 329327) - ST817916

Гидравлическая система рулевого управления с механическим приводом на передние колеса, MFWD (329328 - ) - ST923999

Цилиндр рулевого управления и ремонтный комплект с MFWD - ST17133

Наклон рулевой колонки ( - 329327) - ST820099


Наклон рулевой колонки ( - 329327) - ST820099 190.jpg


1 - Рулевая колонка AT471426 Примечание:SUB FOR AT429527
2 - Газовый цилиндр AT471425 Примечание:SUB FOR AT362814
3 - Руль AT139694
4 - Стопорная шайба T17148
5 - Гайка T13630
6 - Крышка AL155227
7 - Уплотнительное кольцо B3690R
8 - Пластина T216524
9 - Изолятор AT219940 Количество:4
10 - Прокладка T216546
11 - Винт 19M8528 Количество:4 Примечание:M10 X 55
12 - Пластина T216525
13 - Винт с головкой 19M7938 Количество:4 Примечание:M10 X 20
14 - Опора AT429526
15 - Винт с головкой 19M7402 Количество:4 Примечание:M10 X 25
16 - Стопорная гайка 14M7400 Количество:4 Примечание:M10
17 - Шайба 24M7101 Количество:4 Примечание:11 X 34 X 3 mm
18 - Гайка 14M7274 Количество:4 Примечание:M10
19 - Винт 19M7866 Примечание:M8 X 20
20 - Комплект рулевой колонки AT392657 Примечание:Комплект болтов шарнира

Наверх

Наклон рулевой колонки (329328 - ) - ST924104


Наклон рулевой колонки (329328 - ) - ST924104 191.jpg


1 - Опора AT471916
2 - Рулевая колонка AT471426
3 - Газовый цилиндр AT471425 Примечание:SUB FOR AT362814
4 - Комплект рулевой колонки AT392657 Количество:2
5 - Руль AT139694
6 - Стопорная шайба T17148
7 - Гайка T13630
8 - Крышка AL155227
9 - Крышка AL155227
10 - Пластина T216524
11 - Изолятор AT219940 Количество:4
12 - Прокладка T216546
13 - Винт с головкой 19M7402 Количество:4 Примечание:M10 X 25
14 - Винт 19M8528 Количество:4 Примечание:M10 X 55
15 - Пластина T216525
16 - Стопорная гайка 14M7400 Количество:4 Примечание:M10
17 - Винт с головкой 19M7938 Количество:4 Примечание:M10 X 20
18 - Шайба 24M7101 Количество:4 Примечание:11 X 34 X 3 mm
19 - Гайка 14M7274 Количество:4 Примечание:M10
20 - Винт 19M7866 Примечание:M8 X 20
21 - Направляющая T386906
22 - Фланцевая гайка 14M7648 Примечание:M10

Наверх

Гидравлический клапан рулевого управления с рабочим объемом 9,7 куб. дюйма ( - 329327) - ST820100


Гидравлический клапан рулевого управления с рабочим объемом 9,7 куб. дюйма ( - 329327) - ST820100 192.jpg


1 - Ручной гидравл. клапан AT318271 Примечание:Используется на всех машинах, кромеУстанавливается на заводеУниверсальный ковш погрузчика с муфтой 2,34 м (92,000 дюйма)Компоненты на отдельной стр.
1 - Комплект уплотнений AT316249
2 - Фитинг переходника 38H3005
3 - Уплотнительное кольцо R26375 Примечание:16.358 X 2.210 mm (0.644" X 0.087")
4 - Уплотнительное кольцо T77857 Примечание:12.421 X 1.778 mm (0.489" X 0.070")
5 - Фитинг переходника 38H3171
6 - Уплотнительное кольцо T77613 Примечание:9.250 X 1.780 mm (0.364" X 0.070")
7 - Уплотнительное кольцо R26375 Примечание:16.358 X 2.210 mm (0.644" X 0.087")
8 - Фитинг переходника 62H1021
Примечание:-06 to -06, Фитинг с замковым соединением
9 - Фитинг переходника 38H3161
10 - Уплотнительное кольцо T77857 Примечание:12.421 X 1.778 mm (0.489" X 0.070")
11 - Уплотнительное кольцо R26375 Примечание:16.358 X 2.210 mm (0.644" X 0.087")
12 - Фитинг переходника 62H1022
Примечание:-08 to -08, Фитинг с замковым соединением
13 - Фитинг переходника 62H1019
Примечание:-06 to -08, Фитинг с замковым соединением
14 - Уплотнительное кольцо R26375 Примечание:16.358 X 2.210 mm (0.644" X 0.087")
15 - Фитинг переходника 62H1018
Примечание:-06 to -04, Фитинг с замковым соединением
16 - Уплотнительное кольцо R28782 Примечание:8.915 X 1.829 mm (0.351" X 0.072")
17 - Метка T184320 Примечание:Направляющая для шлангов
18 - Метка T191425 Примечание:Прокладка шлангов
19 - Гидрошланг AT444558 Примечание:От сист. рул. упр. к тормозному клапану

Наверх

Гидравлический клапан рулевого управления с рабочим объемом 9,7 куб. дюйма (329328 - ) - ST924010


Гидравлический клапан рулевого управления с рабочим объемом 9,7 куб. дюйма (329328 - ) - ST924010 193.jpg


1 - Ручной гидравл. клапан AT318271
2 - Фитинг переходника 62H1002
3 - Уплотнительное кольцо R26375
4 - Уплотнительное кольцо T77857
5 - Фитинг переходника 38H3171
6 - Уплотнительное кольцо T77613
7 - Уплотнительное кольцо R26375
8 - Фитинг переходника 62H1021
9 - Фитинг переходника 38H3161
10 - Уплотнительное кольцо T77857
11 - Уплотнительное кольцо R26375
12 - Фитинг переходника 62H1022
13 - Фитинг переходника 62H1019
14 - Уплотнительное кольцо R26375
15 - Фитинг переходника 62H1018
16 - Уплотнительное кольцо R28782
17 - Метка T371329
18 - Метка T371333
19 - Гидрошланг AT444558

Наверх

Гидравлический клапан рулевого управления с рабочим объемом 119,6 мл (7,3 куб. дюйма) ( - 329327) - ST835275


Гидравлический клапан рулевого управления с рабочим объемом 119,6 мл (7,3 куб. дюйма) ( - 329327) - ST835275 194.jpg


1 - Ручной гидравл. клапан AT369357 Примечание:Устанавливается на заводеУниверсальный ковш погрузчика с муфтой 2,34 м (92,000 дюйма), USE WITH
1 - Комплект уплотнений AT316249
2 - Фитинг переходника 38H3005
3 - Уплотнительное кольцо R26375 Примечание:16.358 X 2.210 mm (0.644" X 0.087")
4 - Уплотнительное кольцо T77857 Примечание:12.421 X 1.778 mm (0.489" X 0.070")
5 - Фитинг переходника 38H3171
6 - Уплотнительное кольцо T77613 Примечание:9.250 X 1.780 mm (0.364" X 0.070")
7 - Уплотнительное кольцо R26375 Примечание:16.358 X 2.210 mm (0.644" X 0.087")
8 - Фитинг переходника 62H1021
9 - Фитинг переходника 38H3161
10 - Уплотнительное кольцо T77857 Примечание:12.421 X 1.778 mm (0.489" X 0.070")
11 - Уплотнительное кольцо R26375 Примечание:16.358 X 2.210 mm (0.644" X 0.087")
12 - Фитинг переходника 62H1022
13 - Фитинг переходника 62H1019
14 - Уплотнительное кольцо R26375 Примечание:16.358 X 2.210 mm (0.644" X 0.087")
15 - Фитинг переходника 62H1018
16 - Уплотнительное кольцо R28782 Примечание:8.915 X 1.829 mm (0.351" X 0.072")
17 - Метка T184320 Примечание:Направляющая для шлангов
18 - Метка T191425 Примечание:Передний пульт управления
19 - Гидрошланг AT444558 Примечание:К тормозному клапану

Наверх

Гидравлический клапан рулевого управления с рабочим объемом 119,6 мл (7,3 куб. дюйма) (329328 - ) - ST924293


Гидравлический клапан рулевого управления с рабочим объемом 119,6 мл (7,3 куб. дюйма) (329328 - ) - ST924293 195.jpg


1 - Ручной гидравл. клапан AT369357
1 - Комплект уплотнений AT316249
2 - Фитинг переходника 38H3171
3 - Уплотнительное кольцо T77613 Примечание:9,250 x 1,780 mm
4 - Уплотнительное кольцо R26375 Примечание:16,358 x 2,210 mm
5 - Фитинг переходника 62H1021
6 - Фитинг переходника 38H3161
7 - Уплотнительное кольцо T77857 Примечание:12,421 x 1,778 mm
8 - Уплотнительное кольцо R26375 Примечание:16,358 x 2,210 mm
9 - Фитинг переходника 62H1022
10 - Фитинг переходника 62H1019
11 - Уплотнительное кольцо R26375
12 - Фитинг переходника 62H1018
13 - Уплотнительное кольцо R28782 Примечание:8,915 x 1,829 mm
14 - Метка T371333 Примечание:Передний пульт управления
15 - Метка T387027 Примечание:Направляющая шланга тормозного клапана
16 - Метка T371329 Примечание:Направляющая шланга клапана рулевого управления
17 - Фитинг переходника 62H1002
18 - Уплотнительное кольцо R26375

Наверх

Гидравлическая система рулевого управления без механического привода на передние колеса ( - 329327) - ST818876


Гидравлическая система рулевого управления без механического привода на передние колеса ( - 329327) - ST818876 196.jpg


1 - Гидрошланг AT433770 Примечание:Правый передний поворотный кулак, ALSO ORDER 62H1042 OR 62M1010 AND T77613
2 - Гидрошланг AT433771 Примечание:Левый передний поворотный кулак, ALSO ORDER 62H1042 OR 62M1010 AND T77613
3 - Гидрошланг AT433769 Примечание:Возвратный трубопровод системы рулевого управления, ALSO ORDER 62H1043 OR 62M1011 AND T77857
4 - Скоба TY22464
5 - Фитинг переходника 38H3004 Количество:2
6 - Уплотнительное кольцо R26448 Количество:2 Примечание:11.887 X 1.981 mm (0.468" X 5/64")
7 - Уплотнительное кольцо T77613 Количество:2 Примечание:9.250 X 1.780 mm (0.364" X 0.070")
8 - Гильза ....... Примечание:MAKE FROM T78606, CTL 254 mm (10.000 in)
9 - Втулка 28H3383 Примечание:0.493" X 0.675" X 3/4"
10 - Разъемный хомут R46919 Количество:2
11 - Распорная втулка 28H3421 Примечание:0.493" X 0.675" X 7/16"
12 - Винт с головкой 19M7742 Примечание:M10 X 65
13 - Направляющая T166223
14 - Шайба 24M7239 Примечание:10.700 X 21 X 2.500 mm
15 - Винт 19M7785 Примечание:M10 X 25
16 - Фланцевая гайка 14M7296 Примечание:M10
17 - Обвязной хомут R44302 Количество:2 Посмотреть аналогичные детали

Наверх

Гидравлическая система рулевого управления без механического привода на передние колеса (329328 - ) - ST923993


Гидравлическая система рулевого управления без механического привода на передние колеса (329328 - ) - ST923993 197.jpg


1 - Гидрошланг AT459496
2 - Гидрошланг AT433770 Примечание:Сваривать
3 - Гидрошланг AT433771 Примечание:Сваривать
4 - Фитинг переходника 38H3004 Количество:2
5 - Уплотнительное кольцо R26448 Количество:2
6 - Уплотнительное кольцо T77613 Количество:2
7 - Защитный шланг ....... Примечание:MAKE FROM T78606, CTL 254 mm
8 - Разъемный хомут R46919 Количество:2
9 - Распорная втулка 28H3421 Примечание:0.493" X 0.675" X 7/16"
10 - Направляющая T166223
11 - Винт 19M7785 Примечание:M10 X 25
12 - Фланцевая гайка 14M7296 Примечание:M10
13 - Обвязной хомут R44302 Количество:2 Посмотреть аналогичные детали
14 - Скоба AR21836
15 - Винт с головкой 19M8637 Примечание:M10 X 40

Наверх

Гидравлика рулевого управления с механическим приводом на передние колеса ( - 329327) - ST817916


Гидравлика рулевого управления с механическим приводом на передние колеса ( - 329327) - ST817916 198.jpg


1 - Втулка 28H3383 Примечание:0.493" X 0.675" X 3/4", SUB FOR 28H1697
2 - Разъемный хомут R46919 Количество:2
3 - Распорная втулка 28H3421 Примечание:0.493" X 0.675" X 7/16"
4 - Фитинг переходника 38H3160
5 - Уплотнительное кольцо T77613 Примечание:9.250 X 1.780 mm (0.364" X 0.070")
6 - Уплотнительное кольцо R26448 Примечание:11.887 X 1.981 mm (0.468" X 5/64")
7 - Фитинг переходника 38H3212
8 - Уплотнительное кольцо T77613 Примечание:9.250 X 1.780 mm (0.364" X 0.070")
9 - Уплотнительное кольцо R26448 Примечание:11.887 X 1.981 mm (0.468" X 5/64")
10 - Гидрошланг AT433769 Примечание:Возвратный трубопровод системы рулевого управления, ALSO ORDER 62H1043 OR 62M1011 AND T77857
11 - Скоба AR21836
12 - Гидрошланг AT433772 Примечание:Правый передний поворотный кулак, ALSO ORDER 62H1042 OR 62M1010 AND T77613
13 - Гидрошланг AT426176 Примечание:Левый передний поворотный кулак, ALSO ORDER 62H1042 OR 62M1010 AND T77613
14 - Гильза ....... Примечание:MAKE FROM T78606, CTL 254 mm (10.000 in)
15 - Обвязной хомут R44302 Количество:2 Посмотреть аналогичные детали
16 - Винт с головкой 19M7742 Примечание:M10 X 65
17 - Направляющая T166223
18 - Винт 19M7785 Примечание:M10 X 25, SUB FOR 24M7239 AND 19M7662
19 - Фланцевая гайка 14M7296 Примечание:M10

Наверх

Гидравлическая система рулевого управления с механическим приводом на передние колеса, MFWD (329328 - ) - ST923999


Гидравлическая система рулевого управления с механическим приводом на передние колеса, MFWD (329328 - ) - ST923999 199.jpg


1 - Разъемный хомут R46919 Количество:2
2 - Распорная втулка 28H3421 Примечание:0.493" X 0.675" X 7/16"
3 - Фитинг переходника 38H3160
4 - Уплотнительное кольцо T77613
5 - Уплотнительное кольцо R26448
6 - Фитинг переходника 38H3212
7 - Уплотнительное кольцо T77613
8 - Уплотнительное кольцо R26448
9 - Гидрошланг AT459496
10 - Гидрошланг AT433772 Примечание:Сваривать
11 - Гидрошланг AT426176 Примечание:Сваривать
12 - Защитный шланг ....... Примечание:MAKE FROM T78606, CTL 254 mm (0.83 mm)
13 - Скоба AR21836
14 - Обвязной хомут R44302 Количество:2 Посмотреть аналогичные детали
15 - Направляющая T166223
16 - Винт 19M7785 Примечание:M10 X 25
17 - Фланцевая гайка 14M7296 Примечание:M10
18 - Винт с головкой 19M8637 Примечание:M10 X 40

Наверх

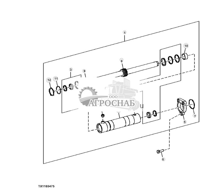
Цилиндр рулевого управления и ремонтный комплект с MFWD - ST17133


Цилиндр рулевого управления и ремонтный комплект с MFWD - ST17133 200.jpg


1 - Гидравлический цилиндр AT326542
2 - Гильза гидравл. цилиндра ....... Примечание:ORDER AT326542
3 - Комплект гидроцилиндров T218502
4 - Заглушка T229277
5 - Фланец T229280
6 - Винт с головкой T229282 Количество:2
7 - Пружинное кольцо T229278
8 - Шток гидравлич. цилиндра ....... Примечание:ORDER AT326542
9 - Заглушка T229276
10 - Втулка T229281
11 - Пружинное кольцо T229275
12 - Пружинное кольцо T229279

Наверх